Подобрать оригинальные запчасти на лодочный мотор SUZUKI модель 1993 года - вход case
вконтакте

Контактный телефон: +7 (981) 121-46-93, +7 (800) 200-90-76 , Email: parts-katalog@yandex.ru, где купить

 
 

  Логин:

Пароль:

Регистрация

www.partskatalog.ru Все каталоги Запчасти Mercury Запчасти Suzuki Запчасти Tohatsu Запчасти Honda Контакты



УВАЖАЕМЫЕ КЛИЕНТЫ!
C 19 ДЕКАБРЯ 2025 ПО 02 МАРТА 2026 ГОДА ОТДЕЛ ЗАПЧАСТЕЙ И СЕРВИС РАБОТАТЬ НЕ БУДУТ
ПРОДАЖА ЛОДОЧНЫХ МОТОРОВ В ШТАТНОМ РЕЖИМЕ
ОБ ИЗМЕНЕНИЯХ В ГРАФИКЕ РАБОТЫ ЧИТАЙТЕ НА САЙТА



назад Раздел:   вперёд

Вернуться к выбору узлов мотора


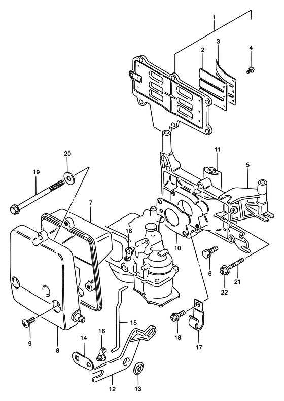
ДЕТАЛИРОВКА ДЛЯ МОДЕЛИ: SUZUKI DT15S P

вход case


Год выпуска двигателя: 1993

Цвет: California Gray Metallic

Номер на
рисунке
АртикулНаименованиеQTYКол-во
на складе
Цена
113150-93900-000

Язычковый клапан, в сборе (dt15 Gas) - Valve Assy, Reed (dt15 Gas) (DT15/15K) (Valve Assy, Reed (dt15 Gas))

2 шт11720 руб.
113150-90L00-000

   (актуальный код замены) Язычковый клапан, в сборе (dt15 Gas) - Valve Assy, Reed (dt15 Gas)

под заказ11720 руб.
113150-90L00-000

Язычковый клапан, в сборе (dt15 Gas) - Valve Assy, Reed (dt15 Gas) (Valve Assy, Reed (dt15 Gas))

под заказ11720 руб.
113150-93910-000

Язычковый клапан, в сборе - Valve Assy, Reed (Reed valve assy # DT9.9 MODEL:96~00 ) (Valve Assy, Reed)

под заказ15510 руб.
113150-90L10-000

   (актуальный код замены) Язычковый клапан, в сборе (dt9.9 Gas) - Valve Assy, Reed (dt9.9 Gas)

под заказ15510 руб.
113150-93920-000

Язычковый клапан, в сборе - Valve Assy, Reed (DT9.9 ~MODEL:95 DT9.9K ~MODEL:96~00 ) (Valve Assy, Reed)

под заказ11720 руб.
113150-90L20-000

   (актуальный код замены) Язычковый клапан, в сборе (dt9.9 Krsn) - Valve Assy, Reed (dt9.9 Krsn)

под заказ11720 руб.
213153-65010-000

Язычковый клапан - Valve, Reed (Valve, Reed)

под заказ1110 руб.
213153-90L00-000

   (актуальный код замены) Язычковый клапан - Valve, Reed

1 шт1110 руб.
213153-90L00-000

Язычковый клапан - Valve, Reed (Valve, Reed)

1 шт1110 руб.
313152-93900-000

Стопор язычкового клапана - Stopper, Reed Valve (DT15/15K) (Stopper, Reed Valve)

под заказ430 руб.
313152-90L00-000

   (актуальный код замены) Стопор язычкового клапана - Stopper, Reed Valve

17 шт600 руб.
313152-90L00-000

Стопор язычкового клапана - Stopper, Reed Valve (Stopper, Reed Valve)

17 шт600 руб.
313152-93910-000

Стопор язычкового клапана - Stopper, Reed Valve (DT9.9 MODEL:96~00 ) (Stopper, Reed Valve)

1 шт570 руб.
313152-90L10-000

   (актуальный код замены) Стопор язычкового клапана - Stopper, Reed Valve

под заказ570 руб.
313152-93920-000

Стопор язычкового клапана - Stopper, Reed Valve (Stopper, reed valve # DT9.9 ~MODEL:95 DT9.9K ~MODEL:96~00 ) (Stopper, Reed Valve)

под заказ430 руб.
313152-90L20-000

   (актуальный код замены) Стопор язычкового клапана - Stopper, Reed Valve

под заказ430 руб.
402112-33063-000

Винт - Screw (Screw)

под заказ140 руб.
402112-3306A-000

   (актуальный код замены) Винт - Screw

под заказ140 руб.
402112-3306A-000

Винт - Screw (Screw)

под заказ140 руб.
512481-93902-0ED

Case, вход (gray) - Case, Inlet (gray) (<-2481-93901-0ED <-2481-93911-0ED ) (Case, Inlet (gray))

под заказ13440 руб.
601570-06357-000

Болт - Bolt (Bolt, fuel pump ) (Bolt)

под заказ230 руб.
713811-93950-000

Корпус глушителя - Case, Silencer (Case, silencer ) (Case, Silencer)

под заказ1180 руб.
813812-93900-000

Крышка, Глушитель - Cover, Silencer (Cover, Silencer)

под заказ1110 руб.
903242-05163-000

Винт - Screw (Screw)

под заказ100 руб.
903241-0516A-000

   (актуальный код замены) Винт - Screw

под заказ100 руб.
903241-0516A-000

Винт - Screw (Screw)

под заказ100 руб.
1013125-91D00-000

Прокладка карбюратора - Gasket, Carburetor (Gasket, carburetor # <-3125-93950 ) (Gasket, Carburetor)

10 шт320 руб.
10SM-13125-91D00-000

   (не оригинальный аналог) Прокладка SM-13125-91D00-000 карбюратора

1 шт80 руб.
1112485-93900-000

Piece, вход Case - Piece, Inlet Case (Piece, inlet case ) (Piece, Inlet Case)

под заказ530 руб.
1213633-93900-000

Рычаг заслонки - Lever, Choke (DT9.9/15 ) (Lever, Choke)

под заказ390 руб.
1309148-06008-000

Гайка - Nut (Nut, adjuster knob # DT9.9/15 ) (Nut)

4 шт110 руб.
1413633-93950-000

Рычаг заслонки - Lever, Choke (DT9.9K/15K ) (Lever, Choke)

под заказ280 руб.
1513634-93952-000

Тяга дросселя Рычаг - Rod, Choke Lever (DT9.9K/15K <-3634-93951 ) (Rod, Choke Lever)

под заказ450 руб.
1613635-93950-000

Коннектор дроссельной заслонки - Connector, Choke (DT9.9K/15K ) (Connector, Choke)

19 шт220 руб.
1709403-09316-000

Струбцина - Clamp (Clamp, tilt limit lead # DT9.9K/15K ) (Clamp)

под заказ160 руб.
1709403-09330-000

   (актуальный код замены) Струбцина, Tilt Limit Lead - Clamp, Tilt Limit Lead

под заказ160 руб.
1802162-05127-000

Винт - Screw (Screw ) (Screw)

под заказ150 руб.
1901550-06907-000

Болт - Bolt (Bolt)

под заказ290 руб.
2009160-06066-000

Шайба (6.5x20x1.6) - Washer (65x20x16) (Washer, throttle lever (6.5x20x1.6) ) (Washer (6.5x20x1.6))

под заказ150 руб.
2101421-06307-000

Болт под шпильку - Bolt, Stud (MODEL:99, 00 ) (Bolt, Stud)

под заказ190 руб.
2208316-10067-000

Гайка - Nut (MODEL:99, 00 ) (Nut)

под заказ170 руб.


Время выполнения запроса 2.261204957962 сек.

 
 

данный сайт носит информационный характер и не является публичной офертой

склад запчастей для водомоторной техники