Подобрать оригинальные запчасти на лодочный мотор Suzuki - Электрика - Electrical
вконтакте

Контактный телефон: +7 (981) 121-46-93, +7 (800) 200-90-76 , Email: parts-katalog@yandex.ru, где купить

 
 

  Логин:

Пароль:

Регистрация

www.partskatalog.ru Все каталоги Запчасти Mercury Запчасти Suzuki Запчасти Tohatsu Запчасти Honda Контакты

назад Раздел:   вперёд

Вернуться к выбору узлов мотора


ДЕТАЛИРОВКА ДЛЯ МОДЕЛИ: SUZUKI DT15CEVR(E1) R

Электрика


Год выпуска двигателя: 1994

Регион: General Export No.1 ,Код региона: P01

Цвет: California Gray Metallic

Номер на
рисунке
АртикулНаименованиеQTYКол-во
на складе
Цена
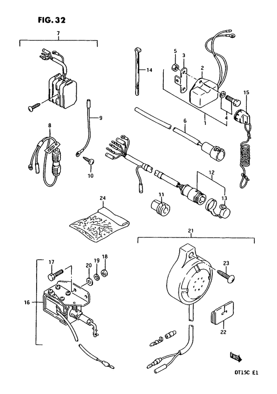
132501-89E00-000

Запчасть снята с производства - The Spare Part Is Laid Off (The Spare Part Is Laid Off)

под заказ0 руб.
232500-95722-000

Регулятор напряжения - Regulator Assy, Voltage (Regulator assy, voltage # Unit, voltage regulator; ) (Regulator Assy, Voltage)

под заказ110400 руб.
332590-89E00-000

Запчасть снята с производства - The Spare Part Is Laid Off (The Spare Part Is Laid Off)

под заказ0 руб.
402162-06127-000

Винт - Screw (Screw)

под заказ150 руб.
508310-00067-000

Гайка - Nut (Nut)

под заказ140 руб.
639602-93900-000

Разьем провода нагрузки - Plug Assy, Lamp Cord (Plug, lighting # Plug assy, lighting; ) (Plug Assy, Lamp Cord)

под заказ5000 руб.
732801-89E51-000

Set, Выпрямитель - Set, Rectifier (-32801-89e50 ) (Set, Rectifier)

под заказ0 руб.
836740-92D52-000

Запчасть снята с производства - The Spare Part Is Laid Off (The Spare Part Is Laid Off)

под заказ0 руб.
937801-98300-000

Провод выключателя двигателя - Lead, Stop Switch (Lead, rect & reg gnd # Lead, receptacle ground; ) (Lead, Stop Switch)

под заказ320 руб.
937801-98301-000

   (актуальный код замены) Провод выключателя двигателя - Lead, Stop Switch

под заказ320 руб.
1003212-05253-000

Винт - Screw (Screw)

под заказ190 руб.
1003212-0525B-000

   (актуальный код замены) Винт - Screw

под заказ190 руб.
1003212-0525B-000

Винт - Screw (Screw)

под заказ190 руб.
1136612-92D00-000

Пыльник - Grommet (Grommet, remocon harness; ) (Grommet)

под заказ0 руб.
1236630-89E01-000

Жгут проводов, в сборе - Harness Assy, Wiring (Harness Assy, Wiring)

под заказ9600 руб.
1236630-89E02-000

   (актуальный код замены) Жгут проводов, в сборе - Harness Assy, Wiring

под заказ9600 руб.
1236630-89E02-000

Жгут проводов, в сборе - Harness Assy, Wiring (Harness, wiring ) (Harness Assy, Wiring)

под заказ9600 руб.
1236630-89E02-000

Жгут проводов, в сборе - Harness Assy, Wiring (Harness, wiring # Harness, wiring remocon; Model:97 ) (Harness Assy, Wiring)

под заказ9600 руб.
1336631-94300-000

Колпачок на дистанционное управление Жгут проводов - Cap, Remote Control Harness (Cap, Remote Control Harness)

под заказ390 руб.
1436632-95501-000

Струбцина (l: 250) - Clamp (l:250) (Clamp (l:250))

под заказ190 руб.
1409407-20405-000

   (актуальный код замены) Струбцина (l: 202) - Clamp (l:202)

под заказ190 руб.
1409407-25402-000

Струбцина (l: 250) - Clamp (l:250) (Clamp, tilt sw ) (Clamp (l:250))

под заказ350 руб.
1409407-25402-000

Струбцина (l: 250) - Clamp (l:250) (Clamp, tilt sw ) (Clamp (l:250))

под заказ350 руб.
1537823-94400-000

Колпачок & Шнур - Cap & Rope (Cap & rope # Cap, emergency sw; ) (Cap & Rope)

под заказ1530 руб.
1537823-94401-000

   (актуальный код замены) Колпачок & Шнур - Cap & Rope

1 шт1530 руб.
1638600-89E00-000

Запчасть снята с производства - The Spare Part Is Laid Off (The Spare Part Is Laid Off)

под заказ0 руб.
1701500-05127-000

Болт - Bolt (Bolt)

под заказ150 руб.
1808310-00057-000

Гайка - Nut (Nut)

под заказ140 руб.
1908321-01057-000

Шайба с блокировкой - Washer, Lock (Washer, Lock)

под заказ140 руб.
1908321-0105A-000

   (актуальный код замены) Шайба с блокировкой - Washer, Lock

под заказ140 руб.
1908321-0105A-000

Шайба с блокировкой - Washer, Lock (Washer, Lock)

под заказ140 руб.
2008322-01057-000

Шайба - Washer (Washer, front hook holder ) (Washer)

под заказ140 руб.
2138500-92D10-000

Запчасть снята с производства - The Spare Part Is Laid Off (-38500-92d00) (The Spare Part Is Laid Off)

под заказ0 руб.
2237824-92D00-000

Пыльник - Grommet (Grommet, emergency switch ) (Grommet)

под заказ0 руб.
2303142-05253-000

под заказ730 руб.
2303142-0525B-000

   (актуальный код замены) Винт - Screw

под заказ730 руб.
2303142-0525B-000

под заказ730 руб.
2436990-87D00-000

Клемма / Гильза Set - Terminal / Sleeve Set (Terminal & sleeve set # Terminal & sleeve set; ) (Terminal / Sleeve Set)

1 шт1720 руб.


Время выполнения запроса 5.3640069961548 сек.

 
 

данный сайт носит информационный характер и не является публичной офертой

склад запчастей для водомоторной техники