Запчасти на лодочный мотор Suzuki - Двигатель электростартера
вконтакте

Контактный телефон: +7 (981) 121-46-93, +7 (800) 200-90-76 , Email: parts-katalog@yandex.ru, где купить

 
 

  Логин:

Пароль:

Регистрация

www.partskatalog.ru Все каталоги Запчасти Mercury Запчасти Suzuki Запчасти Tohatsu Запчасти Honda Контакты



УВАЖАЕМЫЕ КЛИЕНТЫ!
C 19 ДЕКАБРЯ 2025 ПО 02 МАРТА 2026 ГОДА ОТДЕЛ ЗАПЧАСТЕЙ И СЕРВИС РАБОТАТЬ НЕ БУДУТ
ПРОДАЖА ЛОДОЧНЫХ МОТОРОВ В ШТАТНОМ РЕЖИМЕ
ОБ ИЗМЕНЕНИЯХ В ГРАФИКЕ РАБОТЫ ЧИТАЙТЕ НА САЙТА



назад Раздел:   вперёд

Вернуться к выбору узлов мотора


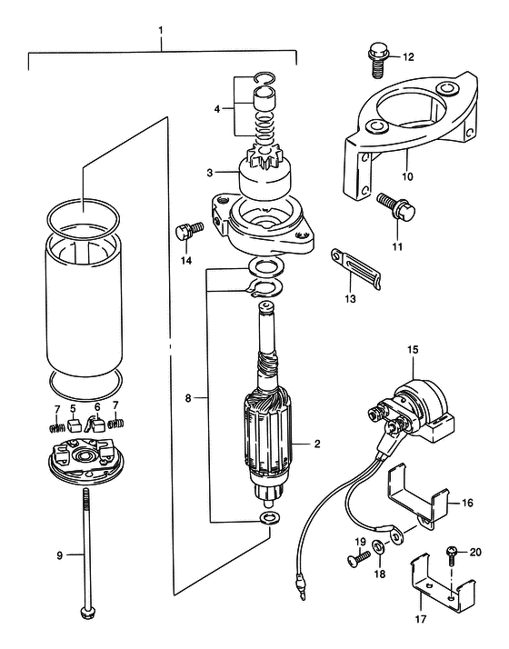
ДЕТАЛИРОВКА ДЛЯ МОДЕЛИ: SUZUKI DT15S R

Двигатель электростартера


Год выпуска двигателя: 1994

Номер на
рисунке
АртикулНаименованиеQTYКол-во
на складе
Цена
131100-89E01-000

Двигатель электростартера в сборе - Motor Assy, Starting (Motor, starting ) (Motor Assy, Starting)

под заказ92160 руб.
231310-92D10-000

Якорь в сборе - Armature Assy (Armature Assy)

под заказ45840 руб.
331320-89E00-000

Комплект шестерёнок - Pinion Assy (Pinion Assy)

под заказ24960 руб.
431312-92D10-000

Комплект стопора шестерни - Stopper Set, Pinion (Stopper set, pinion # <-1312-89E00 ) (Stopper Set, Pinion)

под заказ1780 руб.
531131-89E00-000

Щётка (+) - Brush (+) (Brush (+) ) (Brush (+))

под заказ1070 руб.
631132-89E00-000

Щётка (-) - Brush (-) (Brush (-) ) (Brush (-))

под заказ1070 руб.
731135-92D10-000

Пружина щётки Держатель - Spring, Brush Holder (Spring, Brush Holder)

под заказ770 руб.
831360-92D10-000

Шайба Kit, Thrust - Washer Kit, Thrust (Washer Kit, Thrust)

под заказ780 руб.
931281-92D10-000

Сквозной болт - Bolt, Through (Bolt, starter housing ) (Bolt, Through)

под заказ1220 руб.
1031911-93902-0ED

Запчасть снята с производства - The Spare Part Is Laid Off (The Spare Part Is Laid Off)

под заказ0 руб.
1102162-06257-000

Винт - Screw (Bolt ) (Screw)

7 шт150 руб.
1201580-08257-000

Болт - Bolt (Bolt)

9 шт240 руб.
1309404-08206-000

Струбцина (l: 65 T: 0.8) - Clamp (l:65 T:08) (Clamp # <-9404-08203 ) (Clamp (l:65 T:0.8))

под заказ230 руб.
1401570-06167-000

Болт - Bolt (Bolt)

под заказ190 руб.
1531800-94401-000

Реле в сборе, Двигатель электростартера - Relay Assy, Starting Motor (Relay, starter ) (Relay Assy, Starting Motor)

2 шт14140 руб.
1638412-94500-000

Запчасть снята с производства - The Spare Part Is Laid Off (The Spare Part Is Laid Off)

под заказ0 руб.
1731805-95501-000

Кронштейн, Двигатель электростартера Реле - Bracket, Starting Motor Relay (Bracket, starter relay # MODEL:96~00 ) (Bracket, Starting Motor Relay)

под заказ390 руб.
1809180-05046-000

Проставка (5.5x8x4) - Spacer (55x8x4) (<-9180-05015 ~MODEL:95 ) (Spacer (5.5x8x4))

под заказ180 руб.
1902142-05167-000

Винт - Screw (Screw, air intk guide no.2 ) (Screw)

под заказ110 руб.
2002112-35127-000

Винт - Screw (Screw, counting ) (Screw)

под заказ120 руб.


Время выполнения запроса 7.3386499881744 сек.

 
 

данный сайт носит информационный характер и не является публичной офертой

склад запчастей для водомоторной техники