Подобрать запчасти на подвесной лодочный мотор Suzuki - Clamp bracket
вконтакте

Контактный телефон: +7 (981) 121-46-93, +7 (800) 200-90-76 , Email: parts-katalog@yandex.ru, где купить

 
 

  Логин:

Пароль:

Регистрация

www.partskatalog.ru Все каталоги Запчасти Mercury Запчасти Suzuki Запчасти Tohatsu Запчасти Honda Контакты



УВАЖАЕМЫЕ КЛИЕНТЫ!
C 19 ДЕКАБРЯ 2025 ПО 02 МАРТА 2026 ГОДА ОТДЕЛ ЗАПЧАСТЕЙ И СЕРВИС РАБОТАТЬ НЕ БУДУТ
ПРОДАЖА ЛОДОЧНЫХ МОТОРОВ В ШТАТНОМ РЕЖИМЕ
ОБ ИЗМЕНЕНИЯХ В ГРАФИКЕ РАБОТЫ ЧИТАЙТЕ НА САЙТА



назад Раздел:   вперёд

Вернуться к выбору узлов мотора


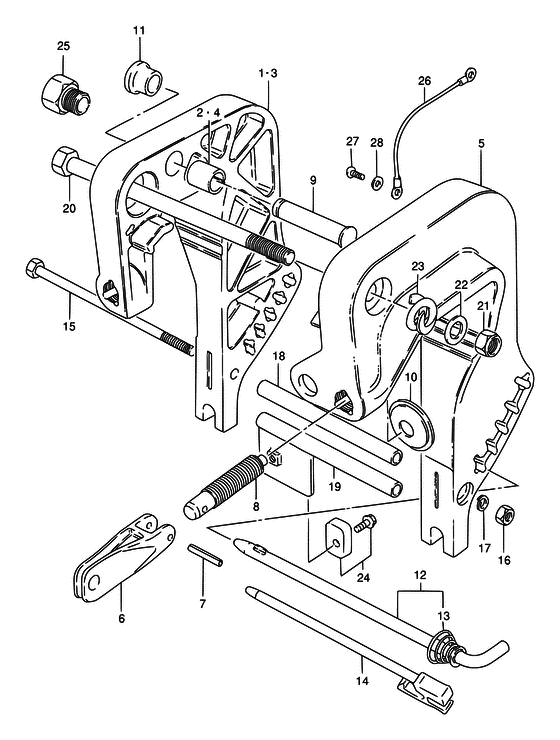
ДЕТАЛИРОВКА ДЛЯ МОДЕЛИ: SUZUKI DT15KL W

Кронштейн транца


Год выпуска двигателя: 1998

Цвет: California Gray Metallic

Номер на
рисунке
АртикулНаименованиеQTYКол-во
на складе
Цена
141100-93810-01T

(MODEL:86~88, MODEL:89/90/E40 ->1110-89E20-0ED USED WITH 09303-14003)

под заказнет сведений
109303-14003-000

Втулка - Bush (Bush)

9 шт320 руб.
141110-89E20-0ED

Кронштейн правого зажима - Bracket, Clamp Stbd (Bracket, clamp stbd ) (Bracket, Clamp Stbd)

под заказ0 руб.
141100-93810-02M

(MODEL:86~88 ->1110-89E20-0ED USED WITH 09303-14003, 45420-92D01)

под заказнет сведений
109303-14003-000

Втулка - Bush (Bush)

9 шт320 руб.
141110-89E20-0ED

Кронштейн правого зажима - Bracket, Clamp Stbd (Bracket, clamp stbd ) (Bracket, Clamp Stbd)

под заказ0 руб.
145420-92DL0-000

Штифт блокировки наклона - Pin, Tilt Lock (Pin, Tilt Lock)

25 шт2890 руб.
141100-93810-0ED

(MODEL:89, 90 ->1110-89E20-0ED USED WITH 09303-14003, 45420-92D01)

под заказнет сведений
109303-14003-000

Втулка - Bush (Bush)

9 шт320 руб.
141110-89E20-0ED

Кронштейн правого зажима - Bracket, Clamp Stbd (Bracket, clamp stbd ) (Bracket, Clamp Stbd)

под заказ0 руб.
145420-92DL0-000

Штифт блокировки наклона - Pin, Tilt Lock (Pin, Tilt Lock)

25 шт2890 руб.
141100-93820-01T

(MODEL:89, 90/E13, W/SUS ->1110-89E20-0ED USED WITH 09303-14003, 45420-92D01)

под заказнет сведений
109303-14003-000

Втулка - Bush (Bush)

9 шт320 руб.
141110-89E20-0ED

Кронштейн правого зажима - Bracket, Clamp Stbd (Bracket, clamp stbd ) (Bracket, Clamp Stbd)

под заказ0 руб.
145420-92DL0-000

Штифт блокировки наклона - Pin, Tilt Lock (Pin, Tilt Lock)

25 шт2890 руб.
209303-14003-000

Втулка - Bush (Bush)

9 шт320 руб.
341110-89E20-0ED

Кронштейн правого зажима - Bracket, Clamp Stbd (Bracket, clamp stbd # MODEL:94, N/09303-14003 <-1110-89E01-0ED ) (Bracket, Clamp Stbd)

под заказ0 руб.
409303-14003-000

Втулка - Bush (Bush)

9 шт320 руб.
541120-89E20-0ED

Запчасть снята с производства - The Spare Part Is Laid Off (MODEL:91~94 <-1120-89E11-0ED) (The Spare Part Is Laid Off)

под заказ0 руб.
541120-93940-01T

Запчасть снята с производства - The Spare Part Is Laid Off (MODEL:86~88 ->1120-89E20-0ED) (The Spare Part Is Laid Off)

под заказ0 руб.
541120-89E20-0ED

   (актуальный код замены) Запчасть снята с производства - The Spare Part Is Laid Off

под заказ0 руб.
541120-93940-02M

Запчасть снята с производства - The Spare Part Is Laid Off (MODEL:86~88 ->1120-89E20-0ED) (The Spare Part Is Laid Off)

под заказ0 руб.
541120-89E20-0ED

   (актуальный код замены) Запчасть снята с производства - The Spare Part Is Laid Off

под заказ0 руб.
541120-93950-0ED

Запчасть снята с производства - The Spare Part Is Laid Off (MODEL:89, 90 ->1120-89E20-0ED) (The Spare Part Is Laid Off)

под заказ0 руб.
541120-89E20-0ED

   (актуальный код замены) Запчасть снята с производства - The Spare Part Is Laid Off

под заказ0 руб.
541120-93960-01T

Запчасть снята с производства - The Spare Part Is Laid Off (MODEL:89, 90/E13, W/SUS ->1120-89E20-0ED) (The Spare Part Is Laid Off)

под заказ0 руб.
541120-89E20-0ED

   (актуальный код замены) Запчасть снята с производства - The Spare Part Is Laid Off

под заказ0 руб.
641212-93000-0ED

Струбцина румпеля (gray) - Handle, Clamp (gray) (<-1212-93000-02M) (Handle, Clamp (gray))

под заказ0 руб.
641212-93001-0ED

   (актуальный код замены) Запчасть снята с производства - The Spare Part Is Laid Off

под заказ0 руб.
641212-93001-0ED

Струбцина румпеля (gray) - Handle, Clamp (gray) (Handle, Clamp (gray))

под заказ0 руб.
709205-06007-000

Стопор пружины (6x25) - Pin, Spring (6x25) (Pin (6x27) # <-9205-06012 ) (Pin, Spring (6x25))

13 шт170 руб.
841211-93900-000

Винт зажима - Screw, Clamp (Screw, clamp, l:68 # OPT ) (Screw, Clamp)

под заказ1720 руб.
841211-93920-000

Винт зажима - Screw, Clamp (Screw, clamp, l:90 # <-1211-93910 ) (Screw, Clamp)

под заказ1720 руб.
941222-93910-000

Штифт, Tail Стопор - Pin, Tail Stopper (Pin, tilt stopper ) (Pin, Tail Stopper)

1 шт2260 руб.
1041213-98100-000

Пластина струбцины - Plate, Clamp (Plate, clamp ) (Plate, Clamp)

под заказ390 руб.
1041213-94J01-000

   (актуальный код замены) Пластина струбцины - Plate, Clamp

под заказ420 руб.
1141221-96301-000

Ручка, Стопор наклона Штифт - Knob, Tilt Stopper Pin (Knob, tilt stopper # <-1221-96300 ) (Knob, Tilt Stopper Pin)

2 шт540 руб.
1245420-93900-000

Штифт блокировки наклона - Pin, Tilt Lock (MODEL:86~90) (Pin, Tilt Lock)

под заказ0 руб.
1245420-9390V-000

   (актуальный код замены) Запчасть снята с производства - The Spare Part Is Laid Off

под заказ0 руб.
1245420-9390V-000

Штифт блокировки наклона - Pin, Tilt Lock (Pin, Tilt Lock)

под заказ0 руб.
1309441-17001-000

Пружина - Spring (MODEL:86~90 ) (Spring)

11 шт220 руб.
1445420-92D02-000

Штифт блокировки наклона - Pin, Tilt Lock (MODEL:91~94 <-5420-92D01) (Pin, Tilt Lock)

под заказ2370 руб.
1445420-92DL0-000

   (актуальный код замены) Штифт блокировки наклона - Pin, Tilt Lock

25 шт2890 руб.
1445420-92DL0-000

Штифт блокировки наклона - Pin, Tilt Lock (Pin, Tilt Lock)

25 шт2890 руб.
1509100-06105-000

Запчасть снята с производства - The Spare Part Is Laid Off (MODEL:86~90) (The Spare Part Is Laid Off)

под заказ0 руб.
1509100-06125-000

Болт (6x140) - Bolt (6x140) (MODEL:91~94) (Bolt (6x140))

под заказ470 руб.
1509100-06177-000

   (актуальный код замены) Болт (6x140) - Bolt (6x140)

9 шт470 руб.
1509100-06177-000

Болт (6x140) - Bolt (6x140) (Bolt (6x140))

9 шт470 руб.
1609140-06020-000

Гайка - Nut (Nut)

9 шт150 руб.
1709162-06006-000

Шайба с блокировкой - Washer, Lock (Lock washer ) (Washer, Lock)

под заказ160 руб.
1809180-06163-000

Проставка (6.5x10.5x104) - Spacer (65x105x104) (Spacer (6.5x10.5x104))

под заказ540 руб.
1941310-93900-000

Тяга, Кронштейн транца Lwr - Rod, Clamp Bracket Lwr (Rod, Clamp Bracket Lwr)

под заказ2060 руб.
1941310-93901-000

   (актуальный код замены) Тяга, Кронштейн транца Lwr - Rod, Clamp Bracket Lwr

под заказ2060 руб.
1941310-93901-000

Тяга, Кронштейн транца Lwr - Rod, Clamp Bracket Lwr (Rod, Clamp Bracket Lwr)

под заказ2060 руб.
2009100-10199-000

Болт (10x170) - Bolt (10x170) (Bolt (10x170))

под заказ0 руб.
2109159-10050-000

Гайка - Nut (Nut)

8 шт250 руб.
2209160-10082-000

Шайба (10.5x19x2) - Washer (105x19x2) (Washer ) (Washer (10.5x19x2))

19 шт120 руб.
2309440-22008-000

Пружина - Spring (Spring, tiller handle brkt ) (Spring)

под заказ1460 руб.
2411130-94600-000

Zink, Цилиндр - Zink, Cylinder (Zink, protection # E13, E40 <-5320-93142 ) (Zink, Cylinder)

под заказ1370 руб.
2455320-95310-000

Защитный цинковый анод - Zinc Set, Protection (Zinc Set, Protection)

под заказ1320 руб.
2455320-95311-000

   (актуальный код замены) Защитный цинковый анод - Zinc Set, Protection

16 шт1320 руб.
2455320-95311-000

Защитный цинковый анод - Zinc Set, Protection (Zinc Set, Protection)

16 шт1320 руб.
2541141-94300-000

Соединитель рулевой системы Регулятор - Attachment, Steering Adjuster (OPT) (Attachment, Steering Adjuster)

под заказ6920 руб.
2541141-94301-000

   (актуальный код замены) Соединитель рулевой системы Регулятор - Attachment, Steering Adjuster

под заказ6920 руб.
2541141-94301-000

Соединитель рулевой системы Регулятор - Attachment, Steering Adjuster (Attachment, Steering Adjuster)

под заказ6920 руб.
2636894-95201-000

Lead (l: 165) - Lead (l:165) (<-6894-95200 ) (Lead (l:165))

под заказ1170 руб.
2709125-05050-000

Винт (5x8) - Screw (5x8) (Screw (5x8))

под заказ150 руб.
2809161-05114-000

Шайба (5.2x11x1) - Washer (52x11x1) (Washer (5.2x11.0x1.0) # <-9161-05014 ) (Washer (5.2x11x1))

под заказ290 руб.


Время выполнения запроса 1.51726603508 сек.

 
 

данный сайт носит информационный характер и не является публичной офертой

склад запчастей для водомоторной техники