Номер на рисунке | Артикул | Наименование | QTY | Кол-во на складе | Цена |
1 | 67200-93970-0ED | Запчасть снята с производства - The Spare Part Is Laid Off (->7200-93991-0ED) (The Spare Part Is Laid Off) | | под заказ | 0 руб. |
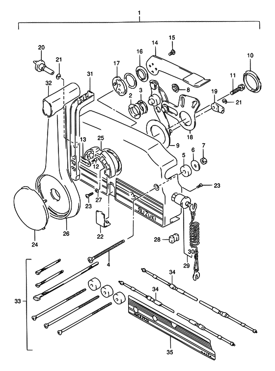
1 | 67200-93991-0ED | Дистанционное управление в сборе - Remote Control Assy (MODEL:96~00) (Remote Control Assy) | | под заказ | 0 руб. |
1 | 67200-939B5-000 | Дистанционное управление в сборе - Remote Control Assy (Remote Control Assy) | | под заказ | нет сведений |
2 | 67232-95600-000 | Втулка - Bush (Bush) | | под заказ | 570 руб. |
3 | 67232-95620-000 | Втулка - Bush (FOR 67200-93970-0ED ) (Bush) | | под заказ | 500 руб. |
4 | 67296-95600-000 | Винт - Screw (Screw) | | под заказ | 570 руб. |
5 | 67294-95600-000 | Проставка - Spacer (Spacer) | | под заказ | 460 руб. |
6 | 09160-06104-000 | Шайба (6.5x24x2) - Washer (65x24x2) (FOR 67200-93970-0ED <-7288-94310 ) (Washer (6.5x24x2)) | | под заказ | 220 руб. |
7 | 09140-06020-000 | Гайка - Nut (Nut) | | 9 шт | 150 руб. |
8 | 67232-95610-000 | Втулка - Bush (FOR 67200-93970-0ED ) (Bush) | | под заказ | 0 руб. |
9 | 67253-95600-000 | Шайба - Washer (Washer) | | под заказ | 460 руб. |
10 | 67252-95600-000 | Втулка - Bush (Bush) | | 2 шт | 480 руб. |
11 | 09100-08232-000 | Болт (8x30) - Bolt (8x30) (Bolt (8x30)) | | 6 шт | 350 руб. |
12 | 67296-94300-000 | Винт (4x10) - Screw (4x10) (Screw (4x10)) | | под заказ | 120 руб. |
13 | 67258-87D00-000 | Кронштейн, Neutral Рычаг - Bracket, Neutral Arm (Bracket, neutral arm ) (Bracket, Neutral Arm) | | под заказ | 630 руб. |
14 | 67241-95680-000 | Рычаг освобождения дросселя (gray) - Lever, Free Throttle (gray) (Lever, free throttle (gray) ) (Lever, Free Throttle (gray)) | | под заказ | 0 руб. |
15 | 09126-05003-000 | Винт (5x12) - Screw (5x12) (Screw (5x12)) | | под заказ | 160 руб. |
16 | 67243-95600-000 | Втулка, Remo-con - Bush, Remo-con (Bush, Remo-con) | | 2 шт | 390 руб. |
17 | 67245-95600-000 | Барабан освобождения дросселя - Drum, Free Throttle (Drum assy, free throttle ) (Drum, Free Throttle) | | под заказ | 2480 руб. |
18 | 67220-95620-000 | Пластина в сборе - Plate Assy (Plate assy ) (Plate Assy) | | под заказ | 8400 руб. |
19 | 67275-95600-000 | Наконечник кабеля - End, Cable (End, Cable) | | 36 шт | 810 руб. |
20 | 67223-95600-000 | Ручка регулировки тормоза - Knob, Brake Adjust (Knob, Brake Adjust) | | под заказ | 1670 руб. |
21 | 67292-94300-000 | Уплотнительное кольцо дистанционного управления - E Ring, Remo-con (E Ring, Remo-con) | | 25 шт | 120 руб. |
22 | 67267-95610-000 | Крышка проводов - Cover, Wire (Cover, wire (black) ) (Cover, Wire) | | под заказ | 580 руб. |
23 | 67296-95610-000 | Винт - Screw (Screw) | | 2 шт | 280 руб. |
24 | 67257-95610-000 | Крышка рычага - Cap, Lever (Cap, Lever) | | под заказ | 680 руб. |
25 | 67256-95600-000 | Держатель блокировки нейтрали - Holder, Neutral Lock (Holder, neut lock ) (Holder, Neutral Lock) | | 2 шт | 1140 руб. |
26 | 67251-95680-000 | Рычаг блокировки - Lever, Handle (Lever, hadle (gray) ) (Lever, Handle) | | под заказ | 7200 руб. |
27 | 67297-95600-000 | Шайба - Washer (Washer) | | под заказ | 280 руб. |
28 | 67273-95600-000 | Проставка - Spacer (Spacer) | | под заказ | 460 руб. |
28 | 67273-95601-000 | (актуальный код замены) Проставка - Spacer | | 3 шт | 630 руб. |
29 | 37830-95D00-000 | Выключатель аварийной остановки двигателя - Switch Assy, Emergency & Stop (<-7820-94403) (Switch Assy, Emergency & Stop) | | под заказ | 6340 руб. |
29 | 37830-95D04-000 | (актуальный код замены) Выключатель аварийной остановки двигателя - Switch Assy, Emergency & Stop | | под заказ | 6340 руб. |
29 | 37830-95D03-000 | Выключатель аварийной остановки двигателя - Switch Assy, Emergency & Stop (Switch Assy, Emergency & Stop) | | 2 шт | 6340 руб. |
29 | 37830-95D04-000 | (актуальный код замены) Выключатель аварийной остановки двигателя - Switch Assy, Emergency & Stop | | под заказ | 6340 руб. |
30 | 37823-92E00-000 | Пластина блокировки аварийного выключателя - Plate Assy, Emergency Sw Lock (Plate Assy, Emergency Sw Lock) | | под заказ | 2570 руб. |
30 | 37823-92E02-000 | (актуальный код замены) Пластина блокировки аварийного выключателя - Plate Assy, Emergency Sw Lock | | 3 шт | 2770 руб. |
30 | 37823-92E01-000 | Пластина блокировки аварийного выключателя - Plate Assy, Emergency Sw Lock (Plate Assy, Emergency Sw Lock) | | под заказ | 2570 руб. |
30 | 37823-92E02-000 | (актуальный код замены) Пластина блокировки аварийного выключателя - Plate Assy, Emergency Sw Lock | | 3 шт | 2770 руб. |
31 | 67255-95600-000 | Рукоятка блокировки нейтрали - Arm, Neutral Lock (Arm, neutral lock ) (Arm, Neutral Lock) | | под заказ | 1870 руб. |
32 | 67261-95610-000 | Рукоятка - Grip (Grip) | | под заказ | 1870 руб. |
33 | 67140-95600-000 | Двойной комплект навесного оборудования Remocon - Attachment Kit, Twin Remocon (Attachment, twin remocon kit ) (Attachment Kit, Twin Remocon) | | под заказ | 4300 руб. |
33 | 67140-95601-000 | (актуальный код замены) Двойной комплект навесного оборудования Remocon - Attachment Kit, Twin Remocon | | под заказ | 4300 руб. |
34 | 67320-95510-000 | Запчасть снята с производства - The Spare Part Is Laid Off (The Spare Part Is Laid Off) | | под заказ | 0 руб. |
34 | 67320-89J00-000 | (актуальный код замены) Запчасть снята с производства - The Spare Part Is Laid Off | | под заказ | 0 руб. |
34 | 67320-95520-000 | Тросик дистанционного управления (8f: 2.4m) - Cable Assy, Remocon (8f:24m) (Cable Assy, Remocon (8f:2.4m)) | | под заказ | 5760 руб. |
34 | 67320-93J00-000 | (актуальный код замены) Тросик дистанционного управления (8f: 2.4m) - Cable Assy, Remocon (8f:2.4m) | | под заказ | 5760 руб. |
34 | 67320-93J00-000 | Тросик дистанционного управления (8f: 2.4m) - Cable Assy, Remocon (8f:24m) (Cable Assy, Remocon (8f:2.4m)) | | под заказ | 5760 руб. |
34 | 67320-95540-000 | Тросик дистанционного управления (10f: 3.1m) - Cable Assy, Remocon (10f:31m) (Cable Assy, Remocon (10f:3.1m)) | | под заказ | 6340 руб. |
34 | 67320-93J10-000 | (актуальный код замены) Тросик дистанционного управления (10f: 3.1m) - Cable Assy, Remocon (10f:3.1m) | | под заказ | 6340 руб. |
34 | 67320-93J10-000 | Тросик дистанционного управления (10f: 3.1m) - Cable Assy, Remocon (10f:31m) (Cable Assy, Remocon (10f:3.1m)) | | под заказ | 6340 руб. |
34 | 67320-95560-000 | Тросик дистанционного управления (12f: 3.7m) - Cable Assy, Remocon (12f:37m) (Cable Assy, Remocon (12f:3.7m)) | | под заказ | 6920 руб. |
34 | 67320-93J20-000 | (актуальный код замены) Тросик дистанционного управления (12f: 3.7m) - Cable Assy, Remocon (12f:3.7m) | | под заказ | 6920 руб. |
34 | 67320-93J20-000 | Тросик дистанционного управления (12f: 3.7m) - Cable Assy, Remocon (12f:37m) (Cable Assy, Remocon (12f:3.7m)) | | под заказ | 6920 руб. |
34 | 67320-95580-000 | Тросик дистанционного управления (14f: 4.2m) - Cable Assy, Remocon (14f:42m) (Cable Assy, Remocon (14f:4.2m)) | | под заказ | 7490 руб. |
34 | 67320-93J30-000 | (актуальный код замены) Тросик дистанционного управления (14f: 4.2m) - Cable Assy, Remocon (14f:4.2m) | | 3 шт | 7490 руб. |
34 | 67320-93J30-000 | Тросик дистанционного управления (14f: 4.2m) - Cable Assy, Remocon (14f:42m) (Cable Assy, Remocon (14f:4.2m)) | | 3 шт | 7490 руб. |
34 | 67320-95620-000 | Тросик дистанционного управления (18f: 5.4m) - Cable Assy, Remocon (18f:54m) (Cable Assy, Remocon (18f:5.4m)) | | под заказ | 8600 руб. |
34 | 67320-93J50-000 | (актуальный код замены) Тросик дистанционного управления (18f: 5.4m) - Cable Assy, Remocon (18f:5.4m) | | под заказ | 8600 руб. |
34 | 67320-93J50-000 | Тросик дистанционного управления (18f: 5.4m) - Cable Assy, Remocon (18f:54m) (Cable Assy, Remocon (18f:5.4m)) | | под заказ | 8600 руб. |
34 | 67320-95640-000 | Тросик дистанционного управления (20f: 6.1m) - Cable Assy, Remocon (20f:61m) (Cable Assy, Remocon (20f:6.1m)) | | под заказ | 9170 руб. |
34 | 67320-93J60-000 | (актуальный код замены) Тросик дистанционного управления (20f: 6.1m) - Cable Assy, Remocon (20f:6.1m) | | под заказ | 9170 руб. |
34 | 67320-93J60-000 | Тросик дистанционного управления (20f: 6.1m) - Cable Assy, Remocon (20f:61m) (Cable Assy, Remocon (20f:6.1m)) | | под заказ | 9170 руб. |
34 | 67320-95650-000 | Тросик дистанционного управления (22f: 6.7m) - Cable Assy, Remocon (22f:67m) (Cable Assy, Remocon (22f:6.7m)) | | под заказ | 9750 руб. |
34 | 67320-93J70-000 | (актуальный код замены) Тросик дистанционного управления (22f: 6.7m) - Cable Assy, Remocon (22f:6.7m) | | под заказ | 9750 руб. |
34 | 67320-93J70-000 | Тросик дистанционного управления (22f: 6.7m) - Cable Assy, Remocon (22f:67m) (Cable Assy, Remocon (22f:6.7m)) | | под заказ | 9750 руб. |
35 | 67282-95610-000 | Запчасть снята с производства - The Spare Part Is Laid Off (OPT, BLACK) (The Spare Part Is Laid Off) | | под заказ | 0 руб. |