Подобрать запчасти на подвесной лодочный двигатель Сузуки модель 2001 года - Fuel tank / Топливный бак
вконтакте

Контактный телефон: +7 (981) 121-46-93, +7 (800) 200-90-76 , Email: parts-katalog@yandex.ru, где купить

 
 

  Логин:

Пароль:

Регистрация

www.partskatalog.ru Все каталоги Запчасти Mercury Запчасти Suzuki Запчасти Tohatsu Запчасти Honda Контакты

назад Раздел:   вперёд

Вернуться к выбору узлов мотора


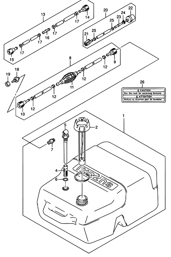
ДЕТАЛИРОВКА ДЛЯ МОДЕЛИ: SUZUKI DT15S K1

Топливный бак


Год выпуска двигателя: 2001

Номер на
рисунке
АртикулНаименованиеQTYКол-во
на складе
Цена
165000-95D01-000

Топливный бак (25 литров) - Tank Assy, Fuel (25l) (Tank Assy, Fuel (25l))

под заказ17760 руб.
165000-94L10-000

   (актуальный код замены) Топливный бак (25 литров) - Tank Assy, Fuel (25l)

3 шт17760 руб.
265520-95D00-000

Крышка горловины топливного бака, в сборе - Cap Assy, Fuel Tank (Cap Assy, Fuel Tank)

1 шт0 руб.
265520-95D01-000

   (актуальный код замены) Запчасть снята с производства - The Spare Part Is Laid Off

под заказ0 руб.
265520-95D01-000

Крышка горловины топливного бака, в сборе - Cap Assy, Fuel Tank (Cap Assy, Fuel Tank)

под заказ0 руб.
365561-95D00-000

Прокладка крышка топливного бака - Gasket, Tank Cap (Gasket, Tank Cap)

1 шт430 руб.
465831-95D00-000

Выходной фильтр - Filter, Outlet (Filter, outlet ) (Filter, Outlet)

5 шт1270 руб.
565890-95D00-000

выход в сборе - Outlet Assy (Outlet Assy)

под заказ5480 руб.
665892-95D00-000

Уплотнительное кольцо топливного выхода - O Ring, Fuel Outlet (O-ring, fuel outlet ) (O Ring, Fuel Outlet)

под заказ440 руб.
765740-95D01-000

Разъем топливного коннектора - Plug, Fuel Connector (Plug, fuel connector ) (Plug, Fuel Connector)

под заказ3870 руб.
7SF80210-3

   (не оригинальный аналог) Адаптер топливный SUNFINE тип Suzuki, Mercury, Tohatsu 65740-99100

под заказ1270 руб.
7SF80211-3

   (не оригинальный аналог) Адаптер топливный SUNFINE тип Suzuki, Mercury, Tohatsu 3E0-70270-0

1 шт1270 руб.
865700-87D80-000

Топливный шланг (от бака до коннектораector) - Hose, Fuel (tank To Connector) (<-65700-87D19) (Hose, Fuel (tank To Connector))

под заказ25920 руб.
865700-87D85-000

   (актуальный код замены) Топливный шланг (от бака до коннектора) - Hose, Fuel (tank To Conn)

под заказ25920 руб.
865700-87D82-000

Топливный шланг (от бака до коннектораector) - Hose, Fuel (tank To Connector) (Hose, Fuel (tank To Connector))

под заказ25920 руб.
865700-87D85-000

   (актуальный код замены) Топливный шланг (от бака до коннектора) - Hose, Fuel (tank To Conn)

под заказ25920 руб.
965750-95500-000

Разъём топливного шланга - Socket, Fuel Hose (Socket, fuel hose (in) ) (Socket, Fuel Hose)

под заказ3700 руб.
965750-95501-000

   (актуальный код замены) Разъём топливного шланга - Socket, Fuel Hose

2 шт3700 руб.
9SF80211-4

   (не оригинальный аналог) Коннектор топливный SUNFINE тип Suzuki, Mercury, Evinrude, Tohatsu, 10мм 3GF-70281-0

под заказ1880 руб.
1065750-98505-000

Разъём топливного шланга - Socket, Fuel Hose (Socket, fuel hose (out) ) (Socket, Fuel Hose)

2 шт3240 руб.
1065750-98506-000

   (актуальный код замены) Разъём топливного шланга - Socket, Fuel Hose

под заказ3240 руб.
1165770-95541-000

под заказ0 руб.
1265781-98500-000

Зажим топливного шланга - Clip, Fuel Hose (Clip, Fuel Hose)

9 шт350 руб.
1365700-96362-000

Топливный шланг (k, от бака до коннектора) - Hose, Fuel (k, Tank To Conn) (FOR KEROSENE, E13 ->65700-87D80 ) (Hose, Fuel (k, Tank To Conn))

под заказ13590 руб.
1365700-96364-000

   (актуальный код замены) Топливный шланг (от бака до коннектора) - Hose, Fuel (tank To Conn)

под заказ13590 руб.
1465750-95500-000

Разъём топливного шланга - Socket, Fuel Hose (Socket, fuel hose (in) ) (Socket, Fuel Hose)

под заказ3700 руб.
1465750-95501-000

   (актуальный код замены) Разъём топливного шланга - Socket, Fuel Hose

2 шт3700 руб.
14SF80211-4

   (не оригинальный аналог) Коннектор топливный SUNFINE тип Suzuki, Mercury, Evinrude, Tohatsu, 10мм 3GF-70281-0

под заказ1880 руб.
1565750-98505-000

Разъём топливного шланга - Socket, Fuel Hose (Socket, fuel hose (out) ) (Socket, Fuel Hose)

2 шт3240 руб.
1565750-98506-000

   (актуальный код замены) Разъём топливного шланга - Socket, Fuel Hose

под заказ3240 руб.
1665779-93900-000

Соединенине топливного шланга - Union, Fuel Hose (Union, Fuel Hose)

под заказ680 руб.
1765781-98500-000

Зажим топливного шланга - Clip, Fuel Hose (Clip, Fuel Hose)

9 шт350 руб.
1865720-94403-000

Разъем топливного коннектора - Plug, Fuel Connector (E36, KEROSENE ) (Plug, Fuel Connector)

1 шт2480 руб.
1865720-98520-000

Разъем топливного коннектора - Plug, Fuel Connector (Plug, Fuel Connector)

под заказ3170 руб.
1865720-985L1-000

   (актуальный код замены) Разъем топливного коннектора - Plug, Fuel Connector

5 шт3950 руб.
18SK65720-98520

   (не оригинальный аналог) Коннектор топливный Skipper для Suzuki DT2-65, DF9.9-15 "папа", 6 мм

0 шт836 руб.
18SF80210-1

   (не оригинальный аналог) Адаптер топливный SUNFINE тип Suzuki, 7.5мм, 6720-98521

под заказ1270 руб.
1865720-985L1-000

Разъем топливного коннектора - Plug, Fuel Connector (Plug, Fuel Connector)

5 шт3950 руб.
1909140-10032-000

Гайка - Nut (Nut)

под заказ160 руб.
2065700-94433-000

Топливный шланг (krsn) - Hose, Fuel (krsn) (E36, L:3100 ) (Hose, Fuel (krsn))

под заказ9320 руб.
2165750-94404-000

Разъём топливного шланга - Socket, Fuel Hose (Connector, fuel # E36 ) (Socket, Fuel Hose)

1 шт2130 руб.
2265830-95500-000

Фильтр - Filter (E36 ) (Filter)

под заказ1180 руб.
2365842-94400-000

Фильтр топливного шланга - Tube, Fuel Filter (E36) (Tube, Fuel Filter)

под заказ600 руб.
2365842-94401-000

   (актуальный код замены) Фильтр топливного шланга - Tube, Fuel Filter

под заказ600 руб.
2365842-94401-000

Фильтр топливного шланга - Tube, Fuel Filter (Tube, Fuel Filter)

под заказ600 руб.
2365842-94401-000

Фильтр топливного шланга - Tube, Fuel Filter (E36 MODEL:08~ ) (Tube, Fuel Filter)

под заказ600 руб.
2409401-11423-000

Зажим - Clip (E36 ) (Clip)

7 шт210 руб.
2565781-98500-000

Зажим топливного шланга - Clip, Fuel Hose (E36 ) (Clip, Fuel Hose)

9 шт350 руб.
2665318-93910-000

Маркировка, Kerosene Caution - Mark, Kerosene Caution (Mark, Kerosene Caution)

под заказ520 руб.
2665318-93911-000

   (актуальный код замены) Маркировка, Kerosene Caution - Mark, Kerosene Caution

под заказ520 руб.


Время выполнения запроса 2.7429051399231 сек.

 
 

данный сайт носит информационный характер и не является публичной офертой

склад запчастей для водомоторной техники