Найти запчасти на лодочный подвесной мотор Suzuki модель 2005 года - Управление дросселем
вконтакте

Контактный телефон: +7 (981) 121-46-93, +7 (800) 200-90-76 , Email: parts-katalog@yandex.ru, где купить

 
 

  Логин:

Пароль:

Регистрация

www.partskatalog.ru Все каталоги Запчасти Mercury Запчасти Suzuki Запчасти Tohatsu Запчасти Honda Контакты



УВАЖАЕМЫЕ КЛИЕНТЫ!
C 19 ДЕКАБРЯ 2025 ПО 02 МАРТА 2026 ГОДА ОТДЕЛ ЗАПЧАСТЕЙ И СЕРВИС РАБОТАТЬ НЕ БУДУТ
ПРОДАЖА ЛОДОЧНЫХ МОТОРОВ В ШТАТНОМ РЕЖИМЕ
ОБ ИЗМЕНЕНИЯХ В ГРАФИКЕ РАБОТЫ ЧИТАЙТЕ НА САЙТА



назад Раздел:   вперёд

Вернуться к выбору узлов мотора


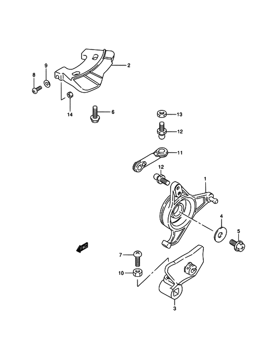
ДЕТАЛИРОВКА ДЛЯ МОДЕЛИ: SUZUKI DT15S K5

Управление дросселем


Год выпуска двигателя: 2005

Номер на
рисунке
АртикулНаименованиеQTYКол-во
на складе
Цена
119121-93901-000

Рычаг управления дросселем - Lever, Throttle Control (Lever, Throttle Control)

1 шт1980 руб.
119121-90L00-000

Рычаг управления дросселем - Lever, Throttle Control (Lever, Throttle Control)

под заказ1460 руб.
119121-93901-000

   (актуальный код замены) Рычаг управления дросселем - Lever, Throttle Control

1 шт1980 руб.
219141-93921-000

Кулачок дросселя (gasoline) - Cam, Throttle (gasoline) (DT9.9/15) (Cam, Throttle (gasoline))

под заказ860 руб.
219141-90L01-000

   (актуальный код замены) Кулачок дросселя (gasoline) - Cam, Throttle (gasoline)

1 шт990 руб.
219141-90L00-000

Кулачок дросселя (gasoline) - Cam, Throttle (gasoline) (Cam, Throttle (gasoline))

под заказ860 руб.
219141-90L01-000

   (актуальный код замены) Кулачок дросселя (gasoline) - Cam, Throttle (gasoline)

1 шт990 руб.
219141-93960-000

Кулачок дросселя - Cam, Throttle (DT9.9K/15K ) (Cam, Throttle)

под заказ860 руб.
319811-93900-000

Ограничитель дросселя - Limiter, Throttle (Limiter, throttle ) (Limiter, Throttle)

под заказ1670 руб.
409160-06066-000

Шайба (6.5x20x1.6) - Washer (65x20x16) (Washer, throttle lever (6.5x20x1.6) ) (Washer (6.5x20x1.6))

под заказ150 руб.
502162-06127-000

Винт - Screw (Screw)

под заказ150 руб.
602162-05167-000

Винт - Screw (Screw ) (Screw)

под заказ150 руб.
702112-05167-000

Винт - Screw (Screw)

под заказ150 руб.
802112-05207-000

Винт - Screw (DT9.9 ) (Screw)

под заказ150 руб.
908322-01057-000

Шайба - Washer (Washer, front hook holder # DT9.9 ) (Washer)

под заказ140 руб.
1008310-00057-000

Гайка - Nut (DT9.9 ) (Nut)

под заказ140 руб.
1119132-94501-000

Коннектор - Connector (DT9.9/15 ) (Connector)

под заказ350 руб.
1119132-95500-000

Коннектор - Connector (Connector # DT9.9K/15K ) (Connector)

под заказ340 руб.
1209119-05010-000

Стержень - Pivot (Pivot, throttle lever ) (Pivot)

под заказ500 руб.
1308310-00057-000

Гайка - Nut (Nut)

под заказ140 руб.
1408310-00057-000

Гайка - Nut (Nut)

под заказ140 руб.


Время выполнения запроса 1.4294769763947 сек.

 
 

данный сайт носит информационный характер и не является публичной офертой

склад запчастей для водомоторной техники