Запчасти на подвесной двигатель SUZUKI - Swivel bracket - Поворотный кронштейн
вконтакте

Контактный телефон: +7 (981) 121-46-93, +7 (800) 200-90-76 , Email: parts-katalog@yandex.ru, где купить

 
 

  Логин:

Пароль:

Регистрация

www.partskatalog.ru Все каталоги Запчасти Mercury Запчасти Suzuki Запчасти Tohatsu Запчасти Honda Контакты



УВАЖАЕМЫЕ КЛИЕНТЫ!
C 19 ДЕКАБРЯ 2025 ПО 02 МАРТА 2026 ГОДА ОТДЕЛ ЗАПЧАСТЕЙ И СЕРВИС РАБОТАТЬ НЕ БУДУТ
ПРОДАЖА ЛОДОЧНЫХ МОТОРОВ В ШТАТНОМ РЕЖИМЕ
ОБ ИЗМЕНЕНИЯХ В ГРАФИКЕ РАБОТЫ ЧИТАЙТЕ НА САЙТА



назад Раздел:   вперёд

Вернуться к выбору узлов мотора


ДЕТАЛИРОВКА ДЛЯ МОДЕЛИ: SUZUKI DT15S K7

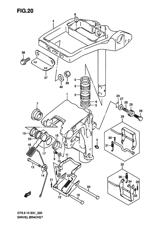
Поворотный кронштейн


Год выпуска двигателя: 2007

Регион: General Export No.1 ,Код региона: P01

Цвет: Shadow Black Metallic

Номер на
рисунке
АртикулНаименованиеQTYКол-во
на складе
Цена
143111-93931-0ED

Поворотный кронштейн - Bracket, Swivel (Bracket, Swivel)

под заказ29520 руб.
143111-93933-0ED

   (актуальный код замены) Поворотный кронштейн - Bracket, Swivel

под заказ29520 руб.
143111-93933-0ED

Поворотный кронштейн - Bracket, Swivel (Bracket, Swivel)

под заказ29520 руб.
143111-93933-0EP

Поворотный кронштейн - Bracket, Swivel (MODEL:02~ ) (Bracket, Swivel)

1 шт21320 руб.
222511-99011-000

Ниппель смазки - Nipple, Grease (Nipple, Grease)

9 шт400 руб.
343711-93901-000

Втулка рулевой системы - Bush, Steering (Bush, Steering)

под заказ350 руб.
343711-99J00-000

   (актуальный код замены) Втулка рулевой системы - Bush, Steering

15 шт370 руб.
343711-99J00-000

Втулка рулевой системы - Bush, Steering (Bush, Steering)

15 шт370 руб.
443750-93908-0ED

Кронштейн рулевого управления (gray) - Bracket, Steering (gray) (Bracket, Steering (gray))

под заказ0 руб.
443750-91D00-0ED

   (актуальный код замены) Запчасть снята с производства - The Spare Part Is Laid Off

под заказ0 руб.
443750-91D00-0ED

Кронштейн рулевого управления (gray) - Bracket, Steering (gray) (Bracket, Steering (gray))

под заказ0 руб.
443750-91D00-0EP

Кронштейн рулевого управления (чёрный) - Bracket, Steering (black) (MODEL:02~ ) (Bracket, Steering (black))

под заказ38160 руб.
509160-27009-000

Шайба (27.5x47x2) - Washer (275x47x2) (Washer (27.5x47x2))

под заказ320 руб.
509160-27013-000

   (актуальный код замены) Шайба (27.5x47x2) - Washer (27.5x47x2)

9 шт350 руб.
509160-27013-000

Шайба (27.5x47x2) - Washer (275x47x2) (Washer (27.5x47x2))

9 шт350 руб.
609280-27004-000

Уплотнительное кольцо (d: 3.1, Id: 26.2) - O Ring (d:31, Id:262) (O Ring (d:3.1, Id:26.2))

25 шт150 руб.
743211-94401-000

Втулка поворотного кронштейна - Bush, Swivel Bracket (Bush, Swivel Bracket)

под заказ1450 руб.
743211-87JL0-000

   (актуальный код замены) Втулка поворотного кронштейна - Bush, Swivel Bracket

8 шт1770 руб.
743211-87JL0-000

Втулка поворотного кронштейна - Bush, Swivel Bracket (Bush, Swivel Bracket)

8 шт1770 руб.
7SK43211-87JL0

   (не оригинальный аналог) Втулка поворотного механизма Skipper для Suzuki DT9,9-15/ DF9,9-DF30a

0 шт148 руб.
843765-93900-000

Подушка, Крышка Under - Cushion, Cover Under (Cushion, Cover Under)

под заказ600 руб.
909125-06063-000

Винт (6x10) - Screw (6x10) (Screw (6x10))

6 шт190 руб.
1009161-06120-000

Шайба (6.3x12.5x1) - Washer (63x125x1) (~MODEL:00 ) (Washer (6.3x12.5x1))

под заказ0 руб.
1145231-93903-000

Рычаг блокировки реверса - Arm, Reverse Lock (Arm, Reverse Lock)

под заказ790 руб.
1145231-90L00-000

   (актуальный код замены) Рычаг блокировки реверса - Arm, Reverse Lock

под заказ990 руб.
1145231-90L00-000

Рычаг блокировки реверса - Arm, Reverse Lock (Arm, Reverse Lock)

под заказ990 руб.
1245241-93902-000

Тяга рычага блокировки реверса - Link, Reverse Lock Arm (Link, Reverse Lock Arm)

под заказ790 руб.
1245241-90L00-000

   (актуальный код замены) Тяга рычага блокировки реверса - Link, Reverse Lock Arm

1 шт790 руб.
1245241-90L00-000

Тяга рычага блокировки реверса - Link, Reverse Lock Arm (Link, Reverse Lock Arm)

1 шт790 руб.
1341225-94502-000

Стопор пружины блокировки наклона - Pin, Tilt Lock Spring (Pin, Tilt Lock Spring)

под заказ570 руб.
1445250-89E01-000

Освобождающая тяга - Link, Release (Link, Release)

1 шт1000 руб.
1445250-90L00-000

   (актуальный код замены) Освобождающая тяга - Link, Release

1 шт1000 руб.
1445250-90L00-000

Освобождающая тяга - Link, Release (Link, Release)

1 шт1000 руб.
1509306-22006-000

Втулка (22.6x27x8) - Bush (226x27x8) (Bush (22.6x27x8))

4 шт300 руб.
1559315-94J00-000

   (актуальный код замены) Втулка рычага блокировки - Bush, Release Lever

4 шт300 руб.
1645255-93001-000

Резинка рычага блокировки - Rubber, Release Lever (Rubber, Release Lever)

под заказ390 руб.
1745261-94400-000

Освобождающий рычаг - Lever, Release (Lever, Release)

под заказ960 руб.
1745261-92L00-000

   (актуальный код замены) Освобождающий рычаг - Lever, Release

под заказ960 руб.
1745261-92L00-000

Освобождающий рычаг - Lever, Release (Lever, Release)

под заказ960 руб.
1809160-06082-000

Шайба (6.5x13x1.0) - Washer (65x13x10) (Washer (6.5x13x1.0))

7 шт150 руб.
1909200-05014-000

Штифт - Pin (Pin)

7 шт370 руб.
2009200-06061-000

Штифт - Pin (Pin)

9 шт780 руб.
2109204-01002-000

Штифт - Pin (Cotter pin ) (Pin)

24 шт140 руб.
2245212-94J00-000

Пружина рычага блокировки задней передачи - Spring, Reverse Lock Arm (Spring, Reverse Lock Arm)

под заказ560 руб.
2245212-94J01-000

   (актуальный код замены) Пружина рычага блокировки задней передачи - Spring, Reverse Lock Arm

под заказ560 руб.
2245212-94J01-000

Пружина рычага блокировки задней передачи - Spring, Reverse Lock Arm (Spring, Reverse Lock Arm)

под заказ560 руб.
2309448-29018-000

Пружина - Spring (Spring)

под заказ240 руб.
2443411-93900-000

Пластина рулевого управления Регулятор - Plate, Steering Adjuster (Plate, Steering Adjuster)

под заказ170 руб.
2443411-939L0-000

   (актуальный код замены) Пластина рулевого управления Регулятор - Plate, Steering Adjuster

6 шт200 руб.
2443411-939L0-000

Пластина рулевого управления Регулятор - Plate, Steering Adjuster (Plate, Steering Adjuster)

6 шт200 руб.
2543412-93900-000

Крышка регулировки рулевой системыer - Cover, Steering Adjuster (Cover, steering adjust ) (Cover, Steering Adjuster)

под заказ340 руб.
2543412-93901-000

   (актуальный код замены) Крышка регулировки рулевой системыer - Cover, Steering Adjuster

под заказ340 руб.
2609100-08232-000

Болт (8x30) - Bolt (8x30) (Bolt (8x30))

6 шт350 руб.
2709160-08091-000

Шайба (8.5x14x1.0) - Washer (85x14x10) (Washer (8.5x14x1.0) ) (Washer (8.5x14x1.0))

7 шт130 руб.
2829440-93J00-000

Пружина регулятора рулевой системы - Spring, Steering Adjuster (<-09440-11022 ) (Spring, Steering Adjuster)

под заказ190 руб.
2945700-93912-000

Shallow Drive в сборе - Shallow Drive Assy (->45700-93E00) (Shallow Drive Assy)

под заказ6870 руб.
2945700-93E01-000

   (актуальный код замены) Shallow Drive в сборе - Shallow Drive Assy

под заказ6870 руб.
2945700-93E01-000

Shallow Drive в сборе - Shallow Drive Assy (Shallow Drive Assy)

под заказ6870 руб.
3009204-01002-000

Штифт - Pin (Cotter pin ) (Pin)

24 шт140 руб.
3109443-08031-000

Пружина - Spring (Spring)

под заказ520 руб.
3245700-93E01-000

Shallow Drive в сборе - Shallow Drive Assy (DT9.9:151973~ DT9.9K:151406~ DT15:152925~ DT15K:151121~ ) (Shallow Drive Assy)

под заказ6870 руб.
3309160-06082-000

Шайба (6.5x13x1.0) - Washer (65x13x10) (Washer (6.5x13x1.0))

7 шт150 руб.
3429201-93J00-000

Вал, Shallow Рычаг привода - Shaft, Shallow Drive Arm (<-09200-06068 ) (Shaft, Shallow Drive Arm)

под заказ350 руб.
3509204-01006-000

Штифт - Pin (Pin, cotter ) (Pin)

14 шт150 руб.
3609443-08031-000

Пружина - Spring (Spring)

под заказ520 руб.
3767110-99710-000

Соединитель Set, Strg Шнур End - Attachment Set, Strg Rope End (OPT ) (Attachment Set, Strg Rope End)

под заказ15220 руб.
3829116-93J10-000

Болт - Bolt (Bolt (8x35) ) (Bolt)

14 шт270 руб.
3909159-08059-000

Гайка - Nut (Nut, clutch lever ) (Nut)

13 шт390 руб.
4009160-08082-000

Шайба (8.5x16x1.2) - Washer (85x16x12) (Washer (8.5x16x1.2))

13 шт120 руб.


Время выполнения запроса 1.7569379806519 сек.

 
 

данный сайт носит информационный характер и не является публичной офертой

склад запчастей для водомоторной техники