Купить комплектующие на лодочный подвесной мотор Suzuki модель 1978 года - Swivel bracket
вконтакте

Контактный телефон: +7 (981) 121-46-93, +7 (800) 200-90-76 , Email: parts-katalog@yandex.ru, где купить

 
 

  Логин:

Пароль:

Регистрация

www.partskatalog.ru Все каталоги Запчасти Mercury Запчасти Suzuki Запчасти Tohatsu Запчасти Honda Контакты



УВАЖАЕМЫЕ КЛИЕНТЫ!
C 19 ДЕКАБРЯ 2025 ПО 02 МАРТА 2026 ГОДА ОТДЕЛ ЗАПЧАСТЕЙ И СЕРВИС РАБОТАТЬ НЕ БУДУТ
ПРОДАЖА ЛОДОЧНЫХ МОТОРОВ В ШТАТНОМ РЕЖИМЕ
ОБ ИЗМЕНЕНИЯХ В ГРАФИКЕ РАБОТЫ ЧИТАЙТЕ НА САЙТА



назад Раздел:   вперёд

Вернуться к выбору узлов мотора


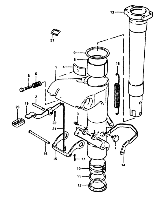
ДЕТАЛИРОВКА ДЛЯ МОДЕЛИ: SUZUKI DT16C C

Поворотный кронштейн


Год выпуска двигателя: 1978

Регион: Japan

Номер на
рисунке
АртикулНаименованиеQTYКол-во
на складе
Цена
143111-93300-01J

(To 43111-93301-01j)

под заказ0 руб.
109440-13013-000

под заказ0 руб.
109443-14018-000

под заказ0 руб.
122511-99011-000

Ниппель смазки - Nipple, Grease (Nipple, Grease)

9 шт400 руб.
109100-08232-000

Болт (8x30) - Bolt (8x30) (Bolt (8x30))

6 шт350 руб.
109100-08232-000

Болт (8x30) - Bolt (8x30) (Bolt (8x30))

6 шт350 руб.
143111-93301-01J

под заказнет сведений
109440-13013-000

под заказ0 руб.
109443-14018-000

под заказ0 руб.
122511-99011-000

Ниппель смазки - Nipple, Grease (Nipple, Grease)

9 шт400 руб.
109100-08232-000

Болт (8x30) - Bolt (8x30) (Bolt (8x30))

6 шт350 руб.
109100-08232-000

Болт (8x30) - Bolt (8x30) (Bolt (8x30))

6 шт350 руб.
143111-93302-01J

под заказ0 руб.
109443-14018-000

под заказ0 руб.
122511-99011-000

Ниппель смазки - Nipple, Grease (Nipple, Grease)

9 шт400 руб.
143111-93303-01J

(From 43111-93302-01j)

под заказнет сведений
109443-14018-000

под заказ0 руб.
122511-99011-000

Ниппель смазки - Nipple, Grease (Nipple, Grease)

9 шт400 руб.
209200-05005-000

(Pin, swivel bracket;)

под заказ0 руб.
322511-99000-000

Ниппель смазки - Nipple, Grease (Nipple, Grease)

под заказ340 руб.
322511-99011-000

   (актуальный код замены) Ниппель смазки - Nipple, Grease

9 шт400 руб.
322511-99011-000

Ниппель смазки - Nipple, Grease (Nipple, Grease)

9 шт400 руб.
443410-93000-000

Регулировка рулевой системы - Adjuster, Steering (Adjuster, Steering)

под заказ620 руб.
443411-96300-000

   (актуальный код замены) Регулировка рулевой системы - Adjuster, Steering

1 шт620 руб.
443411-96300-000

Регулировка рулевой системы - Adjuster, Steering (Adjuster, steering ) (Adjuster, Steering)

1 шт620 руб.
509100-06049-000

Болт (6x30) - Bolt (6x30) (Bolt (6x30))

под заказ0 руб.
509100-06083-000

   (актуальный код замены) Запчасть снята с производства - The Spare Part Is Laid Off

под заказ0 руб.
509100-06083-000

Болт (6x30) - Bolt (6x30) (Bolt (6*30) ) (Bolt (6x30))

под заказ0 руб.
509100-08112-000

Болт (8x30) - Bolt (8x30) (Bolt (8x30))

под заказ350 руб.
509100-08232-000

   (актуальный код замены) Болт (8x30) - Bolt (8x30)

6 шт350 руб.
509100-08232-000

Болт (8x30) - Bolt (8x30) (Bolt (8x30))

6 шт350 руб.
609440-12008-000

(Spring, adjusting;)

под заказ0 руб.
609440-13013-000

под заказ0 руб.
709100-06071-000

Болт (6x9) - Bolt (6x9) (Bolt (6x9))

под заказ160 руб.
709100-06106-000

   (актуальный код замены) Болт (6x9) - Bolt (6x9)

под заказ160 руб.
709100-06106-000

Болт (6x9) - Bolt (6x9) (Bolt (6x9) ) (Bolt (6x9))

под заказ160 руб.
843711-93000-000

под заказ0 руб.
943712-93000-000

под заказ0 руб.
943712-93002-000

   (актуальный код замены) Запчасть снята с производства - The Spare Part Is Laid Off

под заказ0 руб.
1043721-93000-000

(Bushing, steering lower;)

под заказ0 руб.
1109280-40004-000

Уплотнительное кольцо (d: 3.5, Id: 40) - O Ring (d:35, Id:40) (O ring, swivel bracket; D:3.5, id:40) (O Ring (d:3.5, Id:40))

под заказ0 руб.
1209306-40001-000

(Bushing, steering o ring;)

под заказ0 руб.
1343741-93001-01J

(To 43741-93002-01j)

под заказ0 руб.
1343741-93002-01J

   (актуальный код замены) Запчасть снята с производства - The Spare Part Is Laid Off

под заказ0 руб.
1343741-93002-01J

под заказ0 руб.
1445231-93001-000

(To 45231-93002)

под заказ0 руб.
1445231-93002-000

   (актуальный код замены) Запчасть снята с производства - The Spare Part Is Laid Off

под заказ0 руб.
1445231-93002-000

под заказ0 руб.
1545241-93000-000

под заказ0 руб.
1545241-93001-000

   (актуальный код замены) Запчасть снята с производства - The Spare Part Is Laid Off

под заказ0 руб.
1609200-04003-000

(Pin, reverse lock arm;)

под заказ0 руб.
1709204-01001-000

под заказнет сведений
1709204-01002-000

Штифт - Pin (Cotter pin ) (Pin)

24 шт140 руб.
1809443-14010-000

под заказ0 руб.
1945251-93000-000

(To 45251-93001)

под заказ0 руб.
1945251-93002-000

   (актуальный код замены) Запчасть снята с производства - The Spare Part Is Laid Off

под заказ0 руб.
2045255-93000-000

Резинка рычага блокировки - Rubber, Release Lever (Rubber, Release Lever)

под заказ390 руб.
2045255-93001-000

   (актуальный код замены) Резинка рычага блокировки - Rubber, Release Lever

под заказ390 руб.
2045255-93001-000

Резинка рычага блокировки - Rubber, Release Lever (Rubber, Release Lever)

под заказ390 руб.
2145252-93000-000

под заказ0 руб.
2209204-01001-000

под заказнет сведений
2209204-01002-000

Штифт - Pin (Cotter pin ) (Pin)

24 шт140 руб.
2343241-93100-000

(English only, to 43241-93101)

под заказ0 руб.
2343241-93101-000

(English+french)

под заказ0 руб.
2343241-93102-000

   (актуальный код замены) Запчасть снята с производства - The Spare Part Is Laid Off

под заказ0 руб.


Время выполнения запроса 2.1142060756683 сек.

 
 

данный сайт носит информационный характер и не является публичной офертой

склад запчастей для водомоторной техники