Найти запчасти на двигатель Сузуки - Gear case
вконтакте

Контактный телефон: +7 (981) 121-46-93, +7 (800) 200-90-76 , Email: parts-katalog@yandex.ru, где купить

 
 

  Логин:

Пароль:

Регистрация

www.partskatalog.ru Все каталоги Запчасти Mercury Запчасти Suzuki Запчасти Tohatsu Запчасти Honda Контакты



УВАЖАЕМЫЕ КЛИЕНТЫ!
C 19 ДЕКАБРЯ 2025 ПО 02 МАРТА 2026 ГОДА ОТДЕЛ ЗАПЧАСТЕЙ И СЕРВИС РАБОТАТЬ НЕ БУДУТ
ПРОДАЖА ЛОДОЧНЫХ МОТОРОВ В ШТАТНОМ РЕЖИМЕ
ОБ ИЗМЕНЕНИЯХ В ГРАФИКЕ РАБОТЫ ЧИТАЙТЕ НА САЙТА



назад Раздел:   вперёд

Вернуться к выбору узлов мотора


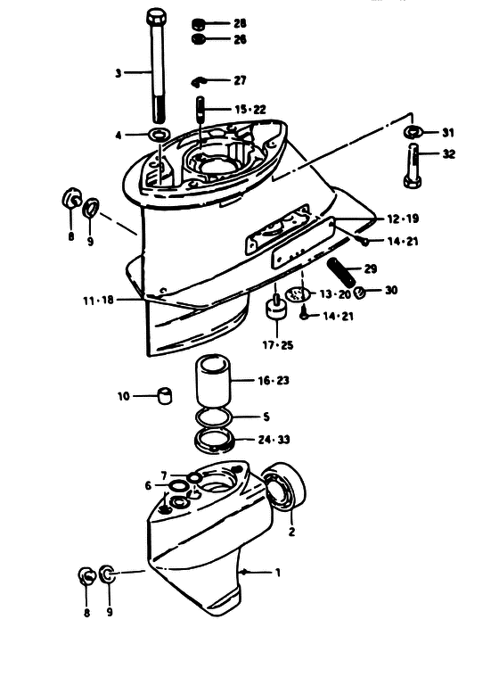
ДЕТАЛИРОВКА ДЛЯ МОДЕЛИ: SUZUKI DT16 G

Картер коробки передач


Год выпуска двигателя: 1980

Номер на
рисунке
АртикулНаименованиеQTYКол-во
на складе
Цена
155100-93825-01J

(GE03, GE09, GE13, GE28)

под заказ0 руб.
155110-93105-0ED

   (актуальный код замены) Запчасть снята с производства - The Spare Part Is Laid Off

под заказ0 руб.
208113-62050-000

Подшипник (25x52x15) - Bearing (25x52x15) (Bearing (25x52x15))

под заказ2310 руб.
209262-25003-000

   (актуальный код замены) Подшипник (25x52x15) - Bearing (25x52x15)

16 шт2510 руб.
26205NNTN

   (подбор по маркировке) Подшипник NTN 6205N(25*52*15 мм)

под заказ0
209262-25003-000

Подшипник (25x52x15) - Bearing (25x52x15) (Bearing (25x52x15) ) (Bearing (25x52x15))

16 шт2510 руб.
26205NNTN

   (подбор по маркировке) Подшипник NTN 6205N(25*52*15 мм)

под заказ0
309103-10007-000

под заказ0 руб.
409160-10040-000

Шайба (10.5x19x2) - Washer (105x19x2) (Washer (10.5x19x2))

под заказ120 руб.
409160-10082-000

   (актуальный код замены) Шайба (10.5x19x2) - Washer (10.5x19x2)

19 шт120 руб.
409160-10082-000

Шайба (10.5x19x2) - Washer (105x19x2) (Washer ) (Washer (10.5x19x2))

19 шт120 руб.
609280-18002-000

под заказ0 руб.
709280-10005-000

Уплотнительное кольцо (d: 1.9, Id: 9.8) - O Ring (d:19, Id:98) (O Ring (d:1.9, Id:9.8))

под заказ250 руб.
709280-10016-000

   (актуальный код замены) Уплотнительное кольцо (d: 1.9, Id: 9.8) - O Ring (d:1.9, Id:9.8)

8 шт330 руб.
709280-10016-000

Уплотнительное кольцо (d: 1.9, Id: 9.8) - O Ring (d:19, Id:98) (O ring ) (O Ring (d:1.9, Id:9.8))

8 шт330 руб.
809248-10003-000

Заглушка (10x7.5) - Plug (10x75) (Plug (10x7.5))

под заказ490 руб.
809248-10008-000

   (актуальный код замены) Заглушка (10x7.5) - Plug (10x7.5)

120 шт500 руб.
809248-10008-000

Заглушка (10x7.5) - Plug (10x75) (Plug (10x7.5))

120 шт500 руб.
809248-10004-000

Заглушка (10x7.5) - Plug (10x75) (FROM 09248-10003) (Plug (10x7.5))

под заказ490 руб.
809248-10008-000

   (актуальный код замены) Заглушка (10x7.5) - Plug (10x7.5)

120 шт500 руб.
809248-10008-000

Заглушка (10x7.5) - Plug (10x75) (Plug (10x7.5))

120 шт500 руб.
909168-10004-000

Прокладка (10x17x1.5) - Gasket (10x17x15) (TO 09168-10022, MODEL G) (Gasket (10x17x1.5))

под заказ130 руб.
909168-10022-000

   (актуальный код замены) Прокладка (10x17x1.5) - Gasket (10x17x1.5)

2205 шт150 руб.
909168-10022-000

Прокладка (10x17x1.5) - Gasket (10x17x15) (Gasket (10x17x1.5))

2205 шт150 руб.
909168-10022-000

Прокладка (10x17x1.5) - Gasket (10x17x15) (MODEL J, VZ ) (Gasket (10x17x1.5))

2205 шт150 руб.
1009206-13005-000

под заказ0 руб.
1255112-93100-000

(GE03, GE09, GE13, GE28)

под заказ0 руб.
1355114-98501-000

Крышка, Lwr Корпус Under - Cover, Lwr Housing Under (GE03, GE09, GE13, GE28) (Cover, Lwr Housing Under)

под заказ230 руб.
1355114-98502-000

   (актуальный код замены) Крышка, Lwr Корпус Under - Cover, Lwr Housing Under

под заказ230 руб.
1355114-98502-000

Крышка, Lwr Корпус Under - Cover, Lwr Housing Under (Cover, gear case lower ) (Cover, Lwr Housing Under)

под заказ230 руб.
1403112-04109-000

Винт - Screw (GE03, GE09, GE13, GE28 ) (Screw)

под заказ170 руб.
1403112-0410B-000

   (актуальный код замены) Винт - Screw

под заказ170 руб.
1509108-05002-000

(GE03, GE09, GE13, GE28)

под заказ0 руб.
1509108-05011-000

   (актуальный код замены) Запчасть снята с производства - The Spare Part Is Laid Off

под заказ0 руб.
1609180-25046-000

(GE03, GE09, GE13, GE28)

под заказ0 руб.
1755321-93141-000

Zink, Цилиндр - Zink, Cylinder (GE03, GE09, GE13, GE28) (Zink, Cylinder)

под заказ1370 руб.
1711130-94600-000

   (актуальный код замены) Zink, Цилиндр - Zink, Cylinder

под заказ1370 руб.
1711130-94600-000

Zink, Цилиндр - Zink, Cylinder (Zink, protection ) (Zink, Cylinder)

под заказ1370 руб.
1852150-93103-01J

(JE09, (J, VZ)E13, VZE40)

под заказ0 руб.
1955112-93100-000

(JE09, (J, VZ)E13, VZE40)

под заказ0 руб.
2055114-98501-000

Крышка, Lwr Корпус Under - Cover, Lwr Housing Under (JE09, (J, VZ)E13, VZE40) (Cover, Lwr Housing Under)

под заказ230 руб.
2055114-98502-000

   (актуальный код замены) Крышка, Lwr Корпус Under - Cover, Lwr Housing Under

под заказ230 руб.
2055114-98502-000

Крышка, Lwr Корпус Under - Cover, Lwr Housing Under (Cover, gear case lower ) (Cover, Lwr Housing Under)

под заказ230 руб.
2103112-04109-000

Винт - Screw (JE09, (J, VZ)E13, VZE40 ) (Screw)

под заказ170 руб.
2103112-0410B-000

   (актуальный код замены) Винт - Screw

под заказ170 руб.
2209108-05002-000

(JE09, (J, VZ)E13, VZE40)

под заказ0 руб.
2209108-05011-000

   (актуальный код замены) Запчасть снята с производства - The Spare Part Is Laid Off

под заказ0 руб.
2309180-25046-000

(JE09, (J, VZ)E13, VZE40)

под заказ0 руб.
2452156-93100-000

(JE09, (J, VZ)E13, VZE40)

под заказ0 руб.
2555321-93141-000

Zink, Цилиндр - Zink, Cylinder (JE09, (J, VZ)E13, VZE40) (Zink, Cylinder)

под заказ1370 руб.
2511130-94600-000

   (актуальный код замены) Zink, Цилиндр - Zink, Cylinder

под заказ1370 руб.
2511130-94600-000

Zink, Цилиндр - Zink, Cylinder (Zink, protection ) (Zink, Cylinder)

под заказ1370 руб.
2609160-05010-000

Шайба (5.5x12x0.8) - Washer (55x12x08) (Washer (5.5x12x0.8))

под заказ130 руб.
2609160-05029-000

   (актуальный код замены) Шайба (5.5x12x0.8) - Washer (5.5x12x0.8)

14 шт130 руб.
2609160-05029-000

Шайба (5.5x12x0.8) - Washer (55x12x08) (Washer (5.5x12x0.8))

14 шт130 руб.
2752162-93100-000

под заказ0 руб.
2809140-05001-000

Гайка - Nut (Nut)

под заказ220 руб.
2809140-05005-000

   (актуальный код замены) Гайка - Nut

10 шт270 руб.
2809140-05005-000

Гайка - Nut (Nut)

10 шт270 руб.
2917631-93000-000

под заказ0 руб.
3009243-11004-000

под заказ0 руб.
3109162-08003-000

Шайба с блокировкой - Washer, Lock (Washer, Lock)

под заказ160 руб.
3109162-08007-000

   (актуальный код замены) Шайба с блокировкой - Washer, Lock

под заказ160 руб.
3109162-08007-000

Шайба с блокировкой - Washer, Lock (Lock washer ) (Washer, Lock)

под заказ160 руб.
3209100-08112-000

Болт (8x30) - Bolt (8x30) (Bolt (8x30))

под заказ350 руб.
3209100-08232-000

   (актуальный код замены) Болт (8x30) - Bolt (8x30)

6 шт350 руб.
3209100-08232-000

Болт (8x30) - Bolt (8x30) (Bolt (8x30))

6 шт350 руб.
3352156-93100-000

(GE03, GE09, GE13, GE28)

под заказ0 руб.


Время выполнения запроса 1.7728209495544 сек.

 
 

данный сайт носит информационный характер и не является публичной офертой

склад запчастей для водомоторной техники