Подобрать оригинальные запчасти на подвесной двигатель SUZUKI модель 1980 года - Optional:electrical
вконтакте

Контактный телефон: +7 (981) 121-46-93, +7 (800) 200-90-76 , Email: parts-katalog@yandex.ru, где купить

 
 

  Логин:

Пароль:

Регистрация

www.partskatalog.ru Все каталоги Запчасти Mercury Запчасти Suzuki Запчасти Tohatsu Запчасти Honda Контакты



УВАЖАЕМЫЕ КЛИЕНТЫ!
C 19 ДЕКАБРЯ 2025 ПО 02 МАРТА 2026 ГОДА ОТДЕЛ ЗАПЧАСТЕЙ И СЕРВИС РАБОТАТЬ НЕ БУДУТ
ПРОДАЖА ЛОДОЧНЫХ МОТОРОВ В ШТАТНОМ РЕЖИМЕ
ОБ ИЗМЕНЕНИЯХ В ГРАФИКЕ РАБОТЫ ЧИТАЙТЕ НА САЙТА



назад Раздел:   вперёд

Вернуться к выбору узлов мотора


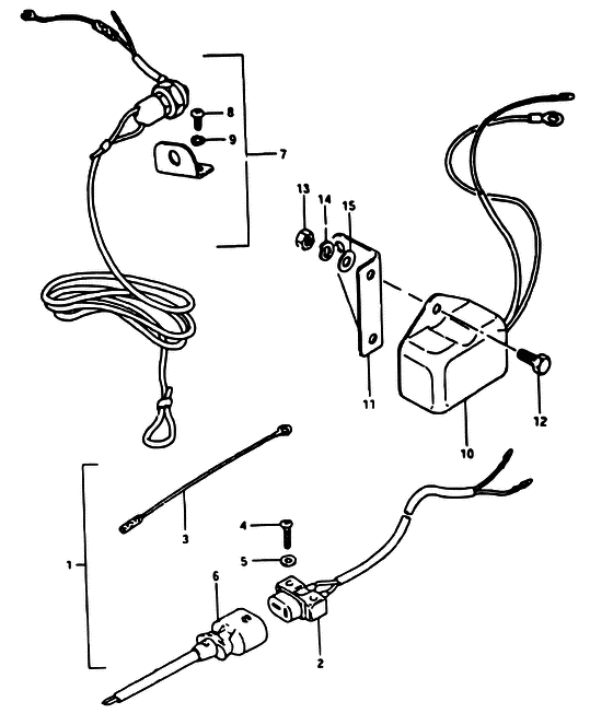
ДЕТАЛИРОВКА ДЛЯ МОДЕЛИ: SUZUKI DT16 G

Опции: Электрика


Год выпуска двигателя: 1980

Номер на
рисунке
АртикулНаименованиеQTYКол-во
на складе
Цена
139600-98300-000

(MODEL J, VZ)

под заказ0 руб.
139600-98310-000

   (актуальный код замены) Запчасть снята с производства - The Spare Part Is Laid Off

под заказ0 руб.
239601-96712-000

(FROM 39601-96711)

под заказ0 руб.
336898-93300-000

(L:100)

под заказ0 руб.
402112-04258-000

Винт - Screw (Screw)

под заказ170 руб.
402112-0425B-000

   (актуальный код замены) Винт - Screw

под заказ170 руб.
402112-0425B-000

Винт - Screw (Screw)

под заказ170 руб.
508322-21048-000

Шайба - Washer (Washer)

под заказ140 руб.
508322-01047-000

   (актуальный код замены) Шайба - Washer

под заказ140 руб.
508322-01047-000

Шайба - Washer (Washer)

под заказ140 руб.
639602-99711-000

(L:2000)

под заказ0 руб.
737800-93813-000

(MODEL G)

под заказ0 руб.
737802-98102-000

   (актуальный код замены) Запчасть снята с производства - The Spare Part Is Laid Off

под заказ0 руб.
737800-93814-000

(FROM 37800-93813, MODEL J)

под заказ0 руб.
737802-98102-000

   (актуальный код замены) Запчасть снята с производства - The Spare Part Is Laid Off

под заказ0 руб.
737802-98300-000

(FROM 37800-93814, MODEL J, VZ)

под заказ0 руб.
737802-98102-000

   (актуальный код замены) Запчасть снята с производства - The Spare Part Is Laid Off

под заказ0 руб.
809125-04011-000

Винт (4x16) - Screw (4x16) (Screw (4x16))

под заказ0 руб.
909162-04002-000

под заказ0 руб.
1032500-95721-000

Регулятор напряжения - Regulator Assy, Voltage (Regulator Assy, Voltage)

под заказ110400 руб.
1032500-95722-000

   (актуальный код замены) Регулятор напряжения - Regulator Assy, Voltage

под заказ110400 руб.
1032500-95722-000

Регулятор напряжения - Regulator Assy, Voltage (Regulator assy, voltage ) (Regulator Assy, Voltage)

под заказ110400 руб.
1132590-93500-000

под заказ0 руб.
1201107-06128-000

Болт - Bolt (Bolt)

под заказ150 руб.
1201500-06127-000

   (актуальный код замены) Болт - Bolt

под заказ150 руб.
1201500-06127-000

Болт - Bolt (Bolt)

под заказ150 руб.
1308310-11068-000

Гайка - Nut (Nut)

под заказ140 руб.
1308310-00067-000

   (актуальный код замены) Гайка - Nut

под заказ140 руб.
1308310-00067-000

Гайка - Nut (Nut)

под заказ140 руб.
1408321-21068-000

Шайба с блокировкой - Washer, Lock (Washer, Lock)

под заказ140 руб.
1408321-01067-000

   (актуальный код замены) Шайба с блокировкой - Washer, Lock

под заказ140 руб.
1408321-01067-000

Шайба с блокировкой - Washer, Lock (Washer, Lock)

под заказ140 руб.
1508322-21068-000

Шайба - Washer (Washer)

под заказ140 руб.
1508322-01067-000

   (актуальный код замены) Шайба - Washer

10 шт160 руб.
1508322-01067-000

Шайба - Washer (Washer)

10 шт160 руб.


Время выполнения запроса 1.8060491085052 сек.

 
 

данный сайт носит информационный характер и не является публичной офертой

склад запчастей для водомоторной техники