Запчасти на лодочный мотор SUZUKI модель 1982 года - grip
вконтакте

Контактный телефон: +7 (981) 121-46-93, +7 (800) 200-90-76 , Email: parts-katalog@yandex.ru, где купить

 
 

  Логин:

Пароль:

Регистрация

www.partskatalog.ru Все каталоги Запчасти Mercury Запчасти Suzuki Запчасти Tohatsu Запчасти Honda Контакты



УВАЖАЕМЫЕ КЛИЕНТЫ!
C 19 ДЕКАБРЯ 2025 ПО 02 МАРТА 2026 ГОДА ОТДЕЛ ЗАПЧАСТЕЙ И СЕРВИС РАБОТАТЬ НЕ БУДУТ
ПРОДАЖА ЛОДОЧНЫХ МОТОРОВ В ШТАТНОМ РЕЖИМЕ
ОБ ИЗМЕНЕНИЯХ В ГРАФИКЕ РАБОТЫ ЧИТАЙТЕ НА САЙТА



назад Раздел:   вперёд

Вернуться к выбору узлов мотора


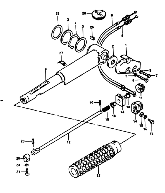
ДЕТАЛИРОВКА ДЛЯ МОДЕЛИ: SUZUKI DT16 VZ

Handle - Рукоятка


Год выпуска двигателя: 1982

Номер на
рисунке
АртикулНаименованиеQTYКол-во
на складе
Цена
163113-93100-01J

(NO STOPPER, MODEL G)

под заказ0 руб.
163113-93101-01J

(MODEL G, J, VZ)

под заказ0 руб.
263114-93200-000

под заказ0 руб.
309160-32004-000

Шайба (32.5x42x0.5) - Washer (325x42x05) (Washer (32.5x42x0.5) ) (Washer (32.5x42x0.5))

под заказ230 руб.
409164-32001-000

под заказ0 руб.
509162-06001-000

Шайба с блокировкой - Washer, Lock (Washer, Lock)

под заказ160 руб.
509162-06006-000

   (актуальный код замены) Шайба с блокировкой - Washer, Lock

под заказ160 руб.
509162-06006-000

Шайба с блокировкой - Washer, Lock (Lock washer ) (Washer, Lock)

под заказ160 руб.
609100-06049-000

Болт (6x30) - Bolt (6x30) (Bolt (6x30))

под заказ0 руб.
609100-06083-000

   (актуальный код замены) Запчасть снята с производства - The Spare Part Is Laid Off

под заказ0 руб.
609100-06083-000

Болт (6x30) - Bolt (6x30) (Bolt (6*30) ) (Bolt (6x30))

под заказ0 руб.
709100-06020-000

Болт (6x20) - Bolt (6x20) (Bolt (6x20))

под заказ0 руб.
709100-06122-000

   (актуальный код замены) Запчасть снята с производства - The Spare Part Is Laid Off

под заказ0 руб.
709100-06122-000

Болт (6x20) - Bolt (6x20) (Bolt (6x20))

под заказ0 руб.
863610-93500-000

Тросик дросселя, в сборе - Cable Assy, Throttle (TO 63610-93501, MODEL G) (Cable Assy, Throttle)

под заказ0 руб.
863610-93501-000

   (актуальный код замены) Запчасть снята с производства - The Spare Part Is Laid Off

под заказ0 руб.
863610-93501-000

Тросик дросселя, в сборе - Cable Assy, Throttle (Cable assy, throttle ) (Cable Assy, Throttle)

под заказ0 руб.
863610-93501-000

Тросик дросселя, в сборе - Cable Assy, Throttle (Cable assy, throttle # MODEL J, VZ ) (Cable Assy, Throttle)

под заказ0 руб.
963111-93203-01J

(TO 63111-93204-01J)

под заказ0 руб.
963100-98811-0ED

под заказ0 руб.
963240-96300-000

Регулировка румпеля (комплект) Рукоятка - Adjuster Set, Handle Grip (Adjuster, handle grip ) (Adjuster Set, Handle Grip)

3 шт2490 руб.
963111-93204-01J

(MODEL J, VZ)

под заказ0 руб.
963100-98811-0ED

под заказ0 руб.
963240-96300-000

Регулировка румпеля (комплект) Рукоятка - Adjuster Set, Handle Grip (Adjuster, handle grip ) (Adjuster Set, Handle Grip)

3 шт2490 руб.
1063227-93200-000

Штифт, Handle Тяга - Pin, Handle Rod (Pin, handle rod ) (Pin, Handle Rod)

под заказ220 руб.
1163222-93200-000

Drum, Handle Тяга - Drum, Handle Rod (Drum, handle rod # MODEL G, J ) (Drum, Handle Rod)

под заказ0 руб.
1263220-98500-000

Тяга румпеля - Rod, Handle (MODEL VZ) (Rod, Handle)

под заказ5040 руб.
1263220-98504-000

   (актуальный код замены) Тяга румпеля - Rod, Handle

под заказ5040 руб.
1263220-98504-000

Тяга румпеля - Rod, Handle (Rod, Handle)

под заказ5040 руб.
1263221-93200-000

Тяга румпеля - Rod, Handle (MODEL G, J) (Rod, Handle)

под заказ5040 руб.
1263220-98504-000

   (актуальный код замены) Тяга румпеля - Rod, Handle

под заказ5040 руб.
1263220-98504-000

Тяга румпеля - Rod, Handle (Rod, Handle)

под заказ5040 руб.
1363224-93202-000

(MODEL G, J)

под заказ0 руб.
1463241-94300-000

(MODEL J, VZ)

под заказ0 руб.
1509160-06015-000

Шайба (6.5x13x1.0) - Washer (65x13x10) (MODEL J, VZ) (Washer (6.5x13x1.0))

под заказ120 руб.
1509160-06082-000

   (актуальный код замены) Шайба (6.5x13x1.0) - Washer (6.5x13x1.0)

7 шт150 руб.
1509160-06082-000

Шайба (6.5x13x1.0) - Washer (65x13x10) (Washer (6.5x13x1.0))

7 шт150 руб.
1609162-06001-000

Шайба с блокировкой - Washer, Lock (MODEL J, VZ) (Washer, Lock)

под заказ160 руб.
1609162-06006-000

   (актуальный код замены) Шайба с блокировкой - Washer, Lock

под заказ160 руб.
1609162-06006-000

Шайба с блокировкой - Washer, Lock (Lock washer ) (Washer, Lock)

под заказ160 руб.
1709100-06019-000

Болт - Bolt (MODEL J, VZ) (Bolt)

под заказ180 руб.
1701550-06167-000

   (актуальный код замены) Болт - Bolt

9 шт210 руб.
1701550-06167-000

Болт - Bolt (Bolt)

9 шт210 руб.
1863225-93200-000

Втулка тяги румпеля - Bush, Handle Rod (Bush, handle rod # MODEL G, J MODEL VZ ) (Bush, Handle Rod)

14 шт480 руб.
1963226-93200-000

Пружина - Spring (Spring)

под заказ130 руб.
1909440-12027-000

   (актуальный код замены) Пружина - Spring

12 шт170 руб.
1909440-12027-000

Пружина - Spring (Spring)

12 шт170 руб.
2063223-93200-000

Стопор тяги румпеля - Stopper, Handle Rod (Stopper, Handle Rod)

под заказ430 руб.
2063223-92D00-000

   (актуальный код замены) Стопор тяги румпеля - Stopper, Handle Rod

под заказ430 руб.
2063223-92D00-000

Стопор тяги румпеля - Stopper, Handle Rod (Stopper, handle rod ) (Stopper, Handle Rod)

под заказ430 руб.
2109126-06004-000

под заказ0 руб.
2263210-93200-000

Рукоятка румпеля - Grip, Handle (Grip, Handle)

под заказ3390 руб.
2263210-93E30-000

   (актуальный код замены) Рукоятка румпеля - Grip, Handle

1 шт3390 руб.
2263210-93E30-000

Рукоятка румпеля - Grip, Handle (Grip, handle ) (Grip, Handle)

1 шт3390 руб.
2309205-03004-000

Стопор пружины (3x20) - Pin, Spring (3x20) (Pin, handle rod drum (l:20) # MODEL G, J ) (Pin, Spring (3x20))

под заказ120 руб.
2409163-06001-000

Шайба с блокировкой - Washer, Lock (Washer, Lock)

13 шт120 руб.
2663117-93400-000

под заказ0 руб.
2763215-93101-000

Маркировка ручки румпеля - Mark, Handle Grip (MODEL G) (Mark, Handle Grip)

под заказ320 руб.
2763215-93110-000

   (актуальный код замены) Маркировка ручки румпеля - Mark, Handle Grip

под заказ320 руб.
2763215-93110-000

Маркировка ручки румпеля - Mark, Handle Grip (Mark, handle grip ) (Mark, Handle Grip)

под заказ320 руб.
2763215-93400-000

Маркировка ручки румпеля - Mark, Handle Grip (Mark, handle grip # MODEL J, VZ ) (Mark, Handle Grip)

1 шт290 руб.
2863113-93501-000

(MODEL G, J)

под заказ0 руб.
2863113-93503-000

   (актуальный код замены) Запчасть снята с производства - The Spare Part Is Laid Off

под заказ0 руб.
2863113-93502-000

(MODEL VZ)

под заказ0 руб.
2863113-93503-000

   (актуальный код замены) Запчасть снята с производства - The Spare Part Is Laid Off

под заказ0 руб.


Время выполнения запроса 3.0777509212494 сек.

 
 

данный сайт носит информационный характер и не является публичной офертой

склад запчастей для водомоторной техники