Подобрать оригинальные запчасти на лодочный мотор SUZUKI - Поворотный кронштейн
вконтакте

Контактный телефон: +7 (981) 121-46-93, +7 (800) 200-90-76 , Email: parts-katalog@yandex.ru, где купить

 
 

  Логин:

Пароль:

Регистрация

www.partskatalog.ru Все каталоги Запчасти Mercury Запчасти Suzuki Запчасти Tohatsu Запчасти Honda Контакты



УВАЖАЕМЫЕ КЛИЕНТЫ!
C 19 ДЕКАБРЯ 2025 ПО 02 МАРТА 2026 ГОДА ОТДЕЛ ЗАПЧАСТЕЙ И СЕРВИС РАБОТАТЬ НЕ БУДУТ
ПРОДАЖА ЛОДОЧНЫХ МОТОРОВ В ШТАТНОМ РЕЖИМЕ
ОБ ИЗМЕНЕНИЯХ В ГРАФИКЕ РАБОТЫ ЧИТАЙТЕ НА САЙТА



назад Раздел:   вперёд

Вернуться к выбору узлов мотора


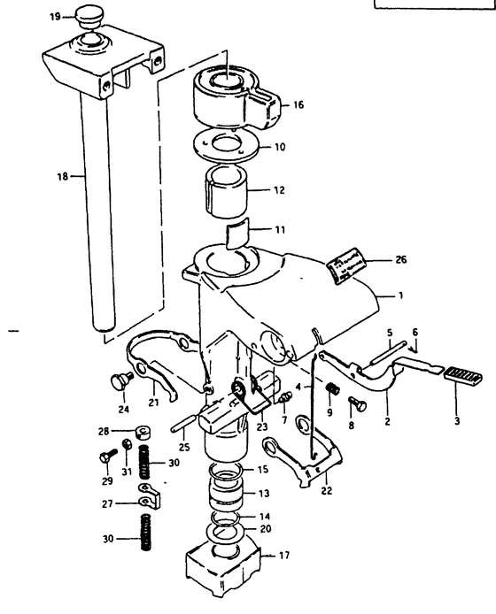
ДЕТАЛИРОВКА ДЛЯ МОДЕЛИ: SUZUKI DT16PJ(G/J/VZ) J

Поворотный кронштейн


Год выпуска двигателя: 1988

Регион: Japan

Номер на
рисунке
АртикулНаименованиеQTYКол-во
на складе
Цена
143111-93104-01J

под заказ0 руб.
143111-93104-02M

   (актуальный код замены) Запчасть снята с производства - The Spare Part Is Laid Off

под заказ0 руб.
245251-93001-000

(L:110)

под заказ0 руб.
245251-93002-000

   (актуальный код замены) Запчасть снята с производства - The Spare Part Is Laid Off

под заказ0 руб.
345255-93000-000

Резинка рычага блокировки - Rubber, Release Lever (Rubber, Release Lever)

под заказ390 руб.
345255-93001-000

   (актуальный код замены) Резинка рычага блокировки - Rubber, Release Lever

под заказ390 руб.
345255-93001-000

Резинка рычага блокировки - Rubber, Release Lever (Rubber, Release Lever)

под заказ390 руб.
445252-93100-000

под заказ0 руб.
509200-05005-000

(Pin, release lever (l:41);)

под заказ0 руб.
609204-01001-000

под заказнет сведений
609204-01002-000

Штифт - Pin (Cotter pin ) (Pin)

24 шт140 руб.
722511-99000-000

Ниппель смазки - Nipple, Grease (Nipple, Grease)

под заказ340 руб.
722511-99011-000

   (актуальный код замены) Ниппель смазки - Nipple, Grease

9 шт400 руб.
722511-99011-000

Ниппель смазки - Nipple, Grease (Nipple, Grease)

9 шт400 руб.
809100-08139-000

Болт (8x22) - Bolt (8x22) (Bolt (8x22))

под заказ0 руб.
809100-08219-000

   (актуальный код замены) Запчасть снята с производства - The Spare Part Is Laid Off

под заказ0 руб.
809100-08219-000

Болт (8x22) - Bolt (8x22) (Bolt (8x22) ) (Bolt (8x22))

под заказ0 руб.
909440-12019-000

под заказ0 руб.
1043712-93101-000

под заказ0 руб.
1143411-93101-000

под заказ0 руб.
1243711-93101-000

под заказ0 руб.
1343721-93101-000

под заказ0 руб.
1409280-27002-000

Уплотнительное кольцо (d: 3.1, Id: 26.4) - O Ring (d:31, Id:264) (Id:26.7, d:3.1) (O Ring (d:3.1, Id:26.4))

под заказ220 руб.
1409280-26006-000

   (актуальный код замены) Уплотнительное кольцо (d: 3.1, Id: 26.4) - O Ring (d:3.1, Id:26.4)

2 шт220 руб.
1409280-26006-000

Уплотнительное кольцо (d: 3.1, Id: 26.4) - O Ring (d:31, Id:264) (O Ring (d:3.1, Id:26.4))

2 шт220 руб.
1509280-33003-000

(Id:32.7, d:3.1)

под заказ0 руб.
1654120-93101-000

под заказ0 руб.
1754150-93100-000

под заказ0 руб.
1843740-93102-000

под заказ0 руб.
1843740-93103-000

   (актуальный код замены) Запчасть снята с производства - The Spare Part Is Laid Off

под заказ0 руб.
1843740-93103-000

(From 43740-93102)

под заказ0 руб.
1943745-93100-000

под заказ0 руб.
2145231-93101-000

под заказ0 руб.
2245241-93101-000

под заказ0 руб.
2245241-93102-000

   (актуальный код замены) Запчасть снята с производства - The Spare Part Is Laid Off

под заказ0 руб.
2345211-93102-000

(Model g)

под заказнет сведений
2309202-06021-000

под заказ0 руб.
2309448-16019-000

под заказ0 руб.
2309448-16019-000

(Model j, vz)

под заказ0 руб.
2409111-08017-000

под заказ0 руб.
2509209-06035-000

Штифт - Pin (Pin, reverse lock arm (6x35) # Pin, lock arm (l:35); Model g ) (Pin)

под заказ0 руб.
2509202-06021-000

(Pin, lock arm (l:45); Model j, vz)

под заказ0 руб.
2643241-93101-000

под заказ0 руб.
2643241-93102-000

   (актуальный код замены) Запчасть снята с производства - The Spare Part Is Laid Off

под заказ0 руб.
2745233-93100-000

под заказ0 руб.
2745233-93101-000

   (актуальный код замены) Запчасть снята с производства - The Spare Part Is Laid Off

под заказ0 руб.
2845234-93100-000

под заказ0 руб.
2909100-05102-000

Болт - Bolt (Bolt)

под заказ150 руб.
2901500-05107-000

   (актуальный код замены) Болт - Bolt

под заказ150 руб.
2901500-05107-000

Болт - Bolt (Bolt)

под заказ150 руб.
3009440-09011-000

под заказ0 руб.
3109140-05001-000

Гайка - Nut (Nut)

под заказ220 руб.
3109140-05005-000

   (актуальный код замены) Гайка - Nut

10 шт270 руб.
3109140-05005-000

Гайка - Nut (Nut)

10 шт270 руб.


Время выполнения запроса 3.2291579246521 сек.

 
 

данный сайт носит информационный характер и не является публичной офертой

склад запчастей для водомоторной техники