Купить запчасти на подвесной двигатель SUZUKI - Carburetor
вконтакте

Контактный телефон: +7 (981) 121-46-93, +7 (800) 200-90-76 , Email: parts-katalog@yandex.ru, где купить

 
 

  Логин:

Пароль:

Регистрация

www.partskatalog.ru Все каталоги Запчасти Mercury Запчасти Suzuki Запчасти Tohatsu Запчасти Honda Контакты

назад Раздел:   вперёд

Вернуться к выбору узлов мотора


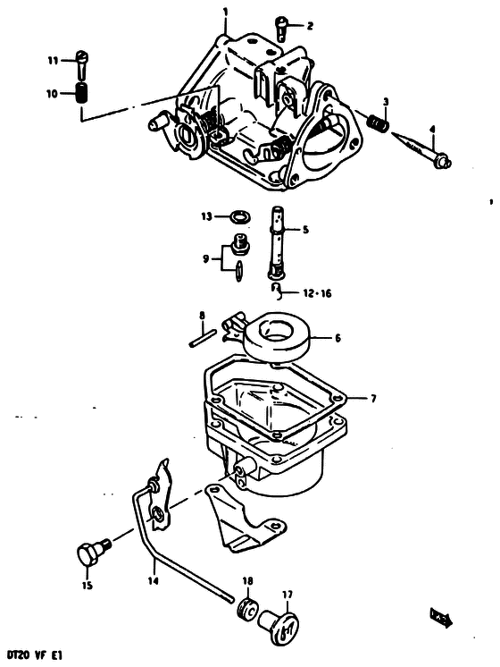
ДЕТАЛИРОВКА ДЛЯ МОДЕЛИ: SUZUKI DT20 VF/DT20R VF

Карбюратор


Год выпуска двигателя: 1985

Номер на
рисунке
АртикулНаименованиеQTYКол-во
на складе
Цена
113200-96370-000

Карбюратор в сборе (na) - Carburetor Assy (na) (Carburetor Assy (na))

под заказ0 руб.
113200-963K0-000

   (актуальный код замены) Запчасть снята с производства - The Spare Part Is Laid Off

под заказ0 руб.
113200-963K0-000

Карбюратор в сборе (na) - Carburetor Assy (na) (Carburetor Assy (na))

под заказ0 руб.
209492-67002-000

Контрольная форсунка (67.5) - Jet, Pilot (675) (Jet, Pilot (67.5))

под заказ1140 руб.
209492-67004-000

   (актуальный код замены) Контрольная форсунка (67.5) - Jet, Pilot (67.5)

1 шт1140 руб.
209492-67004-000

Контрольная форсунка (67.5) - Jet, Pilot (675) (Jet, Pilot (67.5))

1 шт1140 руб.
313271-93311-000

Пружина - Spring (Spring, air screw ) (Spring)

1 шт350 руб.
413269-93311-000

Винт контроля воздуха - Screw, Pilot Air (Screw, pilot air ) (Screw, Pilot Air)

под заказ810 руб.
513235-96301-000

под заказ0 руб.
613250-93012-000

Поплавок - Float (Float)

под заказ1950 руб.
713251-93310-000

Прокладка поплавковой камеры - Gasket, Float Cahmber (Gasket, Float Cahmber)

под заказ840 руб.
713251-93320-000

   (актуальный код замены) Прокладка поплавковой камеры - Gasket, Float Cahmber

под заказ840 руб.
713251-93320-000

Прокладка поплавковой камеры - Gasket, Float Cahmber (Gasket, float chamber ) (Gasket, Float Cahmber)

под заказ840 руб.
813254-93010-000

Стопор поплавка - Pin, Float (Pin, Float)

под заказ240 руб.
813254-98300-000

   (актуальный код замены) Стопор поплавка - Pin, Float

под заказ240 руб.
813254-98300-000

Стопор поплавка - Pin, Float (Pin, float ) (Pin, Float)

под заказ240 руб.
913370-28110-000

Игольчатый клапан, в сборе - Valve Assy, Needle (Valve assy, needle ) (Valve Assy, Needle)

4 шт4350 руб.
1013268-96110-000

Пружина, Дроссель Винт - Spring, Throttle Screw (Spring, Throttle Screw)

под заказ350 руб.
1013268-96111-000

   (актуальный код замены) Пружина, Дроссель Винт - Spring, Throttle Screw

под заказ350 руб.
1013268-96111-000

Пружина, Дроссель Винт - Spring, Throttle Screw (Spring, throttle screw ) (Spring, Throttle Screw)

под заказ350 руб.
1113534-96300-000

Винт стопора - Screw, Stop (Screw, throttle stop ) (Screw, Stop)

под заказ390 руб.
1209491-25002-000

Главная форсунка (125) - Jet, Main (125) (Jet, Main (125))

под заказ1110 руб.
1209491-25014-000

   (актуальный код замены) Главная форсунка (125) - Jet, Main (125)

2 шт1110 руб.
1209491-25014-000

Главная форсунка (125) - Jet, Main (125) (Jet, main 125 ) (Jet, Main (125))

2 шт1110 руб.
1313392-58600-000

Прокладка седла клапана - Gasket, Valve Seat (Gasket, valve seat ) (Gasket, Valve Seat)

1 шт150 руб.
1413681-96300-000

Рычаг, Emergency - Lever, Emergency (Lever, Emergency)

под заказ4350 руб.
1413681-96301-000

   (актуальный код замены) Рычаг, Emergency - Lever, Emergency

под заказ4350 руб.
1413681-96301-000

Рычаг, Emergency - Lever, Emergency (Lever, chocke ) (Lever, Emergency)

под заказ4350 руб.
1513682-96300-000

Болт - Bolt (Bolt)

9 шт850 руб.
1609491-26009-000

Главная форсунка (130) - Jet, Main (130) (OPT) (Jet, Main (130))

под заказ1220 руб.
1609491-26016-000

   (актуальный код замены) Главная форсунка (130) - Jet, Main (130)

5 шт1220 руб.
1609491-26016-000

Главная форсунка (130) - Jet, Main (130) (Jet, main (#130) ) (Jet, Main (130))

5 шт1220 руб.
1609491-27006-000

Главная форсунка (115) - Jet, Main (115) (OPT) (Jet, Main (115))

под заказ970 руб.
1609491-23012-000

   (актуальный код замены) Главная форсунка (115) - Jet, Main (115)

под заказ970 руб.
1609491-23012-000

Главная форсунка (115) - Jet, Main (115) (Jet, main (#115) ) (Jet, Main (115))

под заказ970 руб.
1609491-24012-000

Главная форсунка (120) - Jet, Main (120) (OPT) (Jet, Main (120))

под заказ1460 руб.
1609491-24026-000

   (актуальный код замены) Главная форсунка (120) - Jet, Main (120)

под заказ1460 руб.
1609491-24026-000

Главная форсунка (120) - Jet, Main (120) (Jet, Main (120))

под заказ1460 руб.
1713631-93500-000

Рукоятка стартера - Knob, Starter (Knob, Starter)

под заказ460 руб.
1713631-93501-000

   (актуальный код замены) Рукоятка стартера - Knob, Starter

2 шт460 руб.
1713631-93501-000

Рукоятка стартера - Knob, Starter (Knob, Starter)

2 шт460 руб.
1809305-04005-000

Втулка - Bush (Bush)

под заказ160 руб.
1809320-04013-000

   (актуальный код замены) Подушка, Muf Cov - Cushion, Muf Cov

под заказ160 руб.
1809320-04009-000

Втулка - Bush (Bush)

под заказ160 руб.
1809320-04013-000

   (актуальный код замены) Подушка, Muf Cov - Cushion, Muf Cov

под заказ160 руб.


Время выполнения запроса 0.94043707847595 сек.

 
 

данный сайт носит информационный характер и не является публичной офертой

склад запчастей для водомоторной техники