Оригинальные запчасти на лодочный мотор Suzuki - Optional : electrical
вконтакте

Контактный телефон: +7 (981) 121-46-93, +7 (800) 200-90-76 , Email: parts-katalog@yandex.ru, где купить

 
 

  Логин:

Пароль:

Регистрация

www.partskatalog.ru Все каталоги Запчасти Mercury Запчасти Suzuki Запчасти Tohatsu Запчасти Honda Контакты

назад Раздел:   вперёд

Вернуться к выбору узлов мотора


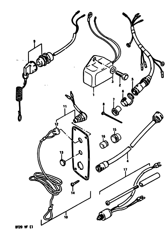
ДЕТАЛИРОВКА ДЛЯ МОДЕЛИ: SUZUKI DT20 VF/DT20R VF

Опции : Электрика


Год выпуска двигателя: 1985

Номер на
рисунке
АртикулНаименованиеQTYКол-во
на складе
Цена
132500-95721-000

Регулятор напряжения - Regulator Assy, Voltage (Regulator Assy, Voltage)

под заказ110400 руб.
132500-95722-000

   (актуальный код замены) Регулятор напряжения - Regulator Assy, Voltage

под заказ110400 руб.
132500-95722-000

Регулятор напряжения - Regulator Assy, Voltage (Regulator assy, voltage ) (Regulator Assy, Voltage)

под заказ110400 руб.
201107-06128-000

Болт - Bolt (Bolt)

под заказ150 руб.
201500-06127-000

   (актуальный код замены) Болт - Bolt

под заказ150 руб.
201500-06127-000

Болт - Bolt (Bolt)

под заказ150 руб.
308322-21067-000

Шайба - Washer (Washer)

под заказ140 руб.
308322-01067-000

   (актуальный код замены) Шайба - Washer

10 шт160 руб.
308322-01067-000

Шайба - Washer (Washer)

10 шт160 руб.
436520-95202-000

под заказнет сведений
536630-96330-000

под заказнет сведений
536630-96311-000

Жгут проводов, WiКольцо Remocon (l: 660) - Harness, Wiring Remocon (l:660) (Wiring harness, remo-con, 1 ) (Harness, Wiring Remocon (l:660))

под заказ3460 руб.
536630-96312-000

   (актуальный код замены) Жгут проводов Comp, Wrg R / con (l: 660) - Harness Comp, Wrg R/con (l:660)

под заказ3460 руб.
536630-96321-000

Жгут проводов, WiКольцо Remocon (l: 820) - Harness, Wiring Remocon (l:820) (Wiring harness, remo-con, 2 ) (Harness, Wiring Remocon (l:820))

под заказ8210 руб.
636631-94300-000

Колпачок на дистанционное управление Жгут проводов - Cap, Remote Control Harness (Cap, Remote Control Harness)

под заказ390 руб.
736639-94300-000

под заказ0 руб.
836632-95501-000

Струбцина (l: 250) - Clamp (l:250) (Clamp (l:250))

под заказ190 руб.
809407-20405-000

   (актуальный код замены) Струбцина (l: 202) - Clamp (l:202)

под заказ190 руб.
809407-25402-000

Струбцина (l: 250) - Clamp (l:250) (Clamp, tilt sw ) (Clamp (l:250))

под заказ350 руб.
809407-25402-000

Струбцина (l: 250) - Clamp (l:250) (Clamp, tilt sw ) (Clamp (l:250))

под заказ350 руб.
937820-94410-000

Аварийный выключатель, в сборе - Switch Assy, Emergency (Switch Assy, Emergency)

под заказ0 руб.
937820-94461-000

   (актуальный код замены) Запчасть снята с производства - The Spare Part Is Laid Off

под заказ0 руб.
937820-94460-000

Аварийный выключатель, в сборе - Switch Assy, Emergency (Switch assy, emergency ) (Switch Assy, Emergency)

под заказ0 руб.
937820-94461-000

   (актуальный код замены) Запчасть снята с производства - The Spare Part Is Laid Off

под заказ0 руб.
1037100-95210-000

под заказнет сведений
1037100-99E00-000

Панель выключателя зажигания, в сборе - Panel Assy, Ignition Switch (Ignition switch set ) (Panel Assy, Ignition Switch)

под заказ10610 руб.
1037100-99E01-000

   (актуальный код замены) Панель выключателя зажигания, в сборе - Panel Assy, Ignition Switch

под заказ10610 руб.
1037803-99E04-000

Панель аварийного выключателя двигателяitch - Panel Assy, Emergency Switch (Panel Assy, Emergency Switch)

под заказ7400 руб.
1037803-99E06-000

   (актуальный код замены) Панель аварийного выключателя двигателяitch - Panel Assy, Emergency Switch

под заказ7400 руб.
1137820-96302-000

Аварийный выключатель, в сборе - Switch Assy, Emergency (Switch Assy, Emergency)

под заказ4710 руб.
1137820-92E05-000

   (актуальный код замены) Аварийный выключатель, в сборе - Switch Assy, Emergency

1 шт4710 руб.
1137820-92E04-000

Аварийный выключатель, в сборе - Switch Assy, Emergency (Switch Assy, Emergency)

под заказ4710 руб.
1137820-92E05-000

   (актуальный код замены) Аварийный выключатель, в сборе - Switch Assy, Emergency

1 шт4710 руб.
1237823-95251-000

Колпачок, Emergency Переключатель - Cap, Emergency Switch (Cap ) (Cap, Emergency Switch)

под заказ0 руб.
1337101-93310-000

Колпачок (od: 20) - Cap (od:20) (Cap (od:20))

под заказ160 руб.
1309250-12016-000

   (актуальный код замены) Колпачок (od: 20) - Cap (od:20)

под заказ160 руб.
1309250-12006-000

Колпачок (od: 20) - Cap (od:20) (Cap (od:20))

под заказ160 руб.
1309250-12016-000

   (актуальный код замены) Колпачок (od: 20) - Cap (od:20)

под заказ160 руб.
1403112-04129-000

под заказ0 руб.
1536612-94301-000

Пыльник, Жгут проводов Коннектор - Grommet, Harness Connector (Grommet, cable no.1 ) (Grommet, Harness Connector)

под заказ500 руб.
1636613-94300-000

Пыльник кабеля (no.2) - Grommet, Cable (no2) (Grommet, cable no.2 ) (Grommet, Cable (no.2))

под заказ430 руб.
1767140-95300-000

под заказ0 руб.


Время выполнения запроса 1.8098859786987 сек.

 
 

данный сайт носит информационный характер и не является публичной офертой

склад запчастей для водомоторной техники