Подобрать запчасти на лодочный мотор Suzuki модель 1979 года - Electrical - Электрика
вконтакте

Контактный телефон: +7 (981) 121-46-93, +7 (800) 200-90-76 , Email: parts-katalog@yandex.ru, где купить

 
 

  Логин:

Пароль:

Регистрация

www.partskatalog.ru Все каталоги Запчасти Mercury Запчасти Suzuki Запчасти Tohatsu Запчасти Honda Контакты



УВАЖАЕМЫЕ КЛИЕНТЫ!
C 19 ДЕКАБРЯ 2025 ПО 02 МАРТА 2026 ГОДА ОТДЕЛ ЗАПЧАСТЕЙ И СЕРВИС РАБОТАТЬ НЕ БУДУТ
ПРОДАЖА ЛОДОЧНЫХ МОТОРОВ В ШТАТНОМ РЕЖИМЕ
ОБ ИЗМЕНЕНИЯХ В ГРАФИКЕ РАБОТЫ ЧИТАЙТЕ НА САЙТА



назад Раздел:   вперёд

Вернуться к выбору узлов мотора


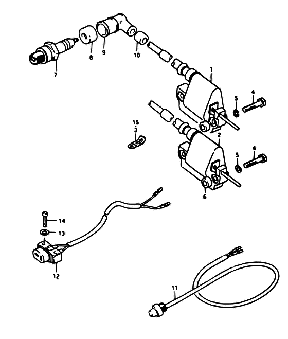
ДЕТАЛИРОВКА ДЛЯ МОДЕЛИ: SUZUKI DT20 D

Электрика


Год выпуска двигателя: 1979

Номер на
рисунке
АртикулНаименованиеQTYКол-во
на складе
Цена
133411-96130-000

под заказ0 руб.
233412-96130-000

под заказ0 руб.
309404-06402-000

Струбцина (l: 45) - Clamp (l:45) (TO 09404-06412) (Clamp (l:45))

под заказ170 руб.
309404-06031-000

   (актуальный код замены) Струбцина, Rsvr Tank Ovfl Шланг - Clamp, Rsvr Tank Ovfl Hose

под заказ170 руб.
309404-06206-000

Струбцина (l: 45) - Clamp (l:45) (Clamp (l:45))

под заказ170 руб.
309404-06031-000

   (актуальный код замены) Струбцина, Rsvr Tank Ovfl Шланг - Clamp, Rsvr Tank Ovfl Hose

под заказ170 руб.
401107-06358-000

Болт - Bolt (Bolt)

под заказ190 руб.
401500-06357-000

   (актуальный код замены) Болт - Bolt

под заказ190 руб.
401500-06357-000

Болт - Bolt (Bolt)

под заказ190 руб.
508321-21068-000

Шайба с блокировкой - Washer, Lock (Washer, Lock)

под заказ140 руб.
508321-01067-000

   (актуальный код замены) Шайба с блокировкой - Washer, Lock

под заказ140 руб.
508321-01067-000

Шайба с блокировкой - Washer, Lock (Washer, Lock)

под заказ140 руб.
609180-06030-000

Проставка (6.5x10x10) - Spacer (65x10x10) (Spacer (6.5x10x10))

под заказ150 руб.
609180-06310-000

   (актуальный код замены) Проставка (6.5x10x10) - Spacer (6.5x10x10)

под заказ150 руб.
609180-06310-000

Проставка (6.5x10x10) - Spacer (65x10x10) (Spacer (6.8x10x10) ) (Spacer (6.5x10x10))

под заказ150 руб.
709482-00082-000

Свеча зажигания (b7hs) - Plug, Spark (b7hs) (Spark plug assy # NGK, B7HS ) (Plug, Spark (b7hs))

под заказ600 руб.
709482-00116-000

Свеча зажигания (br7hs) - Plug, Spark (br7hs) (Spark plug assy (dt9.9ce28, dt14ce28, dt16ce28) # NGK, BR7HS ) (Plug, Spark (br7hs))

под заказ860 руб.
833541-98002-000

под заказ0 руб.
933510-28300-000

под заказ0 руб.
933510-22010-000

Колпачок свечи зажигания - Cap Assy, Spark Plug (Cap Assy, Spark Plug)

1 шт2130 руб.
1033542-98000-000

Сальник высоковольтного провода - Seal, High Tension Cord (Seal, High Tension Cord)

под заказ340 руб.
1033542-38B00-000

   (актуальный код замены) Сальник высоковольтного провода - Seal, High Tension Cord

под заказ340 руб.
1033542-38B00-000

Сальник высоковольтного провода - Seal, High Tension Cord (Seal, hightension cord ) (Seal, High Tension Cord)

под заказ340 руб.
1137870-93112-000

Переключатель в сборе, Stop - Switch Assy, Stop (TO 37870-93113) (Switch Assy, Stop)

под заказ0 руб.
1137800-98572-000

   (актуальный код замены) Запчасть снята с производства - The Spare Part Is Laid Off

под заказ0 руб.
1137800-98572-000

Переключатель в сборе, Stop - Switch Assy, Stop (Switch assy, engine stop ) (Switch Assy, Stop)

под заказ0 руб.
1239601-96711-000

под заказ0 руб.
1239601-96712-000

   (актуальный код замены) Запчасть снята с производства - The Spare Part Is Laid Off

под заказ0 руб.
1239601-96712-000

(FROM 39601-96711)

под заказ0 руб.
1308322-21048-000

Шайба - Washer (Washer)

под заказ140 руб.
1308322-01047-000

   (актуальный код замены) Шайба - Washer

под заказ140 руб.
1308322-01047-000

Шайба - Washer (Washer)

под заказ140 руб.
1402112-04208-000

Винт - Screw (Screw)

под заказ100 руб.
1402112-0420A-000

   (актуальный код замены) Винт - Screw

под заказ100 руб.
1402112-0420A-000

Винт - Screw (Screw)

под заказ100 руб.
1509404-06401-000

Струбцина (l: 45) - Clamp (l:45) (Clamp (l:45))

под заказ170 руб.
1509404-06031-000

   (актуальный код замены) Струбцина, Rsvr Tank Ovfl Шланг - Clamp, Rsvr Tank Ovfl Hose

под заказ170 руб.
1509404-06206-000

Струбцина (l: 45) - Clamp (l:45) (Clamp (l:45))

под заказ170 руб.
1509404-06031-000

   (актуальный код замены) Струбцина, Rsvr Tank Ovfl Шланг - Clamp, Rsvr Tank Ovfl Hose

под заказ170 руб.


Время выполнения запроса 0.97101998329163 сек.

 
 

данный сайт носит информационный характер и не является публичной офертой

склад запчастей для водомоторной техники