Оригинальные запчасти на подвесной лодочный двигатель Suzuki - Electrical
вконтакте

Контактный телефон: +7 (981) 121-46-93, +7 (800) 200-90-76 , Email: parts-katalog@yandex.ru, где купить

 
 

  Логин:

Пароль:

Регистрация

www.partskatalog.ru Все каталоги Запчасти Mercury Запчасти Suzuki Запчасти Tohatsu Запчасти Honda Контакты



УВАЖАЕМЫЕ КЛИЕНТЫ!
C 19 ДЕКАБРЯ 2025 ПО 02 МАРТА 2026 ГОДА ОТДЕЛ ЗАПЧАСТЕЙ И СЕРВИС РАБОТАТЬ НЕ БУДУТ
ПРОДАЖА ЛОДОЧНЫХ МОТОРОВ В ШТАТНОМ РЕЖИМЕ
ОБ ИЗМЕНЕНИЯХ В ГРАФИКЕ РАБОТЫ ЧИТАЙТЕ НА САЙТА



назад Раздел:   вперёд

Вернуться к выбору узлов мотора


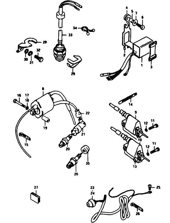
ДЕТАЛИРОВКА ДЛЯ МОДЕЛИ: SUZUKI DT20 D

Электрика


Год выпуска двигателя: 1979

Номер на
рисунке
АртикулНаименованиеQTYКол-во
на складе
Цена
132900-93230-000

(TO 32900-93231 ~DT16D-11442)

под заказ0 руб.
132900-93231-000

   (актуальный код замены) Запчасть снята с производства - The Spare Part Is Laid Off

под заказ0 руб.
132900-93231-000

под заказ0 руб.
232911-93200-000

под заказ0 руб.
309462-00017-000

Ремешок - Band (Band, c.d. unit ) (Band)

под заказ310 руб.
409320-08001-000

Подушка - Cushion (Cushion ) (Cushion)

под заказ210 руб.
409320-08527-000

   (актуальный код замены) Подушка - Cushion

под заказ210 руб.
509180-06044-000

Проставка (6.1x8x9.5) - Spacer (61x8x95) (6.1X8X9.5) (Spacer (6.1x8x9.5))

под заказ160 руб.
509180-06248-000

   (актуальный код замены) Проставка (6.1x8x9.5) - Spacer (6.1x8x9.5)

под заказ160 руб.
509180-06248-000

Проставка (6.1x8x9.5) - Spacer (61x8x95) (Spacer (6.1x8x9.5))

под заказ160 руб.
601107-06208-000

Болт - Bolt (Bolt)

под заказ150 руб.
601500-06207-000

   (актуальный код замены) Болт - Bolt

под заказ150 руб.
601500-06207-000

Болт - Bolt (Bolt)

под заказ150 руб.
709160-06007-000

Шайба (6.5x18x1.6) - Washer (65x18x16) (Washer (6.5x18x1.6))

под заказ130 руб.
709160-06084-000

   (актуальный код замены) Шайба (6.5x18x1.6) - Washer (6.5x18x1.6)

7 шт130 руб.
709160-06084-000

Шайба (6.5x18x1.6) - Washer (65x18x16) (Washer (6.5x18x1.6))

7 шт130 руб.
833410-93230-000

(TO 33410-93231 ~DT16D-11442)

под заказ0 руб.
833410-93231-000

   (актуальный код замены) Запчасть снята с производства - The Spare Part Is Laid Off

под заказ0 руб.
833410-93231-000

под заказ0 руб.
933411-96130-000

(E13)

под заказ0 руб.
1033412-96130-000

(E13)

под заказ0 руб.
1101107-06358-000

Болт - Bolt (E13) (Bolt)

под заказ190 руб.
1101500-06357-000

   (актуальный код замены) Болт - Bolt

под заказ190 руб.
1101500-06357-000

Болт - Bolt (Bolt)

под заказ190 руб.
1208321-21068-000

Шайба с блокировкой - Washer, Lock (E13) (Washer, Lock)

под заказ140 руб.
1208321-01067-000

   (актуальный код замены) Шайба с блокировкой - Washer, Lock

под заказ140 руб.
1208321-01067-000

Шайба с блокировкой - Washer, Lock (Washer, Lock)

под заказ140 руб.
1309180-06030-000

Проставка (6.5x10x10) - Spacer (65x10x10) (E13) (Spacer (6.5x10x10))

под заказ150 руб.
1309180-06310-000

   (актуальный код замены) Проставка (6.5x10x10) - Spacer (6.5x10x10)

под заказ150 руб.
1309180-06310-000

Проставка (6.5x10x10) - Spacer (65x10x10) (Spacer (6.8x10x10) ) (Spacer (6.5x10x10))

под заказ150 руб.
1409404-06401-000

Струбцина (l: 45) - Clamp (l:45) (L:50, E13) (Clamp (l:45))

под заказ170 руб.
1409404-06031-000

   (актуальный код замены) Струбцина, Rsvr Tank Ovfl Шланг - Clamp, Rsvr Tank Ovfl Hose

под заказ170 руб.
1409404-06206-000

Струбцина (l: 45) - Clamp (l:45) (Clamp (l:45))

под заказ170 руб.
1409404-06031-000

   (актуальный код замены) Струбцина, Rsvr Tank Ovfl Шланг - Clamp, Rsvr Tank Ovfl Hose

под заказ170 руб.
1509404-06401-000

Струбцина (l: 45) - Clamp (l:45) (Clamp (l:45))

под заказ170 руб.
1509404-06031-000

   (актуальный код замены) Струбцина, Rsvr Tank Ovfl Шланг - Clamp, Rsvr Tank Ovfl Hose

под заказ170 руб.
1509404-06206-000

Струбцина (l: 45) - Clamp (l:45) (Clamp (l:45))

под заказ170 руб.
1509404-06031-000

   (актуальный код замены) Струбцина, Rsvr Tank Ovfl Шланг - Clamp, Rsvr Tank Ovfl Hose

под заказ170 руб.
1601107-06408-000

Болт - Bolt (~DT9.9D-11726 ~DT14D-10351) (Bolt)

под заказ190 руб.
1601500-0640B-000

   (актуальный код замены) Болт - Bolt

под заказ190 руб.
1601500-0640B-000

Болт - Bolt (Bolt)

под заказ190 руб.
1601107-06458-000

Болт - Bolt (Bolt)

под заказ190 руб.
1601500-0645B-000

   (актуальный код замены) Болт - Bolt

под заказ190 руб.
1601500-0645B-000

Болт - Bolt (Bolt)

под заказ190 руб.
1708321-21068-000

Шайба с блокировкой - Washer, Lock (Washer, Lock)

под заказ140 руб.
1708321-01067-000

   (актуальный код замены) Шайба с блокировкой - Washer, Lock

под заказ140 руб.
1708321-01067-000

Шайба с блокировкой - Washer, Lock (Washer, Lock)

под заказ140 руб.
1809160-06031-000

Шайба (6.5x14x1.6) - Washer (65x14x16) (DT9.9D-11727~ DT14D-10352~) (Washer (6.5x14x1.6))

под заказ150 руб.
1809160-06125-000

   (актуальный код замены) Шайба (6.5x14x1.6) - Washer (6.5x14x1.6)

под заказ150 руб.
1809160-06125-000

Шайба (6.5x14x1.6) - Washer (65x14x16) (Washer (6.5x14x1.6) ) (Washer (6.5x14x1.6))

под заказ150 руб.
1909180-06067-000

Проставка (6.5x10.5x22.5) - Spacer (65x105x225) (Spacer, ignition coil # 6.5X10.5X22.5 ) (Spacer (6.5x10.5x22.5))

под заказ170 руб.
2009482-00082-000

Свеча зажигания (b7hs) - Plug, Spark (b7hs) (Spark plug assy # NGK, B7HS ) (Plug, Spark (b7hs))

под заказ600 руб.
2009482-00088-000

Свеча зажигания (br6hs) - Plug, Spark (br6hs) (Spark plug assy (dt9.9) # NGK, BR6HS ) (Plug, Spark (br6hs))

под заказ0 руб.
2009482-00095-000

Свеча зажигания (b-6h) - Plug, Spark (b-6h) (Spark plug assy (dt9.9 e13) # NGK, B6HS ) (Plug, Spark (b-6h))

под заказ630 руб.
2009482-00116-000

Свеча зажигания (br7hs) - Plug, Spark (br7hs) (Spark plug assy (dt9.9ce28, dt14ce28, dt16ce28) # NGK, BR7HS ) (Plug, Spark (br7hs))

под заказ860 руб.
2133510-41111-000

Колпачок свечи зажигания - Cap, Spark Plug (E13, TO 33510-95510 E38) (Cap, Spark Plug)

под заказ1900 руб.
2133510-20A02-000

   (актуальный код замены) Колпачок свечи зажигания - Cap, Spark Plug

под заказ1900 руб.
2133510-20A02-000

Колпачок свечи зажигания - Cap, Spark Plug (Cap, Spark Plug)

под заказ1900 руб.
2133510-93310-000

под заказнет сведений
2133510-22010-000

Колпачок свечи зажигания - Cap Assy, Spark Plug (Cap Assy, Spark Plug)

1 шт2130 руб.
2133541-93950-000

Сальник свечи зажигания Колпачок - Seal, Spark Plug Cap (Seal, Spark Plug Cap)

под заказ980 руб.
2233542-98000-000

Сальник высоковольтного провода - Seal, High Tension Cord (Seal, High Tension Cord)

под заказ340 руб.
2233542-38B00-000

   (актуальный код замены) Сальник высоковольтного провода - Seal, High Tension Cord

под заказ340 руб.
2233542-38B00-000

Сальник высоковольтного провода - Seal, High Tension Cord (Seal, hightension cord ) (Seal, High Tension Cord)

под заказ340 руб.
2337800-99015-000

Переключатель в сборе, Stop - Switch Assy, Stop (TO 37800-99016) (Switch Assy, Stop)

под заказ2760 руб.
2337800-93955-000

   (актуальный код замены) Переключатель в сборе, Stop - Switch Assy, Stop

под заказ2760 руб.
2337800-93954-000

Переключатель в сборе, Stop - Switch Assy, Stop (Switch assy, stop ) (Switch Assy, Stop)

под заказ2760 руб.
2337800-93955-000

   (актуальный код замены) Переключатель в сборе, Stop - Switch Assy, Stop

под заказ2760 руб.
2337800-99016-000

Переключатель в сборе, Stop - Switch Assy, Stop (Switch Assy, Stop)

под заказ2760 руб.
2337800-93955-000

   (актуальный код замены) Переключатель в сборе, Stop - Switch Assy, Stop

под заказ2760 руб.
2437800-93150-000

Переключатель в сборе, Stop - Switch Assy, Stop (FROM 37870-93113, E13) (Switch Assy, Stop)

под заказ0 руб.
2437800-98572-000

   (актуальный код замены) Запчасть снята с производства - The Spare Part Is Laid Off

под заказ0 руб.
2437800-98572-000

Переключатель в сборе, Stop - Switch Assy, Stop (Switch assy, engine stop ) (Switch Assy, Stop)

под заказ0 руб.
2437870-93113-000

Переключатель в сборе, Stop - Switch Assy, Stop (E13) (Switch Assy, Stop)

под заказ0 руб.
2437800-98572-000

   (актуальный код замены) Запчасть снята с производства - The Spare Part Is Laid Off

под заказ0 руб.
2437800-98572-000

Переключатель в сборе, Stop - Switch Assy, Stop (Switch assy, engine stop ) (Switch Assy, Stop)

под заказ0 руб.
2509125-06020-000

Винт (6x16) - Screw (6x16) (Screw (6x16))

под заказ220 руб.
2509125-06053-000

   (актуальный код замены) Винт (6x16) - Screw (6x16)

под заказ220 руб.
2509125-06053-000

Винт (6x16) - Screw (6x16) (Screw, tiller handle cover ) (Screw (6x16))

под заказ220 руб.
2609404-06402-000

Струбцина (l: 45) - Clamp (l:45) (TO 09404-06412) (Clamp (l:45))

под заказ170 руб.
2609404-06031-000

   (актуальный код замены) Струбцина, Rsvr Tank Ovfl Шланг - Clamp, Rsvr Tank Ovfl Hose

под заказ170 руб.
2609404-06206-000

Струбцина (l: 45) - Clamp (l:45) (Clamp (l:45))

под заказ170 руб.
2609404-06031-000

   (актуальный код замены) Струбцина, Rsvr Tank Ovfl Шланг - Clamp, Rsvr Tank Ovfl Hose

под заказ170 руб.
2739669-93500-000

(FROM 39669-93300)

под заказ0 руб.
2739669-93501-000

   (актуальный код замены) Запчасть снята с производства - The Spare Part Is Laid Off

под заказ0 руб.
2937725-93100-000

(DT9.9E03, DT9, 9YE03, DT16E3)

под заказ0 руб.
2937725-93101-000

   (актуальный код замены) Запчасть снята с производства - The Spare Part Is Laid Off

под заказ0 руб.
3009160-06015-000

Шайба (6.5x13x1.0) - Washer (65x13x10) (DT9.9E03, DT9, 9YE03, DT16E3) (Washer (6.5x13x1.0))

под заказ120 руб.
3009160-06082-000

   (актуальный код замены) Шайба (6.5x13x1.0) - Washer (6.5x13x1.0)

7 шт150 руб.
3009160-06082-000

Шайба (6.5x13x1.0) - Washer (65x13x10) (Washer (6.5x13x1.0))

7 шт150 руб.
3109162-06001-000

Шайба с блокировкой - Washer, Lock (DT9.9E03, DT9, 9YE03, DT16E3) (Washer, Lock)

под заказ160 руб.
3109162-06006-000

   (актуальный код замены) Шайба с блокировкой - Washer, Lock

под заказ160 руб.
3109162-06006-000

Шайба с блокировкой - Washer, Lock (Lock washer ) (Washer, Lock)

под заказ160 руб.
3209100-06018-000

Болт (6x12) - Bolt (6x12) (DT9.9E03, DT9, 9YE03, DT16E3) (Bolt (6x12))

под заказ160 руб.
3209100-06131-000

   (актуальный код замены) Болт (6x12) - Bolt (6x12)

под заказ160 руб.
3209100-06131-000

Болт (6x12) - Bolt (6x12) (Bolt (6x12))

под заказ160 руб.
3337721-95250-000

(DT9.9E03, DT9, 9YE03, DT16E3)

под заказ0 руб.
3337721-95200-000

   (актуальный код замены) Запчасть снята с производства - The Spare Part Is Laid Off

под заказ0 руб.
3409408-00020-000

Зажим - Clip (Clamp, lead wire # DT9.9E03, DT9, 9YE03, DT16E3 ) (Clip)

под заказ130 руб.


Время выполнения запроса 3.134742975235 сек.

 
 

данный сайт носит информационный характер и не является публичной офертой

склад запчастей для водомоторной техники