| |
 |
|
 |
Вернуться к выбору узлов мотора
ДЕТАЛИРОВКА ДЛЯ МОДЕЛИ: SUZUKI DT20 F
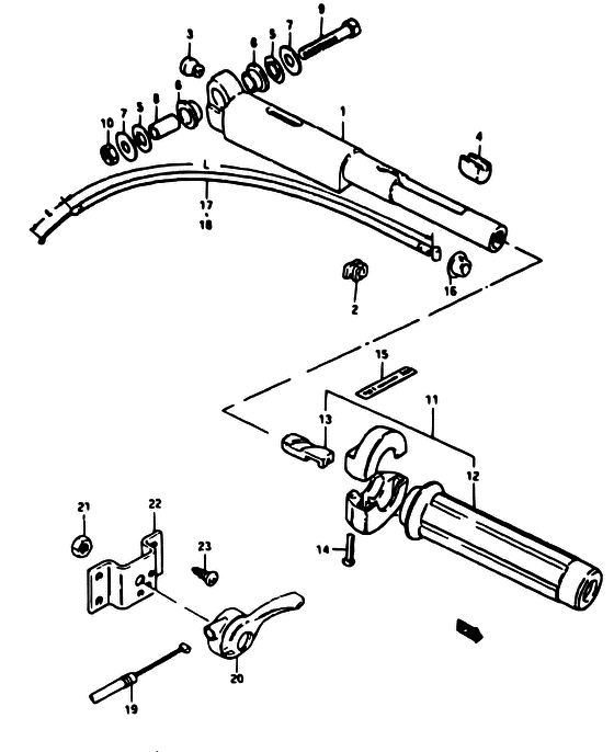
Handle - Рукоятка
Год выпуска двигателя: 1981
Номер на рисунке | Артикул | Наименование | QTY | Кол-во на складе | Цена |
| 1 | 63111-93102-01J | | | под заказ | 0 руб. |
| 1 | 63111-96100-0ED | (актуальный код замены) Запчасть снята с производства - The Spare Part Is Laid Off | | под заказ | 0 руб. |
| 2 | 63112-93103-000 | | | под заказ | 0 руб. |
| 3 | 09321-07001-000 | | | под заказ | 0 руб. |
| 4 | 63331-93100-000 | (TO 63331-93101) | | под заказ | 0 руб. |
| 4 | 63331-93101-000 | (актуальный код замены) Запчасть снята с производства - The Spare Part Is Laid Off | | под заказ | 0 руб. |
| 5 | 63321-99000-000 | | | под заказ | нет сведений |
| 5 | 09305-12011-000 | | | под заказ | 0 руб. |
| 5 | 63321-99001-000 | Седло, Румпель - Seat, Steering Handle (Seat, handle rubber ) (Seat, Steering Handle) | | под заказ | 0 руб. |
| 6 | 09305-12007-000 | | | под заказ | 0 руб. |
| 6 | 09305-12011-000 | (актуальный код замены) Запчасть снята с производства - The Spare Part Is Laid Off | | под заказ | 0 руб. |
| 7 | 09160-10041-000 | (10.3X25X1.6) | | под заказ | 0 руб. |
| 8 | 09303-10001-000 | (10.5X12.5X24) | | под заказ | 0 руб. |
| 9 | 09100-10091-000 | (10X55) | | под заказ | 0 руб. |
| 9 | 09100-10263-000 | (актуальный код замены) Запчасть снята с производства - The Spare Part Is Laid Off | | под заказ | 0 руб. |
| 10 | 09140-10017-000 | Гайка - Nut (Nut) | | под заказ | 160 руб. |
| 10 | 09140-10032-000 | (актуальный код замены) Гайка - Nut | | 10 шт | 160 руб. |
| 10 | 09140-10032-000 | Гайка - Nut (Nut) | | 10 шт | 160 руб. |
| 11 | 63200-93101-000 | Рукоятка в сборе, Handle - Grip Assy, Handle (TO 63200-93102) (Grip Assy, Handle) | | под заказ | 0 руб. |
| 11 | 63200-93103-000 | (актуальный код замены) Запчасть снята с производства - The Spare Part Is Laid Off | | под заказ | 0 руб. |
| 11 | 63200-93103-000 | Рукоятка в сборе, Handle - Grip Assy, Handle (Grip assy, throttle ) (Grip Assy, Handle) | | под заказ | 0 руб. |
| 12 | 63210-93101-000 | (TO 63210-93102) | | под заказ | 0 руб. |
| 12 | 63210-93102-000 | (актуальный код замены) Запчасть снята с производства - The Spare Part Is Laid Off | | под заказ | 0 руб. |
| 13 | 63214-93100-000 | | | под заказ | 0 руб. |
| 14 | 63218-93100-000 | | | под заказ | 0 руб. |
| 15 | 63215-93100-000 | (~DT9.9D-10351) | | под заказ | 0 руб. |
| 15 | 63215-93101-000 | Маркировка ручки румпеля - Mark, Handle Grip ( (ENGLISH+FRENCH)) (Mark, Handle Grip) | | под заказ | 320 руб. |
| 15 | 63215-93110-000 | (актуальный код замены) Маркировка ручки румпеля - Mark, Handle Grip | | под заказ | 320 руб. |
| 15 | 63215-93110-000 | Маркировка ручки румпеля - Mark, Handle Grip (Mark, handle grip ) (Mark, Handle Grip) | | под заказ | 320 руб. |
| 16 | 09306-08008-000 | | | под заказ | 0 руб. |
| 17 | 63610-96200-000 | (L:420, L:53.5) | | под заказ | 0 руб. |
| 18 | 63610-93100-000 | (L:420, L:53.5) | | под заказ | 0 руб. |
| 19 | 63610-93280-000 | (L:1500, L:110, OPT (DT9, 9YD)) | | под заказ | 0 руб. |
| 20 | 63400-99011-000 | (OPT (DT9, 9YD)) | | под заказ | 0 руб. |
| 20 | 63400-98900-000 | (актуальный код замены) Запчасть снята с производства - The Spare Part Is Laid Off | | под заказ | 0 руб. |
| 21 | 09140-06004-000 | Гайка - Nut (OPT (DT9, 9YD)) (Nut) | | под заказ | 150 руб. |
| 21 | 09140-06020-000 | (актуальный код замены) Гайка - Nut | | 9 шт | 150 руб. |
| 21 | 09140-06020-000 | Гайка - Nut (Nut) | | 9 шт | 150 руб. |
| 22 | 63621-93280-000 | (OPT (DT9, 9YD)) | | под заказ | 0 руб. |
| 23 | 03112-05209-000 | Винт - Screw (OPT (DT9, 9YD)) (Screw) | | под заказ | 150 руб. |
| 23 | 03111-0520A-000 | (актуальный код замены) Винт - Screw | | под заказ | 150 руб. |
| 23 | 03111-0520A-000 | Винт - Screw (Screw) | | под заказ | 150 руб. |
Время выполнения запроса 0.82595109939575 сек. |
|