Оригинальные запчасти на лодочный мотор Suzuki модель 1978 года - Топливный бак 1 - Fuel tank 1
вконтакте

Контактный телефон: +7 (981) 121-46-93, +7 (800) 200-90-76 , Email: parts-katalog@yandex.ru, где купить

 
 

  Логин:

Пароль:

Регистрация

www.partskatalog.ru Все каталоги Запчасти Mercury Запчасти Suzuki Запчасти Tohatsu Запчасти Honda Контакты

назад Раздел:   вперёд

Вернуться к выбору узлов мотора


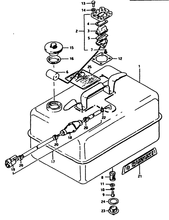
ДЕТАЛИРОВКА ДЛЯ МОДЕЛИ: SUZUKI DT20C C

Топливный бак 1


Год выпуска двигателя: 1978

Регион: General Export No.1 ,Код региона: P01

Найти запчасти, на подвесной лодочный двигатель, Suzuki  модель 1978 года, Топливный бак 1

Для данного раздела каталог не обнаружен



Время выполнения запроса 0.46893882751465 сек.

 
 

данный сайт носит информационный характер и не является публичной офертой

склад запчастей для водомоторной техники