Купить оригинальные запчасти на подвесной лодочный мотор Suzuki - Handle
вконтакте

Контактный телефон: +7 (981) 121-46-93, +7 (800) 200-90-76 , Email: parts-katalog@yandex.ru, где купить

 
 

  Логин:

Пароль:

Регистрация

www.partskatalog.ru Все каталоги Запчасти Mercury Запчасти Suzuki Запчасти Tohatsu Запчасти Honda Контакты



УВАЖАЕМЫЕ КЛИЕНТЫ!
C 19 ДЕКАБРЯ 2025 ПО 02 МАРТА 2026 ГОДА ОТДЕЛ ЗАПЧАСТЕЙ И СЕРВИС РАБОТАТЬ НЕ БУДУТ
ПРОДАЖА ЛОДОЧНЫХ МОТОРОВ В ШТАТНОМ РЕЖИМЕ
ОБ ИЗМЕНЕНИЯХ В ГРАФИКЕ РАБОТЫ ЧИТАЙТЕ НА САЙТА



назад Раздел:   вперёд

Вернуться к выбору узлов мотора


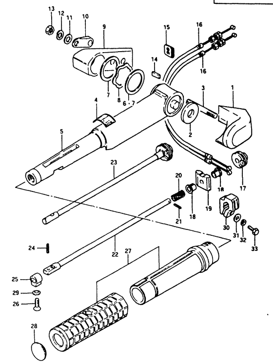
ДЕТАЛИРОВКА ДЛЯ МОДЕЛИ: SUZUKI DT20PVZ(G/J/VZ) Z

Handle


Год выпуска двигателя: 1982

Регион: General Export No.1 ,Код региона: P01

Номер на
рисунке
АртикулНаименованиеQTYКол-во
на складе
Цена
163121-93400-01J

(To 63121-93401-01j)

под заказ0 руб.
163121-93401-01J

   (актуальный код замены) Запчасть снята с производства - The Spare Part Is Laid Off

под заказ0 руб.
163121-93401-01J

под заказ0 руб.
263114-93200-000

(Spacer (14x31x3.5);)

под заказ0 руб.
309108-08063-000

Болт под шпильку - Bolt, Stud (Bolt, Stud)

под заказ0 руб.
463215-93400-000

Маркировка ручки румпеля - Mark, Handle Grip (Mark, handle grip # Mark, handle grip; ) (Mark, Handle Grip)

1 шт290 руб.
563111-93400-01J

(To 63111-93401-01j)

под заказ0 руб.
563111-93402-02M

   (актуальный код замены) Запчасть снята с производства - The Spare Part Is Laid Off

под заказ0 руб.
563111-93401-01J

под заказ0 руб.
563111-93402-02M

   (актуальный код замены) Запчасть снята с производства - The Spare Part Is Laid Off

под заказ0 руб.
709160-32004-000

Шайба (32.5x42x0.5) - Washer (325x42x05) (Washer (32.5x42x0.5) # Washer (32.5x42x0.5); ) (Washer (32.5x42x0.5))

под заказ230 руб.
809164-32001-000

под заказ0 руб.
963123-93400-01J

под заказ0 руб.
1063124-93401-01J

под заказ0 руб.
1109160-08015-000

Шайба (8.5x16x1.2) - Washer (85x16x12) (Washer (8.5x16x1.2))

под заказ120 руб.
1109160-08082-000

   (актуальный код замены) Шайба (8.5x16x1.2) - Washer (8.5x16x1.2)

13 шт120 руб.
1109160-08082-000

Шайба (8.5x16x1.2) - Washer (85x16x12) (Washer (8.5x16x1.2))

13 шт120 руб.
1209162-08003-000

Шайба с блокировкой - Washer, Lock (Washer, Lock)

под заказ160 руб.
1209162-08007-000

   (актуальный код замены) Шайба с блокировкой - Washer, Lock

под заказ160 руб.
1209162-08007-000

Шайба с блокировкой - Washer, Lock (Lock washer ) (Washer, Lock)

под заказ160 руб.
1309140-08003-000

Гайка - Nut (Nut)

под заказ190 руб.
1309140-08016-000

   (актуальный код замены) Гайка - Nut

под заказ190 руб.
1309140-08023-XC0

Гайка - Nut (Nut)

14 шт190 руб.
1463117-93400-000

(Protector, stop switch wire; Manusl starter)

под заказ0 руб.
1509309-06006-000

под заказ0 руб.
1663610-93400-000

Тросик дросселя, в сборе - Cable Assy, Throttle (Grip->lever) (Cable Assy, Throttle)

под заказ0 руб.
1663610-95D02-000

   (актуальный код замены) Запчасть снята с производства - The Spare Part Is Laid Off

под заказ0 руб.
1663610-95D02-000

Тросик дросселя, в сборе - Cable Assy, Throttle (Cable, throttle ) (Cable Assy, Throttle)

под заказ0 руб.
1763222-93200-000

Drum, Handle Тяга - Drum, Handle Rod (Drum, handle rod # Drum, handle rod; ~model j ) (Drum, Handle Rod)

под заказ0 руб.
1863225-93200-000

Втулка тяги румпеля - Bush, Handle Rod (Bush, handle rod # Bushing; ) (Bush, Handle Rod)

14 шт480 руб.
1963224-93202-000

под заказ0 руб.
2063226-93200-000

Пружина - Spring (Spring)

под заказ130 руб.
2009440-12027-000

   (актуальный код замены) Пружина - Spring

12 шт170 руб.
2009440-12027-000

Пружина - Spring (Spring)

12 шт170 руб.
2109205-03004-000

Стопор пружины (3x20) - Pin, Spring (3x20) (Pin, handle rod drum (l:20) # Pin, handle rod (l:20); ~model j ) (Pin, Spring (3x20))

под заказ120 руб.
2263221-93400-000

(~model j)

под заказ0 руб.
2363220-94300-000

Тяга румпеля - Rod, Handle (Model vz) (Rod, Handle)

под заказ5000 руб.
2363220-94304-000

   (актуальный код замены) Тяга румпеля - Rod, Handle

2 шт6250 руб.
2363220-94304-000

Тяга румпеля - Rod, Handle (Rod, Handle)

2 шт6250 руб.
2463227-93200-000

Штифт, Handle Тяга - Pin, Handle Rod (Pin, handle rod # Pin, handle rod (l:14); ) (Pin, Handle Rod)

под заказ220 руб.
2563223-93200-000

Стопор тяги румпеля - Stopper, Handle Rod (Stopper, Handle Rod)

под заказ430 руб.
2563223-92D00-000

   (актуальный код замены) Стопор тяги румпеля - Stopper, Handle Rod

под заказ430 руб.
2563223-92D00-000

Стопор тяги румпеля - Stopper, Handle Rod (Stopper, handle rod ) (Stopper, Handle Rod)

под заказ430 руб.
2609126-06004-000

под заказ0 руб.
2763210-93200-000

Рукоятка румпеля - Grip, Handle (Grip, Handle)

под заказ3390 руб.
2763210-93E30-000

   (актуальный код замены) Рукоятка румпеля - Grip, Handle

1 шт3390 руб.
2763210-93E30-000

Рукоятка румпеля - Grip, Handle (Grip, handle ) (Grip, Handle)

1 шт3390 руб.
2809250-25001-000

Колпачок (od: 30) - Cap (od:30) (Cap, end # Cap, end; Model pg, electric starter ) (Cap (od:30))

под заказ160 руб.
2909163-06001-000

Шайба с блокировкой - Washer, Lock (Washer, Lock)

13 шт120 руб.
3063241-94300-000

под заказ0 руб.
3109160-06015-000

Шайба (6.5x13x1.0) - Washer (65x13x10) (Washer (6.5x13x1.0))

под заказ120 руб.
3109160-06082-000

   (актуальный код замены) Шайба (6.5x13x1.0) - Washer (6.5x13x1.0)

7 шт150 руб.
3109160-06082-000

Шайба (6.5x13x1.0) - Washer (65x13x10) (Washer (6.5x13x1.0))

7 шт150 руб.
3209162-06001-000

Шайба с блокировкой - Washer, Lock (Washer, Lock)

под заказ160 руб.
3209162-06006-000

   (актуальный код замены) Шайба с блокировкой - Washer, Lock

под заказ160 руб.
3209162-06006-000

Шайба с блокировкой - Washer, Lock (Lock washer ) (Washer, Lock)

под заказ160 руб.
3309100-06019-000

Болт - Bolt (Bolt)

под заказ180 руб.
3301550-06167-000

   (актуальный код замены) Болт - Bolt

9 шт210 руб.
3301550-06167-000

Болт - Bolt (Bolt)

9 шт210 руб.


Время выполнения запроса 2.4299781322479 сек.

 
 

данный сайт носит информационный характер и не является публичной офертой

склад запчастей для водомоторной техники