| |
 |
|
 |
Вернуться к выбору узлов мотора
ДЕТАЛИРОВКА ДЛЯ МОДЕЛИ: SUZUKI DT20D D
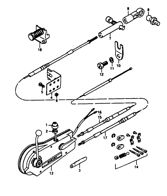
Дистанционное управление
Год выпуска двигателя: 1983
Регион: General Export No.1 ,Код региона: P01
Номер на рисунке | Артикул | Наименование | QTY | Кол-во на складе | Цена |
Warning: Undefined variable $NumPP in D:\www\www.partskatalog.ru\partsbase\base-outboard-suzuki-2.php on line 654
| | 67130-93200-000 | (Ref.no.1~7, to 67130-93201, dt9.9, dt14, dt16) | | под заказ | 0 руб. |
| | 67130-93202-000 | (актуальный код замены) Запчасть снята с производства - The Spare Part Is Laid Off | | под заказ | 0 руб. |
| | 67130-93201-000 | (Ref.no.1~12, to 67130-93202, dt9.9, dt14, dt16) | | под заказ | 0 руб. |
| | 67130-93202-000 | (актуальный код замены) Запчасть снята с производства - The Spare Part Is Laid Off | | под заказ | 0 руб. |
| 1 | 37870-93703-000 | (To 37870-93704, dt9.9, dt14, dt16) | | под заказ | 0 руб. |
| 1 | 37870-93704-000 | (актуальный код замены) Запчасть снята с производства - The Spare Part Is Laid Off | | под заказ | 0 руб. |
| 1 | 37870-93704-000 | (Dt9.9, dt14, dt16) | | под заказ | 0 руб. |
| 2 | 09140-14014-000 | Гайка - Nut (Dt9.9, dt14, dt16) (Nut) | | под заказ | 0 руб. |
| 2 | 09140-14030-000 | (актуальный код замены) Запчасть снята с производства - The Spare Part Is Laid Off | | под заказ | 0 руб. |
| 2 | 09140-14030-000 | Гайка - Nut (Nut) | | под заказ | 0 руб. |
| 3 | 09404-06401-000 | Струбцина (l: 45) - Clamp (l:45) (Dt9.9, dt14, dt16) (Clamp (l:45)) | | под заказ | 170 руб. |
| 3 | 09404-06031-000 | (актуальный код замены) Струбцина, Rsvr Tank Ovfl Шланг - Clamp, Rsvr Tank Ovfl Hose | | под заказ | 170 руб. |
| 3 | 09404-06206-000 | Струбцина (l: 45) - Clamp (l:45) (Clamp (l:45)) | | под заказ | 170 руб. |
| 3 | 09404-06031-000 | (актуальный код замены) Струбцина, Rsvr Tank Ovfl Шланг - Clamp, Rsvr Tank Ovfl Hose | | под заказ | 170 руб. |
| 4 | 67345-93701-000 | (Stopper, remote control cable; Dt9.9, dt14, dt16) | | под заказ | 0 руб. |
| 5 | 09125-05028-000 | Винт (5x12) - Screw (5x12) (Dt9.9, dt14, dt16) (Screw (5x12)) | | под заказ | 150 руб. |
| 5 | 09125-05046-000 | (актуальный код замены) Винт (5x12) - Screw (5x12) | | под заказ | 150 руб. |
| 5 | 09125-05046-000 | Винт (5x12) - Screw (5x12) (Screw (5x12) ) (Screw (5x12)) | | под заказ | 150 руб. |
| 6 | 09140-05001-000 | Гайка - Nut (Dt9.9, dt14, dt16) (Nut) | | под заказ | 220 руб. |
| 6 | 09140-05005-000 | (актуальный код замены) Гайка - Nut | | 10 шт | 270 руб. |
| 6 | 09140-05005-000 | Гайка - Nut (Nut) | | 10 шт | 270 руб. |
| 7 | 67440-93701-000 | Направляющая тросика сцепления - Guide, Clutch Cable (Guide, clutch cable # Guide, clutch cable; Dt9.9, dt14, dt16 ) (Guide, Clutch Cable) | | 7 шт | 2740 руб. |
| 8 | 09119-06047-000 | Стержень - Pivot (Pivot, ball # Ball, pivot; From 09119-06039, dt9.9, dt14, dt16 ) (Pivot) | | 21 шт | 520 руб. |
| 9 | 67466-95200-000 | Коннектор - Connector (Connector, throttle cable # Connector, cable (black); Dt9.9, dt14, dt16 ) (Connector) | | 18 шт | 560 руб. |
| 10 | 67345-93100-000 | (Dt9.9, dt14, dt16) | | под заказ | 0 руб. |
| 11 | 09162-06001-000 | Шайба с блокировкой - Washer, Lock (Dt9.9, dt14, dt16) (Washer, Lock) | | под заказ | 160 руб. |
| 11 | 09162-06006-000 | (актуальный код замены) Шайба с блокировкой - Washer, Lock | | под заказ | 160 руб. |
| 11 | 09162-06006-000 | Шайба с блокировкой - Washer, Lock (Lock washer ) (Washer, Lock) | | под заказ | 160 руб. |
| 12 | 09100-06058-000 | (Dt9.9, dt14, dt16) | | под заказ | 0 руб. |
| 13 | 67200-93200-000 | (To 67200-93201, dt9.9, dt14, dt16) | | под заказ | 0 руб. |
| 13 | 67200-93201-000 | (актуальный код замены) Запчасть снята с производства - The Spare Part Is Laid Off | | под заказ | 0 руб. |
| 13 | 67200-95200-000 | (To 67200-95201, dt9.9, dt14, dt16) | | под заказ | 0 руб. |
| 13 | 67200-95203-000 | (актуальный код замены) Запчасть снята с производства - The Spare Part Is Laid Off | | под заказ | 0 руб. |
| 14 | 67300-95810-000 | Держатель Set, Кабель дистанционного управления - Holder Set, Remocon Cable (Holder set, cable # Holder set; Dt9.9, dt14, dt16 ) (Holder Set, Remocon Cable) | | под заказ | 0 руб. |
| 15 | 67310-93600-000 | (Dt9.9) | | под заказ | 0 руб. |
| 15 | 67310-93610-000 | (Dt9.9) | | под заказ | 0 руб. |
| 15 | 67310-93620-000 | (Dt9.9) | | под заказ | 0 руб. |
| 15 | 67310-93630-000 | (Dt9.9) | | под заказ | 0 руб. |
| 15 | 67310-93640-000 | (Dt9.9) | | под заказ | 0 руб. |
| 15 | 67310-93650-000 | (Dt9.9) | | под заказ | 0 руб. |
| 16 | 67310-93200-000 | (Dt14, dt16) | | под заказ | 0 руб. |
| 16 | 67310-93210-000 | (Dt14, dt16) | | под заказ | 0 руб. |
| 16 | 67310-93220-000 | (Dt14, dt16) | | под заказ | 0 руб. |
| 16 | 67310-93230-000 | (Dt14, dt16) | | под заказ | 0 руб. |
| 16 | 67310-93240-000 | (Dt14, dt16) | | под заказ | 0 руб. |
| 16 | 67310-93250-000 | (Dt14, dt16) | | под заказ | 0 руб. |
| 17 | 67320-95750-000 | Тросик дистанционного управления (10f: 3.1m) - Cable Assy, Remocon (10f:31m) (Dt9.9, dt14, dt16) (Cable Assy, Remocon (10f:3.1m)) | | под заказ | 6340 руб. |
| 17 | 67320-93J10-000 | (актуальный код замены) Тросик дистанционного управления (10f: 3.1m) - Cable Assy, Remocon (10f:3.1m) | | под заказ | 6340 руб. |
| 17 | 67320-93J10-000 | Тросик дистанционного управления (10f: 3.1m) - Cable Assy, Remocon (10f:31m) (Cable Assy, Remocon (10f:3.1m)) | | под заказ | 6340 руб. |
| 17 | 67320-95740-000 | Тросик дистанционного управления (10f: 3.1m) - Cable Assy, Remocon (10f:31m) (Dt9.9, dt14, dt16) (Cable Assy, Remocon (10f:3.1m)) | | под заказ | 6340 руб. |
| 17 | 67320-93J10-000 | (актуальный код замены) Тросик дистанционного управления (10f: 3.1m) - Cable Assy, Remocon (10f:3.1m) | | под заказ | 6340 руб. |
| 17 | 67320-93J10-000 | Тросик дистанционного управления (10f: 3.1m) - Cable Assy, Remocon (10f:31m) (Cable Assy, Remocon (10f:3.1m)) | | под заказ | 6340 руб. |
| 17 | 67320-95730-000 | Тросик дистанционного управления (12f: 3.7m) - Cable Assy, Remocon (12f:37m) (Dt9.9, dt14, dt16) (Cable Assy, Remocon (12f:3.7m)) | | под заказ | 6920 руб. |
| 17 | 67320-93J20-000 | (актуальный код замены) Тросик дистанционного управления (12f: 3.7m) - Cable Assy, Remocon (12f:3.7m) | | под заказ | 6920 руб. |
| 17 | 67320-93J20-000 | Тросик дистанционного управления (12f: 3.7m) - Cable Assy, Remocon (12f:37m) (Cable Assy, Remocon (12f:3.7m)) | | под заказ | 6920 руб. |
| 17 | 67320-95720-000 | Тросик дистанционного управления (14f: 4.2m) - Cable Assy, Remocon (14f:42m) (Dt9.9, dt14, dt16) (Cable Assy, Remocon (14f:4.2m)) | | под заказ | 7490 руб. |
| 17 | 67320-93J30-000 | (актуальный код замены) Тросик дистанционного управления (14f: 4.2m) - Cable Assy, Remocon (14f:4.2m) | | 3 шт | 7490 руб. |
| 17 | 67320-93J30-000 | Тросик дистанционного управления (14f: 4.2m) - Cable Assy, Remocon (14f:42m) (Cable Assy, Remocon (14f:4.2m)) | | 3 шт | 7490 руб. |
| 17 | 67320-95710-000 | Тросик дистанционного управления (16f: 4.8m) - Cable Assy, Remocon (16f:48m) (Dt9.9, dt14, dt16) (Cable Assy, Remocon (16f:4.8m)) | | под заказ | 8020 руб. |
| 17 | 67320-93J40-000 | (актуальный код замены) Тросик дистанционного управления (16f: 4.8m) - Cable Assy, Remocon (16f:4.8m) | | под заказ | 8020 руб. |
| 17 | 67320-93J40-000 | Тросик дистанционного управления (16f: 4.8m) - Cable Assy, Remocon (16f:48m) (Cable Assy, Remocon (16f:4.8m)) | | под заказ | 8020 руб. |
| 17 | 67320-95200-000 | Тросик дистанционного управления (18f: 5.4m) - Cable Assy, Remocon (18f:54m) (Dt9.9, dt14, dt16) (Cable Assy, Remocon (18f:5.4m)) | | под заказ | 8600 руб. |
| 17 | 67320-93J50-000 | (актуальный код замены) Тросик дистанционного управления (18f: 5.4m) - Cable Assy, Remocon (18f:5.4m) | | под заказ | 8600 руб. |
| 17 | 67320-93J50-000 | Тросик дистанционного управления (18f: 5.4m) - Cable Assy, Remocon (18f:54m) (Cable Assy, Remocon (18f:5.4m)) | | под заказ | 8600 руб. |
| 18 | 67100-99700-000 | Соединитель Set, Strg Шнур End - Attachment Set, Strg Rope End (Dt9.9, dt14, dt16) (Attachment Set, Strg Rope End) | | под заказ | 15220 руб. |
| 18 | 67110-99710-000 | (актуальный код замены) Соединитель Set, Strg Шнур End - Attachment Set, Strg Rope End | | под заказ | 15220 руб. |
| 18 | 67110-99710-000 | Соединитель Set, Strg Шнур End - Attachment Set, Strg Rope End (Attachment Set, Strg Rope End) | | под заказ | 15220 руб. |
Время выполнения запроса 2.4432229995728 сек. |
|