| |
 |
|
 |
Вернуться к выбору узлов мотора
ДЕТАЛИРОВКА ДЛЯ МОДЕЛИ: SUZUKI DT20F F
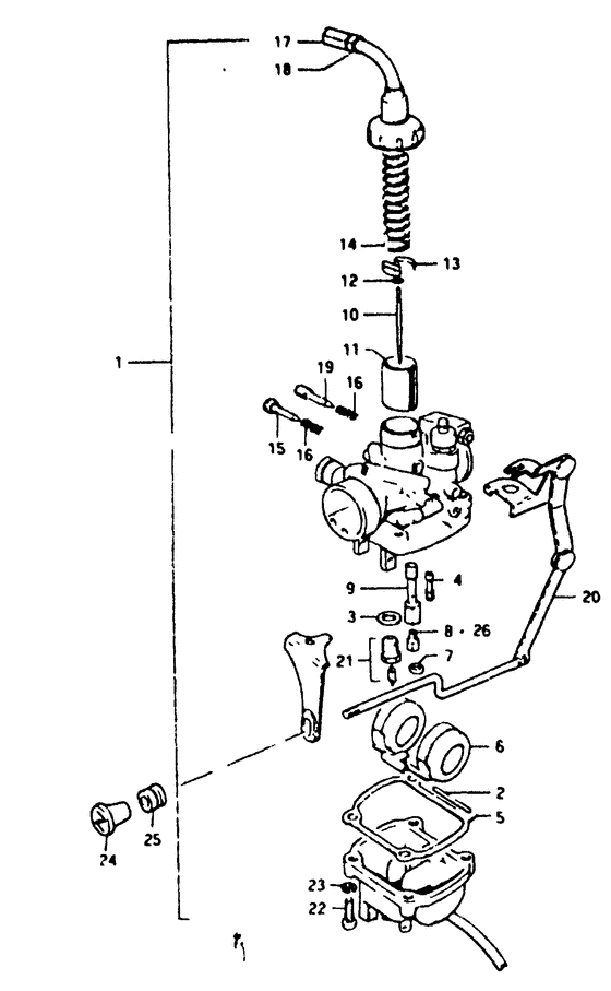
Карбюратор
Год выпуска двигателя: 1985
Регион: General Export No.1 ,Код региона: P01
Номер на рисунке | Артикул | Наименование | QTY | Кол-во на складе | Цена |
| 1 | 13200-93630-000 | (Stamp:93630) | | под заказ | 0 руб. |
| 1 | 13200-93631-000 | (актуальный код замены) Запчасть снята с производства - The Spare Part Is Laid Off | | под заказ | 0 руб. |
| 1 | 13200-93631-000 | (Stamp:93631, from 13200-93630) | | под заказ | 0 руб. |
| 1 | 13200-93632-000 | (Stamp:93632) | | под заказ | 0 руб. |
| 2 | 13254-01010-000 | Стопор поплавка - Pin, Float (Pin, float; ) (Pin, Float) | | под заказ | 290 руб. |
| 3 | 13392-01010-000 | Прокладка, Игольчатый клапан - Gasket, Needle Valve (Gasket, valve seat ) (Gasket, Needle Valve) | | под заказ | 150 руб. |
| 4 | 09492-20002-000 | Контрольная форсунка - Jet, Pilot (Jet, Pilot) | | под заказ | 970 руб. |
| 4 | 09492-20008-000 | (актуальный код замены) Контрольная форсунка - Jet, Pilot | | под заказ | 970 руб. |
| 4 | 09492-20008-000 | Контрольная форсунка - Jet, Pilot (Jet, pilot (20) ) (Jet, Pilot) | | под заказ | 970 руб. |
| 5 | 13251-98011-000 | | | под заказ | 0 руб. |
| 6 | 13252-02010-000 | Поплавок - Float (Folat # Folat; ) (Float) | | под заказ | 0 руб. |
| 7 | 13691-98010-000 | | | под заказ | 0 руб. |
| 8 | 09491-30001-000 | (Jet, main (150);) | | под заказ | 0 руб. |
| 9 | 09494-00071-000 | Игольчатый клапан (e-1) - Jet, Needle (e-1) (Jet, Needle (e-1)) | | под заказ | 0 руб. |
| 10 | 13383-19600-000 | иголка, Jet - Needle, Jet (Needle, Jet) | | под заказ | 0 руб. |
| 11 | 13551-98012-000 | | | под заказ | 0 руб. |
| 12 | 13394-12110-000 | | | под заказ | 0 руб. |
| 13 | 13581-01010-000 | Пластина - Plate (Plate) | | под заказ | 500 руб. |
| 13 | 13581-07910-000 | (актуальный код замены) Пластина - Plate | | под заказ | 500 руб. |
| 13 | 13581-07910-000 | Пластина - Plate (Plate) | | под заказ | 500 руб. |
| 14 | 13573-01010-000 | Пружина клапана дросселя - Spring, Throttle Valve (Spring, valve return # Spring, valve return; ) (Spring, Throttle Valve) | | под заказ | 480 руб. |
| 15 | 13267-98010-000 | | | под заказ | 0 руб. |
| 15 | 13267-93600-000 | | | под заказ | 0 руб. |
| 16 | 13268-95110-000 | Пружина - Spring (Spring) | | под заказ | 350 руб. |
| 16 | 13268-35010-000 | (актуальный код замены) Пружина - Spring | | под заказ | 350 руб. |
| 16 | 13268-35010-000 | Пружина - Spring (Spring) | | под заказ | 350 руб. |
| 17 | 13577-98011-000 | | | под заказ | 0 руб. |
| 18 | 13661-03010-000 | Гайка - Nut (Nut, adjuster # Nut, adjuster; ) (Nut) | | под заказ | 350 руб. |
| 18 | 13661-16600-000 | Гайка - Nut (Nut, adjuster # Nut, adjuster; ) (Nut) | | под заказ | 390 руб. |
| 19 | 13269-01010-000 | Винт контроля воздуха - Screw, Pilot Air (Screw, pilot air # Screw, pilot air; ) (Screw, Pilot Air) | | под заказ | 1160 руб. |
| 20 | 13413-93630-000 | | | под заказ | 0 руб. |
| 21 | 13370-93631-000 | (From 13370-23010) | | под заказ | 0 руб. |
| 22 | 13601-03068-000 | Винт - Screw (Screw) | | под заказ | 220 руб. |
| 23 | 13571-96110-000 | | | под заказ | 0 руб. |
| 24 | 13631-99002-000 | Рукоятка стартера - Knob, Starter (To 13631-93500) (Knob, Starter) | | под заказ | 460 руб. |
| 24 | 13631-93501-000 | (актуальный код замены) Рукоятка стартера - Knob, Starter | | 2 шт | 460 руб. |
| 24 | 13631-93501-000 | Рукоятка стартера - Knob, Starter (Knob, Starter) | | 2 шт | 460 руб. |
| 25 | 09305-04003-000 | Втулка - Bush (Bush) | | под заказ | 160 руб. |
| 25 | 09320-04013-000 | (актуальный код замены) Подушка, Muf Cov - Cushion, Muf Cov | | под заказ | 160 руб. |
| 25 | 09320-04009-000 | Втулка - Bush (Bush) | | под заказ | 160 руб. |
| 25 | 09320-04013-000 | (актуальный код замены) Подушка, Muf Cov - Cushion, Muf Cov | | под заказ | 160 руб. |
| 26 | 09491-29008-000 | (Jet, main (145); Opt) | | под заказ | 0 руб. |
| 26 | 09491-28001-000 | (Opt) | | под заказ | 0 руб. |
| 26 | 09491-31006-000 | (Jet, main (155); Opt) | | под заказ | нет сведений |
Время выполнения запроса 1.609414100647 сек. |
|