| |
 |
|
 |
Вернуться к выбору узлов мотора
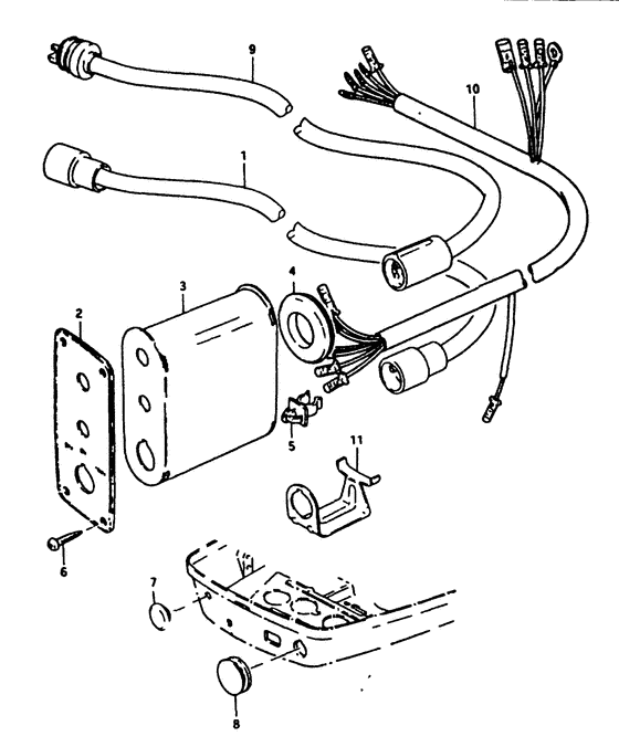
ДЕТАЛИРОВКА ДЛЯ МОДЕЛИ: SUZUKI DT20F F
Remote starting kit
Год выпуска двигателя: 1985
Регион: General Export No.1 ,Код региона: P01
Номер на рисунке | Артикул | Наименование | QTY | Кол-во на складе | Цена |
Warning: Undefined variable $NumPP in D:\www\www.partskatalog.ru\partsbase\base-outboard-suzuki-2.php on line 654
| | 33300-93820-000 | (To 33300-93821, dt20, dt25, dt28) | | под заказ | 0 руб. |
| | 33300-93821-000 | (актуальный код замены) Запчасть снята с производства - The Spare Part Is Laid Off | | под заказ | 0 руб. |
| | 33300-93840-000 | (Dt20, dt25, dt28) | | под заказ | 0 руб. |
| 1 | 36620-93350-000 | (Dt20, dt25, dt28) | | под заказ | 0 руб. |
| 2 | 37139-95250-000 | (To 37139-95251, dt20, dt25, dt28) | | под заказ | 0 руб. |
| 2 | 37139-95251-000 | (актуальный код замены) Запчасть снята с производства - The Spare Part Is Laid Off | | под заказ | 0 руб. |
| 2 | 37139-95251-000 | (Dt20, dt25, dt28) | | под заказ | 0 руб. |
| 3 | 37143-95250-000 | (Dt20, dt25, dt28) | | под заказ | 0 руб. |
| 4 | 36657-95250-000 | (Dt20, dt25, dt28) | | под заказ | 0 руб. |
| 5 | 09403-09309-000 | Струбцина - Clamp (Clamp, switch housing # Dt20, dt25, dt28 ) (Clamp) | | под заказ | 240 руб. |
| 6 | 03112-05209-000 | Винт - Screw (Dt20, dt25, dt28) (Screw) | | под заказ | 150 руб. |
| 6 | 03111-0520A-000 | (актуальный код замены) Винт - Screw | | под заказ | 150 руб. |
| 6 | 03111-0520A-000 | Винт - Screw (Screw) | | под заказ | 150 руб. |
| 7 | 37101-93300-000 | Колпачок (od: 20) - Cap (od:20) (To 37101-93301, dt20, dt25, dt28) (Cap (od:20)) | | под заказ | 160 руб. |
| 7 | 09250-12016-000 | (актуальный код замены) Колпачок (od: 20) - Cap (od:20) | | под заказ | 160 руб. |
| 7 | 09250-12006-000 | Колпачок (od: 20) - Cap (od:20) (Cap (od:20)) | | под заказ | 160 руб. |
| 7 | 09250-12016-000 | (актуальный код замены) Колпачок (od: 20) - Cap (od:20) | | под заказ | 160 руб. |
| 7 | 37101-93301-000 | Колпачок (od: 20) - Cap (od:20) (Dt20, dt25, dt28) (Cap (od:20)) | | под заказ | 160 руб. |
| 7 | 09250-12016-000 | (актуальный код замены) Колпачок (od: 20) - Cap (od:20) | | под заказ | 160 руб. |
| 8 | 09250-20004-000 | (Cap, ignition switch; *model frter, dt20, dt25, dt28) | | под заказ | 0 руб. |
| 9 | 36620-93300-000 | (Dt20, dt25, dt28) | | под заказ | 0 руб. |
| 11 | 37150-95250-000 | (From 37150-95200, dt20, dt25, dt28) | | под заказ | 0 руб. |
Время выполнения запроса 1.4163620471954 сек. |
|