Оригинальные запчасти на подвесной двигатель Suzuki модель 1986 года - Starter
вконтакте

Контактный телефон: +7 (981) 121-46-93, +7 (800) 200-90-76 , Email: parts-katalog@yandex.ru, где купить

 
 

  Логин:

Пароль:

Регистрация

www.partskatalog.ru Все каталоги Запчасти Mercury Запчасти Suzuki Запчасти Tohatsu Запчасти Honda Контакты



УВАЖАЕМЫЕ КЛИЕНТЫ!
C 19 ДЕКАБРЯ 2025 ПО 02 МАРТА 2026 ГОДА ОТДЕЛ ЗАПЧАСТЕЙ И СЕРВИС РАБОТАТЬ НЕ БУДУТ
ПРОДАЖА ЛОДОЧНЫХ МОТОРОВ В ШТАТНОМ РЕЖИМЕ
ОБ ИЗМЕНЕНИЯХ В ГРАФИКЕ РАБОТЫ ЧИТАЙТЕ НА САЙТА



назад Раздел:   вперёд

Вернуться к выбору узлов мотора


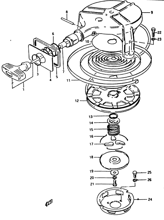
ДЕТАЛИРОВКА ДЛЯ МОДЕЛИ: SUZUKI DT20PG(G/J/VZ) G

Стартер


Год выпуска двигателя: 1986

Регион: General Export No.1 ,Код региона: P01


Warning: Undefined variable $NumPP in D:\www\www.partskatalog.ru\partsbase\base-outboard-suzuki-2.php on line 654
Номер на
рисунке
АртикулНаименованиеQTYКол-во
на складе
Цена
 18100-93303-000

под заказ0 руб.
 18100-93305-000

   (актуальный код замены) Запчасть снята с производства - The Spare Part Is Laid Off

под заказ0 руб.
118200-93000-000

(From 18200-93821)

под заказ0 руб.
118210-93002-000

Рукоятка в сборе - Grip Assy (Grip Assy)

1 шт1150 руб.
218210-93001-000

Рукоятка в сборе - Grip Assy (Grip Assy)

под заказ1150 руб.
218210-93002-000

   (актуальный код замены) Рукоятка в сборе - Grip Assy

1 шт1150 руб.
218210-93002-000

Рукоятка в сборе - Grip Assy (Grip Assy)

1 шт1150 руб.
318195-93000-000

(From 18238-93000)

под заказ0 руб.
418191-93000-000

Направляющая пластина - Plate, Guide (From 18231-93000 ) (Plate, Guide)

под заказ0 руб.
518192-93000-000

Направляющая пластина - Plate, Guide (Rubber, guide plate # From 18233-93000 ) (Plate, Guide)

под заказ910 руб.
618196-93000-000

(Spring, guide plate; From 18236-93000)

под заказ0 руб.
718184-93000-000

(From 18181-93000)

под заказ0 руб.
818344-93000-000

(From 18185-93000)

под заказ0 руб.
918111-93301-000

под заказ0 руб.
918111-93302-000

   (актуальный код замены) Запчасть снята с производства - The Spare Part Is Laid Off

под заказ0 руб.
1018144-93000-000

(From 18138-93000)

под заказ0 руб.
1118142-93000-000

(Spring, starter roll;)

под заказ0 руб.
1218121-93301-000

под заказ0 руб.
1218120-93301-000

   (актуальный код замены) Запчасть снята с производства - The Spare Part Is Laid Off

под заказ0 руб.
1318346-93000-000

(From 18147-93000)

под заказ0 руб.
1418157-93001-000

(From 18143-93001)

под заказ0 руб.
1518153-93000-000

(From 18145-93000)

под заказ0 руб.
1618155-93000-000

Пружина - Spring (Spring, drive pawl ) (Spring)

под заказ0 руб.
1718131-93000-000

Храповик, установочный комплект - Ratchet Set (Ratchet Set)

под заказ3800 руб.
1718130-93000-000

   (актуальный код замены) Храповик, установочный комплект - Ratchet Set

под заказ3800 руб.
1718130-93000-000

Храповик, установочный комплект - Ratchet Set (Ratchet Set)

под заказ3800 руб.
1818151-93000-000

под заказ0 руб.
1818150-93000-000

   (актуальный код замены) Запчасть снята с производства - The Spare Part Is Laid Off

под заказ0 руб.
1918335-93000-000

(Washer; From 18146-93000)

под заказ0 руб.
2008321-21068-000

Шайба с блокировкой - Washer, Lock (Washer, Lock)

под заказ140 руб.
2008321-01067-000

   (актуальный код замены) Шайба с блокировкой - Washer, Lock

под заказ140 руб.
2008321-01067-000

Шайба с блокировкой - Washer, Lock (Washer, Lock)

под заказ140 руб.
2018337-93000-000

под заказ0 руб.
2101107-06168-000

Болт - Bolt (Bolt)

под заказ150 руб.
2101500-06167-000

   (актуальный код замены) Болт - Bolt

под заказ150 руб.
2101500-06167-000

Болт - Bolt (Bolt, fuel cooler ) (Bolt)

под заказ150 руб.
2118332-93000-000

под заказ0 руб.
2201107-06258-000

Болт - Bolt (Bolt)

под заказ150 руб.
2201500-06257-000

   (актуальный код замены) Болт - Bolt

под заказ150 руб.
2201500-06257-000

Болт - Bolt (Bolt)

под заказ150 руб.
2308321-21068-000

Шайба с блокировкой - Washer, Lock (Washer, Lock)

под заказ140 руб.
2308321-01067-000

   (актуальный код замены) Шайба с блокировкой - Washer, Lock

под заказ140 руб.
2308321-01067-000

Шайба с блокировкой - Washer, Lock (Washer, Lock)

под заказ140 руб.
2418411-93000-000

под заказ0 руб.
2501107-06168-000

Болт - Bolt (Bolt)

под заказ150 руб.
2501500-06167-000

   (актуальный код замены) Болт - Bolt

под заказ150 руб.
2501500-06167-000

Болт - Bolt (Bolt, fuel cooler ) (Bolt)

под заказ150 руб.
2608321-21068-000

Шайба с блокировкой - Washer, Lock (Washer, Lock)

под заказ140 руб.
2608321-01067-000

   (актуальный код замены) Шайба с блокировкой - Washer, Lock

под заказ140 руб.
2608321-01067-000

Шайба с блокировкой - Washer, Lock (Washer, Lock)

под заказ140 руб.


Время выполнения запроса 1.9789299964905 сек.

 
 

данный сайт носит информационный характер и не является публичной офертой

склад запчастей для водомоторной техники