Запчасти на лодочный мотор Suzuki модель 1988 года - Transmission - Трансмиссия
вконтакте

Контактный телефон: +7 (981) 121-46-93, +7 (800) 200-90-76 , Email: parts-katalog@yandex.ru, где купить

 
 

  Логин:

Пароль:

Регистрация

www.partskatalog.ru Все каталоги Запчасти Mercury Запчасти Suzuki Запчасти Tohatsu Запчасти Honda Контакты



УВАЖАЕМЫЕ КЛИЕНТЫ!
C 19 ДЕКАБРЯ 2025 ПО 02 МАРТА 2026 ГОДА ОТДЕЛ ЗАПЧАСТЕЙ И СЕРВИС РАБОТАТЬ НЕ БУДУТ
ПРОДАЖА ЛОДОЧНЫХ МОТОРОВ В ШТАТНОМ РЕЖИМЕ
ОБ ИЗМЕНЕНИЯХ В ГРАФИКЕ РАБОТЫ ЧИТАЙТЕ НА САЙТА



назад Раздел:   вперёд

Вернуться к выбору узлов мотора


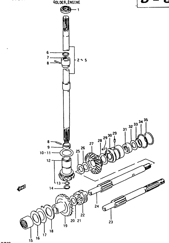
ДЕТАЛИРОВКА ДЛЯ МОДЕЛИ: SUZUKI DT20PJ(G/J/VZ) J

Трансмиссия


Год выпуска двигателя: 1988

Регион: General Export No.1 ,Код региона: P01

Номер на
рисунке
АртикулНаименованиеQTYКол-во
на складе
Цена
109289-15004-000

Сальник (14.2x25x7) - Seal, Oil (142x25x7) (15x25x7, to 09289-15009) (Seal, Oil (14.2x25x7))

под заказ0 руб.
109289-15009-000

   (актуальный код замены) Запчасть снята с производства - The Spare Part Is Laid Off

под заказ0 руб.
109289-15009-000

Сальник (14.2x25x7) - Seal, Oil (142x25x7) (Oil seal, drive shaft ) (Seal, Oil (14.2x25x7))

под заказ0 руб.
109289-15009-000

Сальник (14.2x25x7) - Seal, Oil (142x25x7) (Oil seal, drive shaft # Oil seal, drive shaft; 15x25x7, *mark ) (Seal, Oil (14.2x25x7))

под заказ0 руб.
257110-93701-000

(From 57110-93700)

под заказ0 руб.
257110-93X00-000

   (актуальный код замены) Запчасть снята с производства - The Spare Part Is Laid Off

под заказ0 руб.
357110-93001-000

(From 57110-93000)

под заказ0 руб.
357110-93X01-000

   (актуальный код замены) Запчасть снята с производства - The Spare Part Is Laid Off

под заказ0 руб.
457110-93711-000

(Shaft, drive (ll type, l:854); From 57110-93710)

под заказ0 руб.
457110-93X02-000

   (актуальный код замены) Запчасть снята с производства - The Spare Part Is Laid Off

под заказ0 руб.
557110-93721-000

(Shaft, drive (ul type, l:923); From 57110-93720)

под заказ0 руб.
609280-15003-000

Уплотнительное кольцо (d: 2.4, Id: 14.8) - O Ring (d:24, Id:148) (O ring (id:14.8, dd:2.4) # O ring (d:2.4, id:14.8); ) (O Ring (d:2.4, Id:14.8))

6 шт190 руб.
757116-93000-000

под заказ0 руб.
809205-02002-000

под заказ0 руб.
909180-15023-000

(Spacer, lower (15x19.5x6);)

под заказ0 руб.
1257310-93005-000

(Pinion assy (nt:12); From 57300-93813)

под заказ0 руб.
1309381-12002-000

под заказ0 руб.
1408331-31128-000

Стопорное кольцо - Circlip (Circlip)

под заказ130 руб.
1408331-3112A-000

   (актуальный код замены) Стопорное кольцо - Circlip

23 шт130 руб.
1408331-3112A-000

Стопорное кольцо - Circlip (Circlip)

23 шт130 руб.
1509263-24010-000

Подшипник (24x32x20) - Bearing (24x32x20) (Bearing, pinion (24x32x20) ) (Bearing (24x32x20))

под заказ3240 руб.
1857515-93000-000

под заказ0 руб.
1957510-93005-000

(To 57510-93006)

под заказ0 руб.
1957310-93810-000

   (актуальный код замены) Запчасть снята с производства - The Spare Part Is Laid Off

под заказ0 руб.
1957510-93006-000

под заказ0 руб.
1957310-93810-000

   (актуальный код замены) Запчасть снята с производства - The Spare Part Is Laid Off

под заказ0 руб.
2008211-16202-000

Регулировочная шайба (16x20x1.5) - Shim (16x20x15) (Washer (t:1.5);) (Shim (16x20x1.5))

под заказ0 руб.
2009181-16128-000

   (актуальный код замены) Запчасть снята с производства - The Spare Part Is Laid Off

под заказ0 руб.
2009181-16128-000

Регулировочная шайба (16x20x1.5) - Shim (16x20x15) (Washer, prop rev (t:1.5) ) (Shim (16x20x1.5))

под заказ0 руб.
2257621-93400-000

(To 57621-93401)

под заказ0 руб.
2257621-93401-000

   (актуальный код замены) Запчасть снята с производства - The Spare Part Is Laid Off

под заказ0 руб.
2257621-93401-000

под заказ0 руб.
2357610-93020-000

(Spline type)

под заказ0 руб.
2357610-93021-000

   (актуальный код замены) Запчасть снята с производства - The Spare Part Is Laid Off

под заказ0 руб.
2457610-93010-000

(E9, e13, shear pin type)

под заказ0 руб.
2457610-93011-000

   (актуальный код замены) Запчасть снята с производства - The Spare Part Is Laid Off

под заказ0 руб.
2757520-93004-000

Шестерня обратного хода - Gear, Revers (To 57520-93005) (Gear, Revers)

под заказ0 руб.
2757520-93005-000

   (актуальный код замены) Запчасть снята с производства - The Spare Part Is Laid Off

под заказ0 руб.
2757520-93005-000

Шестерня обратного хода - Gear, Revers (Gear, reverse (nt:21) ) (Gear, Revers)

под заказ0 руб.
2809160-19009-000

(Thrust washer (19x32x1.5);)

под заказ0 руб.
2909205-03010-000

Стопор пружины (3x8) - Pin, Spring (3x8) (Dowel pin;) (Pin, Spring (3x8))

под заказ130 руб.
2909205-03032-000

   (актуальный код замены) Стопор пружины (3x8) - Pin, Spring (3x8)

под заказ130 руб.
2909205-03032-000

Стопор пружины (3x8) - Pin, Spring (3x8) (Pin (3x8) ) (Pin, Spring (3x8))

под заказ130 руб.
3056110-93000-000

Корпус в сборе, Подшипник - Housing Assy, Bearing (To 56100-93000) (Housing Assy, Bearing)

под заказ0 руб.
3056100-93000-000

   (актуальный код замены) Запчасть снята с производства - The Spare Part Is Laid Off

под заказ0 руб.
3056100-93000-000

Корпус в сборе, Подшипник - Housing Assy, Bearing (Housing assy, bearing ) (Housing Assy, Bearing)

под заказ0 руб.
3109289-17004-000

Сальник (17x30x9) - Seal, Oil (17x30x9) (Oil seal, bearing housing # Oil seal (17x30x9); ) (Seal, Oil (17x30x9))

92 шт1050 руб.
31SK09289-17004

   (не оригинальный аналог) Сальник ведущего вала Skipper для Suzuki Модели техники: DT25-30

0 шт130 руб.
31SC-OL021

   (не оригинальный аналог) Сальник редуктора Tohatsu SC-OL021

1 шт250 руб.
3209160-19017-000

(Washer (17x30x0.8);)

под заказ0 руб.
3309387-28003-000

(From 09381-30002)

под заказ0 руб.
3309387-28004-000

   (актуальный код замены) Запчасть снята с производства - The Spare Part Is Laid Off

под заказ0 руб.
3509280-32002-000

Уплотнительное кольцо (d: 3.5, Id: 31.7) - O Ring (d:35, Id:317) (O Ring (d:3.5, Id:31.7))

под заказ150 руб.
3509280-32001-000

   (актуальный код замены) Уплотнительное кольцо (d: 3.5, Id: 31.7) - O Ring (d:3.5, Id:31.7)

под заказ150 руб.
3509280-32001-000

Уплотнительное кольцо (d: 3.5, Id: 31.7) - O Ring (d:35, Id:317) (O Ring (d:3.5, Id:31.7))

под заказ150 руб.


Время выполнения запроса 2.6011090278625 сек.

 
 

данный сайт носит информационный характер и не является публичной офертой

склад запчастей для водомоторной техники