| |
 |
|
 |
Вернуться к выбору узлов мотора
ДЕТАЛИРОВКА ДЛЯ МОДЕЛИ: SUZUKI DT20R R
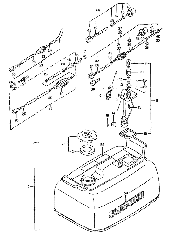
Топливный бак
Год выпуска двигателя: 1994
Регион: General Export No.1 ,Код региона: P01
Цвет: California Gray Metallic
Номер на рисунке | Артикул | Наименование | QTY | Кол-во на складе | Цена |
| 1 | 65800-92813-000 | (Tank set, fuel (15l); 4 u.s.gal, 3.3 imp.gal) | | под заказ | 0 руб. |
| 1 | 65800-92814-000 | (актуальный код замены) Запчасть снята с производства - The Spare Part Is Laid Off | | под заказ | 0 руб. |
| 2 | 65510-92D00-000 | Крышка горловины топливного бака, в сборе - Cap Assy, Fuel Tank (Cap assy, separate tank ) (Cap Assy, Fuel Tank) | | под заказ | 0 руб. |
| 3 | 65561-92D00-000 | Прокладка - Gasket (Gasket, tank cap # Gasket, tank cap; ) (Gasket) | | под заказ | 0 руб. |
| 4 | 02112-16167-000 | Винт - Screw (Screw) | | под заказ | 190 руб. |
| 5 | 09168-06004-000 | Прокладка (6.2x11x1.2) - Gasket (62x11x12) (Washer (6x11.8x1.5) # Washer; Model:88 ) (Gasket (6.2x11x1.2)) | | под заказ | 120 руб. |
| 5 | 09168-06026-000 | Прокладка (6.4x11.5x0.8) - Gasket (64x115x08) (Washer; Model:89-92 ) (Gasket (6.4x11.5x0.8)) | | под заказ | 240 руб. |
| 6 | 65740-95500-000 | Разъем топливного коннектора - Plug, Fuel Connector (Connector, fuel # Od:13 ) (Plug, Fuel Connector) | | под заказ | 2720 руб. |
| 6 | 65740-95501-000 | (актуальный код замены) Разъем топливного коннектора - Plug, Fuel Connector | | под заказ | 2720 руб. |
| 7 | 09168-12001-000 | Прокладка (12.5x20x1) - Gasket (125x20x1) (Gasket # Gasket, connector; Model:88 ) (Gasket (12.5x20x1)) | | под заказ | 220 руб. |
| 7 | 09168-12015-000 | Прокладка (12.2x21x0.8) - Gasket (122x21x08) (Gasket, connector; Model:89-92) (Gasket (12.2x21x0.8)) | | под заказ | 350 руб. |
| 7 | 09168-12015-XC0 | (актуальный код замены) Прокладка (12.2x21x0.8) - Gasket (12.2x21x0.8) | | под заказ | 350 руб. |
| 7 | 09168-12015-XC0 | Прокладка (12.2x21x0.8) - Gasket (122x21x08) (Gasket (12.2x21x0.8)) | | под заказ | 350 руб. |
| 8 | 65850-92D51-000 | Прибор - измеритель уровня топлива - Gauge Assy, Fuel (Gauge Assy, Fuel) | | под заказ | 7540 руб. |
| 8 | 65850-92D52-000 | (актуальный код замены) Прибор - измеритель уровня топлива - Gauge Assy, Fuel | | под заказ | 7540 руб. |
| 9 | 65855-92D00-000 | (Model:88) | | под заказ | 0 руб. |
| 9 | 65855-92D10-000 | Крышка прибора - Cover, Gauge (Model:89-92 ) (Cover, Gauge) | | под заказ | 0 руб. |
| 10 | 65854-92D10-000 | (Model:88) | | под заказ | 0 руб. |
| 10 | 65854-92D20-000 | Прокладка - Gasket (Model:89-92 ) (Gasket) | | под заказ | 0 руб. |
| 11 | 65853-92D00-000 | Lens - Lens (Lens) | | под заказ | 0 руб. |
| 12 | 65854-92D00-000 | (Model:88) | | под заказ | 0 руб. |
| 12 | 65854-92D30-000 | (Gasket, lens; Model:89-92) | | под заказ | 0 руб. |
| 13 | 03222-04083-000 | Винт - Screw (Screw) | | под заказ | 140 руб. |
| 13 | 03221-0408A-000 | (актуальный код замены) Винт - Screw | | под заказ | 140 руб. |
| 13 | 03221-0408A-000 | Винт - Screw (Screw) | | под заказ | 140 руб. |
| 14 | 65864-92D00-000 | | | под заказ | 0 руб. |
| 15 | 65866-92D00-000 | Push Гайка - Push Nut (Nut, push # Push, nut; ) (Push Nut) | | под заказ | 0 руб. |
| 16 | 65871-92D00-000 | Прокладка, Fuel Gauge - Gasket, Fuel Gauge (Gasket, fuel; ) (Gasket, Fuel Gauge) | | под заказ | 660 руб. |
| 17 | 65700-95516-000 | Топливный шланг (от бака до коннектораector) - Hose, Fuel (tank To Connector) (Hose, fuel;) (Hose, Fuel (tank To Connector)) | | под заказ | 30720 руб. |
| 17 | 65700-955A3-000 | (актуальный код замены) Шланг Comp, Fuel (от бака до коннектора) - Hose Comp, Fuel (tank To Conn) | | под заказ | 30720 руб. |
| 17 | 65700-955A0-000 | Топливный шланг (от бака до коннектораector) - Hose, Fuel (tank To Connector) (Hose, Fuel (tank To Connector)) | | под заказ | 30720 руб. |
| 17 | 65700-955A3-000 | (актуальный код замены) Шланг Comp, Fuel (от бака до коннектора) - Hose Comp, Fuel (tank To Conn) | | под заказ | 30720 руб. |
| 18 | 65750-95500-000 | Разъём топливного шланга - Socket, Fuel Hose (Socket, fuel hose (in) # Connector, fuel; ) (Socket, Fuel Hose) | | под заказ | 3700 руб. |
| 18 | 65750-95501-000 | (актуальный код замены) Разъём топливного шланга - Socket, Fuel Hose | | 2 шт | 3700 руб. |
| 18 | SF80211-4 | (не оригинальный аналог) Коннектор топливный SUNFINE тип Suzuki, Mercury, Evinrude, Tohatsu, 10мм 3GF-70281-0 | | под заказ | 1880 руб. |
| 19 | 65770-95504-000 | (Pump, squeeze;) | | под заказ | 0 руб. |
| 19 | 65770-95505-000 | (актуальный код замены) Запчасть снята с производства - The Spare Part Is Laid Off | | под заказ | 0 руб. |
| 20 | 65781-98500-000 | Зажим топливного шланга - Clip, Fuel Hose (Clip, Fuel Hose) | | 9 шт | 350 руб. |
| 21 | 65700-93914-000 | (E36) | | под заказ | 0 руб. |
| 22 | 65750-95500-000 | Разъём топливного шланга - Socket, Fuel Hose (Socket, fuel hose (in) # Connector, fuel; E36 ) (Socket, Fuel Hose) | | под заказ | 3700 руб. |
| 22 | 65750-95501-000 | (актуальный код замены) Разъём топливного шланга - Socket, Fuel Hose | | 2 шт | 3700 руб. |
| 22 | SF80211-4 | (не оригинальный аналог) Коннектор топливный SUNFINE тип Suzuki, Mercury, Evinrude, Tohatsu, 10мм 3GF-70281-0 | | под заказ | 1880 руб. |
| 23 | 65770-93903-000 | (E36) | | под заказ | 0 руб. |
| 23 | 65770-93904-000 | (актуальный код замены) Запчасть снята с производства - The Spare Part Is Laid Off | | под заказ | 0 руб. |
| 24 | 65781-98500-000 | Зажим топливного шланга - Clip, Fuel Hose (E36 ) (Clip, Fuel Hose) | | 9 шт | 350 руб. |
| 25 | 65720-95511-000 | Разъем топливного коннектора - Plug, Fuel Connector (Od:13) (Plug, Fuel Connector) | | под заказ | 5810 руб. |
| 25 | 65720-955L1-000 | (актуальный код замены) Разъем топливного коннектора (gas) - Plug, Fuel Connector (gas) | | под заказ | 5810 руб. |
| 25 | 65720-95512-000 | Разъем топливного коннектора - Plug, Fuel Connector (Plug, Fuel Connector) | | под заказ | 5810 руб. |
| 25 | 65720-955L1-000 | (актуальный код замены) Разъем топливного коннектора (gas) - Plug, Fuel Connector (gas) | | под заказ | 5810 руб. |
| 26 | 08310-00127-000 | Гайка - Nut (Nut) | | под заказ | 190 руб. |
| 27 | 08321-01127-000 | Шайба с блокировкой - Washer, Lock (Washer, Lock) | | под заказ | 150 руб. |
| 30 | 65700-87D40-000 | (Model:91, 92/e13, e40, l:2600) | | под заказ | 0 руб. |
| 31 | 65750-94404-000 | Разъём топливного шланга - Socket, Fuel Hose (Connector, fuel # Socket, fuel hose; Model:91, 92/e13, e40, ) (Socket, Fuel Hose) | | 1 шт | 2130 руб. |
| 32 | 65770-95504-000 | (Pump, squeeze; Model:91, 92/e13, e40) | | под заказ | 0 руб. |
| 32 | 65770-95505-000 | (актуальный код замены) Запчасть снята с производства - The Spare Part Is Laid Off | | под заказ | 0 руб. |
| 33 | 65830-95500-000 | Фильтр - Filter (Filter assy; Model:91, 92/e13, e40 ) (Filter) | | под заказ | 1180 руб. |
| 34 | 65842-94400-000 | Фильтр топливного шланга - Tube, Fuel Filter (Tube, fuel filter; Model:91, 92/e13, e40) (Tube, Fuel Filter) | | под заказ | 600 руб. |
| 34 | 65842-94401-000 | (актуальный код замены) Фильтр топливного шланга - Tube, Fuel Filter | | под заказ | 600 руб. |
| 34 | 65842-94401-000 | Фильтр топливного шланга - Tube, Fuel Filter (Tube, Fuel Filter) | | под заказ | 600 руб. |
| 35 | 09401-11407-000 | Зажим - Clip (Model:91, 92/e13, e40 ) (Clip) | | под заказ | 150 руб. |
| 36 | 65781-98500-000 | Зажим топливного шланга - Clip, Fuel Hose (Model:91, 92/e13, e40 ) (Clip, Fuel Hose) | | 9 шт | 350 руб. |
| 38 | 65750-95500-000 | Разъём топливного шланга - Socket, Fuel Hose (Socket, fuel hose (in) # Socket, fuel hose; For kerosene, model:91, 92, e13, e36, ) (Socket, Fuel Hose) | | под заказ | 3700 руб. |
| 38 | 65750-95501-000 | (актуальный код замены) Разъём топливного шланга - Socket, Fuel Hose | | 2 шт | 3700 руб. |
| 38 | SF80211-4 | (не оригинальный аналог) Коннектор топливный SUNFINE тип Suzuki, Mercury, Evinrude, Tohatsu, 10мм 3GF-70281-0 | | под заказ | 1880 руб. |
| 44 | 65700-94420-000 | Топливный шланг (krsn) - Hose, Fuel (krsn) (For kerosene, model:91, 92, e13, e36, l:3100) (Hose, Fuel (krsn)) | | под заказ | 9320 руб. |
| 44 | 65700-94433-000 | (актуальный код замены) Топливный шланг (krsn) - Hose, Fuel (krsn) | | под заказ | 9320 руб. |
| 44 | 65700-94433-000 | Топливный шланг (krsn) - Hose, Fuel (krsn) (Hose, Fuel (krsn)) | | под заказ | 9320 руб. |
| 50 | 61441-98500-000 | Маркировка, Ornament - Mark, Ornament (Mark, Ornament) | | под заказ | 0 руб. |
| 51 | 65317-98520-000 | Маркировка, Fuel Колпачокacity (15l) - Mark, Fuel Capacity (15l) (Mark, fuel capacity (15l) # Mark, fuel capacity; ) (Mark, Fuel Capacity (15l)) | | под заказ | 0 руб. |
Время выполнения запроса 1.3628878593445 сек. |
|