Подобрать запчасти на подвесной двигатель Suzuki модель 1996 года - Магнето
вконтакте

Контактный телефон: +7 (981) 121-46-93, +7 (800) 200-90-76 , Email: parts-katalog@yandex.ru, где купить

 
 

  Логин:

Пароль:

Регистрация

www.partskatalog.ru Все каталоги Запчасти Mercury Запчасти Suzuki Запчасти Tohatsu Запчасти Honda Контакты



УВАЖАЕМЫЕ КЛИЕНТЫ!
C 19 ДЕКАБРЯ 2025 ПО 02 МАРТА 2026 ГОДА ОТДЕЛ ЗАПЧАСТЕЙ И СЕРВИС РАБОТАТЬ НЕ БУДУТ
ПРОДАЖА ЛОДОЧНЫХ МОТОРОВ В ШТАТНОМ РЕЖИМЕ
ОБ ИЗМЕНЕНИЯХ В ГРАФИКЕ РАБОТЫ ЧИТАЙТЕ НА САЙТА



назад Раздел:   вперёд

Вернуться к выбору узлов мотора


ДЕТАЛИРОВКА ДЛЯ МОДЕЛИ: SUZUKI DT20 T

Магнето


Год выпуска двигателя: 1996

Регион: General Export No.1 ,Код региона: P01

Цвет: California Gray Metallic

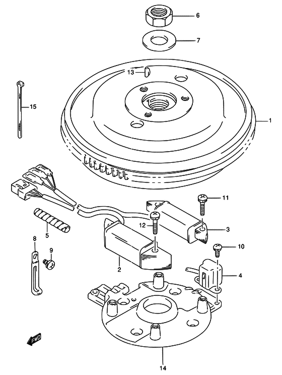
Номер на
рисунке
АртикулНаименованиеQTYКол-во
на складе
Цена
132102-96450-000

(DT20)

под заказнет сведений
109106-06098-000

Болт (6x12) - Bolt (6x12) (Bolt (6x12))

10 шт200 руб.
132102-96452-000

Маховик - Flywheel (Flywheel)

под заказ76800 руб.
132102-96460-000

(DT25/30)

под заказнет сведений
109106-06098-000

Болт (6x12) - Bolt (6x12) (Bolt (6x12))

10 шт200 руб.
132102-96462-000

Маховик - Flywheel (Flywheel)

1 шт67200 руб.
132102-96470-000

(DT25K)

под заказнет сведений
109106-06098-000

Болт (6x12) - Bolt (6x12) (Bolt (6x12))

10 шт200 руб.
132102-96472-000

Маховик - Flywheel (Flywheel)

под заказ67200 руб.
232120-96320-000

Катушка освещения - Coil, Lighting (Coil, Lighting)

4 шт9320 руб.
332140-96310-000

Основная катушка - Coil, Primary (Coil, Primary)

3 шт10520 руб.
3SK32140-96310

   (не оригинальный аналог) Катушка генератора (зажигания) Skipper для Suzuki DT20-30

0 шт1184 руб.
432150-96330-000

Катушка импульсов зажигания - Coil, Ignition Timing (Coil, Ignition Timing)

1 шт12580 руб.
538423-95510-000

Трубка провода переключателя (l: 250) - Tube, Switch Lead (l:250) (L:150->0) (Tube, Switch Lead (l:250))

под заказ610 руб.
533833-91J00-000

   (актуальный код замены) Трубка провода переключателя (l: 250) - Tube, Switch Lead (l:250)

под заказ610 руб.
533833-91J00-000

Трубка провода переключателя (l: 250) - Tube, Switch Lead (l:250) (Tube, Switch Lead (l:250))

под заказ610 руб.
609140-18014-000

Гайка - Nut (Nut)

под заказ290 руб.
709160-18011-000

Шайба (18.5x35x4) - Washer (185x35x4) (Washer (18.5x35x4))

под заказ440 руб.
809404-06432-000

Струбцина (l: 65) - Clamp (l:65) (Clamp (l:80) ) (Clamp (l:65))

8 шт170 руб.
809404-06039-000

   (актуальный код замены) Струбцина (l: 65) - Clamp (l:65)

под заказ170 руб.
902112-35087-000

Винт - Screw (Screw)

под заказ170 руб.
1002112-35127-000

Винт - Screw (Screw, counting ) (Screw)

под заказ120 руб.
1102112-35203-000

Винт - Screw (Screw)

под заказ180 руб.
1102112-3520B-000

   (актуальный код замены) Винт - Screw

под заказ180 руб.
1102112-3520B-000

Винт - Screw (Screw)

под заказ180 руб.
1202112-35253-000

Винт - Screw (Screw)

под заказ180 руб.
1202112-3525B-000

   (актуальный код замены) Винт - Screw

под заказ180 руб.
1202112-3525B-000

Винт - Screw (Screw)

под заказ180 руб.
1309420-04008-000

Ключ - Key (Key)

18 шт370 руб.
1411411-96321-000

Корпус верхнего сальника - Housing, Upr Oil Seal (Housing, Upr Oil Seal)

3 шт20930 руб.
1509407-14407-000

Струбцина (l: 145) - Clamp (l:145) (Band ) (Clamp (l:145))

9 шт230 руб.


Время выполнения запроса 0.82557916641235 сек.

 
 

данный сайт носит информационный характер и не является публичной офертой

склад запчастей для водомоторной техники