| |
 |
|
 |
Вернуться к выбору узлов мотора
ДЕТАЛИРОВКА ДЛЯ МОДЕЛИ: SUZUKI DT20V V
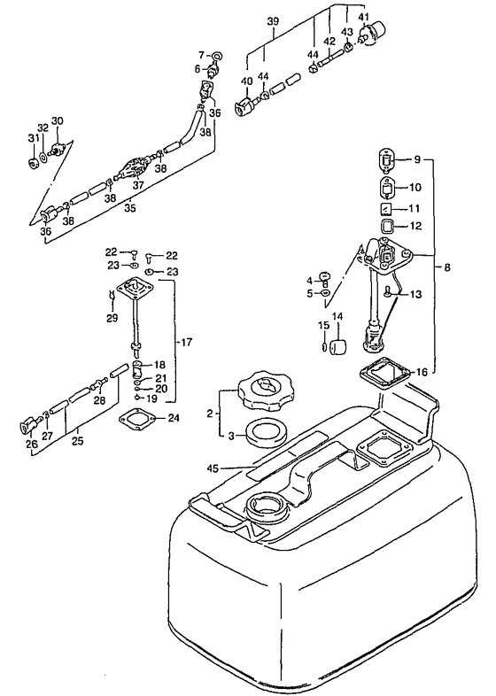
Топливный бак
Год выпуска двигателя: 1997
Регион: General Export No.1 ,Код региона: P01
Цвет: California Gray Metallic
Номер на рисунке | Артикул | Наименование | QTY | Кол-во на складе | Цена |
| 1 | 65800-92823-000 | (Tank set, fuel (24l); 6.3 u.s.gal, 5.2 imp.gal) | | под заказ | 0 руб. |
| 1 | 65800-92824-000 | (актуальный код замены) Запчасть снята с производства - The Spare Part Is Laid Off | | под заказ | 0 руб. |
| 2 | 65510-92D00-000 | Крышка горловины топливного бака, в сборе - Cap Assy, Fuel Tank (Cap assy, separate tank ) (Cap Assy, Fuel Tank) | | под заказ | 0 руб. |
| 3 | 65561-92D00-000 | Прокладка - Gasket (Gasket, tank cap # Gasket, tank cap; ) (Gasket) | | под заказ | 0 руб. |
| 4 | 09125-06063-000 | Винт (6x10) - Screw (6x10) (Screw (6x10)) | | 6 шт | 190 руб. |
| 5 | 09168-06004-000 | Прокладка (6.2x11x1.2) - Gasket (62x11x12) (Washer (6x11.8x1.5) # Washer; Model:88 ) (Gasket (6.2x11x1.2)) | | под заказ | 120 руб. |
| 5 | 09168-06026-000 | Прокладка (6.4x11.5x0.8) - Gasket (64x115x08) (Washer; Model:89-92 ) (Gasket (6.4x11.5x0.8)) | | под заказ | 240 руб. |
| 6 | 65720-94411-000 | Топливный коннектор - Connector, Fuel (Connector, fuel; Od:13, ) (Connector, Fuel) | | под заказ | 0 руб. |
| 7 | 09168-12001-000 | Прокладка (12.5x20x1) - Gasket (125x20x1) (Gasket # Gasket, connector; Model:88 ) (Gasket (12.5x20x1)) | | под заказ | 220 руб. |
| 7 | 09168-12015-000 | Прокладка (12.2x21x0.8) - Gasket (122x21x08) (Gasket, connector; Model:89-92) (Gasket (12.2x21x0.8)) | | под заказ | 350 руб. |
| 7 | 09168-12015-XC0 | (актуальный код замены) Прокладка (12.2x21x0.8) - Gasket (12.2x21x0.8) | | под заказ | 350 руб. |
| 7 | 09168-12015-XC0 | Прокладка (12.2x21x0.8) - Gasket (122x21x08) (Gasket (12.2x21x0.8)) | | под заказ | 350 руб. |
| 8 | 65850-92D01-000 | Прибор - измеритель уровня топлива - Gauge Assy, Fuel (Gauge assy, fuel ) (Gauge Assy, Fuel) | | под заказ | 0 руб. |
| 9 | 65855-92D00-000 | (Model:88) | | под заказ | 0 руб. |
| 9 | 65855-92D10-000 | Крышка прибора - Cover, Gauge (Model:89-92 ) (Cover, Gauge) | | под заказ | 0 руб. |
| 10 | 65854-92D10-000 | (Model:88) | | под заказ | 0 руб. |
| 10 | 65854-92D20-000 | Прокладка - Gasket (Model:89-92 ) (Gasket) | | под заказ | 0 руб. |
| 11 | 65853-92D00-000 | Lens - Lens (Lens) | | под заказ | 0 руб. |
| 12 | 65854-92D00-000 | (Model:88) | | под заказ | 0 руб. |
| 12 | 65854-92D30-000 | (Gasket, lens; Model:89-92) | | под заказ | 0 руб. |
| 13 | 03222-04083-000 | Винт - Screw (Screw) | | под заказ | 140 руб. |
| 13 | 03221-0408A-000 | (актуальный код замены) Винт - Screw | | под заказ | 140 руб. |
| 13 | 03221-0408A-000 | Винт - Screw (Screw) | | под заказ | 140 руб. |
| 14 | 65864-92D00-000 | | | под заказ | 0 руб. |
| 15 | 65866-92D00-000 | Push Гайка - Push Nut (Nut, push # Push, nut; ) (Push Nut) | | под заказ | 0 руб. |
| 16 | 65871-92D00-000 | Прокладка, Fuel Gauge - Gasket, Fuel Gauge (Gasket, fuel; ) (Gasket, Fuel Gauge) | | под заказ | 660 руб. |
| 17 | 65880-95200-000 | | | под заказ | 0 руб. |
| 18 | 65830-93301-000 | (Filter assy;) | | под заказ | 0 руб. |
| 19 | 09125-05050-000 | Винт (5x8) - Screw (5x8) (Screw (5x8)) | | под заказ | 150 руб. |
| 20 | 08321-01057-000 | Шайба с блокировкой - Washer, Lock (Washer, Lock) | | под заказ | 140 руб. |
| 20 | 08321-0105A-000 | (актуальный код замены) Шайба с блокировкой - Washer, Lock | | под заказ | 140 руб. |
| 20 | 08321-0105A-000 | Шайба с блокировкой - Washer, Lock (Washer, Lock) | | под заказ | 140 руб. |
| 21 | 08322-01057-000 | Шайба - Washer (Washer, front hook holder ) (Washer) | | под заказ | 140 руб. |
| 22 | 09125-06063-000 | Винт (6x10) - Screw (6x10) (Screw (6x10); ) (Screw (6x10)) | | 6 шт | 190 руб. |
| 23 | 09168-06004-000 | Прокладка (6.2x11x1.2) - Gasket (62x11x12) (Washer (6x11.8x1.5) # Washer; ) (Gasket (6.2x11x1.2)) | | под заказ | 120 руб. |
| 24 | 65871-93010-000 | Прокладка, Fuel Gauge - Gasket, Fuel Gauge (Gasket, fuel gauge # Gasket, outlet; ) (Gasket, Fuel Gauge) | | под заказ | 240 руб. |
| 25 | 65700-93950-000 | (For krsn, e13) | | под заказ | 0 руб. |
| 26 | 65750-94404-000 | Разъём топливного шланга - Socket, Fuel Hose (Connector, fuel # Connector, fuel; ) (Socket, Fuel Hose) | | 1 шт | 2130 руб. |
| 27 | 65781-98500-000 | Зажим топливного шланга - Clip, Fuel Hose (Clip, Fuel Hose) | | 9 шт | 350 руб. |
| 28 | 65779-93900-000 | Соединенине топливного шланга - Union, Fuel Hose (Union, Fuel Hose) | | под заказ | 680 руб. |
| 29 | 09401-11403-000 | Зажим - Clip (Clip # Clip; ) (Clip) | | под заказ | 190 руб. |
| 30 | 65720-94401-000 | Разъем топливного коннектора - Plug, Fuel Connector (Od:13) (Plug, Fuel Connector) | | под заказ | 2480 руб. |
| 30 | 65720-94403-000 | (актуальный код замены) Разъем топливного коннектора - Plug, Fuel Connector | | 1 шт | 2480 руб. |
| 30 | 65720-94403-000 | Разъем топливного коннектора - Plug, Fuel Connector (Plug, Fuel Connector) | | 1 шт | 2480 руб. |
| 31 | 08310-00107-000 | Гайка - Nut (Nut) | | под заказ | 170 руб. |
| 32 | 08321-01107-000 | Шайба с блокировкой - Washer, Lock (Lock washer ) (Washer, Lock) | | 9 шт | 140 руб. |
| 35 | 65700-87D16-000 | Топливный шланг (от бака до коннектораector) - Hose, Fuel (tank To Connector) (Hose, fuel; l:2578) (Hose, Fuel (tank To Connector)) | | под заказ | 12820 руб. |
| 35 | 65700-87D95-000 | (актуальный код замены) Топливный шланг (от бака до коннектора) - Hose, Fuel (tank To Conn) | | под заказ | 12820 руб. |
| 35 | 65700-87D92-000 | Топливный шланг (от бака до коннектораector) - Hose, Fuel (tank To Connector) (Hose, Fuel (tank To Connector)) | | под заказ | 12820 руб. |
| 35 | 65700-87D95-000 | (актуальный код замены) Топливный шланг (от бака до коннектора) - Hose, Fuel (tank To Conn) | | под заказ | 12820 руб. |
| 36 | 65750-94404-000 | Разъём топливного шланга - Socket, Fuel Hose (Connector, fuel # Connector, fuel; Od:13 ) (Socket, Fuel Hose) | | 1 шт | 2130 руб. |
| 37 | 65770-95504-000 | (Pump, squeeze;) | | под заказ | 0 руб. |
| 37 | 65770-95505-000 | (актуальный код замены) Запчасть снята с производства - The Spare Part Is Laid Off | | под заказ | 0 руб. |
| 38 | 65781-98500-000 | Зажим топливного шланга - Clip, Fuel Hose (Clip, Fuel Hose) | | 9 шт | 350 руб. |
| 39 | 65700-94420-000 | Топливный шланг (krsn) - Hose, Fuel (krsn) (For krsn, model:91, 92/e13, e36, l:3100) (Hose, Fuel (krsn)) | | под заказ | 9320 руб. |
| 39 | 65700-94433-000 | (актуальный код замены) Топливный шланг (krsn) - Hose, Fuel (krsn) | | под заказ | 9320 руб. |
| 39 | 65700-94433-000 | Топливный шланг (krsn) - Hose, Fuel (krsn) (Hose, Fuel (krsn)) | | под заказ | 9320 руб. |
| 40 | 65750-94404-000 | Разъём топливного шланга - Socket, Fuel Hose (Connector, fuel # Socket, fuel hose; For krsn, model:91, 92/e13, e36 ) (Socket, Fuel Hose) | | 1 шт | 2130 руб. |
| 41 | 65830-95500-000 | Фильтр - Filter (Filter assy; For krsn, model:91, 92/e13, e36 ) (Filter) | | под заказ | 1180 руб. |
| 42 | 65842-94400-000 | Фильтр топливного шланга - Tube, Fuel Filter (Tube, fuel filter; For krsn, model:91, 92/e13, e36) (Tube, Fuel Filter) | | под заказ | 600 руб. |
| 42 | 65842-94401-000 | (актуальный код замены) Фильтр топливного шланга - Tube, Fuel Filter | | под заказ | 600 руб. |
| 42 | 65842-94401-000 | Фильтр топливного шланга - Tube, Fuel Filter (Tube, Fuel Filter) | | под заказ | 600 руб. |
| 43 | 09401-11407-000 | Зажим - Clip (For krsn, model:91, 92/e13, e36 ) (Clip) | | под заказ | 150 руб. |
| 44 | 65781-98500-000 | Зажим топливного шланга - Clip, Fuel Hose (For krsn, model:91, 92/e13, e36 ) (Clip, Fuel Hose) | | 9 шт | 350 руб. |
| 45 | 65317-95230-000 | | | под заказ | 0 руб. |
Время выполнения запроса 1.6534929275513 сек. |
|