| |
 |
|
 |
Вернуться к выбору узлов мотора
ДЕТАЛИРОВКА ДЛЯ МОДЕЛИ: SUZUKI DT20V V
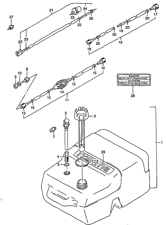
Топливный бак
Год выпуска двигателя: 1997
Регион: General Export No.1 ,Код региона: P01
Цвет: California Gray Metallic
Номер на рисунке | Артикул | Наименование | QTY | Кол-во на складе | Цена |
| 1 | 65000-95D01-000 | Топливный бак (25 литров) - Tank Assy, Fuel (25l) (Tank Assy, Fuel (25l)) | | под заказ | 17760 руб. |
| 1 | 65000-94L10-000 | (актуальный код замены) Топливный бак (25 литров) - Tank Assy, Fuel (25l) | | 3 шт | 17760 руб. |
| 2 | 65520-95D00-000 | Крышка горловины топливного бака, в сборе - Cap Assy, Fuel Tank (Cap assy, fuel tank;) (Cap Assy, Fuel Tank) | | 1 шт | 0 руб. |
| 2 | 65520-95D01-000 | (актуальный код замены) Запчасть снята с производства - The Spare Part Is Laid Off | | под заказ | 0 руб. |
| 2 | 65520-95D01-000 | Крышка горловины топливного бака, в сборе - Cap Assy, Fuel Tank (Cap Assy, Fuel Tank) | | под заказ | 0 руб. |
| 3 | 65561-95D00-000 | Прокладка крышка топливного бака - Gasket, Tank Cap (Gasket, tank cap; ) (Gasket, Tank Cap) | | 1 шт | 430 руб. |
| 4 | 65831-95D00-000 | Выходной фильтр - Filter, Outlet (Filter, outlet # Filter, outlet; ) (Filter, Outlet) | | 5 шт | 1270 руб. |
| 5 | 65890-95D00-000 | выход в сборе - Outlet Assy (Outlet assy; ) (Outlet Assy) | | под заказ | 5480 руб. |
| 6 | 65892-95D00-000 | Уплотнительное кольцо топливного выхода - O Ring, Fuel Outlet (O-ring, fuel outlet # O ring, outlet; ) (O Ring, Fuel Outlet) | | под заказ | 440 руб. |
| 7 | 65740-95D01-000 | Разъем топливного коннектора - Plug, Fuel Connector (Plug, fuel connector # Plug, fuel connector; ) (Plug, Fuel Connector) | | под заказ | 3870 руб. |
| 7 | SF80210-3 | (не оригинальный аналог) Адаптер топливный SUNFINE тип Suzuki, Mercury, Tohatsu 65740-99100 | | под заказ | 1270 руб. |
| 7 | SF80211-3 | (не оригинальный аналог) Адаптер топливный SUNFINE тип Suzuki, Mercury, Tohatsu 3E0-70270-0 | | 1 шт | 1270 руб. |
| 8 | 65720-98520-000 | Разъем топливного коннектора - Plug, Fuel Connector (Plug, fuel connector;) (Plug, Fuel Connector) | | под заказ | 3170 руб. |
| 8 | 65720-985L1-000 | (актуальный код замены) Разъем топливного коннектора - Plug, Fuel Connector | | 5 шт | 3950 руб. |
| 8 | SK65720-98520 | (не оригинальный аналог) Коннектор топливный Skipper для Suzuki DT2-65, DF9.9-15 "папа", 6 мм | | 0 шт | 836 руб. |
| 8 | SF80210-1 | (не оригинальный аналог) Адаптер топливный SUNFINE тип Suzuki, 7.5мм, 6720-98521 | | под заказ | 1270 руб. |
| 8 | 65720-985L1-000 | Разъем топливного коннектора - Plug, Fuel Connector (Plug, Fuel Connector) | | 5 шт | 3950 руб. |
| 9 | 09140-10032-000 | Гайка - Nut (Nut) | | 10 шт | 160 руб. |
| 10 | 08321-01107-000 | Шайба с блокировкой - Washer, Lock (Lock washer ) (Washer, Lock) | | 9 шт | 140 руб. |
| 11 | 65700-87D17-000 | Топливный шланг (от бака до коннектора) - Hose, Fuel (tank To Conn) (Hose, fuel;) (Hose, Fuel (tank To Conn)) | | под заказ | 6530 руб. |
| 11 | 65700-87DL2-000 | (актуальный код замены) Топливный шланг (от бака до коннектора) - Hose, Fuel (tank To Conn) | | под заказ | 6530 руб. |
| 11 | 65700-87DL0-000 | Топливный шланг (от бака до коннектора) - Hose, Fuel (tank To Conn) (Hose, Fuel (tank To Conn)) | | под заказ | 6530 руб. |
| 11 | 65700-87DL2-000 | (актуальный код замены) Топливный шланг (от бака до коннектора) - Hose, Fuel (tank To Conn) | | под заказ | 6530 руб. |
| 12 | 65750-95500-000 | Разъём топливного шланга - Socket, Fuel Hose (Socket, fuel hose (in) # Socket, fuel hose (in); ) (Socket, Fuel Hose) | | под заказ | 3700 руб. |
| 12 | 65750-95501-000 | (актуальный код замены) Разъём топливного шланга - Socket, Fuel Hose | | 2 шт | 3700 руб. |
| 12 | SF80211-4 | (не оригинальный аналог) Коннектор топливный SUNFINE тип Suzuki, Mercury, Evinrude, Tohatsu, 10мм 3GF-70281-0 | | под заказ | 1880 руб. |
| 13 | 65750-98505-000 | Разъём топливного шланга - Socket, Fuel Hose (Socket, fuel hose (out) # Socket, fuel hose (out); ) (Socket, Fuel Hose) | | 2 шт | 3240 руб. |
| 13 | 65750-98506-000 | (актуальный код замены) Разъём топливного шланга - Socket, Fuel Hose | | под заказ | 3240 руб. |
| 14 | 65770-95540-000 | (Pump, squeeze;) | | под заказ | 0 руб. |
| 14 | 65770-95541-000 | (актуальный код замены) Запчасть снята с производства - The Spare Part Is Laid Off | | под заказ | 0 руб. |
| 15 | 65781-98500-000 | Зажим топливного шланга - Clip, Fuel Hose (Clip, Fuel Hose) | | 9 шт | 350 руб. |
| 16 | 65700-96361-000 | Топливный шланг (от бака до коннектора) - Hose, Fuel (tank To Conn) (E13, for kerosene) (Hose, Fuel (tank To Conn)) | | под заказ | 6530 руб. |
| 16 | 65700-87DL2-000 | (актуальный код замены) Топливный шланг (от бака до коннектора) - Hose, Fuel (tank To Conn) | | под заказ | 6530 руб. |
| 16 | 65700-87DL0-000 | Топливный шланг (от бака до коннектора) - Hose, Fuel (tank To Conn) (Hose, Fuel (tank To Conn)) | | под заказ | 6530 руб. |
| 16 | 65700-87DL2-000 | (актуальный код замены) Топливный шланг (от бака до коннектора) - Hose, Fuel (tank To Conn) | | под заказ | 6530 руб. |
| 17 | 65750-95500-000 | Разъём топливного шланга - Socket, Fuel Hose (Socket, fuel hose (in) # Socket, fuel hose (in); ) (Socket, Fuel Hose) | | под заказ | 3700 руб. |
| 17 | 65750-95501-000 | (актуальный код замены) Разъём топливного шланга - Socket, Fuel Hose | | 2 шт | 3700 руб. |
| 17 | SF80211-4 | (не оригинальный аналог) Коннектор топливный SUNFINE тип Suzuki, Mercury, Evinrude, Tohatsu, 10мм 3GF-70281-0 | | под заказ | 1880 руб. |
| 18 | 65750-98505-000 | Разъём топливного шланга - Socket, Fuel Hose (Socket, fuel hose (out) # Socket, fuel hose (out); ) (Socket, Fuel Hose) | | 2 шт | 3240 руб. |
| 18 | 65750-98506-000 | (актуальный код замены) Разъём топливного шланга - Socket, Fuel Hose | | под заказ | 3240 руб. |
| 19 | 65779-93900-000 | Соединенине топливного шланга - Union, Fuel Hose (Union, fuel hose; ) (Union, Fuel Hose) | | под заказ | 680 руб. |
| 20 | 65781-98500-000 | Зажим топливного шланга - Clip, Fuel Hose (Clip, Fuel Hose) | | 9 шт | 350 руб. |
| 21 | 65700-94431-000 | Топливный шланг (krsn) - Hose, Fuel (krsn) (E36, for kerosene) (Hose, Fuel (krsn)) | | под заказ | 9320 руб. |
| 21 | 65700-94433-000 | (актуальный код замены) Топливный шланг (krsn) - Hose, Fuel (krsn) | | под заказ | 9320 руб. |
| 21 | 65700-94433-000 | Топливный шланг (krsn) - Hose, Fuel (krsn) (Hose, Fuel (krsn)) | | под заказ | 9320 руб. |
| 22 | 65750-94404-000 | Разъём топливного шланга - Socket, Fuel Hose (Connector, fuel # Socket, fuel hose; ) (Socket, Fuel Hose) | | 1 шт | 2130 руб. |
| 23 | 65830-95500-000 | Фильтр - Filter (Filter) | | под заказ | 1180 руб. |
| 24 | 65842-94400-000 | Фильтр топливного шланга - Tube, Fuel Filter (Tube, Fuel Filter) | | под заказ | 600 руб. |
| 24 | 65842-94401-000 | (актуальный код замены) Фильтр топливного шланга - Tube, Fuel Filter | | под заказ | 600 руб. |
| 24 | 65842-94401-000 | Фильтр топливного шланга - Tube, Fuel Filter (Tube, Fuel Filter) | | под заказ | 600 руб. |
| 25 | 65781-98500-000 | Зажим топливного шланга - Clip, Fuel Hose (Clip, Fuel Hose) | | 9 шт | 350 руб. |
| 26 | 09401-11407-000 | Зажим - Clip (Clip) | | под заказ | 150 руб. |
| 27 | 65720-95511-000 | Разъем топливного коннектора - Plug, Fuel Connector (Plug, fuel connector; E36, for kerosene) (Plug, Fuel Connector) | | под заказ | 5810 руб. |
| 27 | 65720-955L1-000 | (актуальный код замены) Разъем топливного коннектора (gas) - Plug, Fuel Connector (gas) | | под заказ | 5810 руб. |
| 27 | 65720-95512-000 | Разъем топливного коннектора - Plug, Fuel Connector (Plug, Fuel Connector) | | под заказ | 5810 руб. |
| 27 | 65720-955L1-000 | (актуальный код замены) Разъем топливного коннектора (gas) - Plug, Fuel Connector (gas) | | под заказ | 5810 руб. |
| 28 | 65318-93900-000 | Маркировка, Kerosene Caution - Mark, Kerosene Caution (Mark, kerosene caution;) (Mark, Kerosene Caution) | | под заказ | 520 руб. |
| 28 | 65318-93911-000 | (актуальный код замены) Маркировка, Kerosene Caution - Mark, Kerosene Caution | | под заказ | 520 руб. |
| 28 | 65318-93910-000 | Маркировка, Kerosene Caution - Mark, Kerosene Caution (Mark, Kerosene Caution) | | под заказ | 520 руб. |
| 28 | 65318-93911-000 | (актуальный код замены) Маркировка, Kerosene Caution - Mark, Kerosene Caution | | под заказ | 520 руб. |
| 29 | 61441-98500-000 | Маркировка, Ornament - Mark, Ornament (Mark, Ornament) | | под заказ | 0 руб. |
Время выполнения запроса 5.1074130535126 сек. |
|