| |
 |
|
 |
Вернуться к выбору узлов мотора
ДЕТАЛИРОВКА ДЛЯ МОДЕЛИ: SUZUKI DT20 W
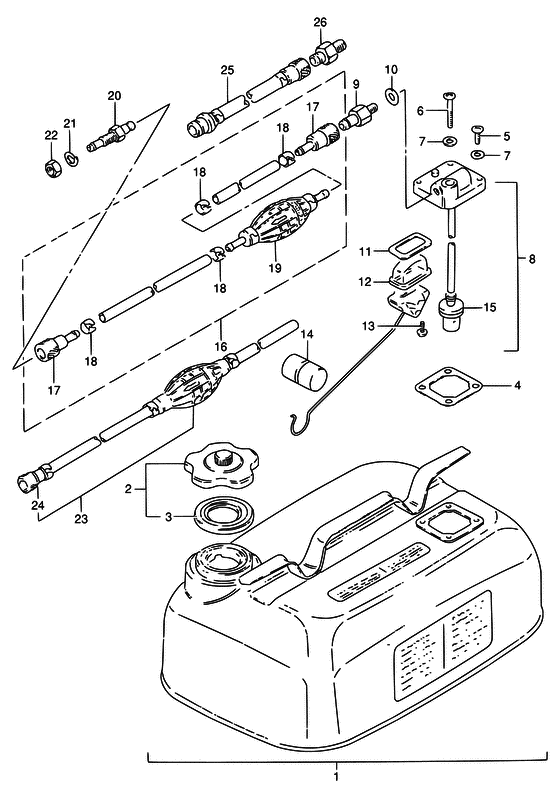
Топливный бак
Год выпуска двигателя: 1998
Регион: General Export No.1 ,Код региона: P01
Цвет: California Gray Metallic
Номер на рисунке | Артикул | Наименование | QTY | Кол-во на складе | Цена |
| 1 | 65800-92844-000 | (4 U.S.GAL./ 3.3IMP.GAL.) | | под заказ | 0 руб. |
| 1 | 65800-92845-000 | (актуальный код замены) Запчасть снята с производства - The Spare Part Is Laid Off | | под заказ | 0 руб. |
| 2 | 65510-98512-000 | Крышка горловины топливного бака, в сборе - Cap Assy, Fuel Tank (<-5510-98507) (Cap Assy, Fuel Tank) | | под заказ | 0 руб. |
| 2 | 65510-92D00-000 | (актуальный код замены) Запчасть снята с производства - The Spare Part Is Laid Off | | под заказ | 0 руб. |
| 2 | 65510-92D00-000 | Крышка горловины топливного бака, в сборе - Cap Assy, Fuel Tank (Cap assy, separate tank ) (Cap Assy, Fuel Tank) | | под заказ | 0 руб. |
| 3 | 65561-98502-000 | | | под заказ | 0 руб. |
| 4 | 65871-93010-000 | Прокладка, Fuel Gauge - Gasket, Fuel Gauge (Gasket, fuel gauge ) (Gasket, Fuel Gauge) | | под заказ | 240 руб. |
| 5 | 02112-06167-000 | Винт - Screw (Screw) | | под заказ | 120 руб. |
| 6 | 02112-06407-000 | Винт - Screw (Screw) | | под заказ | 130 руб. |
| 7 | 09168-06004-000 | Прокладка (6.2x11x1.2) - Gasket (62x11x12) (Washer (6x11.8x1.5) ) (Gasket (6.2x11x1.2)) | | под заказ | 120 руб. |
| 8 | 65850-98105-000 | | | под заказ | 0 руб. |
| 9 | 65740-95500-000 | Разъем топливного коннектора - Plug, Fuel Connector (Connector, fuel # OD:13 ) (Plug, Fuel Connector) | | под заказ | 2720 руб. |
| 9 | 65740-95501-000 | (актуальный код замены) Разъем топливного коннектора - Plug, Fuel Connector | | под заказ | 2720 руб. |
| 10 | 09168-12001-000 | Прокладка (12.5x20x1) - Gasket (125x20x1) (Gasket ) (Gasket (12.5x20x1)) | | под заказ | 220 руб. |
| 11 | 65854-93001-000 | Прокладка - Gasket (Gasket) | | под заказ | 0 руб. |
| 12 | 65853-93001-000 | Топливный фильтр Gauge - Strainer, Fuel Gauge (Strainer, Fuel Gauge) | | под заказ | 0 руб. |
| 13 | 02112-04107-000 | Винт - Screw (Screw) | | под заказ | 120 руб. |
| 14 | 65864-95200-000 | | | под заказ | 0 руб. |
| 15 | 65830-95500-000 | Фильтр - Filter (Filter) | | под заказ | 1180 руб. |
| 16 | 65700-95516-000 | Топливный шланг (от бака до коннектораector) - Hose, Fuel (tank To Connector) (MODEL:86, L:2550) (Hose, Fuel (tank To Connector)) | | под заказ | 30720 руб. |
| 16 | 65700-955A3-000 | (актуальный код замены) Шланг Comp, Fuel (от бака до коннектора) - Hose Comp, Fuel (tank To Conn) | | под заказ | 30720 руб. |
| 16 | 65700-955A0-000 | Топливный шланг (от бака до коннектораector) - Hose, Fuel (tank To Connector) (Hose, Fuel (tank To Connector)) | | под заказ | 30720 руб. |
| 16 | 65700-955A3-000 | (актуальный код замены) Шланг Comp, Fuel (от бака до коннектора) - Hose Comp, Fuel (tank To Conn) | | под заказ | 30720 руб. |
| 17 | 65750-95500-000 | Разъём топливного шланга - Socket, Fuel Hose (Socket, fuel hose (in) # <-5750-95510 ) (Socket, Fuel Hose) | | под заказ | 3700 руб. |
| 17 | 65750-95501-000 | (актуальный код замены) Разъём топливного шланга - Socket, Fuel Hose | | 2 шт | 3700 руб. |
| 17 | SF80211-4 | (не оригинальный аналог) Коннектор топливный SUNFINE тип Suzuki, Mercury, Evinrude, Tohatsu, 10мм 3GF-70281-0 | | под заказ | 1880 руб. |
| 18 | 65781-98500-000 | Зажим топливного шланга - Clip, Fuel Hose (Clip, Fuel Hose) | | 9 шт | 350 руб. |
| 19 | 65770-95504-000 | (<-5770-95503) | | под заказ | 0 руб. |
| 19 | 65770-95505-000 | (актуальный код замены) Запчасть снята с производства - The Spare Part Is Laid Off | | под заказ | 0 руб. |
| 20 | 65720-95511-000 | Разъем топливного коннектора - Plug, Fuel Connector (Plug, Fuel Connector) | | под заказ | 5810 руб. |
| 20 | 65720-955L1-000 | (актуальный код замены) Разъем топливного коннектора (gas) - Plug, Fuel Connector (gas) | | под заказ | 5810 руб. |
| 20 | 65720-95512-000 | Разъем топливного коннектора - Plug, Fuel Connector (Plug, Fuel Connector) | | под заказ | 5810 руб. |
| 20 | 65720-955L1-000 | (актуальный код замены) Разъем топливного коннектора (gas) - Plug, Fuel Connector (gas) | | под заказ | 5810 руб. |
| 21 | 08321-01127-000 | Шайба с блокировкой - Washer, Lock (Washer, Lock) | | под заказ | 150 руб. |
| 22 | 08310-00127-000 | Гайка - Nut (Nut) | | под заказ | 190 руб. |
| 23 | 65700-93914-000 | (E36, <-5700-93913) | | под заказ | 0 руб. |
| 24 | 65750-95500-000 | Разъём топливного шланга - Socket, Fuel Hose (Socket, fuel hose (in) # <-5750-95510 ) (Socket, Fuel Hose) | | под заказ | 3700 руб. |
| 24 | 65750-95501-000 | (актуальный код замены) Разъём топливного шланга - Socket, Fuel Hose | | 2 шт | 3700 руб. |
| 24 | SF80211-4 | (не оригинальный аналог) Коннектор топливный SUNFINE тип Suzuki, Mercury, Evinrude, Tohatsu, 10мм 3GF-70281-0 | | под заказ | 1880 руб. |
| 25 | 65700-95271-000 | (OPT, OD:13, ID:11) | | под заказ | 0 руб. |
| 25 | 65700-95272-000 | (актуальный код замены) Запчасть снята с производства - The Spare Part Is Laid Off | | под заказ | 0 руб. |
| 26 | 65720-98590-000 | Разъем топливного коннектора - Plug, Fuel Connector (Plug, fuel connector # OPT, OD:11 ) (Plug, Fuel Connector) | | 10 шт | 0 руб. |
| 26 | 65720-98591-000 | (актуальный код замены) Запчасть снята с производства - The Spare Part Is Laid Off | | под заказ | 0 руб. |
Время выполнения запроса 2.2385020256042 сек. |
|