УВАЖАЕМЫЕ КЛИЕНТЫ! C 19 ДЕКАБРЯ 2025 ПО 02 МАРТА 2026 ГОДА ОТДЕЛ ЗАПЧАСТЕЙ И СЕРВИС РАБОТАТЬ НЕ БУДУТ ПРОДАЖА ЛОДОЧНЫХ МОТОРОВ В ШТАТНОМ РЕЖИМЕ ОБ ИЗМЕНЕНИЯХ В ГРАФИКЕ РАБОТЫ ЧИТАЙТЕ НА САЙТА
Раздел:
Cylinder - Цилиндр для NOTE : COLOR : 0ED GRAY
Crankshaft - Коленвал
Inlet case - вход case для Suzuki DT20/25/30; NOTE : REFER TO FIG.4 B-7 FOR Suzuki DT25K
Inlet case - вход case для Suzuki DT25K; NOTE : COLOR : 0ED GRAY
Carburetor - Карбюратор для Suzuki DT20; NOTE : REFER TO FIG.6 B-10 FOR Suzuki DT25/30 REFER TO FIG.7 B-12 FO
Carburetor - Карбюратор для Suzuki DT25/30
Carburetor - Карбюратор для Suzuki DT25K
Oil seal housing - Корпус сальника для NOTE : COLOR : 0ED GRAY
Exhaust tube - Выхлоп Трубка
Fuel pump - Топливный насос для Suzuki DT20/25/30; NOTE : REFER TO FIG.11 C-5 FOR Suzuki DT25K
Fuel pump - Топливный насос для Suzuki DT25K
Water pump - Водяной насос для NOTE : COLOR : 0ED GRAY
Recoil starter - Барабанный стартер для ~MODEL:95; NOTE : COLOR : 0ED GRAY REFER TO FIG.14 C- 9 FOR MODEL:96~0
Recoil starter - Барабанный стартер для MODEL:96~00*; NOTE : COLOR : 0ED GRAY * : Suzuki DT20:651001~ Suzuki D
Throttle control - Управление дросселем для Suzuki DT20/25/30 ~MODEL:95; NOTE : REFER TO FIG.15AD-4 FOR Suzuki
Throttle control - Управление дросселем для Suzuki DT20/25/30 MODEL:96~00*; NOTE : COLOR : 0ED GRAY * : Suzuki
Throttle control - Управление дросселем для Suzuki DT25/30:E40 MODEL:96~00*; NOTE : * : Suzuki DT25:651236~ Su
Throttle control - Управление дросселем для Suzuki DT20/25/30:E13
Throttle control - Управление дросселем для Suzuki DT25K MODEL:96~00*; NOTE : * : Suzuki DT25K:651001~
Throttle control - Управление дросселем для Suzuki DT25K ~MODEL:95; NOTE : COLOR : 0ED GRAY
Clutch - Сцепление для MODEL:98~00
Clutch - Сцепление для ~MODEL:97; NOTE : COLOR : 0ED GRAY REFER TO FIG.18AD-11 FOR MODEL:98~00
Transmission - Трансмиссия для NOTE : COLOR : 0ED GRAY
Starting motor - Двигатель электростартера для MODEL:86~93; NOTE : REFER TO FIG.21E-3 FOR MODEL:94~00
Starting motor - Двигатель электростартера для MODEL:94~00
Magneto - Магнето для Suzuki DT20/25K/30 ~MODEL:94; NOTE : REFER TO FIG.23 E-5 FOR Suzuki DT20/25/30 MODEL:95
Magneto - Магнето для Suzuki DT20/25K/30 MODEL:96~00
Ignition - Ignition для ~MODEL:94; NOTE : REFER TO FIG.26 E- 8 FOR MODEL:95~00
Ignition - Ignition для MODEL:95~00
Electrical - Электрика
Electrical - Электрика для ELECTRIC STARTER
Clamp bracket - Кронштейн транца для ~MODEL:94; NOTE : REFER TO FIG.30 F-4 FOR MODEL:95~00 COLOR : 02M SILVER
Clamp bracket - Кронштейн транца для MODEL:95~00
Swivel bracket - Поворотный кронштейн
Driveshaft housing - Корпус вала передачи для NOTE : COLOR : 0ED GRAY
Gear case - Картер коробки передач для NOTE : COLOR : 0ED GRAY 019 BLACK
Under cover - Нижняя часть корпуса для MODEL:98~00
Under cover - Нижняя часть корпуса для ~MODEL:97; NOTE : COLOR : 0ED GRAY 02M SILVER 01T WHITE REFER TO FIG.34
Engine cover - Крышка двигателя (капот) для Suzuki DT20
Engine cover - Крышка двигателя (капот) для Suzuki DT20
Engine cover - Крышка двигателя (капот) для Suzuki DT20
Engine cover - Крышка двигателя (капот) для Suzuki DT25/25K
Engine cover - Крышка двигателя (капот) для Suzuki DT30
Engine cover - Крышка двигателя (капот) для Suzuki DT20/25K/30 MODEL:98~00
Handle - Handle для MODEL:86~92; NOTE : REFER TO FIG.45 H- 4 FOR MODEL:93~00
Handle - Handle для MODEL:93~00; NOTE : COLOR : 0ED GRAY
Fuel tank - Топливный бак для MODEL:86
Fuel tank - Топливный бак для MODEL:88~92/15L
Fuel tank - Топливный бак для MODEL:86
Fuel tank - Топливный бак для MODEL:87/23L/E06
Fuel tank - Топливный бак для MODEL:88~92/24L; NOTE : KRSN KEROSENE
Fuel tank - Топливный бак для MODEL:93~00/24L
Fuel tank - Топливный бак для MODEL:93~00/PLASTIC
Fuel tank - Топливный бак для MODEL:93~00/PLASTIC
Fuel tank - Топливный бак для MODEL:86/E28
Fuel tank - Топливный бак для MODEL:87~92/E28
Opt : electrical - Опции : Электрика для MANUAL STARTER
Opt : electrical - Опции : Электрика для ELECTRIC STARTER
Opt : electrical - Опции : Электрика для MANUAL STARTER
Optional : meter - Опции : Прибор для 1
Optional : meter - Опции : Прибор для 2
Optional : panel - Опции : panel для MODEL:93~00
Opt : remocon parts - Опции : remocon parts для NOTE : REFER TO FIG.63 K-4 FOR Suzuki DT25K:E13/E36 COLOR : 0E
Opt : remocon parts - Опции : remocon parts для Suzuki DT25K:E13/E36; NOTE : COLOR : 0ED GRAY
Opt : remocon box - Опции : remocon box для NOTE : * 67200-93951
Opt : remocon box - Опции : remocon box для MODEL:93~00; NOTE : * 67200-93991-0ED INCLUDES REF.NO.2~30
Optional : tie-rod - Опции : tie-Тяга
Opt : gasket set - Опции : Комплект прокладок
Optional - Опции
Вернуться к выбору узлов мотора
ДЕТАЛИРОВКА ДЛЯ МОДЕЛИ: SUZUKI DT20 Y
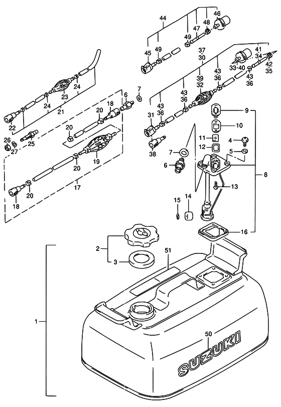
Топливный бак
Год выпуска двигателя: 2000
Регион: General Export No.1 ,Код региона: P01
Цвет: California Gray Metallic
Номер на рисунке Артикул Наименование QTY Кол-во на складе Цена
1 65800-92813-000 (4 U.S.GAL, 3.3 IMP.GAL <-5800-92812 )
под заказ 0 руб.
1 65800-92814-000 (актуальный код замены) Запчасть снята с производства - The Spare Part Is Laid Off
под заказ 0 руб.
2 65510-92D00-000 Крышка горловины топливного бака, в сборе - Cap Assy, Fuel Tank (Cap assy, separate tank ) (Cap Assy, Fuel Tank )
под заказ 0 руб.
3 65561-92D00-000 Прокладка - Gasket (Gasket, tank cap ) (Gasket )
под заказ 0 руб.
4 02112-16167-000 Винт - Screw (Screw )
под заказ 190 руб.
5 09168-06004-000 Прокладка (6.2x11x1.2) - Gasket (62x11x12) (Washer (6x11.8x1.5) # MODEL:88 ) (Gasket (6.2x11x1.2) )
под заказ 120 руб.
5 09168-06026-000 Прокладка (6.4x11.5x0.8) - Gasket (64x115x08) (MODEL:89~92 ) (Gasket (6.4x11.5x0.8) )
под заказ 240 руб.
6 65740-95500-000 Разъем топливного коннектора - Plug, Fuel Connector (Connector, fuel # OD:13 ) (Plug, Fuel Connector )
под заказ 2720 руб.
6 65740-95501-000 (актуальный код замены) Разъем топливного коннектора - Plug, Fuel Connector
под заказ 2720 руб.
7 09168-12001-000 Прокладка (12.5x20x1) - Gasket (125x20x1) (Gasket # MODEL:88 ) (Gasket (12.5x20x1) )
под заказ 220 руб.
7 09168-12015-000 Прокладка (12.2x21x0.8) - Gasket (122x21x08) (MODEL:89~92 ) (Gasket (12.2x21x0.8) )
под заказ 350 руб.
7 09168-12015-XC0 (актуальный код замены) Прокладка (12.2x21x0.8) - Gasket (12.2x21x0.8)
под заказ 350 руб.
7 09168-12015-XC0 Прокладка (12.2x21x0.8) - Gasket (122x21x08) (Gasket (12.2x21x0.8) )
под заказ 350 руб.
8 65850-92D51-000 Прибор - измеритель уровня топлива - Gauge Assy, Fuel (<-5850-92D50 ) (Gauge Assy, Fuel )
под заказ 7540 руб.
8 65850-92D52-000 (актуальный код замены) Прибор - измеритель уровня топлива - Gauge Assy, Fuel
под заказ 7540 руб.
9 65855-92D00-000 (MODEL:88 )
под заказ 0 руб.
9 65855-92D10-000 Крышка прибора - Cover, Gauge (MODEL:89~92 ) (Cover, Gauge )
под заказ 0 руб.
10 65854-92D10-000 (MODEL:88 )
под заказ 0 руб.
10 65854-92D20-000 Прокладка - Gasket (MODEL:89~92 ) (Gasket )
под заказ 0 руб.
11 65853-92D00-000 Lens - Lens (Lens )
под заказ 0 руб.
12 65854-92D00-000 (MODEL:88 )
под заказ 0 руб.
12 65854-92D30-000 (MODEL:89~92 )
под заказ 0 руб.
13 03222-04083-000 Винт - Screw (Screw )
под заказ 140 руб.
13 03221-0408A-000 (актуальный код замены) Винт - Screw
под заказ 140 руб.
13 03221-0408A-000 Винт - Screw (Screw )
под заказ 140 руб.
14 65864-92D00-000
под заказ 0 руб.
15 65866-92D00-000 Push Гайка - Push Nut (Nut, push ) (Push Nut )
под заказ 0 руб.
16 65871-92D00-000 Прокладка, Fuel Gauge - Gasket, Fuel Gauge (Gasket, Fuel Gauge )
под заказ 660 руб.
17 65700-95516-000 Топливный шланг (от бака до коннектораector) - Hose, Fuel (tank To Connector) (<-5700-95515 ) (Hose, Fuel (tank To Connector) )
под заказ 30720 руб.
17 65700-955A3-000 (актуальный код замены) Шланг Comp, Fuel (от бака до коннектора) - Hose Comp, Fuel (tank To Conn)
под заказ 30720 руб.
17 65700-955A0-000 Топливный шланг (от бака до коннектораector) - Hose, Fuel (tank To Connector) (Hose, Fuel (tank To Connector) )
под заказ 30720 руб.
17 65700-955A3-000 (актуальный код замены) Шланг Comp, Fuel (от бака до коннектора) - Hose Comp, Fuel (tank To Conn)
под заказ 30720 руб.
18 65750-95500-000 Разъём топливного шланга - Socket, Fuel Hose (Socket, fuel hose (in) # <-5750-95510 ) (Socket, Fuel Hose )
под заказ 3700 руб.
18 65750-95501-000 (актуальный код замены) Разъём топливного шланга - Socket, Fuel Hose
2 шт 3700 руб.
18 SF80211-4 (не оригинальный аналог) Коннектор топливный SUNFINE тип Suzuki, Mercury, Evinrude, Tohatsu, 10мм 3GF-70281-0
под заказ 1880 руб.
19 65770-95504-000 (<-5770-95503 )
под заказ 0 руб.
19 65770-95505-000 (актуальный код замены) Запчасть снята с производства - The Spare Part Is Laid Off
под заказ 0 руб.
20 65781-98500-000 Зажим топливного шланга - Clip, Fuel Hose (Clip, Fuel Hose )
9 шт 350 руб.
21 65700-93914-000 (E36, <-5700-93913 )
под заказ 0 руб.
22 65750-95500-000 Разъём топливного шланга - Socket, Fuel Hose (Socket, fuel hose (in) # E36 ) (Socket, Fuel Hose )
под заказ 3700 руб.
22 65750-95501-000 (актуальный код замены) Разъём топливного шланга - Socket, Fuel Hose
2 шт 3700 руб.
22 SF80211-4 (не оригинальный аналог) Коннектор топливный SUNFINE тип Suzuki, Mercury, Evinrude, Tohatsu, 10мм 3GF-70281-0
под заказ 1880 руб.
23 65770-93903-000 (E36, <-5770-93902 )
под заказ 0 руб.
23 65770-93904-000 (актуальный код замены) Запчасть снята с производства - The Spare Part Is Laid Off
под заказ 0 руб.
24 65781-98500-000 Зажим топливного шланга - Clip, Fuel Hose (E36 ) (Clip, Fuel Hose )
9 шт 350 руб.
25 65720-95511-000 Разъем топливного коннектора - Plug, Fuel Connector (OD:13 ) (Plug, Fuel Connector )
под заказ 5810 руб.
25 65720-955L1-000 (актуальный код замены) Разъем топливного коннектора (gas) - Plug, Fuel Connector (gas)
под заказ 5810 руб.
25 65720-95512-000 Разъем топливного коннектора - Plug, Fuel Connector (Plug, Fuel Connector )
под заказ 5810 руб.
25 65720-955L1-000 (актуальный код замены) Разъем топливного коннектора (gas) - Plug, Fuel Connector (gas)
под заказ 5810 руб.
26 08310-00127-000 Гайка - Nut (Nut )
под заказ 190 руб.
27 08321-01127-000 Шайба с блокировкой - Washer, Lock (Washer, Lock )
под заказ 150 руб.
30 65700-87D40-000 (MODEL:91, 92/E13, E40, L:2600 )
под заказ 0 руб.
31 65750-94404-000 Разъём топливного шланга - Socket, Fuel Hose (Connector, fuel # MODEL:91, 92/E13, E40 <-5750-94403 ) (Socket, Fuel Hose )
1 шт 2130 руб.
32 65770-95504-000 (MODEL:91, 92/E13, E40 )
под заказ 0 руб.
32 65770-95505-000 (актуальный код замены) Запчасть снята с производства - The Spare Part Is Laid Off
под заказ 0 руб.
33 65830-95500-000 Фильтр - Filter (MODEL:91, 92/E13, E40 ) (Filter )
под заказ 1180 руб.
34 65842-94400-000 Фильтр топливного шланга - Tube, Fuel Filter (MODEL:91, 92/E13, E40 ) (Tube, Fuel Filter )
под заказ 600 руб.
34 65842-94401-000 (актуальный код замены) Фильтр топливного шланга - Tube, Fuel Filter
под заказ 600 руб.
34 65842-94401-000 Фильтр топливного шланга - Tube, Fuel Filter (Tube, Fuel Filter )
под заказ 600 руб.
35 09401-11407-000 Зажим - Clip (MODEL:91, 92/E13, E40 ) (Clip )
под заказ 150 руб.
36 65781-98500-000 Зажим топливного шланга - Clip, Fuel Hose (MODEL:91, 92/E13, E40 ) (Clip, Fuel Hose )
9 шт 350 руб.
37 65700-94411-000 Топливный шланг (gas от бака до коннектора) - Hose, Fuel (gas Tank To Conn) (FOR KEROSENE, MODEL:91, 92 E13, E36, L:3100 ) (Hose, Fuel (gas Tank To Conn) )
под заказ 12440 руб.
37 65700-94440-000 (актуальный код замены) Топливный шланг (от бака до коннектора) - Hose, Fuel (tank To Conn)
под заказ 12440 руб.
37 65700-94416-000 Топливный шланг (gas от бака до коннектора) - Hose, Fuel (gas Tank To Conn) (Hose, Fuel (gas Tank To Conn) )
под заказ 12440 руб.
37 65700-94440-000 (актуальный код замены) Топливный шланг (от бака до коннектора) - Hose, Fuel (tank To Conn)
под заказ 12440 руб.
38 65750-95500-000 Разъём топливного шланга - Socket, Fuel Hose (Socket, fuel hose (in) # FOR KEROSENE, MODEL:91, 92 E13, E36, <-5750-95510 ) (Socket, Fuel Hose )
под заказ 3700 руб.
38 65750-95501-000 (актуальный код замены) Разъём топливного шланга - Socket, Fuel Hose
2 шт 3700 руб.
38 SF80211-4 (не оригинальный аналог) Коннектор топливный SUNFINE тип Suzuki, Mercury, Evinrude, Tohatsu, 10мм 3GF-70281-0
под заказ 1880 руб.
39 65770-95504-000 (FOR KEROSENE, MODEL:91, 92 E13, E36 )
под заказ 0 руб.
39 65770-95505-000 (актуальный код замены) Запчасть снята с производства - The Spare Part Is Laid Off
под заказ 0 руб.
40 65830-95500-000 Фильтр - Filter (FOR KEROSENE, MODEL:91, 92 E13, E36 ) (Filter )
под заказ 1180 руб.
41 65842-94400-000 Фильтр топливного шланга - Tube, Fuel Filter (FOR KEROSENE, MODEL:91, 92 E13, E36 ) (Tube, Fuel Filter )
под заказ 600 руб.
41 65842-94401-000 (актуальный код замены) Фильтр топливного шланга - Tube, Fuel Filter
под заказ 600 руб.
41 65842-94401-000 Фильтр топливного шланга - Tube, Fuel Filter (Tube, Fuel Filter )
под заказ 600 руб.
42 09401-11407-000 Зажим - Clip (FOR KEROSENE, MODEL:91, 92 E13, E36 ) (Clip )
под заказ 150 руб.
43 65781-98500-000 Зажим топливного шланга - Clip, Fuel Hose (FOR KEROSENE, MODEL:91, 92 E13, E36 ) (Clip, Fuel Hose )
9 шт 350 руб.
44 65700-94420-000 Топливный шланг (krsn) - Hose, Fuel (krsn) (FOR KEROSENE, MODEL:91, 92 E13, E36, L:3100 ->5700-94430 ) (Hose, Fuel (krsn) )
под заказ 9320 руб.
44 65700-94433-000 (актуальный код замены) Топливный шланг (krsn) - Hose, Fuel (krsn)
под заказ 9320 руб.
44 65700-94433-000 Топливный шланг (krsn) - Hose, Fuel (krsn) (Hose, Fuel (krsn) )
под заказ 9320 руб.
45 65750-94404-000 Разъём топливного шланга - Socket, Fuel Hose (Connector, fuel # FOR KEROSENE, MODEL:91, 92 E13, E36 ) (Socket, Fuel Hose )
1 шт 2130 руб.
46 65830-95500-000 Фильтр - Filter (FOR KEROSENE, MODEL:91, 92 E13, E36 ) (Filter )
под заказ 1180 руб.
47 65842-94400-000 Фильтр топливного шланга - Tube, Fuel Filter (FOR KEROSENE, MODEL:91, 92 E13, E36 ) (Tube, Fuel Filter )
под заказ 600 руб.
47 65842-94401-000 (актуальный код замены) Фильтр топливного шланга - Tube, Fuel Filter
под заказ 600 руб.
47 65842-94401-000 Фильтр топливного шланга - Tube, Fuel Filter (Tube, Fuel Filter )
под заказ 600 руб.
48 09401-11407-000 Зажим - Clip (FOR KEROSENE, MODEL:91, 92 E13, E36 ) (Clip )
под заказ 150 руб.
49 65781-98500-000 Зажим топливного шланга - Clip, Fuel Hose (FOR KEROSENE, MODEL:91, 92 E13, E36 ) (Clip, Fuel Hose )
9 шт 350 руб.
50 61441-98500-000 Маркировка, Ornament - Mark, Ornament (Mark, Ornament )
под заказ 0 руб.
51 65317-98520-000 Маркировка, Fuel Колпачокacity (15l) - Mark, Fuel Capacity (15l) (Mark, fuel capacity (15l) ) (Mark, Fuel Capacity (15l) )
под заказ 0 руб.
Время выполнения запроса 2.5265731811523 сек.