| |
 |
|
 |
Вернуться к выбору узлов мотора
ДЕТАЛИРОВКА ДЛЯ МОДЕЛИ: SUZUKI DT25K FROM 02503K-310001~
Опции: электрика
Год выпуска двигателя: 2013
Цвет: Shadow Black Metallic
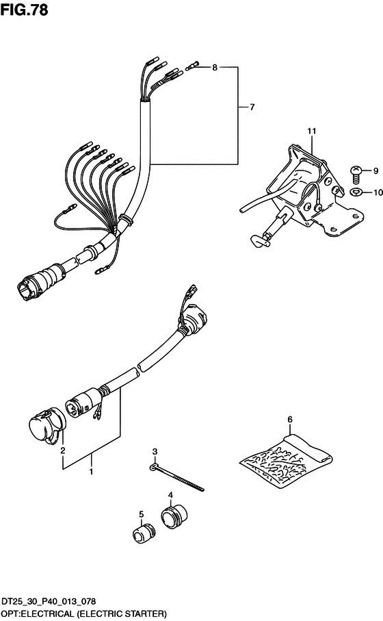
Номер на рисунке | Артикул | Наименование | QTY | Кол-во на складе | Цена |
| 1 | 36620-87D20-000 | Удлинитель кабеля дистанционного управления (l: 5000) - Wire, Remocon Extension (l:5000) (Wiring harness, extension # L:5000 ) (Wire, Remocon Extension (l:5000)) | | под заказ | 17480 руб. |
| 1 | 36620-95302-000 | Удлинитель кабеля дистанционного управления (l: 2000) - Wire, Remocon Extension (l:2000) (Wiring harness, extension # L:2000 ) (Wire, Remocon Extension (l:2000)) | | под заказ | 12630 руб. |
| 2 | 36631-94300-000 | Колпачок на дистанционное управление Жгут проводов - Cap, Remote Control Harness (Cap, Remote Control Harness) | | под заказ | 390 руб. |
| 3 | 09407-25402-000 | Струбцина (l: 250) - Clamp (l:250) (Clamp, tilt sw ) (Clamp (l:250)) | | под заказ | 350 руб. |
| 4 | 36612-94301-000 | Пыльник, Жгут проводов Коннектор - Grommet, Harness Connector (Grommet, cable no.1 ) (Grommet, Harness Connector) | | под заказ | 500 руб. |
| 5 | 36613-94300-000 | Пыльник кабеля (no.2) - Grommet, Cable (no2) (Grommet, cable no.2 ) (Grommet, Cable (no.2)) | | под заказ | 430 руб. |
| 6 | 36990-87D00-000 | Клемма / Гильза Set - Terminal / Sleeve Set (Terminal & sleeve set ) (Terminal / Sleeve Set) | | 1 шт | 1720 руб. |
| 7 | 36620-95D00-000 | Жгут проводов, WiКольцо Ext - Harness, Wiring Ext (Wiring harness 9 wires ) (Harness, Wiring Ext) | | под заказ | 23620 руб. |
| 8 | 36615-96300-000 | Клемма - Terminal (Terminal) | | под заказ | 120 руб. |
| 9 | 02112-05127-000 | Винт - Screw (Screw, vacuum sw valve ) (Screw) | | 31 шт | 150 руб. |
| 10 | 08321-0105A-000 | Шайба с блокировкой - Washer, Lock (Washer, Lock) | | под заказ | 140 руб. |
| 11 | 38600-96301-000 | Соленоид заслонки - Solenoid Assy, Choke (Solenoid, choke ) (Solenoid Assy, Choke) | | под заказ | 9360 руб. |
Время выполнения запроса 0.62476491928101 сек. |
|