Оригинальные запчасти на подвесной лодочный двигатель SUZUKI модель 2012 года - Cylinder
вконтакте

Контактный телефон: +7 (981) 121-46-93, +7 (800) 200-90-76 , Email: parts-katalog@yandex.ru, где купить

 
 

  Логин:

Пароль:

Регистрация

www.partskatalog.ru Все каталоги Запчасти Mercury Запчасти Suzuki Запчасти Tohatsu Запчасти Honda Контакты



УВАЖАЕМЫЕ КЛИЕНТЫ!
C 19 ДЕКАБРЯ 2025 ПО 02 МАРТА 2026 ГОДА ОТДЕЛ ЗАПЧАСТЕЙ И СЕРВИС РАБОТАТЬ НЕ БУДУТ
ПРОДАЖА ЛОДОЧНЫХ МОТОРОВ В ШТАТНОМ РЕЖИМЕ
ОБ ИЗМЕНЕНИЯХ В ГРАФИКЕ РАБОТЫ ЧИТАЙТЕ НА САЙТА



назад Раздел:   вперёд

Вернуться к выбору узлов мотора


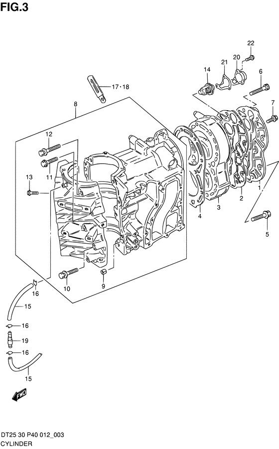
ДЕТАЛИРОВКА ДЛЯ МОДЕЛИ: SUZUKI DT25K FROM 02503K-210001~

Цилиндр


Год выпуска двигателя: 2012

Цвет: Shadow Black Metallic

Номер на
рисунке
АртикулНаименованиеQTYКол-во
на складе
Цена
111161-91L00-000

Крышка головки цилиндра - Cover, Cylinder Head (Cover, Cylinder Head)

под заказ30960 руб.
111161-96310-0EP

   (актуальный код замены) Крышка головки цилиндра - Cover, Cylinder Head

под заказ30960 руб.
111161-96310-0EP

Крышка головки цилиндра - Cover, Cylinder Head (Cover, Cylinder Head)

под заказ30960 руб.
211162-96310-000

Прокладка крышки головки блока цилиндра (na) - Gasket, Cyl Head Cover (na) (Gasket, cylinder head cover ) (Gasket, Cyl Head Cover (na))

23 шт1370 руб.
2SM-11162-96310-000

   (не оригинальный аналог) Прокладка SM-11162-96310-000 крышки головки блока цилиндра

1 шт500 руб.
311111-91L00-000

Головка цилиндра - Head, Cylinder (Head, Cylinder)

под заказ19780 руб.
311111-91L20-000

   (актуальный код замены) Головка цилиндра - Head, Cylinder

под заказ19780 руб.
311111-91L20-000

Головка цилиндра - Head, Cylinder (Head, Cylinder)

под заказ19780 руб.
411141-96344-000

Прокладка головки блока цилиндра - Gasket, Cylinder Head (Gasket, Cylinder Head)

11 шт3140 руб.
4SM-11141-96343-000

   (не оригинальный аналог) Прокладка SM-11141-96343-000 головки блока цилиндра

под заказ500 руб.
4SK11141-96344

   (не оригинальный аналог) Прокладка головки блока цилиндров Skipper для Suzuki Модели техники: 20-30

0 шт680 руб.
4SC-GS106

   (не оригинальный аналог) Прокладка под головку Suzuki SC-GS106

1 шт1120 руб.
501560-08657-000

Болт - Bolt (Bolt)

1 шт350 руб.
607130-08657-000

Болт - Bolt (Bolt)

10 шт330 руб.
701580-06257-000

Болт - Bolt (Bolt)

под заказ210 руб.
811300-91L00-000

Блок цилиндра в сборе - Block Assy, Cylinder (Block Assy, Cylinder)

под заказ166560 руб.
811300-91L80-000

   (актуальный код замены) Блок цилиндра в сборе - Block Assy, Cylinder

под заказ166560 руб.
811300-91L50-000

Блок цилиндра в сборе - Block Assy, Cylinder (Block Assy, Cylinder)

под заказ166560 руб.
811300-91L80-000

   (актуальный код замены) Блок цилиндра в сборе - Block Assy, Cylinder

под заказ166560 руб.
904211-09109-000

Штифт - Pin (Knock pin ) (Pin)

под заказ120 руб.
1001560-08557-000

Болт - Bolt (Bolt)

под заказ260 руб.
1101560-08457-000

Болт - Bolt (Bolt)

под заказ260 руб.
1201560-08607-000

Болт - Bolt (Bolt)

под заказ290 руб.
1302162-06257-000

Винт - Screw (Bolt ) (Screw)

7 шт150 руб.
1417670-93962-000

Термостат 50 градусов - Thermostat, Water 50 Deg (Thermostat (50яc) ) (Thermostat, Water 50 Deg)

под заказ5810 руб.
1417670-93964-000

   (актуальный код замены) Термостат 50 градусов - Thermostat, Water 50 Deg

17 шт6850 руб.
1509343-03510-000

Шланг (3.1x6.8x180) - Hose (31x68x180) (L:180 ) (Hose (3.1x6.8x180))

под заказ220 руб.
1609401-06406-000

Зажим - Clip (Clip)

под заказ190 руб.
1729404-93J10-000

Струбцина - Clamp (Clamp)

под заказ190 руб.
1729404-93J11-000

   (актуальный код замены) Струбцина - Clamp

под заказ190 руб.
1809404-06435-000

Струбцина (l: 135) - Clamp (l:135) (Clamp (l:135))

под заказ230 руб.
1916710-95211-000

Контрольный клапан - Valve, Check (Valve, Check)

под заказ1660 руб.
2017681-91L00-000

Крышка термостата - Cover, Thermostat (Cover, Thermostat)

под заказ14500 руб.
2017681-96300-0EP

   (актуальный код замены) Крышка термостата - Cover, Thermostat

под заказ14500 руб.
2017681-96300-0EP

Крышка термостата - Cover, Thermostat (Cover, Thermostat)

под заказ14500 руб.
2117685-96300-000

Прокладка крышки термостата - Gasket, Thermostat Cover (Gasket, Thermostat Cover)

10 шт480 руб.
2209103-06125-000

Болт (6x16) - Bolt (6x16) (Bolt (6x16))

под заказ180 руб.


Время выполнения запроса 2.2367978096008 сек.

 
 

данный сайт носит информационный характер и не является публичной офертой

склад запчастей для водомоторной техники