Запчасти на двигатель Suzuki модель 1981 года - Carburetor
вконтакте

Контактный телефон: +7 (981) 121-46-93, +7 (800) 200-90-76 , Email: parts-katalog@yandex.ru, где купить

 
 

  Логин:

Пароль:

Регистрация

www.partskatalog.ru Все каталоги Запчасти Mercury Запчасти Suzuki Запчасти Tohatsu Запчасти Honda Контакты



УВАЖАЕМЫЕ КЛИЕНТЫ!
C 19 ДЕКАБРЯ 2025 ПО 02 МАРТА 2026 ГОДА ОТДЕЛ ЗАПЧАСТЕЙ И СЕРВИС РАБОТАТЬ НЕ БУДУТ
ПРОДАЖА ЛОДОЧНЫХ МОТОРОВ В ШТАТНОМ РЕЖИМЕ
ОБ ИЗМЕНЕНИЯХ В ГРАФИКЕ РАБОТЫ ЧИТАЙТЕ НА САЙТА



назад Раздел:   вперёд

Вернуться к выбору узлов мотора


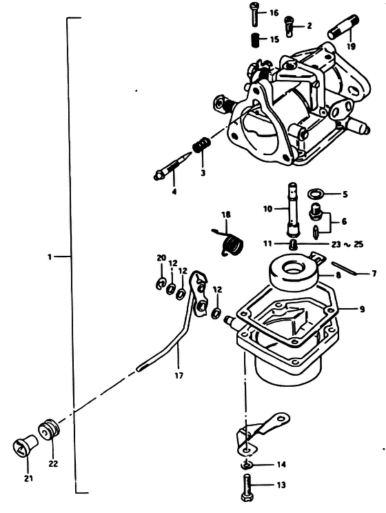
ДЕТАЛИРОВКА ДЛЯ МОДЕЛИ: SUZUKI DT25 J

Карбюратор


Год выпуска двигателя: 1981

Номер на
рисунке
АртикулНаименованиеQTYКол-во
на складе
Цена
113200-93412-000

(TO 13200-93413, SEE NOTE)

под заказ0 руб.
113200-93420-000

   (актуальный код замены) Запчасть снята с производства - The Spare Part Is Laid Off

под заказ0 руб.
113200-93413-000

(SEE NOTE)

под заказ0 руб.
113200-93420-000

   (актуальный код замены) Запчасть снята с производства - The Spare Part Is Laid Off

под заказ0 руб.
209492-75001-000

Контрольная форсунка (75) - Jet, Pilot (75) (Pilot jet (75) ) (Jet, Pilot (75))

под заказ960 руб.
313271-93311-000

Пружина - Spring (Spring, air screw ) (Spring)

1 шт350 руб.
413269-93311-000

Винт контроля воздуха - Screw, Pilot Air (Screw, pilot air ) (Screw, Pilot Air)

под заказ810 руб.
513392-58600-000

Прокладка седла клапана - Gasket, Valve Seat (Gasket, valve seat ) (Gasket, Valve Seat)

1 шт150 руб.
613370-28110-000

Игольчатый клапан, в сборе - Valve Assy, Needle (Valve assy, needle ) (Valve Assy, Needle)

4 шт4350 руб.
713254-93010-000

Стопор поплавка - Pin, Float (Pin, Float)

под заказ240 руб.
713254-98300-000

   (актуальный код замены) Стопор поплавка - Pin, Float

под заказ240 руб.
713254-98300-000

Стопор поплавка - Pin, Float (Pin, float ) (Pin, Float)

под заказ240 руб.
813250-93012-000

Поплавок - Float (Float)

под заказ1950 руб.
913251-93310-000

Прокладка поплавковой камеры - Gasket, Float Cahmber (Gasket, Float Cahmber)

под заказ840 руб.
913251-93320-000

   (актуальный код замены) Прокладка поплавковой камеры - Gasket, Float Cahmber

под заказ840 руб.
913251-93320-000

Прокладка поплавковой камеры - Gasket, Float Cahmber (Gasket, float chamber ) (Gasket, Float Cahmber)

под заказ840 руб.
1013235-95210-000

Nozzle - Nozzle (Nozzle, main ) (Nozzle)

под заказ3240 руб.
1109491-32006-000

Главная форсунка (160) - Jet, Main (160) (Jet, Main (160))

под заказ1120 руб.
1109491-32012-000

   (актуальный код замены) Главная форсунка (160) - Jet, Main (160)

2 шт1120 руб.
1109491-32012-000

Главная форсунка (160) - Jet, Main (160) (Jet, main (160) ) (Jet, Main (160))

2 шт1120 руб.
1213589-95210-000

Шайба, Choke Рычаг - Washer, Choke Lever (Washer ) (Washer, Choke Lever)

под заказ320 руб.
1302112-05208-000

Винт - Screw (Screw)

под заказ150 руб.
1302112-05207-000

   (актуальный код замены) Винт - Screw

под заказ150 руб.
1302112-05207-000

Винт - Screw (Screw)

под заказ150 руб.
1313281-94500-000

под заказ0 руб.
1408321-21058-000

Шайба с блокировкой - Washer, Lock (Washer, Lock)

под заказ140 руб.
1408321-0105A-000

   (актуальный код замены) Шайба с блокировкой - Washer, Lock

под заказ140 руб.
1408321-0105A-000

Шайба с блокировкой - Washer, Lock (Washer, Lock)

под заказ140 руб.
1409162-05002-000

Шайба с блокировкой - Washer, Lock (Lock washer ) (Washer, Lock)

под заказ130 руб.
1513268-96110-000

Пружина, Дроссель Винт - Spring, Throttle Screw (Spring, Throttle Screw)

под заказ350 руб.
1513268-96111-000

   (актуальный код замены) Пружина, Дроссель Винт - Spring, Throttle Screw

под заказ350 руб.
1513268-96111-000

Пружина, Дроссель Винт - Spring, Throttle Screw (Spring, throttle screw ) (Spring, Throttle Screw)

под заказ350 руб.
1613267-96111-000

под заказ0 руб.
1713413-93400-000

под заказ0 руб.
1813573-93310-000

под заказ0 руб.
1901411-08208-000

Болт под шпильку - Bolt, Stud (Bolt, Stud)

под заказ170 руб.
1901411-0820B-000

   (актуальный код замены) Болт под шпильку - Bolt, Stud

под заказ170 руб.
1901411-0820B-000

Болт под шпильку - Bolt, Stud (Bolt, Stud)

под заказ170 руб.
2013593-93400-000

под заказ0 руб.
2113631-93500-000

Рукоятка стартера - Knob, Starter (Knob, Starter)

под заказ460 руб.
2113631-93501-000

   (актуальный код замены) Рукоятка стартера - Knob, Starter

2 шт460 руб.
2113631-93501-000

Рукоятка стартера - Knob, Starter (Knob, Starter)

2 шт460 руб.
2113631-99002-000

Рукоятка стартера - Knob, Starter (TO 13631-93500) (Knob, Starter)

под заказ460 руб.
2113631-93501-000

   (актуальный код замены) Рукоятка стартера - Knob, Starter

2 шт460 руб.
2113631-93501-000

Рукоятка стартера - Knob, Starter (Knob, Starter)

2 шт460 руб.
2209308-03003-000

под заказ0 руб.
2309491-30008-000

Главная форсунка (150) - Jet, Main (150) (OPT) (Jet, Main (150))

под заказ970 руб.
2309491-30010-000

   (актуальный код замены) Главная форсунка (150) - Jet, Main (150)

1 шт970 руб.
2309491-30010-000

Главная форсунка (150) - Jet, Main (150) (Jet, main (#150) ) (Jet, Main (150))

1 шт970 руб.
2409491-31003-000

Контрольная форсунка (155) - Jet, Pilot (155) (OPT) (Jet, Pilot (155))

под заказ0 руб.
2409491-31014-000

   (актуальный код замены) Запчасть снята с производства - The Spare Part Is Laid Off

под заказ0 руб.
2409491-31014-000

Контрольная форсунка (155) - Jet, Pilot (155) (Jet, Pilot (155))

под заказ0 руб.
2509491-33001-000

Главная форсунка (165) - Jet, Main (165) (OPT) (Jet, Main (165))

под заказ880 руб.
2509491-33004-000

   (актуальный код замены) Главная форсунка (165) - Jet, Main (165)

под заказ880 руб.
2509491-33004-000

Главная форсунка (165) - Jet, Main (165) (Jet, main (#165) ) (Jet, Main (165))

под заказ880 руб.


Время выполнения запроса 2.5995759963989 сек.

 
 

данный сайт носит информационный характер и не является публичной офертой

склад запчастей для водомоторной техники