Запчасти на лодочный мотор SUZUKI модель 1981 года - Кронштейн транца
вконтакте

Контактный телефон: +7 (981) 121-46-93, +7 (800) 200-90-76 , Email: parts-katalog@yandex.ru, где купить

 
 

  Логин:

Пароль:

Регистрация

www.partskatalog.ru Все каталоги Запчасти Mercury Запчасти Suzuki Запчасти Tohatsu Запчасти Honda Контакты



УВАЖАЕМЫЕ КЛИЕНТЫ!
C 19 ДЕКАБРЯ 2025 ПО 02 МАРТА 2026 ГОДА ОТДЕЛ ЗАПЧАСТЕЙ И СЕРВИС РАБОТАТЬ НЕ БУДУТ
ПРОДАЖА ЛОДОЧНЫХ МОТОРОВ В ШТАТНОМ РЕЖИМЕ
ОБ ИЗМЕНЕНИЯХ В ГРАФИКЕ РАБОТЫ ЧИТАЙТЕ НА САЙТА



назад Раздел:   вперёд

Вернуться к выбору узлов мотора


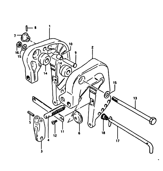
ДЕТАЛИРОВКА ДЛЯ МОДЕЛИ: SUZUKI DT25 J

Кронштейн транца


Год выпуска двигателя: 1981

Номер на
рисунке
АртикулНаименованиеQTYКол-во
на складе
Цена
141111-93004-01J

(MODEL G, MARK S)

под заказ0 руб.
141110-93400-01J

   (актуальный код замены) Запчасть снята с производства - The Spare Part Is Laid Off

под заказ0 руб.
141111-93005-01J

под заказ0 руб.
141110-93400-01J

   (актуальный код замены) Запчасть снята с производства - The Spare Part Is Laid Off

под заказ0 руб.
141110-93400-01J

(MODEL J/VZ)

под заказ0 руб.
241121-93004-01J

(MODEL G, MARK S)

под заказ0 руб.
241120-93400-02M

   (актуальный код замены) Запчасть снята с производства - The Spare Part Is Laid Off

под заказ0 руб.
241121-93005-01J

под заказ0 руб.
241120-93400-02M

   (актуальный код замены) Запчасть снята с производства - The Spare Part Is Laid Off

под заказ0 руб.
241120-93400-01J

(MODEL J/VZ)

под заказ0 руб.
241120-93400-02M

   (актуальный код замены) Запчасть снята с производства - The Spare Part Is Laid Off

под заказ0 руб.
341212-93000-01J

Струбцина румпеля (gray) - Handle, Clamp (gray) (Handle, Clamp (gray))

под заказ0 руб.
341212-93001-0ED

   (актуальный код замены) Запчасть снята с производства - The Spare Part Is Laid Off

под заказ0 руб.
341212-93001-0ED

Струбцина румпеля (gray) - Handle, Clamp (gray) (Handle, Clamp (gray))

под заказ0 руб.
441211-93001-000

Винт зажима - Screw, Clamp (Screw, Clamp)

под заказ1720 руб.
441211-93920-000

   (актуальный код замены) Винт зажима - Screw, Clamp

под заказ1720 руб.
441211-93920-000

Винт зажима - Screw, Clamp (Screw, clamp, l:90 ) (Screw, Clamp)

под заказ1720 руб.
441211-93701-000

Винт зажима - Screw, Clamp (OPT) (Screw, Clamp)

под заказ1720 руб.
441211-93920-000

   (актуальный код замены) Винт зажима - Screw, Clamp

под заказ1720 руб.
441211-93920-000

Винт зажима - Screw, Clamp (Screw, clamp, l:90 ) (Screw, Clamp)

под заказ1720 руб.
441211-93711-000

Винт зажима - Screw, Clamp (OPT) (Screw, Clamp)

под заказ1720 руб.
441211-93900-000

   (актуальный код замены) Винт зажима - Screw, Clamp

под заказ1720 руб.
441211-93900-000

Винт зажима - Screw, Clamp (Screw, clamp, l:68 ) (Screw, Clamp)

под заказ1720 руб.
509205-06007-000

Стопор пружины (6x25) - Pin, Spring (6x25) (Pin (6x27) ) (Pin, Spring (6x25))

13 шт170 руб.
641213-93001-000

под заказ0 руб.
641213-93002-000

   (актуальный код замены) Запчасть снята с производства - The Spare Part Is Laid Off

под заказ0 руб.
741221-93001-000

Ручка, Стопор наклона - Knob, Tilt Stopper (Knob, tilt stopper ) (Knob, Tilt Stopper)

2 шт410 руб.
809205-03015-000

Стопор пружины (3x8) - Pin, Spring (3x8) (Pin, Spring (3x8))

под заказ130 руб.
809205-03032-000

   (актуальный код замены) Стопор пружины (3x8) - Pin, Spring (3x8)

под заказ130 руб.
809205-03032-000

Стопор пружины (3x8) - Pin, Spring (3x8) (Pin (3x8) ) (Pin, Spring (3x8))

под заказ130 руб.
909200-12001-000

Штифт - Pin (Pin)

под заказ0 руб.
909200-12003-000

   (актуальный код замены) Запчасть снята с производства - The Spare Part Is Laid Off

1 шт0 руб.
909200-12003-000

Штифт - Pin (Pin, tilt stopper ) (Pin)

1 шт0 руб.
1009300-12009-000

Втулка (12x15x20) - Bush (12x15x20) (Bushing, tilt stopper pin ) (Bush (12x15x20))

1 шт840 руб.
1141311-93000-000

под заказ0 руб.
1141311-93001-000

   (актуальный код замены) Запчасть снята с производства - The Spare Part Is Laid Off

под заказ0 руб.
1209126-06001-000

под заказ0 руб.
1309100-10086-000

под заказ0 руб.
1409306-11002-000

под заказ0 руб.
1509160-10040-000

Шайба (10.5x19x2) - Washer (105x19x2) (Washer (10.5x19x2))

под заказ120 руб.
1509160-10082-000

   (актуальный код замены) Шайба (10.5x19x2) - Washer (10.5x19x2)

19 шт120 руб.
1509160-10082-000

Шайба (10.5x19x2) - Washer (105x19x2) (Washer ) (Washer (10.5x19x2))

19 шт120 руб.
1609140-10015-000

Гайка - Nut (Nut)

под заказ160 руб.
1609140-10031-000

   (актуальный код замены) Гайка - Nut

10 шт160 руб.
1609140-10031-000

Гайка - Nut (Nut)

10 шт160 руб.
1745420-93000-000

под заказ0 руб.
1809441-17001-000

Пружина - Spring (Spring)

11 шт220 руб.


Время выполнения запроса 2.5199611186981 сек.

 
 

данный сайт носит информационный характер и не является публичной офертой

склад запчастей для водомоторной техники