Комплектующие на подвесной лодочный двигатель Suzuki модель 1982 года - Remote control - Дистанционное управление
вконтакте

Контактный телефон: +7 (981) 121-46-93, +7 (800) 200-90-76 , Email: parts-katalog@yandex.ru, где купить

 
 

  Логин:

Пароль:

Регистрация

www.partskatalog.ru Все каталоги Запчасти Mercury Запчасти Suzuki Запчасти Tohatsu Запчасти Honda Контакты



УВАЖАЕМЫЕ КЛИЕНТЫ!
C 19 ДЕКАБРЯ 2025 ПО 02 МАРТА 2026 ГОДА ОТДЕЛ ЗАПЧАСТЕЙ И СЕРВИС РАБОТАТЬ НЕ БУДУТ
ПРОДАЖА ЛОДОЧНЫХ МОТОРОВ В ШТАТНОМ РЕЖИМЕ
ОБ ИЗМЕНЕНИЯХ В ГРАФИКЕ РАБОТЫ ЧИТАЙТЕ НА САЙТА



назад Раздел:   вперёд

Вернуться к выбору узлов мотора


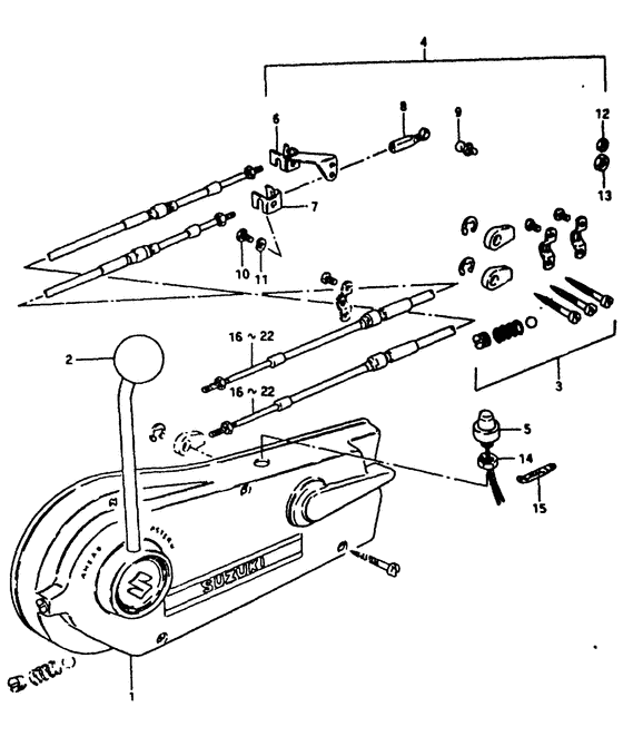
ДЕТАЛИРОВКА ДЛЯ МОДЕЛИ: SUZUKI DT25PVZ(G/J/VZ) Z

Дистанционное управление


Год выпуска двигателя: 1982

Регион: General Export No.1 ,Код региона: P01

Номер на
рисунке
АртикулНаименованиеQTYКол-во
на складе
Цена
167200-95202-000

(Nhk.morse)

под заказ0 руб.
167200-95203-000

   (актуальный код замены) Запчасть снята с производства - The Spare Part Is Laid Off

под заказ0 руб.
267214-95200-000

под заказ0 руб.
367300-95810-000

Держатель Set, Кабель дистанционного управления - Holder Set, Remocon Cable (Holder set, cable # Holder set; ) (Holder Set, Remocon Cable)

под заказ0 руб.
467130-93420-000

(For 67200-95202)

под заказ0 руб.
467130-93421-000

   (актуальный код замены) Запчасть снята с производства - The Spare Part Is Laid Off

под заказ0 руб.
537800-93750-000

Переключатель в сборе, Двигатель Stop - Switch Assy, Engine Stop (Switch Assy, Engine Stop)

под заказ6150 руб.
537800-93714-000

   (актуальный код замены) Переключатель в сборе, Двигатель Stop - Switch Assy, Engine Stop

под заказ6150 руб.
537800-93714-000

Переключатель в сборе, Двигатель Stop - Switch Assy, Engine Stop (Switch assy, engine stop ) (Switch Assy, Engine Stop)

под заказ6150 руб.
667340-93400-000

под заказ0 руб.
767341-93400-000

Держатель кабеля дистанционного управления - Holder, Remocon Cable (Holder, Remocon Cable)

под заказ1680 руб.
767341-93401-000

   (актуальный код замены) Держатель кабеля дистанционного управления - Holder, Remocon Cable

под заказ1680 руб.
767341-93401-000

Держатель кабеля дистанционного управления - Holder, Remocon Cable (Holder, Remocon Cable)

под заказ1680 руб.
867466-95200-000

Коннектор - Connector (Connector, throttle cable # Connector, cable; ) (Connector)

18 шт560 руб.
909119-06047-000

Стержень - Pivot (Pivot, ball # Ball, pivot; From 09119-06039 ) (Pivot)

21 шт520 руб.
1009100-06019-000

Болт - Bolt (Bolt)

под заказ180 руб.
1001550-06167-000

   (актуальный код замены) Болт - Bolt

9 шт210 руб.
1001550-06167-000

Болт - Bolt (Bolt)

9 шт210 руб.
1109162-06001-000

Шайба с блокировкой - Washer, Lock (Washer, Lock)

под заказ160 руб.
1109162-06006-000

   (актуальный код замены) Шайба с блокировкой - Washer, Lock

под заказ160 руб.
1109162-06006-000

Шайба с блокировкой - Washer, Lock (Lock washer ) (Washer, Lock)

под заказ160 руб.
1209140-06004-000

Гайка - Nut (Nut)

под заказ150 руб.
1209140-06020-000

   (актуальный код замены) Гайка - Nut

9 шт150 руб.
1209140-06020-000

Гайка - Nut (Nut)

9 шт150 руб.
1309140-08003-000

Гайка - Nut (Nut)

под заказ190 руб.
1309140-08016-000

   (актуальный код замены) Гайка - Nut

под заказ190 руб.
1309140-08023-XC0

Гайка - Nut (Nut)

14 шт190 руб.
1409140-14014-000

Гайка - Nut (Nut)

под заказ0 руб.
1409140-14030-000

   (актуальный код замены) Запчасть снята с производства - The Spare Part Is Laid Off

под заказ0 руб.
1409140-14030-000

Гайка - Nut (Nut)

под заказ0 руб.
1509404-06411-000

Струбцина (l: 45) - Clamp (l:45) (To 09404-06401) (Clamp (l:45))

под заказ170 руб.
1509404-06031-000

   (актуальный код замены) Струбцина, Rsvr Tank Ovfl Шланг - Clamp, Rsvr Tank Ovfl Hose

под заказ170 руб.
1509404-06206-000

Струбцина (l: 45) - Clamp (l:45) (Clamp (l:45))

под заказ170 руб.
1509404-06031-000

   (актуальный код замены) Струбцина, Rsvr Tank Ovfl Шланг - Clamp, Rsvr Tank Ovfl Hose

под заказ170 руб.
1667320-95750-000

Тросик дистанционного управления (10f: 3.1m) - Cable Assy, Remocon (10f:31m) (L:2500) (Cable Assy, Remocon (10f:3.1m))

под заказ6340 руб.
1667320-93J10-000

   (актуальный код замены) Тросик дистанционного управления (10f: 3.1m) - Cable Assy, Remocon (10f:3.1m)

под заказ6340 руб.
1667320-93J10-000

Тросик дистанционного управления (10f: 3.1m) - Cable Assy, Remocon (10f:31m) (Cable Assy, Remocon (10f:3.1m))

под заказ6340 руб.
1767320-95740-000

Тросик дистанционного управления (10f: 3.1m) - Cable Assy, Remocon (10f:31m) (L:3000) (Cable Assy, Remocon (10f:3.1m))

под заказ6340 руб.
1767320-93J10-000

   (актуальный код замены) Тросик дистанционного управления (10f: 3.1m) - Cable Assy, Remocon (10f:3.1m)

под заказ6340 руб.
1767320-93J10-000

Тросик дистанционного управления (10f: 3.1m) - Cable Assy, Remocon (10f:31m) (Cable Assy, Remocon (10f:3.1m))

под заказ6340 руб.
1867320-95730-000

Тросик дистанционного управления (12f: 3.7m) - Cable Assy, Remocon (12f:37m) (L:3500) (Cable Assy, Remocon (12f:3.7m))

под заказ6920 руб.
1867320-93J20-000

   (актуальный код замены) Тросик дистанционного управления (12f: 3.7m) - Cable Assy, Remocon (12f:3.7m)

под заказ6920 руб.
1867320-93J20-000

Тросик дистанционного управления (12f: 3.7m) - Cable Assy, Remocon (12f:37m) (Cable Assy, Remocon (12f:3.7m))

под заказ6920 руб.
1967320-95720-000

Тросик дистанционного управления (14f: 4.2m) - Cable Assy, Remocon (14f:42m) (L:4000) (Cable Assy, Remocon (14f:4.2m))

под заказ7490 руб.
1967320-93J30-000

   (актуальный код замены) Тросик дистанционного управления (14f: 4.2m) - Cable Assy, Remocon (14f:4.2m)

3 шт7490 руб.
1967320-93J30-000

Тросик дистанционного управления (14f: 4.2m) - Cable Assy, Remocon (14f:42m) (Cable Assy, Remocon (14f:4.2m))

3 шт7490 руб.
2067320-95710-000

Тросик дистанционного управления (16f: 4.8m) - Cable Assy, Remocon (16f:48m) (L:4500) (Cable Assy, Remocon (16f:4.8m))

под заказ8020 руб.
2067320-93J40-000

   (актуальный код замены) Тросик дистанционного управления (16f: 4.8m) - Cable Assy, Remocon (16f:4.8m)

под заказ8020 руб.
2067320-93J40-000

Тросик дистанционного управления (16f: 4.8m) - Cable Assy, Remocon (16f:48m) (Cable Assy, Remocon (16f:4.8m))

под заказ8020 руб.
2167320-95200-000

Тросик дистанционного управления (18f: 5.4m) - Cable Assy, Remocon (18f:54m) (L:5000) (Cable Assy, Remocon (18f:5.4m))

под заказ8600 руб.
2167320-93J50-000

   (актуальный код замены) Тросик дистанционного управления (18f: 5.4m) - Cable Assy, Remocon (18f:5.4m)

под заказ8600 руб.
2167320-93J50-000

Тросик дистанционного управления (18f: 5.4m) - Cable Assy, Remocon (18f:54m) (Cable Assy, Remocon (18f:5.4m))

под заказ8600 руб.
2267320-95760-000

Тросик дистанционного управления (20f: 6.1m) - Cable Assy, Remocon (20f:61m) (L:6000) (Cable Assy, Remocon (20f:6.1m))

под заказ9170 руб.
2267320-93J60-000

   (актуальный код замены) Тросик дистанционного управления (20f: 6.1m) - Cable Assy, Remocon (20f:6.1m)

под заказ9170 руб.
2267320-93J60-000

Тросик дистанционного управления (20f: 6.1m) - Cable Assy, Remocon (20f:61m) (Cable Assy, Remocon (20f:6.1m))

под заказ9170 руб.


Время выполнения запроса 2.8800799846649 сек.

 
 

данный сайт носит информационный характер и не является публичной офертой

склад запчастей для водомоторной техники