Оригинальные запчасти на подвесной двигатель SUZUKI - Опции: ignition Пластина / Opt:ignition plate
вконтакте

Контактный телефон: +7 (981) 121-46-93, +7 (800) 200-90-76 , Email: parts-katalog@yandex.ru, где купить

 
 

  Логин:

Пароль:

Регистрация

www.partskatalog.ru Все каталоги Запчасти Mercury Запчасти Suzuki Запчасти Tohatsu Запчасти Honda Контакты



УВАЖАЕМЫЕ КЛИЕНТЫ!
C 31 ОКТЯБРЯ 2025 ПО 10 НОЯБРЯ 2025 ГОДА РАБОТАТЬ НЕ БУДЕМ



назад Раздел:   вперёд

Вернуться к выбору узлов мотора


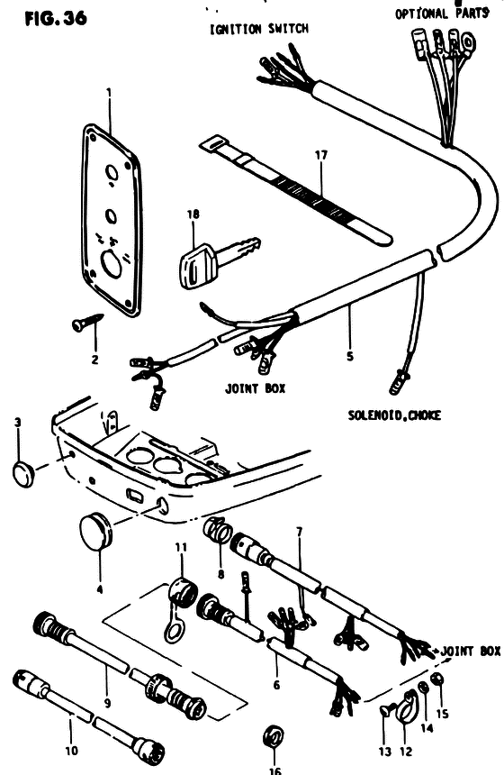
ДЕТАЛИРОВКА ДЛЯ МОДЕЛИ: SUZUKI DT25P VZ

Опции: ignition Пластина


Год выпуска двигателя: 1982

Номер на
рисунке
АртикулНаименованиеQTYКол-во
на складе
Цена
137139-95251-000

(ELECTRIC STARTER)

под заказ0 руб.
203112-05209-000

Винт - Screw (ELECTRIC STARTER) (Screw)

под заказ150 руб.
203111-0520A-000

   (актуальный код замены) Винт - Screw

под заказ150 руб.
203111-0520A-000

Винт - Screw (Screw)

под заказ150 руб.
337101-93301-000

Колпачок (od: 20) - Cap (od:20) (ELECTRIC STARTER) (Cap (od:20))

под заказ160 руб.
309250-12016-000

   (актуальный код замены) Колпачок (od: 20) - Cap (od:20)

под заказ160 руб.
309250-12006-000

Колпачок (od: 20) - Cap (od:20) (Cap (od:20))

под заказ160 руб.
309250-12016-000

   (актуальный код замены) Колпачок (od: 20) - Cap (od:20)

под заказ160 руб.
409250-20004-000

(ELECTRIC STARTER)

под заказ0 руб.
536620-93700-000

(ELECTRIC STARTER)

под заказ0 руб.
536620-93704-000

   (актуальный код замены) Запчасть снята с производства - The Spare Part Is Laid Off

под заказ0 руб.
536620-93702-000

(TO 36620-93703, ELECTRIC STARTER)

под заказ0 руб.
536620-93704-000

   (актуальный код замены) Запчасть снята с производства - The Spare Part Is Laid Off

под заказ0 руб.
536620-93704-000

(ELECTRIC STARTER)

под заказ0 руб.
636630-93300-000

(L:650, MODEL G)

под заказ0 руб.
636630-93301-000

   (актуальный код замены) Запчасть снята с производства - The Spare Part Is Laid Off

под заказ0 руб.
636630-93301-000

(L:650, MODEL G)

под заказ0 руб.
736630-93310-000

(MODEL DT28 J/VZ)

под заказ0 руб.
736630-93312-000

   (актуальный код замены) Запчасть снята с производства - The Spare Part Is Laid Off

под заказ0 руб.
836631-94300-000

Колпачок на дистанционное управление Жгут проводов - Cap, Remote Control Harness (MODEL DT28 J/VZ ) (Cap, Remote Control Harness)

под заказ390 руб.
936620-95250-000

(L:5000, MODEL G)

под заказ0 руб.
1036620-95200-000

Удлинитель кабеля дистанционного управления (l: 5000) - Wire, Remocon Extension (l:5000) (MODEL J/VZ, L:5000) (Wire, Remocon Extension (l:5000))

под заказ17480 руб.
1036620-87D20-000

   (актуальный код замены) Удлинитель кабеля дистанционного управления (l: 5000) - Wire, Remocon Extension (l:5000)

под заказ17480 руб.
1036620-87D20-000

Удлинитель кабеля дистанционного управления (l: 5000) - Wire, Remocon Extension (l:5000) (Wiring harness, extension ) (Wire, Remocon Extension (l:5000))

под заказ17480 руб.
1136631-93750-000

(MODEL G)

под заказ0 руб.
1236659-93300-000

(MODEL G)

под заказ0 руб.
1309125-05025-000

Винт (5x12) - Screw (5x12) (MODEL G) (Screw (5x12))

под заказ150 руб.
1309125-05046-000

   (актуальный код замены) Винт (5x12) - Screw (5x12)

под заказ150 руб.
1309125-05046-000

Винт (5x12) - Screw (5x12) (Screw (5x12) ) (Screw (5x12))

под заказ150 руб.
1409160-05010-000

Шайба (5.5x12x0.8) - Washer (55x12x08) (MODEL G) (Washer (5.5x12x0.8))

под заказ130 руб.
1409160-05029-000

   (актуальный код замены) Шайба (5.5x12x0.8) - Washer (5.5x12x0.8)

14 шт130 руб.
1409160-05029-000

Шайба (5.5x12x0.8) - Washer (55x12x08) (Washer (5.5x12x0.8))

14 шт130 руб.
1509140-05001-000

Гайка - Nut (MODEL G) (Nut)

под заказ220 руб.
1509140-05005-000

   (актуальный код замены) Гайка - Nut

10 шт270 руб.
1509140-05005-000

Гайка - Nut (Nut)

10 шт270 руб.
1636656-94310-000

(MODEL J/VZ)

под заказ0 руб.
1709407-12402-000

Струбцина (l: 120) - Clamp (l:120) (Clamp, wiring harness # MODEL J/VZ ) (Clamp (l:120))

под заказ230 руб.
1837141-93300-000

Ключ, Spare (8511) - Key, Spare (8511) (Key, spare 8511 ) (Key, Spare (8511))

под заказ0 руб.
1837141-93310-000

Ключ, Spare (8512) - Key, Spare (8512) (Key, spare 8512 ) (Key, Spare (8512))

под заказ0 руб.
1837141-93320-000

Ключ, Spare (8513) - Key, Spare (8513) (Key, spare 8513 ) (Key, Spare (8513))

под заказ0 руб.
1837141-93330-000

Ключ, Spare (8611) - Key, Spare (8611) (Key, spare 8611 ) (Key, Spare (8611))

под заказ0 руб.
1837141-93340-000

Ключ, Spare (8612) - Key, Spare (8612) (Key, spare 8612 ) (Key, Spare (8612))

под заказ0 руб.
1837141-93350-000

Ключ, Spare (8613) - Key, Spare (8613) (Key, spare 8613 ) (Key, Spare (8613))

под заказ0 руб.


Время выполнения запроса 2.0251531600952 сек.

 
 

данный сайт носит информационный характер и не является публичной офертой

склад запчастей для водомоторной техники