Купить комплектующие на подвесной двигатель Suzuki - Clamp bracket - Кронштейн транца
вконтакте

Контактный телефон: +7 (981) 121-46-93, +7 (800) 200-90-76 , Email: parts-katalog@yandex.ru, где купить

 
 

  Логин:

Пароль:

Регистрация

www.partskatalog.ru Все каталоги Запчасти Mercury Запчасти Suzuki Запчасти Tohatsu Запчасти Honda Контакты



УВАЖАЕМЫЕ КЛИЕНТЫ!
C 19 ДЕКАБРЯ 2025 ПО 02 МАРТА 2026 ГОДА ОТДЕЛ ЗАПЧАСТЕЙ И СЕРВИС РАБОТАТЬ НЕ БУДУТ
ПРОДАЖА ЛОДОЧНЫХ МОТОРОВ В ШТАТНОМ РЕЖИМЕ
ОБ ИЗМЕНЕНИЯХ В ГРАФИКЕ РАБОТЫ ЧИТАЙТЕ НА САЙТА



назад Раздел:   вперёд

Вернуться к выбору узлов мотора


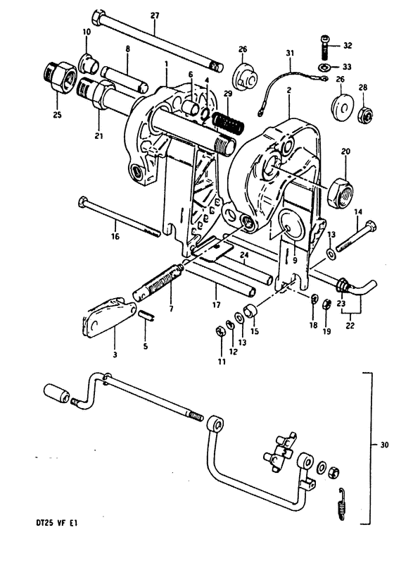
ДЕТАЛИРОВКА ДЛЯ МОДЕЛИ: SUZUKI DT25QD(QD/VE/VF) D

Кронштейн транца


Год выпуска двигателя: 1983

Регион: General Export No.1 ,Код региона: P01

Номер на
рисунке
АртикулНаименованиеQTYКол-во
на складе
Цена
141110-96304-02M

(~405735)

под заказ0 руб.
141111-95D90-0ED

Кронштейн правого зажима - Bracket, Clamp Stbd (Bracket, Clamp Stbd)

под заказ0 руб.
145420-95D04-000

Штифт блокировки наклона - Pin, Tilt Lock (Pin, Tilt Lock)

1 шт3720 руб.
141110-96305-02M

(405736~)

под заказ0 руб.
141111-95D90-0ED

Кронштейн правого зажима - Bracket, Clamp Stbd (Bracket, Clamp Stbd)

под заказ0 руб.
145420-95D04-000

Штифт блокировки наклона - Pin, Tilt Lock (Pin, Tilt Lock)

1 шт3720 руб.
241120-96320-02M

(~405735)

под заказ0 руб.
241121-95D12-0ED

Кронштейн левого зажима - Bracket, Clamp Port (Bracket, Clamp Port)

под заказ0 руб.
245420-95D04-000

Штифт блокировки наклона - Pin, Tilt Lock (Pin, Tilt Lock)

1 шт3720 руб.
241120-96321-02M

(405736~407354)

под заказ0 руб.
241121-95D12-0ED

Кронштейн левого зажима - Bracket, Clamp Port (Bracket, Clamp Port)

под заказ0 руб.
245420-95D04-000

Штифт блокировки наклона - Pin, Tilt Lock (Pin, Tilt Lock)

1 шт3720 руб.
241120-96340-02M

(507355~)

под заказ0 руб.
241121-95D12-0ED

Кронштейн левого зажима - Bracket, Clamp Port (Bracket, Clamp Port)

под заказ0 руб.
245420-95D04-000

Штифт блокировки наклона - Pin, Tilt Lock (Pin, Tilt Lock)

1 шт3720 руб.
341212-93000-02M

Струбцина румпеля (gray) - Handle, Clamp (gray) (Handle, Clamp (gray))

под заказ0 руб.
341212-93001-0ED

   (актуальный код замены) Запчасть снята с производства - The Spare Part Is Laid Off

под заказ0 руб.
341212-93001-0ED

Струбцина румпеля (gray) - Handle, Clamp (gray) (Handle, Clamp (gray))

под заказ0 руб.
409380-12002-000

Пружинное кольцо - Ring, Snap (Circlip # Snap ring; ) (Ring, Snap)

12 шт150 руб.
509205-06012-000

Стопор пружины (6x25) - Pin, Spring (6x25) (Pin, Spring (6x25))

под заказ170 руб.
509205-06007-000

   (актуальный код замены) Стопор пружины (6x25) - Pin, Spring (6x25)

13 шт170 руб.
509205-06007-000

Стопор пружины (6x25) - Pin, Spring (6x25) (Pin (6x27) ) (Pin, Spring (6x25))

13 шт170 руб.
609303-14002-000

Втулка - Bush (Bush)

под заказ0 руб.
741211-93002-000

Винт зажима - Screw, Clamp (Screw, Clamp)

под заказ1720 руб.
741211-93920-000

   (актуальный код замены) Винт зажима - Screw, Clamp

под заказ1720 руб.
741211-93920-000

Винт зажима - Screw, Clamp (Screw, clamp, l:90 ) (Screw, Clamp)

под заказ1720 руб.
741211-93702-000

Винт зажима - Screw, Clamp (Opt) (Screw, Clamp)

под заказ1720 руб.
741211-93920-000

   (актуальный код замены) Винт зажима - Screw, Clamp

под заказ1720 руб.
741211-93920-000

Винт зажима - Screw, Clamp (Screw, clamp, l:90 ) (Screw, Clamp)

под заказ1720 руб.
741211-93712-000

Винт зажима - Screw, Clamp (E1:opt) (Screw, Clamp)

под заказ1720 руб.
741211-93900-000

   (актуальный код замены) Винт зажима - Screw, Clamp

под заказ1720 руб.
741211-93900-000

Винт зажима - Screw, Clamp (Screw, clamp, l:68 ) (Screw, Clamp)

под заказ1720 руб.
841222-96310-000

Рычаг, Стопор наклона - Arm, Tilt Stopper (Arm, Tilt Stopper)

под заказ2740 руб.
841222-96311-000

   (актуальный код замены) Рычаг, Стопор наклона - Arm, Tilt Stopper

под заказ2740 руб.
841222-96311-000

Рычаг, Стопор наклона - Arm, Tilt Stopper (Pin, tilt stopper ) (Arm, Tilt Stopper)

под заказ2740 руб.
941213-98100-000

Пластина струбцины - Plate, Clamp (Plate, clamp # Plate, clamp; ) (Plate, Clamp)

под заказ390 руб.
941213-94J01-000

   (актуальный код замены) Пластина струбцины - Plate, Clamp

под заказ420 руб.
1041221-96300-000

Ручка, Стопор наклона Штифт - Knob, Tilt Stopper Pin (Knob, Tilt Stopper Pin)

под заказ540 руб.
1041221-96301-000

   (актуальный код замены) Ручка, Стопор наклона Штифт - Knob, Tilt Stopper Pin

2 шт540 руб.
1041221-96301-000

Ручка, Стопор наклона Штифт - Knob, Tilt Stopper Pin (Knob, tilt stopper ) (Knob, Tilt Stopper Pin)

2 шт540 руб.
1109140-08016-000

Гайка - Nut (Nut)

под заказ190 руб.
1109140-08023-XC0

Гайка - Nut (Nut)

14 шт190 руб.
1209162-08007-000

Шайба с блокировкой - Washer, Lock (Lock washer ) (Washer, Lock)

под заказ160 руб.
1309160-08081-000

Шайба (8.5x23x1.5) - Washer (85x23x15) (Washer, clutch lever # Washer (8.5*23*1.5); ) (Washer (8.5x23x1.5))

4 шт210 руб.
1409100-08239-000

Болт (8x90) - Bolt (8x90) (Bolt (8*90);) (Bolt (8x90))

под заказ420 руб.
1409100-08311-000

   (актуальный код замены) Болт (8x90) - Bolt (8x90)

8 шт420 руб.
1409100-08311-000

Болт (8x90) - Bolt (8x90) (Bolt (8x90))

8 шт420 руб.
1509180-09016-000

Проставка (9.2x13.8x9.5) - Spacer (92x138x95) (Spacer (9.2x13.8x9.5) # Spacer (9.2*13.8*9.5); ) (Spacer (9.2x13.8x9.5))

под заказ0 руб.
1609100-08196-000

(Bolt (8*152);)

под заказ0 руб.
1709180-09015-000

(Spacer (9.2*13.8*116); ~407354)

под заказ0 руб.
1809162-08007-000

Шайба с блокировкой - Washer, Lock (Lock washer ) (Washer, Lock)

под заказ160 руб.
1909140-08016-000

Гайка - Nut (Nut)

под заказ190 руб.
1909140-08023-XC0

Гайка - Nut (Nut)

14 шт190 руб.
2009159-22004-000

Гайка - Nut (Opt) (Nut)

под заказ1950 руб.
2009159-22006-000

   (актуальный код замены) Гайка - Nut

8 шт1950 руб.
2009159-22006-000

Гайка - Nut (Nut)

8 шт1950 руб.
2141130-96310-000

Труба кронштейна транца - Shaft, Clamp Bracket (Opt, ~407354) (Shaft, Clamp Bracket)

под заказ17620 руб.
2141130-91L01-000

   (актуальный код замены) Вал Comp, Кронштейн транца - Shaft Comp, Clamp Bracket

под заказ17620 руб.
2141130-91L00-000

Труба кронштейна транца - Shaft, Clamp Bracket (Shaft, Clamp Bracket)

под заказ17620 руб.
2141130-91L01-000

   (актуальный код замены) Вал Comp, Кронштейн транца - Shaft Comp, Clamp Bracket

под заказ17620 руб.
2141130-96330-000

Труба кронштейна транца - Shaft, Clamp Bracket (Opt, 507355~) (Shaft, Clamp Bracket)

под заказ17620 руб.
2141130-91L01-000

   (актуальный код замены) Вал Comp, Кронштейн транца - Shaft Comp, Clamp Bracket

под заказ17620 руб.
2245420-96310-000

Штифт блокировки наклона - Pin, Tilt Lock (Pin, Tilt Lock)

под заказ0 руб.
2245420-9631V-000

   (актуальный код замены) Запчасть снята с производства - The Spare Part Is Laid Off

под заказ0 руб.
2245420-9631V-000

Штифт блокировки наклона - Pin, Tilt Lock (Pin, Tilt Lock)

под заказ0 руб.
2309441-17001-000

Пружина - Spring (Spring)

11 шт220 руб.
2441310-96300-000

(507355~)

под заказ0 руб.
2441310-96301-000

   (актуальный код замены) Запчасть снята с производства - The Spare Part Is Laid Off

под заказ0 руб.
2541141-94300-000

Соединитель рулевой системы Регулятор - Attachment, Steering Adjuster (Opt) (Attachment, Steering Adjuster)

под заказ6920 руб.
2541141-94301-000

   (актуальный код замены) Соединитель рулевой системы Регулятор - Attachment, Steering Adjuster

под заказ6920 руб.
2541141-94301-000

Соединитель рулевой системы Регулятор - Attachment, Steering Adjuster (Attachment, Steering Adjuster)

под заказ6920 руб.
2641311-96300-000

под заказ0 руб.
2641311-96300-0ED

   (актуальный код замены) Запчасть снята с производства - The Spare Part Is Laid Off

под заказ0 руб.
2709100-10178-000

под заказ0 руб.
2809159-10050-000

Гайка - Nut (Nut)

8 шт250 руб.
2909440-14016-000

Пружина - Spring (Spring, tilt stopper pin ) (Spring)

под заказ0 руб.
3045700-96300-000

под заказ0 руб.
3045700-96301-000

   (актуальный код замены) Запчасть снята с производства - The Spare Part Is Laid Off

под заказ0 руб.
3136894-95200-000

Lead (l: 165) - Lead (l:165) (Lead (l:165))

под заказ1170 руб.
3136894-95201-000

   (актуальный код замены) Lead (l: 165) - Lead (l:165)

под заказ1170 руб.
3136894-95201-000

Lead (l: 165) - Lead (l:165) (Lead (l:165))

под заказ1170 руб.
3209125-05050-000

Винт (5x8) - Screw (5x8) (Screw (5x8))

под заказ150 руб.
3309161-05013-000

Шайба (5.2x11x1) - Washer (52x11x1) (Washer (5.2x11x1))

под заказ290 руб.
3309161-05114-000

   (актуальный код замены) Шайба (5.2x11x1) - Washer (5.2x11x1)

под заказ290 руб.
3309161-05114-000

Шайба (5.2x11x1) - Washer (52x11x1) (Washer (5.2x11.0x1.0) ) (Washer (5.2x11x1))

под заказ290 руб.


Время выполнения запроса 2.5513670444489 сек.

 
 

данный сайт носит информационный характер и не является публичной офертой

склад запчастей для водомоторной техники