Оригинальные запчасти на лодочный мотор Suzuki - Топливный насос
вконтакте

Контактный телефон: +7 (981) 121-46-93, +7 (800) 200-90-76 , Email: parts-katalog@yandex.ru, где купить

 
 

  Логин:

Пароль:

Регистрация

www.partskatalog.ru Все каталоги Запчасти Mercury Запчасти Suzuki Запчасти Tohatsu Запчасти Honda Контакты



УВАЖАЕМЫЕ КЛИЕНТЫ!
C 19 ДЕКАБРЯ 2025 ПО 02 МАРТА 2026 ГОДА ОТДЕЛ ЗАПЧАСТЕЙ И СЕРВИС РАБОТАТЬ НЕ БУДУТ
ПРОДАЖА ЛОДОЧНЫХ МОТОРОВ В ШТАТНОМ РЕЖИМЕ
ОБ ИЗМЕНЕНИЯХ В ГРАФИКЕ РАБОТЫ ЧИТАЙТЕ НА САЙТА



назад Раздел:   вперёд

Вернуться к выбору узлов мотора


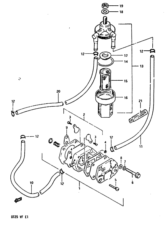
ДЕТАЛИРОВКА ДЛЯ МОДЕЛИ: SUZUKI DT25VE(QD/VE/VF) E

Топливный насос


Год выпуска двигателя: 1984

Номер на
рисунке
АртикулНаименованиеQTYКол-во
на складе
Цена
115100-94301-000

Топливный насос, в сборе - Pump Assy, Fuel (Pump Assy, Fuel)

под заказ10370 руб.
115100-94312-000

   (актуальный код замены) Топливный насос, в сборе - Pump Assy, Fuel

3 шт12370 руб.
115100-94311-000

Топливный насос, в сборе - Pump Assy, Fuel (Pump Assy, Fuel)

4 шт12370 руб.
115100-94312-000

   (актуальный код замены) Топливный насос, в сборе - Pump Assy, Fuel

3 шт12370 руб.
215170-94311-000

Диафрагма Set - Diaphragm Set (Diaphragm set ) (Diaphragm Set)

3 шт3320 руб.
215170-94312-000

   (актуальный код замены) Диафрагма Set - Diaphragm Set

под заказ3320 руб.
315183-94301-000

Винт - Screw (Screw)

под заказ170 руб.
415186-94300-000

Гайка - Nut (Nut)

под заказ160 руб.
515851-94300-000

Винт - Screw (Screw ) (Screw)

под заказ260 руб.
601107-06408-000

Болт - Bolt (Bolt)

под заказ190 руб.
601500-0640B-000

   (актуальный код замены) Болт - Bolt

под заказ190 руб.
601500-0640B-000

Болт - Bolt (Bolt)

под заказ190 руб.
708321-21067-000

Шайба с блокировкой - Washer, Lock (Washer, Lock)

под заказ140 руб.
708321-01067-000

   (актуальный код замены) Шайба с блокировкой - Washer, Lock

под заказ140 руб.
708321-01067-000

Шайба с блокировкой - Washer, Lock (Washer, Lock)

под заказ140 руб.
808322-21067-000

Шайба - Washer (Washer)

под заказ140 руб.
808322-01067-000

   (актуальный код замены) Шайба - Washer

10 шт160 руб.
808322-01067-000

Шайба - Washer (Washer)

10 шт160 руб.
915321-99700-000

Прокладка топливного насоса (na) - Gasket, Fuel Pump (na) (Gasket, Fuel Pump (na))

под заказ360 руб.
915321-99710-000

   (актуальный код замены) Прокладка топливного насоса (na) - Gasket, Fuel Pump (na)

8 шт370 руб.
915321-99710-000

Прокладка топливного насоса (na) - Gasket, Fuel Pump (na) (Gasket, fuel pump ) (Gasket, Fuel Pump (na))

8 шт370 руб.
1009343-05137-000

Шланг (5x9x600) - Hose (5x9x600) (L:195) (Hose (5x9x600))

под заказ570 руб.
1009352-50006-600

   (актуальный код замены) Шланг (5x9x600) - Hose (5x9x600)

1 шт570 руб.
1009352-50903-600

Шланг (5x9x600) - Hose (5x9x600) (Hose (5x9x600))

под заказ570 руб.
1009352-50006-600

   (актуальный код замены) Шланг (5x9x600) - Hose (5x9x600)

1 шт570 руб.
1109343-05137-000

Шланг (5x9x600) - Hose (5x9x600) (L:195) (Hose (5x9x600))

под заказ570 руб.
1109352-50006-600

   (актуальный код замены) Шланг (5x9x600) - Hose (5x9x600)

1 шт570 руб.
1109352-50903-600

Шланг (5x9x600) - Hose (5x9x600) (Hose (5x9x600))

под заказ570 руб.
1109352-50006-600

   (актуальный код замены) Шланг (5x9x600) - Hose (5x9x600)

1 шт570 руб.
1209401-09402-000

Зажим - Clip (Clip)

под заказ130 руб.
1209401-08410-000

   (актуальный код замены) Зажим - Clip

под заказ130 руб.
1209401-08410-000

Зажим - Clip (Clip)

под заказ130 руб.
1315410-93400-000

Топливный фильтр в сборе - Filter Assy, Fuel (Filter Assy, Fuel)

под заказ2280 руб.
1315410-94401-000

   (актуальный код замены) Топливный фильтр в сборе - Filter Assy, Fuel

32 шт2280 руб.
1315410-94400-000

Топливный фильтр в сборе - Filter Assy, Fuel (Filter Assy, Fuel)

3 шт2280 руб.
1315410-94401-000

   (актуальный код замены) Топливный фильтр в сборе - Filter Assy, Fuel

32 шт2280 руб.
1415415-93400-000

Уплотнительное кольцо - O Ring (O ring ) (O Ring)

под заказ290 руб.
1515412-93400-000

Фильтр Set - Filter Set (Filter Set)

под заказ1360 руб.
1515430-93412-000

   (актуальный код замены) Фильтр Set - Filter Set

под заказ1360 руб.
1515430-93410-000

Фильтр Set - Filter Set (Strainer set ) (Filter Set)

под заказ1360 руб.
1515430-93412-000

   (актуальный код замены) Фильтр Set - Filter Set

под заказ1360 руб.
1615413-93400-000

Cвыше - Cup (Cup ) (Cup)

под заказ0 руб.
1715416-93400-000

под заказ0 руб.
1808322-21088-000

Шайба - Washer (Washer)

под заказ140 руб.
1808322-01087-000

   (актуальный код замены) Шайба - Washer

под заказ140 руб.
1808322-01087-000

Шайба - Washer (Lock washer ) (Washer)

под заказ140 руб.
1908310-22088-000

Гайка - Nut (Nut)

под заказ140 руб.
1908310-00087-000

   (актуальный код замены) Гайка - Nut

под заказ140 руб.
1908310-00087-000

Гайка - Nut (Nut)

под заказ140 руб.
2009343-05137-000

Шланг (5x9x600) - Hose (5x9x600) (L:320) (Hose (5x9x600))

под заказ570 руб.
2009352-50006-600

   (актуальный код замены) Шланг (5x9x600) - Hose (5x9x600)

1 шт570 руб.
2009352-50903-600

Шланг (5x9x600) - Hose (5x9x600) (Hose (5x9x600))

под заказ570 руб.
2009352-50006-600

   (актуальный код замены) Шланг (5x9x600) - Hose (5x9x600)

1 шт570 руб.
2109404-06414-000

Струбцина (l: 80) - Clamp (l:80) (Clamp (l:80))

под заказ230 руб.
2109404-06436-000

   (актуальный код замены) Струбцина (l: 80) - Clamp (l:80)

под заказ230 руб.
2109404-06433-000

Струбцина (l: 80) - Clamp (l:80) (Clamp (l:80) ) (Clamp (l:80))

под заказ230 руб.
2109404-06436-000

   (актуальный код замены) Струбцина (l: 80) - Clamp (l:80)

под заказ230 руб.


Время выполнения запроса 2.5983130931854 сек.

 
 

данный сайт носит информационный характер и не является публичной офертой

склад запчастей для водомоторной техники