Номер на рисунке | Артикул | Наименование | QTY | Кол-во на складе | Цена |
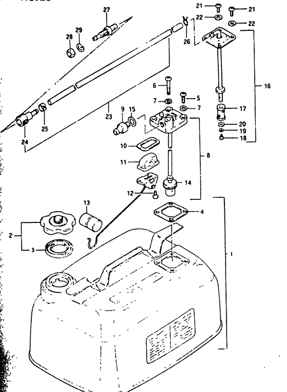
| 1 | 65000-95201-000 | (6 u.s.gal./ 5 imp.gal.) | | под заказ | 0 руб. |
| 1 | 65800-92855-000 | (актуальный код замены) Запчасть снята с производства - The Spare Part Is Laid Off | | под заказ | 0 руб. |
| 2 | 65510-98507-000 | Крышка горловины топливного бака, в сборе - Cap Assy, Fuel Tank (Cap Assy, Fuel Tank) | | под заказ | 0 руб. |
| 2 | 65510-92D00-000 | (актуальный код замены) Запчасть снята с производства - The Spare Part Is Laid Off | | под заказ | 0 руб. |
| 2 | 65510-92D00-000 | Крышка горловины топливного бака, в сборе - Cap Assy, Fuel Tank (Cap assy, separate tank ) (Cap Assy, Fuel Tank) | | под заказ | 0 руб. |
| 3 | 65561-98502-000 | (Gasket, tank cap;) | | под заказ | 0 руб. |
| 4 | 65871-93010-000 | Прокладка, Fuel Gauge - Gasket, Fuel Gauge (Gasket, fuel gauge # Gasket, fuel gauge; ) (Gasket, Fuel Gauge) | | под заказ | 240 руб. |
| 5 | 02112-06168-000 | Винт - Screw (Screw) | | под заказ | 120 руб. |
| 5 | 02112-06167-000 | (актуальный код замены) Винт - Screw | | под заказ | 120 руб. |
| 5 | 02112-06167-000 | Винт - Screw (Screw) | | под заказ | 120 руб. |
| 6 | 02112-06408-000 | Винт - Screw (Screw) | | под заказ | 130 руб. |
| 6 | 02112-06407-000 | (актуальный код замены) Винт - Screw | | под заказ | 130 руб. |
| 6 | 02112-06407-000 | Винт - Screw (Screw) | | под заказ | 130 руб. |
| 7 | 09168-06002-000 | Прокладка (6.2x11x1.2) - Gasket (62x11x12) (Gasket (6.2x11x1.2)) | | под заказ | 120 руб. |
| 7 | 09168-06004-000 | (актуальный код замены) Прокладка (6.2x11x1.2) - Gasket (6.2x11x1.2) | | под заказ | 120 руб. |
| 7 | 09168-06004-000 | Прокладка (6.2x11x1.2) - Gasket (62x11x12) (Washer (6x11.8x1.5) ) (Gasket (6.2x11x1.2)) | | под заказ | 120 руб. |
| 8 | 65850-95506-000 | | | под заказ | нет сведений |
| 8 | 65740-95500-000 | Разъем топливного коннектора - Plug, Fuel Connector (Connector, fuel ) (Plug, Fuel Connector) | | под заказ | 2720 руб. |
| 8 | 65740-95501-000 | (актуальный код замены) Разъем топливного коннектора - Plug, Fuel Connector | | под заказ | 2720 руб. |
| 8 | 65850-95X50-000 | Прибор - измеритель уровня топлива - Gauge Assy, Fuel (Gauge assy ) (Gauge Assy, Fuel) | | под заказ | 0 руб. |
| 8 | 09168-12015-XC0 | Прокладка (12.2x21x0.8) - Gasket (122x21x08) (Gasket (12.2x21x0.8)) | | под заказ | 350 руб. |
| 8 | 09168-12015-XC0 | Прокладка (12.2x21x0.8) - Gasket (122x21x08) (Gasket (12.2x21x0.8)) | | под заказ | 350 руб. |
| 9 | 65740-95500-000 | Разъем топливного коннектора - Plug, Fuel Connector (Connector, fuel # Plug, tank side; ) (Plug, Fuel Connector) | | под заказ | 2720 руб. |
| 9 | 65740-95501-000 | (актуальный код замены) Разъем топливного коннектора - Plug, Fuel Connector | | под заказ | 2720 руб. |
| 10 | 65854-93001-000 | Прокладка - Gasket (Gasket, strainer; ) (Gasket) | | под заказ | 0 руб. |
| 11 | 65853-93001-000 | Топливный фильтр Gauge - Strainer, Fuel Gauge (Straner; ) (Strainer, Fuel Gauge) | | под заказ | 0 руб. |
| 12 | 02112-04108-000 | Винт - Screw (Screw) | | под заказ | 120 руб. |
| 12 | 02112-04107-000 | (актуальный код замены) Винт - Screw | | под заказ | 120 руб. |
| 12 | 02112-04107-000 | Винт - Screw (Screw) | | под заказ | 120 руб. |
| 13 | 65864-95200-000 | (Float;) | | под заказ | 0 руб. |
| 14 | 65830-95500-000 | Фильтр - Filter (Filter, outlet; ) (Filter) | | под заказ | 1180 руб. |
| 15 | 09168-12001-000 | Прокладка (12.5x20x1) - Gasket (125x20x1) (Gasket ) (Gasket (12.5x20x1)) | | под заказ | 220 руб. |
| 16 | 65880-95200-000 | | | под заказ | 0 руб. |
| 17 | 65830-93301-000 | (Filter assy;) | | под заказ | 0 руб. |
| 18 | 02112-05088-000 | Винт - Screw (Screw) | | под заказ | 120 руб. |
| 18 | 02112-05087-000 | (актуальный код замены) Винт - Screw | | под заказ | 120 руб. |
| 18 | 02112-05087-000 | Винт - Screw (Screw) | | под заказ | 120 руб. |
| 19 | 08321-21058-000 | Шайба с блокировкой - Washer, Lock (Washer, Lock) | | под заказ | 140 руб. |
| 19 | 08321-0105A-000 | (актуальный код замены) Шайба с блокировкой - Washer, Lock | | под заказ | 140 руб. |
| 19 | 08321-0105A-000 | Шайба с блокировкой - Washer, Lock (Washer, Lock) | | под заказ | 140 руб. |
| 20 | 08322-21058-000 | Шайба - Washer (Washer) | | под заказ | 140 руб. |
| 20 | 08322-01057-000 | (актуальный код замены) Шайба - Washer | | под заказ | 140 руб. |
| 20 | 08322-01057-000 | Шайба - Washer (Washer, front hook holder ) (Washer) | | под заказ | 140 руб. |
| 21 | 02112-06108-000 | Винт - Screw (Screw) | | под заказ | 120 руб. |
| 21 | 02112-06107-000 | (актуальный код замены) Винт - Screw | | под заказ | 120 руб. |
| 21 | 02112-06107-000 | Винт - Screw (Screw) | | под заказ | 120 руб. |
| 22 | 09168-06002-000 | Прокладка (6.2x11x1.2) - Gasket (62x11x12) (Gasket (6.2x11x1.2)) | | под заказ | 120 руб. |
| 22 | 09168-06004-000 | (актуальный код замены) Прокладка (6.2x11x1.2) - Gasket (6.2x11x1.2) | | под заказ | 120 руб. |
| 22 | 09168-06004-000 | Прокладка (6.2x11x1.2) - Gasket (62x11x12) (Washer (6x11.8x1.5) ) (Gasket (6.2x11x1.2)) | | под заказ | 120 руб. |
| 23 | 65700-94350-000 | Топливный шланг (l: 3030) - Hose, Fuel (l:3030) (Hose, fuel (tank/connector);) (Hose, Fuel (l:3030)) | | под заказ | 0 руб. |
| 23 | 65700-93941-000 | (актуальный код замены) Запчасть снята с производства - The Spare Part Is Laid Off | | под заказ | 0 руб. |
| 23 | 65700-93941-000 | Топливный шланг (l: 3030) - Hose, Fuel (l:3030) (Hose, fuel (kelosene) ) (Hose, Fuel (l:3030)) | | под заказ | 0 руб. |
| 24 | 65750-98505-000 | Разъём топливного шланга - Socket, Fuel Hose (Socket, fuel hose (out) # Socket, fuel hose (id:11); ) (Socket, Fuel Hose) | | 2 шт | 3240 руб. |
| 24 | 65750-98506-000 | (актуальный код замены) Разъём топливного шланга - Socket, Fuel Hose | | под заказ | 3240 руб. |
| 25 | 65781-98500-000 | Зажим топливного шланга - Clip, Fuel Hose (Clip, Fuel Hose) | | 9 шт | 350 руб. |
| 26 | 09401-11402-000 | Зажим - Clip (Clip) | | под заказ | 190 руб. |
| 26 | 09401-11403-000 | (актуальный код замены) Зажим - Clip | | под заказ | 190 руб. |
| 26 | 09401-11403-000 | Зажим - Clip (Clip ) (Clip) | | под заказ | 190 руб. |
| 27 | 65720-98520-000 | Разъем топливного коннектора - Plug, Fuel Connector (Plug, fuel connector;) (Plug, Fuel Connector) | | под заказ | 3170 руб. |
| 27 | 65720-985L1-000 | (актуальный код замены) Разъем топливного коннектора - Plug, Fuel Connector | | 5 шт | 3950 руб. |
| 27 | SK65720-98520 | (не оригинальный аналог) Коннектор топливный Skipper для Suzuki DT2-65, DF9.9-15 "папа", 6 мм | | 0 шт | 836 руб. |
| 27 | SF80210-1 | (не оригинальный аналог) Адаптер топливный SUNFINE тип Suzuki, 7.5мм, 6720-98521 | | под заказ | 1270 руб. |
| 27 | 65720-985L1-000 | Разъем топливного коннектора - Plug, Fuel Connector (Plug, Fuel Connector) | | 5 шт | 3950 руб. |
| 28 | 08310-22108-000 | Гайка - Nut (Nut) | | под заказ | 170 руб. |
| 28 | 08310-00107-000 | (актуальный код замены) Гайка - Nut | | под заказ | 170 руб. |
| 28 | 08310-00107-000 | Гайка - Nut (Nut) | | под заказ | 170 руб. |
| 29 | 08321-21108-000 | Шайба с блокировкой - Washer, Lock (Washer, Lock) | | под заказ | 140 руб. |
| 29 | 08321-01107-000 | (актуальный код замены) Шайба с блокировкой - Washer, Lock | | 9 шт | 140 руб. |
| 29 | 08321-01107-000 | Шайба с блокировкой - Washer, Lock (Lock washer ) (Washer, Lock) | | 9 шт | 140 руб. |