| |
 |
|
 |
Вернуться к выбору узлов мотора
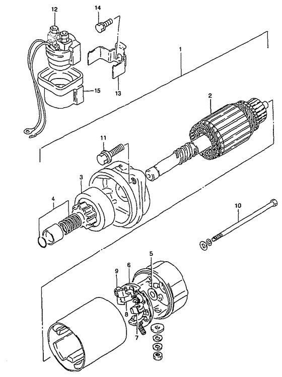
ДЕТАЛИРОВКА ДЛЯ МОДЕЛИ: SUZUKI DT25KVG G
Двигатель электростартера
Год выпуска двигателя: 1986
Номер на рисунке | Артикул | Наименование | QTY | Кол-во на складе | Цена |
| 1 | 31100-94401-000 | Двигатель электростартера в сборе - Motor Assy, Starting (Motor assy, starting ) (Motor Assy, Starting) | | под заказ | 89760 руб. |
| 1 | 31100-94402-000 | (актуальный код замены) Двигатель электростартера в сборе - Motor Assy, Starting | | под заказ | 89760 руб. |
| 1 | SC-OT838 | (не оригинальный аналог) Электростартер двигателя Suzuki/Tohatsu/Nissan/Mercury/Mariner SC-OT838 | | под заказ | 15140 руб. |
| 2 | 31310-96300-000 | Якорь - Armature (Armature, starter ) (Armature) | | 2 шт | 45360 руб. |
| 3 | 31320-94400-000 | Комплект шестерёнок - Pinion Assy (Piston assy; ) (Pinion Assy) | | под заказ | 23620 руб. |
| 4 | 31312-96300-000 | Комплект стопора шестерни - Stopper Set, Pinion (Stopper Set, Pinion) | | 2 шт | 1420 руб. |
| 5 | 31360-96300-000 | Установочная шайба - Washer Set (Washer kit ) (Washer Set) | | под заказ | 1260 руб. |
| 6 | 31173-96301-000 | Держатель щетки - Holder Assy, Brush (Holder Assy, Brush) | | под заказ | 7780 руб. |
| 6 | 31173-89J00-000 | (актуальный код замены) Держатель щетки - Holder Assy, Brush | | 1 шт | 7780 руб. |
| 6 | 31173-89J00-000 | Держатель щетки - Holder Assy, Brush (Holder Assy, Brush) | | 1 шт | 7780 руб. |
| 7 | 31131-96300-000 | Щётка (+) - Brush (+) (Brush (+); ) (Brush (+)) | | 2 шт | 2080 руб. |
| 8 | 31132-96300-000 | Щётка (-) - Brush (-) (Brush (-); ) (Brush (-)) | | 2 шт | 1110 руб. |
| 9 | 31135-96300-000 | Пружина - Spring (Spring, brush;) (Spring) | | под заказ | 550 руб. |
| 9 | 31135-89J00-000 | (актуальный код замены) Пружина - Spring | | под заказ | 550 руб. |
| 9 | 31135-89J00-000 | Пружина - Spring (Spring) | | под заказ | 550 руб. |
| 10 | 31281-93340-000 | Сквозной болт - Bolt, Through (Bolt, starter housing ) (Bolt, Through) | | под заказ | 410 руб. |
| 11 | 01580-08257-000 | Болт - Bolt (Bolt) | | 9 шт | 240 руб. |
| 12 | 31800-94401-000 | Реле в сборе, Двигатель электростартера - Relay Assy, Starting Motor (Relay, starter # Relay assy, starting motor; ) (Relay Assy, Starting Motor) | | 2 шт | 14140 руб. |
| 13 | 31805-96350-000 | Кронштейн, Двигатель электростартера Реле - Bracket, Starting Motor Relay (Bracket, starter relay # Bracket, starting motor; ) (Bracket, Starting Motor Relay) | | под заказ | 390 руб. |
| 14 | 01550-06167-000 | Болт - Bolt (Bolt) | | 9 шт | 210 руб. |
| 15 | 38422-94520-000 | (Damper, trim relay;) | | под заказ | 0 руб. |
Время выполнения запроса 0.67171311378479 сек. |
|