| |
 |
|
 |
Вернуться к выбору узлов мотора
ДЕТАЛИРОВКА ДЛЯ МОДЕЛИ: SUZUKI DT25PG(G/J/VZ) G
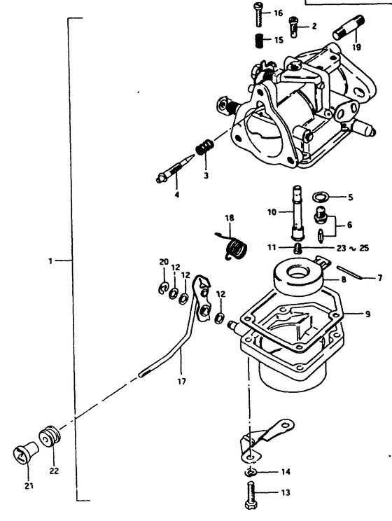
Карбюратор
Год выпуска двигателя: 1986
Регион: General Export No.1 ,Код региона: P01
Номер на рисунке | Артикул | Наименование | QTY | Кол-во на складе | Цена |
| 1 | 13200-93412-000 | (To 13200-93413, see note) | | под заказ | 0 руб. |
| 1 | 13200-93420-000 | (актуальный код замены) Запчасть снята с производства - The Spare Part Is Laid Off | | под заказ | 0 руб. |
| 1 | 13200-93413-000 | (See note) | | под заказ | 0 руб. |
| 1 | 13200-93420-000 | (актуальный код замены) Запчасть снята с производства - The Spare Part Is Laid Off | | под заказ | 0 руб. |
| 2 | 09492-75001-000 | Контрольная форсунка (75) - Jet, Pilot (75) (Pilot jet (75) # Jet, pilot (75); ) (Jet, Pilot (75)) | | под заказ | 960 руб. |
| 3 | 13271-93311-000 | Пружина - Spring (Spring, air screw # Spring, air screw; ) (Spring) | | 1 шт | 350 руб. |
| 4 | 13269-93311-000 | Винт контроля воздуха - Screw, Pilot Air (Screw, pilot air # Screw, pilot air; ) (Screw, Pilot Air) | | под заказ | 810 руб. |
| 5 | 13392-58600-000 | Прокладка седла клапана - Gasket, Valve Seat (Gasket, valve seat # Gasket, needle valve; ) (Gasket, Valve Seat) | | 1 шт | 150 руб. |
| 6 | 13370-28110-000 | Игольчатый клапан, в сборе - Valve Assy, Needle (Valve assy, needle # Valve assy, needle; ) (Valve Assy, Needle) | | 4 шт | 4350 руб. |
| 7 | 13254-93010-000 | Стопор поплавка - Pin, Float (Pin, Float) | | под заказ | 240 руб. |
| 7 | 13254-98300-000 | (актуальный код замены) Стопор поплавка - Pin, Float | | под заказ | 240 руб. |
| 7 | 13254-98300-000 | Стопор поплавка - Pin, Float (Pin, float ) (Pin, Float) | | под заказ | 240 руб. |
| 8 | 13250-93012-000 | Поплавок - Float (Float) | | под заказ | 1950 руб. |
| 9 | 13251-93310-000 | Прокладка поплавковой камеры - Gasket, Float Cahmber (Gasket, Float Cahmber) | | под заказ | 840 руб. |
| 9 | 13251-93320-000 | (актуальный код замены) Прокладка поплавковой камеры - Gasket, Float Cahmber | | под заказ | 840 руб. |
| 9 | 13251-93320-000 | Прокладка поплавковой камеры - Gasket, Float Cahmber (Gasket, float chamber ) (Gasket, Float Cahmber) | | под заказ | 840 руб. |
| 10 | 13235-95210-000 | Nozzle - Nozzle (Nozzle, main # Nozzle; ) (Nozzle) | | под заказ | 3240 руб. |
| 11 | 09491-32006-000 | Главная форсунка (160) - Jet, Main (160) (Jet, main (160);) (Jet, Main (160)) | | под заказ | 1120 руб. |
| 11 | 09491-32012-000 | (актуальный код замены) Главная форсунка (160) - Jet, Main (160) | | 2 шт | 1120 руб. |
| 11 | 09491-32012-000 | Главная форсунка (160) - Jet, Main (160) (Jet, main (160) ) (Jet, Main (160)) | | 2 шт | 1120 руб. |
| 12 | 13589-95210-000 | Шайба, Choke Рычаг - Washer, Choke Lever (Washer # Washer, choke lever; ) (Washer, Choke Lever) | | под заказ | 320 руб. |
| 13 | 02112-05208-000 | Винт - Screw (Screw) | | под заказ | 150 руб. |
| 13 | 02112-05207-000 | (актуальный код замены) Винт - Screw | | под заказ | 150 руб. |
| 13 | 02112-05207-000 | Винт - Screw (Screw) | | под заказ | 150 руб. |
| 13 | 13281-94500-000 | | | под заказ | 0 руб. |
| 14 | 08321-21058-000 | Шайба с блокировкой - Washer, Lock (Washer, Lock) | | под заказ | 140 руб. |
| 14 | 08321-0105A-000 | (актуальный код замены) Шайба с блокировкой - Washer, Lock | | под заказ | 140 руб. |
| 14 | 08321-0105A-000 | Шайба с блокировкой - Washer, Lock (Washer, Lock) | | под заказ | 140 руб. |
| 14 | 09162-05002-000 | Шайба с блокировкой - Washer, Lock (Lock washer # Lock washer; ) (Washer, Lock) | | под заказ | 130 руб. |
| 15 | 13268-96110-000 | Пружина, Дроссель Винт - Spring, Throttle Screw (Spring, stop screw;) (Spring, Throttle Screw) | | под заказ | 350 руб. |
| 15 | 13268-96111-000 | (актуальный код замены) Пружина, Дроссель Винт - Spring, Throttle Screw | | под заказ | 350 руб. |
| 15 | 13268-96111-000 | Пружина, Дроссель Винт - Spring, Throttle Screw (Spring, throttle screw ) (Spring, Throttle Screw) | | под заказ | 350 руб. |
| 16 | 13267-96111-000 | | | под заказ | 0 руб. |
| 17 | 13413-93400-000 | (Lever assy, choke 2;) | | под заказ | 0 руб. |
| 18 | 13573-93310-000 | | | под заказ | 0 руб. |
| 19 | 01411-08208-000 | Болт под шпильку - Bolt, Stud (Bolt, Stud) | | под заказ | 170 руб. |
| 19 | 01411-0820B-000 | (актуальный код замены) Болт под шпильку - Bolt, Stud | | под заказ | 170 руб. |
| 19 | 01411-0820B-000 | Болт под шпильку - Bolt, Stud (Bolt, Stud) | | под заказ | 170 руб. |
| 20 | 13593-93400-000 | | | под заказ | 0 руб. |
| 21 | 13631-99002-000 | Рукоятка стартера - Knob, Starter (To 13631-93500) (Knob, Starter) | | под заказ | 460 руб. |
| 21 | 13631-93501-000 | (актуальный код замены) Рукоятка стартера - Knob, Starter | | 2 шт | 460 руб. |
| 21 | 13631-93501-000 | Рукоятка стартера - Knob, Starter (Knob, Starter) | | 2 шт | 460 руб. |
| 21 | 13631-93500-000 | Рукоятка стартера - Knob, Starter (Knob, Starter) | | под заказ | 460 руб. |
| 21 | 13631-93501-000 | (актуальный код замены) Рукоятка стартера - Knob, Starter | | 2 шт | 460 руб. |
| 21 | 13631-93501-000 | Рукоятка стартера - Knob, Starter (Knob, Starter) | | 2 шт | 460 руб. |
| 22 | 09308-03003-000 | (Grommet, carburetor;) | | под заказ | 0 руб. |
| 23 | 09491-30008-000 | Главная форсунка (150) - Jet, Main (150) (Opt) (Jet, Main (150)) | | под заказ | 970 руб. |
| 23 | 09491-30010-000 | (актуальный код замены) Главная форсунка (150) - Jet, Main (150) | | 1 шт | 970 руб. |
| 23 | 09491-30010-000 | Главная форсунка (150) - Jet, Main (150) (Jet, main (#150) ) (Jet, Main (150)) | | 1 шт | 970 руб. |
| 24 | 09491-31003-000 | Контрольная форсунка (155) - Jet, Pilot (155) (Jet, main (155); Opt) (Jet, Pilot (155)) | | под заказ | 0 руб. |
| 24 | 09491-31014-000 | (актуальный код замены) Запчасть снята с производства - The Spare Part Is Laid Off | | под заказ | 0 руб. |
| 24 | 09491-31014-000 | Контрольная форсунка (155) - Jet, Pilot (155) (Jet, Pilot (155)) | | под заказ | 0 руб. |
| 25 | 09491-33001-000 | Главная форсунка (165) - Jet, Main (165) (Opt) (Jet, Main (165)) | | под заказ | 880 руб. |
| 25 | 09491-33004-000 | (актуальный код замены) Главная форсунка (165) - Jet, Main (165) | | под заказ | 880 руб. |
| 25 | 09491-33004-000 | Главная форсунка (165) - Jet, Main (165) (Jet, main (#165) ) (Jet, Main (165)) | | под заказ | 880 руб. |
Время выполнения запроса 3.0198578834534 сек. |
|