Купить комплектующие на лодочный подвесной мотор Suzuki - Fuel pump
вконтакте

Контактный телефон: +7 (981) 121-46-93, +7 (800) 200-90-76 , Email: parts-katalog@yandex.ru, где купить

 
 

  Логин:

Пароль:

Регистрация

www.partskatalog.ru Все каталоги Запчасти Mercury Запчасти Suzuki Запчасти Tohatsu Запчасти Honda Контакты



УВАЖАЕМЫЕ КЛИЕНТЫ!
C 19 ДЕКАБРЯ 2025 ПО 02 МАРТА 2026 ГОДА ОТДЕЛ ЗАПЧАСТЕЙ И СЕРВИС РАБОТАТЬ НЕ БУДУТ
ПРОДАЖА ЛОДОЧНЫХ МОТОРОВ В ШТАТНОМ РЕЖИМЕ
ОБ ИЗМЕНЕНИЯХ В ГРАФИКЕ РАБОТЫ ЧИТАЙТЕ НА САЙТА



назад Раздел:   вперёд

Вернуться к выбору узлов мотора


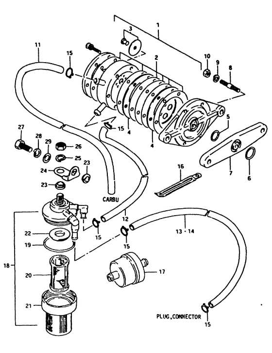
ДЕТАЛИРОВКА ДЛЯ МОДЕЛИ: SUZUKI DT25PG(G/J/VZ) G

Топливный насос


Год выпуска двигателя: 1986

Регион: General Export No.1 ,Код региона: P01

Номер на
рисунке
АртикулНаименованиеQTYКол-во
на складе
Цена
115100-93410-000

(Model g)

под заказ0 руб.
115100-93420-000

   (актуальный код замены) Запчасть снята с производства - The Spare Part Is Laid Off

под заказ0 руб.
115100-93411-000

(Model j/vz)

под заказ0 руб.
115100-93420-000

   (актуальный код замены) Запчасть снята с производства - The Spare Part Is Laid Off

под заказ0 руб.
215170-93410-000

Диафрагма Set, Топливный насос - Diaphragm Set, Fuel Pump (From 15170-93810) (Diaphragm Set, Fuel Pump)

под заказ12000 руб.
215170-93420-000

   (актуальный код замены) Диафрагма Set, Топливный насос - Diaphragm Set, Fuel Pump

под заказ12000 руб.
215170-93420-000

Диафрагма Set, Топливный насос - Diaphragm Set, Fuel Pump (Diaphragm Set, Fuel Pump)

под заказ12000 руб.
315180-93400-000

(From 15180-93810)

под заказ0 руб.
415162-93010-000

под заказ0 руб.
515165-93010-000

Уплотнительное кольцо, Топливный насос - O Ring, Fuel Pump (O ring ) (O Ring, Fuel Pump)

под заказ460 руб.
609280-12002-000

Уплотнительное кольцо, D: 2.4, Id: 11.8 - O Ring, D:24, Id:118 (O ring, fuel pump # D:2.4, id:11.8 ) (O Ring, D:2.4, Id:11.8)

под заказ120 руб.
715322-93000-000

Изолятор, Fuel, Помпа - Insulator, Fuel, Pump (Insulator # Insulator, fuel pump; ) (Insulator, Fuel, Pump)

под заказ0 руб.
801421-06258-000

Болт под шпильку - Bolt, Stud (Bolt, Stud)

под заказ190 руб.
801421-06257-000

   (актуальный код замены) Болт под шпильку - Bolt, Stud

под заказ190 руб.
801421-06257-000

Болт под шпильку - Bolt, Stud (Stud bolt ) (Bolt, Stud)

под заказ190 руб.
908321-21068-000

Шайба с блокировкой - Washer, Lock (Washer, Lock)

под заказ140 руб.
908321-01067-000

   (актуальный код замены) Шайба с блокировкой - Washer, Lock

под заказ140 руб.
908321-01067-000

Шайба с блокировкой - Washer, Lock (Washer, Lock)

под заказ140 руб.
1008310-11068-000

Гайка - Nut (Nut)

под заказ140 руб.
1008310-00067-000

   (актуальный код замены) Гайка - Nut

под заказ140 руб.
1008310-00067-000

Гайка - Nut (Nut)

под заказ140 руб.
1109343-05137-000

Шланг (5x9x600) - Hose (5x9x600) (L:500->350) (Hose (5x9x600))

под заказ570 руб.
1109352-50006-600

   (актуальный код замены) Шланг (5x9x600) - Hose (5x9x600)

1 шт570 руб.
1109352-50903-600

Шланг (5x9x600) - Hose (5x9x600) (Hose (5x9x600))

под заказ570 руб.
1109352-50006-600

   (актуальный код замены) Шланг (5x9x600) - Hose (5x9x600)

1 шт570 руб.
1209343-05137-000

Шланг (5x9x600) - Hose (5x9x600) (L:500->135) (Hose (5x9x600))

под заказ570 руб.
1209352-50006-600

   (актуальный код замены) Шланг (5x9x600) - Hose (5x9x600)

1 шт570 руб.
1209352-50903-600

Шланг (5x9x600) - Hose (5x9x600) (Hose (5x9x600))

под заказ570 руб.
1209352-50006-600

   (актуальный код замены) Шланг (5x9x600) - Hose (5x9x600)

1 шт570 руб.
1309343-05137-000

Шланг (5x9x600) - Hose (5x9x600) (L:500->270) (Hose (5x9x600))

под заказ570 руб.
1309352-50006-600

   (актуальный код замены) Шланг (5x9x600) - Hose (5x9x600)

1 шт570 руб.
1309352-50903-600

Шланг (5x9x600) - Hose (5x9x600) (Hose (5x9x600))

под заказ570 руб.
1309352-50006-600

   (актуальный код замены) Шланг (5x9x600) - Hose (5x9x600)

1 шт570 руб.
1509401-09402-000

Зажим - Clip (Clip)

под заказ130 руб.
1509401-08410-000

   (актуальный код замены) Зажим - Clip

под заказ130 руб.
1509401-08410-000

Зажим - Clip (Clip)

под заказ130 руб.
1609404-06415-000

Струбцина (l: 80) - Clamp (l:80) (Clamp (l:80))

под заказ230 руб.
1609404-06436-000

   (актуальный код замены) Струбцина (l: 80) - Clamp (l:80)

под заказ230 руб.
1609404-06433-000

Струбцина (l: 80) - Clamp (l:80) (Clamp (l:80) ) (Clamp (l:80))

под заказ230 руб.
1609404-06436-000

   (актуальный код замены) Струбцина (l: 80) - Clamp (l:80)

под заказ230 руб.
1715410-98500-000

Топливный фильтр - Filter, Fuel (Filter assy, fuel # Filter assy, fuel; ) (Filter, Fuel)

40 шт1600 руб.
1715410-98500

   (не оригинальный аналог) Топливный фильтр Suzuki 15410-98500

под заказ590 руб.


Время выполнения запроса 1.4346649646759 сек.

 
 

данный сайт носит информационный характер и не является публичной офертой

склад запчастей для водомоторной техники