Купить оригинальные запчасти на подвесной двигатель Suzuki модель 1986 года - Electrical - Электрика
вконтакте

Контактный телефон: +7 (981) 121-46-93, +7 (800) 200-90-76 , Email: parts-katalog@yandex.ru, где купить

 
 

  Логин:

Пароль:

Регистрация

www.partskatalog.ru Все каталоги Запчасти Mercury Запчасти Suzuki Запчасти Tohatsu Запчасти Honda Контакты



УВАЖАЕМЫЕ КЛИЕНТЫ!
C 19 ДЕКАБРЯ 2025 ПО 02 МАРТА 2026 ГОДА ОТДЕЛ ЗАПЧАСТЕЙ И СЕРВИС РАБОТАТЬ НЕ БУДУТ
ПРОДАЖА ЛОДОЧНЫХ МОТОРОВ В ШТАТНОМ РЕЖИМЕ
ОБ ИЗМЕНЕНИЯХ В ГРАФИКЕ РАБОТЫ ЧИТАЙТЕ НА САЙТА



назад Раздел:   вперёд

Вернуться к выбору узлов мотора


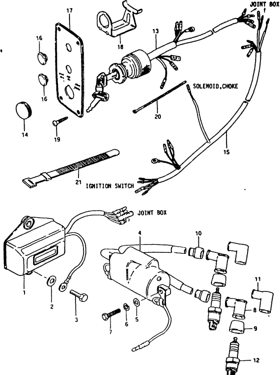
ДЕТАЛИРОВКА ДЛЯ МОДЕЛИ: SUZUKI DT25PG(G/J/VZ) G

Электрика


Год выпуска двигателя: 1986

Регион: General Export No.1 ,Код региона: P01

Номер на
рисунке
АртикулНаименованиеQTYКол-во
на складе
Цена
132900-93310-000

Модуль C.D.I. - Unit, Cdi (C.d.unit, ignition # C.d.i. unit; ) (Unit, Cdi)

под заказ0 руб.
132900-93610-000

(Dt25vze1)

под заказ0 руб.
209160-06052-000

Шайба (6.5x16x1.2) - Washer (65x16x12) (Washer (6.5x16x1.2) # Washer (6.5x16x1.2); ) (Washer (6.5x16x1.2))

под заказ160 руб.
301107-06208-000

Болт - Bolt (Bolt)

под заказ150 руб.
301500-06207-000

   (актуальный код замены) Болт - Bolt

под заказ150 руб.
301500-06207-000

Болт - Bolt (Bolt)

под заказ150 руб.
433410-93311-000

Катушка зажигания в сборе - Coil Assy, Ignition (From 33410-93310) (Coil Assy, Ignition)

под заказ0 руб.
433410-88311-000

   (актуальный код замены) Запчасть снята с производства - The Spare Part Is Laid Off

под заказ0 руб.
433410-88311-000

Катушка зажигания в сборе - Coil Assy, Ignition (Coil Assy, Ignition)

под заказ0 руб.
508322-21068-000

Шайба - Washer (Washer)

под заказ140 руб.
508322-01067-000

   (актуальный код замены) Шайба - Washer

10 шт160 руб.
508322-01067-000

Шайба - Washer (Washer)

10 шт160 руб.
608321-21068-000

Шайба с блокировкой - Washer, Lock (Washer, Lock)

под заказ140 руб.
608321-01067-000

   (актуальный код замены) Шайба с блокировкой - Washer, Lock

под заказ140 руб.
608321-01067-000

Шайба с блокировкой - Washer, Lock (Washer, Lock)

под заказ140 руб.
701107-06258-000

Болт - Bolt (Bolt)

под заказ150 руб.
701500-06257-000

   (актуальный код замены) Болт - Bolt

под заказ150 руб.
701500-06257-000

Болт - Bolt (Bolt)

под заказ150 руб.
833510-22010-000

Колпачок свечи зажигания - Cap Assy, Spark Plug (Cap Assy, Spark Plug)

1 шт2130 руб.
933541-93310-000

Сальник свечи зажигания Колпачок - Seal, Spark Plug Cap (Seal, Spark Plug Cap)

под заказ980 руб.
933541-93950-000

   (актуальный код замены) Сальник свечи зажигания Колпачок - Seal, Spark Plug Cap

под заказ980 руб.
933541-93950-000

Сальник свечи зажигания Колпачок - Seal, Spark Plug Cap (Seal, Spark Plug Cap)

под заказ980 руб.
1033542-98000-000

Сальник высоковольтного провода - Seal, High Tension Cord (Seal, High Tension Cord)

под заказ340 руб.
1033542-38B00-000

   (актуальный код замены) Сальник высоковольтного провода - Seal, High Tension Cord

под заказ340 руб.
1033542-38B00-000

Сальник высоковольтного провода - Seal, High Tension Cord (Seal, hightension cord ) (Seal, High Tension Cord)

под заказ340 руб.
1209482-00116-000

Свеча зажигания (br7hs) - Plug, Spark (br7hs) (Spark plug assy (dt9.9ce28, dt14ce28, dt16ce28) # Spark plug (ngk, br7hs); Model g, dt25p (je28, vze28) ) (Plug, Spark (br7hs))

под заказ860 руб.
1209482-00198-000

Свеча зажигания (b8hs) - Plug, Spark (b8hs) (Spark plug (ngk, b8hs) # Spark plug (ngk, b8hs); Dt25g/dt28g (e9, e13) ) (Plug, Spark (b8hs))

под заказ630 руб.
1209482-00082-000

Свеча зажигания (b7hs) - Plug, Spark (b7hs) (Spark plug assy # Spark plug (ngk, b7hs) g) j); Model j/vz, electric starter ) (Plug, Spark (b7hs))

под заказ600 руб.
1409250-20004-000

(Cap, ignition switch; Manual starter)

под заказ0 руб.
1536620-93702-000

(L:5450, dt25pg e3, electric starter)

под заказ0 руб.
1536620-93704-000

   (актуальный код замены) Запчасть снята с производства - The Spare Part Is Laid Off

под заказ0 руб.
1637101-93301-000

Колпачок (od: 20) - Cap (od:20) (Dt25pg e3, electric starter) (Cap (od:20))

под заказ160 руб.
1609250-12016-000

   (актуальный код замены) Колпачок (od: 20) - Cap (od:20)

под заказ160 руб.
1609250-12006-000

Колпачок (od: 20) - Cap (od:20) (Cap (od:20))

под заказ160 руб.
1609250-12016-000

   (актуальный код замены) Колпачок (od: 20) - Cap (od:20)

под заказ160 руб.
1737139-95251-000

(Dt25pg e3, electric starter)

под заказ0 руб.
1837150-93350-000

(Dt25pg e3, electric starter)

под заказ0 руб.
1903112-05209-000

Винт - Screw (Dt25pg e3, electric starter) (Screw)

под заказ150 руб.
1903111-0520A-000

   (актуальный код замены) Винт - Screw

под заказ150 руб.
1903111-0520A-000

Винт - Screw (Screw)

под заказ150 руб.
2009407-14402-000

Струбцина (l: 145) - Clamp (l:145) (Dt25pg e3, electric starter) (Clamp (l:145))

под заказ230 руб.
2009407-14407-000

   (актуальный код замены) Струбцина (l: 145) - Clamp (l:145)

9 шт230 руб.
2009407-14407-000

Струбцина (l: 145) - Clamp (l:145) (Band ) (Clamp (l:145))

9 шт230 руб.
2109407-12402-000

Струбцина (l: 120) - Clamp (l:120) (Clamp, wiring harness # Clamp, harness; Dt25pg e3, electric starter ) (Clamp (l:120))

под заказ230 руб.


Время выполнения запроса 1.8101980686188 сек.

 
 

данный сайт носит информационный характер и не является публичной офертой

склад запчастей для водомоторной техники