| |
 |
|
 |
Вернуться к выбору узлов мотора
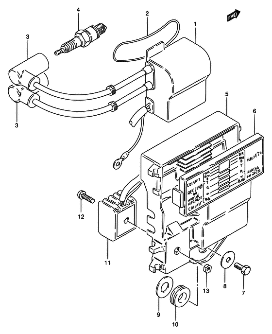
ДЕТАЛИРОВКА ДЛЯ МОДЕЛИ: SUZUKI DT25K VH
Ignition
Год выпуска двигателя: 1987
Номер на рисунке | Артикул | Наименование | QTY | Кол-во на складе | Цена |
| 1 | 32900-96310-000 | Модуль C.D.I. With Катушка зажигания - Unit, Cdi With Ignition Coil (E07, E08, E13, E38, E40 ) (Unit, Cdi With Ignition Coil) | | под заказ | 78720 руб. |
| 1 | 32900-96320-000 | (DT25K) | | под заказ | 0 руб. |
| 1 | 32900-96330-000 | (E90, RE90 ->2900-96320) | | под заказ | 0 руб. |
| 1 | 32900-96320-000 | (актуальный код замены) Запчасть снята с производства - The Spare Part Is Laid Off | | под заказ | 0 руб. |
| 1 | 32900-96340-000 | Модуль C.D.I. With Катушка зажигания - Unit, Cdi With Ignition Coil (Cdi. unit, ignition coil assy # DT20/25/30 ) (Unit, Cdi With Ignition Coil) | | под заказ | 0 руб. |
| 2 | 09280-61002-000 | Уплотнительное кольцо (d: 3.5, Id: 61) - O Ring (d:35, Id:61) (O ring # <-9280-62001 ) (O Ring (d:3.5, Id:61)) | | под заказ | 340 руб. |
| 2 | 09280-61004-000 | (актуальный код замены) Уплотнительное кольцо (d: 3.5, Id: 61) - O Ring (d:3.5, Id:61) | | под заказ | 340 руб. |
| 3 | 33510-95520-000 | Колпачок свечи зажигания - Cap, Spark Plug (Cap, spark plug # <-3510-95510 ) (Cap, Spark Plug) | | 1 шт | 2100 руб. |
| 4 | 09482-00532-000 | Свеча зажигания (b7hs-10) - Plug, Spark (b7hs-10) (DT25/25K/30 E07, E08, E13, E36, E38, E40, E90 <-9482-00269 ) (Plug, Spark (b7hs-10)) | | под заказ | 540 руб. |
| 4 | 09482-00533-000 | Свеча зажигания (br7hs-10) - Plug, Spark (br7hs-10) (Spark plug, br7hs # <-9482-00277 ) (Plug, Spark (br7hs-10)) | | 22 шт | 900 руб. |
| 5 | 32890-96301-000 | | | под заказ | 0 руб. |
| 6 | 36650-96300-000 | Крышка, Junction Box - Cover, Junction Box (Cover, junction box ) (Cover, Junction Box) | | под заказ | 0 руб. |
| 7 | 01500-06127-000 | Болт - Bolt (Bolt) | | под заказ | 150 руб. |
| 8 | 09160-06054-000 | Шайба (6.5x22x1.6) - Washer (65x22x16) (Washer (6.5x22x1.6) ) (Washer (6.5x22x1.6)) | | под заказ | 120 руб. |
| 9 | 09160-12089-000 | Шайба (12.5x26x1.6) - Washer (125x26x16) (Washer (12.5x26x1.6) # <-9160-12056 ) (Washer (12.5x26x1.6)) | | под заказ | 150 руб. |
| 10 | 09320-12011-000 | Подушка - Cushion (Cushion ) (Cushion) | | под заказ | 150 руб. |
| 10 | 09320-12090-000 | (актуальный код замены) Подушка (11.8x25x7.5) - Cushion (11.8x25x7.5) | | под заказ | 150 руб. |
| 11 | 32800-95D01-000 | Выпрямитель в сборе - Rectifier Assy (ELECTRIC STARTER ) (Rectifier Assy) | | под заказ | 10760 руб. |
| 11 | 32800-95D02-000 | (актуальный код замены) Выпрямитель в сборе - Rectifier Assy | | 1 шт | 10760 руб. |
| 12 | 02142-05257-000 | Винт - Screw (ELECTRIC STARTER ) (Screw) | | под заказ | 110 руб. |
| 13 | 08310-00057-000 | Гайка - Nut (ELECTRIC STARTER ) (Nut) | | под заказ | 140 руб. |
Время выполнения запроса 2.8833560943604 сек. |
|