Подобрать запчасти на подвесной двигатель Suzuki модель 1988 года - Exhaust cover - Кожух выхлопной трубы
вконтакте

Контактный телефон: +7 (981) 121-46-93, +7 (800) 200-90-76 , Email: parts-katalog@yandex.ru, где купить

 
 

  Логин:

Пароль:

Регистрация

www.partskatalog.ru Все каталоги Запчасти Mercury Запчасти Suzuki Запчасти Tohatsu Запчасти Honda Контакты



УВАЖАЕМЫЕ КЛИЕНТЫ!
C 19 ДЕКАБРЯ 2025 ПО 02 МАРТА 2026 ГОДА ОТДЕЛ ЗАПЧАСТЕЙ И СЕРВИС РАБОТАТЬ НЕ БУДУТ
ПРОДАЖА ЛОДОЧНЫХ МОТОРОВ В ШТАТНОМ РЕЖИМЕ
ОБ ИЗМЕНЕНИЯХ В ГРАФИКЕ РАБОТЫ ЧИТАЙТЕ НА САЙТА



назад Раздел:   вперёд

Вернуться к выбору узлов мотора


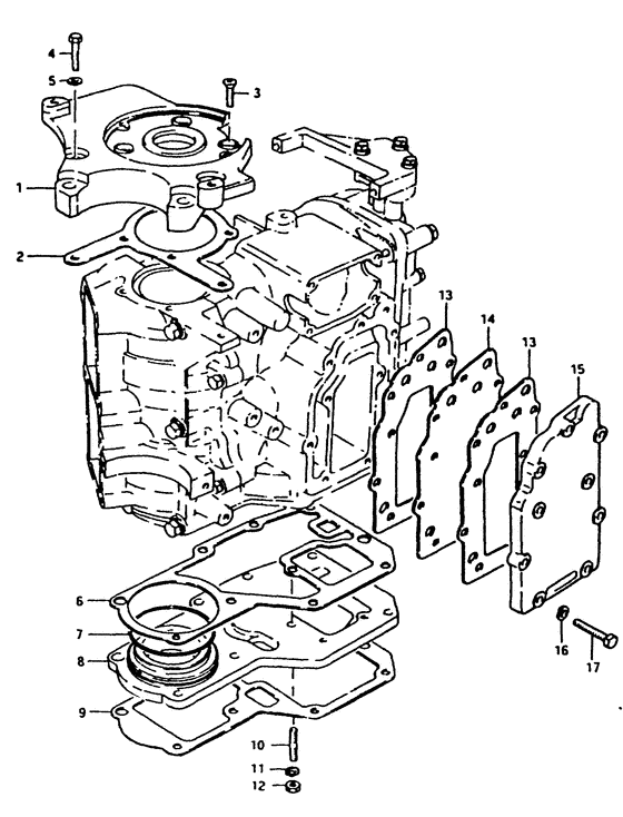
ДЕТАЛИРОВКА ДЛЯ МОДЕЛИ: SUZUKI DT25J(G/J/VZ) J

Кожух выхлопной трубы


Год выпуска двигателя: 1988

Номер на
рисунке
АртикулНаименованиеQTYКол-во
на складе
Цена
111411-93302-01J

под заказ0 руб.
211413-93300-000

Прокладка верхнего корпуса сальника (na) - Gasket, Upr Oil Seal Hsg (na) (Gasket, Upr Oil Seal Hsg (na))

под заказ0 руб.
211413-93360-000

   (актуальный код замены) Запчасть снята с производства - The Spare Part Is Laid Off

под заказ0 руб.
211413-93360-000

Прокладка верхнего корпуса сальника (na) - Gasket, Upr Oil Seal Hsg (na) (Gasket, Upr Oil Seal Hsg (na))

под заказ0 руб.
302122-06168-000

Винт - Screw (Screw)

под заказ120 руб.
302122-06167-000

   (актуальный код замены) Винт - Screw

под заказ120 руб.
302122-06167-000

Винт - Screw (Screw)

под заказ120 руб.
401107-06208-000

Болт - Bolt (Bolt)

под заказ150 руб.
401500-06207-000

   (актуальный код замены) Болт - Bolt

под заказ150 руб.
401500-06207-000

Болт - Bolt (Bolt)

под заказ150 руб.
508321-21068-000

Шайба с блокировкой - Washer, Lock (Washer, Lock)

под заказ140 руб.
508321-01067-000

   (актуальный код замены) Шайба с блокировкой - Washer, Lock

под заказ140 руб.
508321-01067-000

Шайба с блокировкой - Washer, Lock (Washer, Lock)

под заказ140 руб.
611433-93000-000

под заказ0 руб.
611433-93060-000

   (актуальный код замены) Запчасть снята с производства - The Spare Part Is Laid Off

под заказ0 руб.
709280-60003-000

Уплотнительное кольцо (d: 1.2, Id: 59.6) - O Ring (d:12, Id:596) (O ring (09280-60003); Model j/vz ) (O Ring (d:1.2, Id:59.6))

под заказ170 руб.
811453-93401-000

(Model j/vz)

под заказ0 руб.
809283-25092-000

Сальник (25x38x8) - Seal, Oil (25x38x8) (Oil seal (25x38x8) ) (Seal, Oil (25x38x8))

14 шт1510 руб.
809283-25112-000

   (актуальный код замены) Запчасть снята с производства - The Spare Part Is Laid Off

под заказ0 руб.
952113-93400-000

под заказ0 руб.
952113-93460-000

   (актуальный код замены) Запчасть снята с производства - The Spare Part Is Laid Off

под заказ0 руб.
952113-93460-000

под заказ0 руб.
1009108-06032-000

Болт под шпильку - Bolt, Stud (Bolt, Stud)

под заказ380 руб.
1009108-06063-000

   (актуальный код замены) Болт под шпильку - Bolt, Stud

под заказ380 руб.
1009108-06063-000

Болт под шпильку - Bolt, Stud (Stud bolt (6x20) ) (Bolt, Stud)

под заказ380 руб.
1109162-06001-000

Шайба с блокировкой - Washer, Lock (Washer, Lock)

под заказ160 руб.
1109162-06006-000

   (актуальный код замены) Шайба с блокировкой - Washer, Lock

под заказ160 руб.
1109162-06006-000

Шайба с блокировкой - Washer, Lock (Lock washer ) (Washer, Lock)

под заказ160 руб.
1209140-06004-000

Гайка - Nut (Nut)

под заказ150 руб.
1209140-06020-000

   (актуальный код замены) Гайка - Nut

9 шт150 руб.
1209140-06020-000

Гайка - Nut (Nut)

9 шт150 руб.
1314151-93000-000

под заказ0 руб.
1314151-93060-000

   (актуальный код замены) Запчасть снята с производства - The Spare Part Is Laid Off

под заказ0 руб.
1414131-93000-000

(Model g)

под заказ0 руб.
1414131-93001-000

   (актуальный код замены) Запчасть снята с производства - The Spare Part Is Laid Off

под заказ0 руб.
1414131-93001-000

(Model j/vz)

под заказ0 руб.
1514141-93001-01J

под заказ0 руб.
1514141-93001-0ED

   (актуальный код замены) Запчасть снята с производства - The Spare Part Is Laid Off

под заказ0 руб.
1608321-21068-000

Шайба с блокировкой - Washer, Lock (Washer, Lock)

под заказ140 руб.
1608321-01067-000

   (актуальный код замены) Шайба с блокировкой - Washer, Lock

под заказ140 руб.
1608321-01067-000

Шайба с блокировкой - Washer, Lock (Washer, Lock)

под заказ140 руб.
1701107-06308-000

Болт - Bolt (Bolt)

под заказ190 руб.
1701500-06307-000

   (актуальный код замены) Болт - Bolt

под заказ190 руб.
1701500-06307-000

Болт - Bolt (Bolt)

под заказ190 руб.


Время выполнения запроса 0.96173596382141 сек.

 
 

данный сайт носит информационный характер и не является публичной офертой

склад запчастей для водомоторной техники