Купить запчасти на подвесной лодочный двигатель SUZUKI модель 1989 года - Remocon box
вконтакте

Контактный телефон: +7 (981) 121-46-93, +7 (800) 200-90-76 , Email: parts-katalog@yandex.ru, где купить

 
 

  Логин:

Пароль:

Регистрация

www.partskatalog.ru Все каталоги Запчасти Mercury Запчасти Suzuki Запчасти Tohatsu Запчасти Honda Контакты

назад Раздел:   вперёд

Вернуться к выбору узлов мотора


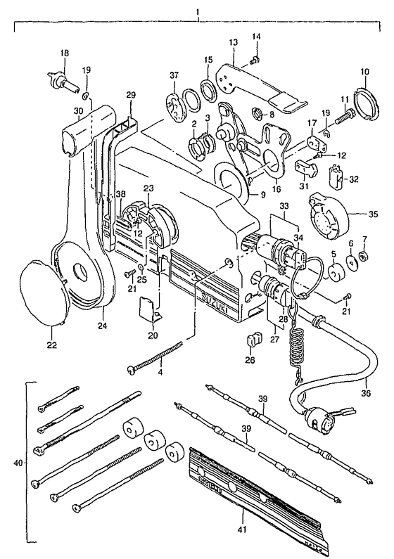
ДЕТАЛИРОВКА ДЛЯ МОДЕЛИ: SUZUKI DT25K K

Remocon box


Год выпуска двигателя: 1989

Номер на
рисунке
АртикулНаименованиеQTYКол-во
на складе
Цена
167200-94632-0ED

под заказ0 руб.
167200-87D56-000

Дистанционное управление в сборе - Remote Control Assy (Remote Control Assy)

под заказ0 руб.
167200-87D61-000

   (актуальный код замены) Запчасть снята с производства - The Spare Part Is Laid Off

под заказ0 руб.
167200-94631-01T

под заказ0 руб.
167200-94631-02M

под заказ0 руб.
167200-93961-0ED

(Shift and throttle only)

под заказ0 руб.
267232-95600-000

Втулка - Bush (Bush)

под заказ570 руб.
367232-95620-000

Втулка - Bush (Bush)

под заказ500 руб.
467296-95600-000

Винт - Screw (Screw)

под заказ570 руб.
567294-95600-000

Проставка - Spacer (Spacer)

под заказ460 руб.
609160-06104-000

Шайба (6.5x24x2) - Washer (65x24x2) (Washer (6.5x24x2))

под заказ220 руб.
709140-06020-000

Гайка - Nut (Nut)

9 шт150 руб.
867232-95610-000

Втулка - Bush (Bush)

под заказ0 руб.
967253-95600-000

Шайба - Washer (Washer)

под заказ460 руб.
1067252-95600-000

Втулка - Bush (Bush)

2 шт480 руб.
1109100-08232-000

Болт (8x30) - Bolt (8x30) (Bolt (8x30))

6 шт350 руб.
1267296-94300-000

Винт (4x10) - Screw (4x10) (Inc. 67200-93951, 67200-93961-0ed ) (Screw (4x10))

под заказ120 руб.
1367241-95680-000

Рычаг освобождения дросселя (gray) - Lever, Free Throttle (gray) (Lever, free throttle (gray) # Lever, free throttle (gray); ) (Lever, Free Throttle (gray))

под заказ0 руб.
1367241-95650-000

под заказ0 руб.
1367241-95600-000

под заказ0 руб.
1409126-05003-000

Винт (5x12) - Screw (5x12) (Screw (5x12))

под заказ160 руб.
1567243-95600-000

Втулка, Remo-con - Bush, Remo-con (Bush, Remo-con)

2 шт390 руб.
1667220-95620-000

Пластина в сборе - Plate Assy (Plate assy ) (Plate Assy)

под заказ8400 руб.
1767275-95600-000

Наконечник кабеля - End, Cable (End, Cable)

36 шт810 руб.
1867223-95600-000

Ручка регулировки тормоза - Knob, Brake Adjust (Knob, Brake Adjust)

под заказ1670 руб.
1967292-94300-000

Уплотнительное кольцо дистанционного управления - E Ring, Remo-con (E Ring, Remo-con)

25 шт120 руб.
2067267-95600-000

(Cover, wire (blue);)

под заказ0 руб.
2067267-95610-000

Крышка проводов - Cover, Wire (Cover, wire (black) # Cover, wire (black); ) (Cover, Wire)

под заказ580 руб.
2167296-95610-000

Винт - Screw (Screw)

2 шт280 руб.
2267257-95600-000

Крышка рычага - Cap, Lever (Cap, lever # Cap, lever (blue); ) (Cap, Lever)

под заказ0 руб.
2267257-95610-000

Крышка рычага - Cap, Lever (Cap, lever (black); ) (Cap, Lever)

под заказ680 руб.
2367256-95600-000

Держатель блокировки нейтрали - Holder, Neutral Lock (Holder, neut lock # Holder, neutral lock; ) (Holder, Neutral Lock)

1 шт1140 руб.
2467251-95680-000

Рычаг блокировки - Lever, Handle (Lever, hadle (gray) # Lever, handle (gray); ) (Lever, Handle)

под заказ7200 руб.
2467251-95650-000

Рычаг блокировки - Lever, Handle (Lever, handle (silver);) (Lever, Handle)

под заказ7200 руб.
2467251-95680-000

   (актуальный код замены) Рычаг блокировки - Lever, Handle

под заказ7200 руб.
2467251-95680-000

Рычаг блокировки - Lever, Handle (Lever, hadle (gray) ) (Lever, Handle)

под заказ7200 руб.
2467251-95600-000

(Lever, handle (white);)

под заказ0 руб.
2567297-95600-000

Шайба - Washer (Washer)

под заказ280 руб.
2667273-95600-000

Проставка - Spacer (Spacer)

под заказ460 руб.
2667273-95601-000

   (актуальный код замены) Проставка - Spacer

3 шт630 руб.
2737820-94404-000

Аварийный выключатель, в сборе - Switch Assy, Emergency (Switch Assy, Emergency)

под заказ4710 руб.
2737820-92E05-000

   (актуальный код замены) Аварийный выключатель, в сборе - Switch Assy, Emergency

1 шт4710 руб.
2737820-92E04-000

Аварийный выключатель, в сборе - Switch Assy, Emergency (Switch Assy, Emergency)

под заказ4710 руб.
2737820-92E05-000

   (актуальный код замены) Аварийный выключатель, в сборе - Switch Assy, Emergency

1 шт4710 руб.
2837823-94400-000

Колпачок & Шнур - Cap & Rope (Cap & rope # Cap & rope; ) (Cap & Rope)

под заказ1530 руб.
2837823-94401-000

   (актуальный код замены) Колпачок & Шнур - Cap & Rope

1 шт1530 руб.
2967255-95600-000

Рукоятка блокировки нейтрали - Arm, Neutral Lock (Arm, neutral lock # Arm, neutral lock; ) (Arm, Neutral Lock)

под заказ1870 руб.
3067261-95610-000

Рукоятка - Grip (Grip)

под заказ1870 руб.
3167214-95600-000

Зубчатый привод - Gear, Drive (Gear, Drive)

под заказ4080 руб.
3167238-87D00-000

   (актуальный код замены) Зубчатый привод - Gear, Drive

1 шт4080 руб.
3167238-87D00-000

Зубчатый привод - Gear, Drive (Gear, Drive)

1 шт4080 руб.
3237721-94600-000

Выключатель нейтрали, в сборе - Switch Assy, Neutral (Switch, neutral;) (Switch Assy, Neutral)

под заказ3650 руб.
3237721-94601-000

   (актуальный код замены) Выключатель нейтрали, в сборе - Switch Assy, Neutral

1 шт4380 руб.
3237721-94601-000

Выключатель нейтрали, в сборе - Switch Assy, Neutral (Switch Assy, Neutral)

1 шт4380 руб.
3337110-94610-000

Выключатель зажигания - Switch Assy, Ignition (Switch Assy, Ignition)

под заказ8980 руб.
3337110-99E02-000

   (актуальный код замены) Выключатель зажигания - Switch Assy, Ignition

4 шт8980 руб.
33MP51010

   (не оригинальный аналог) Замок зажигания Suzuki MP51010

под заказ9530 руб.
33SC-SN008

   (не оригинальный аналог) Замок зажигания Suzuki SC-SN008

под заказ4260 руб.
3337110-99E01-000

Выключатель зажигания - Switch Assy, Ignition (Switch Assy, Ignition)

1 шт8980 руб.
3337110-99E02-000

   (актуальный код замены) Выключатель зажигания - Switch Assy, Ignition

4 шт8980 руб.
33MP51010

   (не оригинальный аналог) Замок зажигания Suzuki MP51010

под заказ9530 руб.
3437141-94400-000

Ключ (101) - Key (101) (Key (101) # Key (101); ) (Key (101))

под заказ2740 руб.
3437141-94401-000

   (актуальный код замены) Ключ (101) - Key (101)

под заказ2740 руб.
3437141-94410-000

Ключ (102) - Key (102) (Key (102) # Key (102); ) (Key (102))

под заказ0 руб.
3437141-94411-000

   (актуальный код замены) Запчасть снята с производства - The Spare Part Is Laid Off

под заказ0 руб.
3437141-94420-000

Ключ (103) - Key (103) (Key (103) # Key (103); ) (Key (103))

под заказ0 руб.
3437141-94421-000

   (актуальный код замены) Запчасть снята с производства - The Spare Part Is Laid Off

под заказ0 руб.
3437141-94430-000

Ключ (104) - Key (104) (Key (104) # Key (104); ) (Key (104))

под заказ0 руб.
3437141-94431-000

   (актуальный код замены) Запчасть снята с производства - The Spare Part Is Laid Off

под заказ0 руб.
3437141-94440-000

Ключ (105) - Key (105) (Key (105) # Key (105); ) (Key (105))

под заказ0 руб.
3437141-94441-000

   (актуальный код замены) Запчасть снята с производства - The Spare Part Is Laid Off

под заказ0 руб.
3437141-94450-000

Ключ (106) - Key (106) (Key (106) # Key (106); ) (Key (106))

под заказ0 руб.
3437141-94451-000

   (актуальный код замены) Запчасть снята с производства - The Spare Part Is Laid Off

под заказ0 руб.
3538500-92X50-000

Предупреждающий зуммер - Buzzer Set, Warning (Buzzer Set, Warning)

под заказ10280 руб.
3538500-92X52-000

   (актуальный код замены) Предупреждающий зуммер - Buzzer Set, Warning

под заказ10280 руб.
3636620-92E00-000

Удлинитель провода дистанционного управления (l: 6360) - Wire Assy, Remocon Ext (l:6360) (Wiring harness 9 wires # Wiring harness 7 wires; ) (Wire Assy, Remocon Ext (l:6360))

под заказ28560 руб.
3767245-95600-000

Барабан освобождения дросселя - Drum, Free Throttle (Drum assy, free throttle ) (Drum, Free Throttle)

под заказ2480 руб.
3867258-87D00-000

Кронштейн, Neutral Рычаг - Bracket, Neutral Arm (Bracket, neutral arm ) (Bracket, Neutral Arm)

под заказ630 руб.
3967320-95510-000

(Cable, clutch 7f (2.1m);)

под заказ0 руб.
3967320-89J00-000

   (актуальный код замены) Запчасть снята с производства - The Spare Part Is Laid Off

под заказ0 руб.
3967320-95520-000

Тросик дистанционного управления (8f: 2.4m) - Cable Assy, Remocon (8f:24m) (Cable Assy, Remocon (8f:2.4m))

под заказ5760 руб.
3967320-93J00-000

   (актуальный код замены) Тросик дистанционного управления (8f: 2.4m) - Cable Assy, Remocon (8f:2.4m)

под заказ5760 руб.
3967320-93J00-000

Тросик дистанционного управления (8f: 2.4m) - Cable Assy, Remocon (8f:24m) (Cable Assy, Remocon (8f:2.4m))

под заказ5760 руб.
3967320-95540-000

Тросик дистанционного управления (10f: 3.1m) - Cable Assy, Remocon (10f:31m) (Cable Assy, Remocon (10f:3.1m))

под заказ6340 руб.
3967320-93J10-000

   (актуальный код замены) Тросик дистанционного управления (10f: 3.1m) - Cable Assy, Remocon (10f:3.1m)

под заказ6340 руб.
3967320-93J10-000

Тросик дистанционного управления (10f: 3.1m) - Cable Assy, Remocon (10f:31m) (Cable Assy, Remocon (10f:3.1m))

под заказ6340 руб.
3967320-95560-000

Тросик дистанционного управления (12f: 3.7m) - Cable Assy, Remocon (12f:37m) (Cable Assy, Remocon (12f:3.7m))

под заказ6920 руб.
3967320-93J20-000

   (актуальный код замены) Тросик дистанционного управления (12f: 3.7m) - Cable Assy, Remocon (12f:3.7m)

под заказ6920 руб.
3967320-93J20-000

Тросик дистанционного управления (12f: 3.7m) - Cable Assy, Remocon (12f:37m) (Cable Assy, Remocon (12f:3.7m))

под заказ6920 руб.
3967320-95580-000

Тросик дистанционного управления (14f: 4.2m) - Cable Assy, Remocon (14f:42m) (Cable Assy, Remocon (14f:4.2m))

под заказ7490 руб.
3967320-93J30-000

   (актуальный код замены) Тросик дистанционного управления (14f: 4.2m) - Cable Assy, Remocon (14f:4.2m)

3 шт7490 руб.
3967320-93J30-000

Тросик дистанционного управления (14f: 4.2m) - Cable Assy, Remocon (14f:42m) (Cable Assy, Remocon (14f:4.2m))

3 шт7490 руб.
3967320-95620-000

Тросик дистанционного управления (18f: 5.4m) - Cable Assy, Remocon (18f:54m) (Cable Assy, Remocon (18f:5.4m))

под заказ8600 руб.
3967320-93J50-000

   (актуальный код замены) Тросик дистанционного управления (18f: 5.4m) - Cable Assy, Remocon (18f:5.4m)

под заказ8600 руб.
3967320-93J50-000

Тросик дистанционного управления (18f: 5.4m) - Cable Assy, Remocon (18f:54m) (Cable Assy, Remocon (18f:5.4m))

под заказ8600 руб.
3967320-95640-000

Тросик дистанционного управления (20f: 6.1m) - Cable Assy, Remocon (20f:61m) (Cable Assy, Remocon (20f:6.1m))

под заказ9170 руб.
3967320-93J60-000

   (актуальный код замены) Тросик дистанционного управления (20f: 6.1m) - Cable Assy, Remocon (20f:6.1m)

под заказ9170 руб.
3967320-93J60-000

Тросик дистанционного управления (20f: 6.1m) - Cable Assy, Remocon (20f:61m) (Cable Assy, Remocon (20f:6.1m))

под заказ9170 руб.
3967320-95650-000

Тросик дистанционного управления (22f: 6.7m) - Cable Assy, Remocon (22f:67m) (Cable Assy, Remocon (22f:6.7m))

под заказ9750 руб.
3967320-93J70-000

   (актуальный код замены) Тросик дистанционного управления (22f: 6.7m) - Cable Assy, Remocon (22f:6.7m)

под заказ9750 руб.
3967320-93J70-000

Тросик дистанционного управления (22f: 6.7m) - Cable Assy, Remocon (22f:67m) (Cable Assy, Remocon (22f:6.7m))

под заказ9750 руб.
4067140-95600-000

Двойной комплект навесного оборудования Remocon - Attachment Kit, Twin Remocon (Attachment, twin remocon kit # Attachment, twin remo-con kit; ) (Attachment Kit, Twin Remocon)

под заказ4300 руб.
4067140-95601-000

   (актуальный код замены) Двойной комплект навесного оборудования Remocon - Attachment Kit, Twin Remocon

под заказ4300 руб.
4167282-95610-000

(Decal, remocon box port; Black)

под заказ0 руб.


Время выполнения запроса 2.1554989814758 сек.

 
 

данный сайт носит информационный характер и не является публичной офертой

склад запчастей для водомоторной техники