|
 |
Раздел:
|
 |
Вернуться к выбору узлов мотора
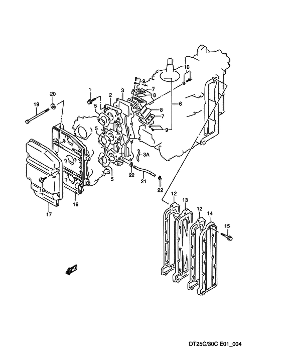
ДЕТАЛИРОВКА ДЛЯ МОДЕЛИ: SUZUKI DT25C K
вход case
Код модели двигателя: DT25CS/L/UL;DT25ACS/L/UL
Год выпуска двигателя: 1989
Номер на рисунке | Артикул | Наименование | QTY | Кол-во на складе | Цена |
1 | 02162-06257-000 | Винт - Screw (Bolt ) (Screw) | | 7 шт | 150 руб. |
2 | 13110-95D01-0ED | (DT25C, 30C MODEL:88, 89 <-3110-95D01-02M) | | под заказ | 0 руб. |
2 | 13110-95D20-0ED | (DT25AC, ARC E34 MODEL:88, 89 <-3110-95D20-02M) | | под заказ | 0 руб. |
2 | 13110-95D60-0ED | (DT25C, 30C MDOEL:90~94 <-3110-95D30-0ED) | | под заказ | 0 руб. |
2 | 13110-95D70-0ED | (DT25AC, ARC E34 MODEL:90~94 <-3110-95D50-0ED) | | под заказ | 0 руб. |
2 | 13111-95D80-0ED | (DT25C, 30C MODEL:95~00) | | под заказ | 0 руб. |
3 | 13121-95D01-000 | Прокладка, вход Case - Gasket, Inlet Case (Gasket, inlet case # DT30C DT25C ~MODEL:98 ) (Gasket, Inlet Case) | | под заказ | 0 руб. |
3 | 13121-95D10-000 | (DT25C MODEL:99, 00) | | под заказ | 0 руб. |
3 | 12485-95D00-000 | (DT25C MODEL:99, 00) | | под заказ | 0 руб. |
4 | 09280-00001-000 | Уплотнительное кольцо (d: 3.5, Id: 120.2) - O Ring (d:35, Id:1202) (OPT ) (O Ring (d:3.5, Id:120.2)) | | под заказ | 360 руб. |
5 | 13125-95D20-000 | Прокладка карбюратора - Gasket, Carburetor (Gasket, carburetor # <-3125-95D10 ) (Gasket, Carburetor) | | 5 шт | 640 руб. |
5 | 13125-95D30-000 | Прокладка карбюратора - Gasket, Carburetor (Gasket, carburetor # MODEL:93~00 ) (Gasket, Carburetor) | | 2 шт | 630 руб. |
6 | 13150-95D00-000 | Клапан в сборе, Lead - Valve Assy, Lead (Reed valve assy ) (Valve Assy, Lead) | | под заказ | 0 руб. |
7 | 13152-95D00-000 | Стопор, Lead Клапан - Stopper, Lead Valve (Stopper, reed valve ) (Stopper, Lead Valve) | | под заказ | 0 руб. |
8 | 13153-95D00-000 | Клапан, Lead - Valve, Lead (Valve, reed ) (Valve, Lead) | | под заказ | 0 руб. |
9 | 02112-33063-000 | Винт - Screw (Screw) | | под заказ | 140 руб. |
9 | 02112-3306A-000 | (актуальный код замены) Винт - Screw | | под заказ | 140 руб. |
9 | 02112-3306A-000 | Винт - Screw (Screw) | | под заказ | 140 руб. |
10 | 02112-35203-000 | Винт - Screw (Screw) | | под заказ | 180 руб. |
10 | 02112-3520B-000 | (актуальный код замены) Винт - Screw | | под заказ | 180 руб. |
10 | 02112-3520B-000 | Винт - Screw (Screw) | | под заказ | 180 руб. |
12 | 14151-95D10-000 | Прокладка кожуха выхлопной трубы - Gasket, Exhaust Cover (Gasket, exhaust cover # <-4151-95D00 ) (Gasket, Exhaust Cover) | | 2 шт | 1740 руб. |
13 | 14131-95D00-000 | Пластина, Выхлоп - Plate, Exhaust (Plate, Exhaust) | | под заказ | 0 руб. |
14 | 14141-95D00-0ED | Выхлопная крышка - Cover, Exhaust (<-4141-95D00-02M ) (Cover, Exhaust) | | под заказ | 0 руб. |
15 | 01550-06307-000 | Болт - Bolt (Bolt) | | 8 шт | 250 руб. |
16 | 13811-95D01-000 | Корпус глушителя - Case, Silencer (Case, Silencer) | | под заказ | 0 руб. |
17 | 13812-95D00-000 | Крышка, Глушитель - Cover, Silencer (Cover, Silencer) | | под заказ | 0 руб. |
18 | 03542-06163-000 | Винт - Screw (Screw) | | под заказ | 140 руб. |
18 | 03541-0616A-000 | (актуальный код замены) Винт - Screw | | под заказ | 140 руб. |
18 | 03541-0616A-000 | Винт - Screw (Screw) | | под заказ | 140 руб. |
19 | 01550-06907-000 | Болт - Bolt (Bolt) | | под заказ | 290 руб. |
20 | 09160-06066-000 | Шайба (6.5x20x1.6) - Washer (65x20x16) (Washer, throttle lever (6.5x20x1.6) ) (Washer (6.5x20x1.6)) | | под заказ | 150 руб. |
21 | 09351-25703-600 | Шланг (2.5x7x600) - Hose (25x7x600) (Hose, outlet no.1 # L:600->0 ~MODEL:94 ) (Hose (2.5x7x600)) | | под заказ | 480 руб. |
22 | 09401-06405-000 | Зажим - Clip (~MODEL:94 ) (Clip) | | под заказ | 160 руб. |
Время выполнения запроса 3.7103469371796 сек. |
|