| |
 |
|
 |
Вернуться к выбору узлов мотора
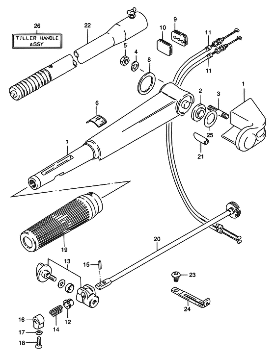
ДЕТАЛИРОВКА ДЛЯ МОДЕЛИ: SUZUKI DT25 L
Handle
Год выпуска двигателя: 1990
Номер на рисунке | Артикул | Наименование | QTY | Кол-во на складе | Цена |
| 1 | 63121-96302-0ED | Крышка румпеля - Cover, Tiller Handle (Cover, tiller handle (gray) # <-3121-96302-02M <-3121-96302-01T ) (Cover, Tiller Handle) | | под заказ | 0 руб. |
| 2 | 63114-94300-000 | Прокладка крышки румпеля - Spacer, Handle Cover (Spacer, handle cover ) (Spacer, Handle Cover) | | под заказ | 680 руб. |
| 2 | 63114-95L00-000 | (актуальный код замены) Прокладка крышки румпеля - Spacer, Handle Cover | | 7 шт | 800 руб. |
| 3 | 09108-08147-000 | Болт под шпильку - Bolt, Stud (Stud bolt ) (Bolt, Stud) | | под заказ | 3840 руб. |
| 4 | 09162-08007-000 | Шайба с блокировкой - Washer, Lock (Lock washer ) (Washer, Lock) | | под заказ | 160 руб. |
| 5 | 09140-08016-000 | Гайка - Nut (Nut) | | под заказ | 190 руб. |
| 5 | 09140-08023-XC0 | Гайка - Nut (Nut) | | 14 шт | 190 руб. |
| 6 | 63215-93400-000 | Маркировка ручки румпеля - Mark, Handle Grip (Mark, handle grip # DT20/25/30 ) (Mark, Handle Grip) | | 1 шт | 290 руб. |
| 6 | 63215-93401-000 | Маркировка, Handle - Mark, Handle (DT20/25/30 FOR E07, E08, E13, E38, E40 ) (Mark, Handle) | | под заказ | 240 руб. |
| 6 | 63215-93450-000 | Маркировка, Handle - Mark, Handle (DT25K ) (Mark, Handle) | | под заказ | 240 руб. |
| 7 | 63111-96330-0ED | Ручка румпеля (gray) - Handle, Tiller (gray) (<-3111-96313-0ED <-3111-96312-02M) (Handle, Tiller (gray)) | | под заказ | 0 руб. |
| 7 | 63111-96332-0ED | (актуальный код замены) Запчасть снята с производства - The Spare Part Is Laid Off | | под заказ | 0 руб. |
| 7 | 63111-96332-0ED | Ручка румпеля (gray) - Handle, Tiller (gray) (Handle, Tiller (gray)) | | под заказ | 0 руб. |
| 8 | 63115-96310-000 | Прокладка внутри крышки румпеля - Spacer, Handle Cover Inside (Spacer, handle cover inside # <-3115-96301 ) (Spacer, Handle Cover Inside) | | 5 шт | 690 руб. |
| 9 | 63625-96300-000 | Пыльник тросика дросселя - Grommet, Throttle Cable (Grommet, throttle cable ) (Grommet, Throttle Cable) | | под заказ | 280 руб. |
| 9 | 63625-96301-000 | (актуальный код замены) Пыльник тросика дросселя - Grommet, Throttle Cable | | под заказ | 280 руб. |
| 10 | 63625-94300-000 | Крышка тросика дросселя - Cap, Throttle Cable (Plug, switch leads # REMOCON ) (Cap, Throttle Cable) | | под заказ | 340 руб. |
| 10 | 63625-94301-000 | (актуальный код замены) Крышка тросика дросселя - Cap, Throttle Cable | | под заказ | 340 руб. |
| 11 | 63610-96302-000 | Тросик дросселя, в сборе - Cable Assy, Throttle (Cable, throttle (l:490) # DT20/25/30 <-3610-96301 ) (Cable Assy, Throttle) | | под заказ | 1860 руб. |
| 11 | 63610-96315-000 | Тросик дросселя, в сборе - Cable Assy, Throttle (DT20/25/30 FOR E07, E08, E13 E38, E40 ) (Cable Assy, Throttle) | | 4 шт | 2030 руб. |
| 11 | 63610-96321-000 | Тросик дросселя, в сборе - Cable Assy, Throttle (DT25K, <-3610-96320) (Cable Assy, Throttle) | | под заказ | 1080 руб. |
| 11 | 63610-91L00-000 | (актуальный код замены) Тросик дросселя, в сборе - Cable Assy, Throttle | | 17 шт | 1750 руб. |
| 11 | SK63610-96321 | (не оригинальный аналог) Трос румпеля Skipper для Suzuki DT9.9-30 | | 0 шт | 568 руб. |
| 11 | 63610-91L00-000 | Тросик дросселя, в сборе - Cable Assy, Throttle (Cable Assy, Throttle) | | 17 шт | 1750 руб. |
| 12 | 63225-93200-000 | Втулка тяги румпеля - Bush, Handle Rod (Bush, handle rod ) (Bush, Handle Rod) | | 16 шт | 480 руб. |
| 13 | 63240-96300-000 | Регулировка румпеля (комплект) Рукоятка - Adjuster Set, Handle Grip (Adjuster, handle grip ) (Adjuster Set, Handle Grip) | | 3 шт | 2490 руб. |
| 14 | 09440-12027-000 | Пружина - Spring (Spring) | | 12 шт | 170 руб. |
| 15 | 63227-93200-000 | Штифт, Handle Тяга - Pin, Handle Rod (Pin, handle rod # L:14 ) (Pin, Handle Rod) | | под заказ | 220 руб. |
| 16 | 63223-92D00-000 | Стопор тяги румпеля - Stopper, Handle Rod (Stopper, handle rod # <-3223-93201 ) (Stopper, Handle Rod) | | под заказ | 430 руб. |
| 17 | 09163-06001-000 | Шайба с блокировкой - Washer, Lock (Washer, Lock) | | 13 шт | 120 руб. |
| 18 | 09126-06006-000 | Винт (6x20) - Screw (6x20) (Screw (6x20)) | | под заказ | 150 руб. |
| 19 | 63210-93E30-000 | Рукоятка румпеля - Grip, Handle (Grip, handle # <-3210-93901 ) (Grip, Handle) | | 1 шт | 3390 руб. |
| 20 | 63220-94303-000 | Тяга румпеля - Rod, Handle (E07, E08, E13, E38, E40 <-3220-94302) (Rod, Handle) | | под заказ | 5000 руб. |
| 20 | 63220-94304-000 | (актуальный код замены) Тяга румпеля - Rod, Handle | | 2 шт | 6250 руб. |
| 20 | 63220-94304-000 | Тяга румпеля - Rod, Handle (Rod, Handle) | | 2 шт | 6250 руб. |
| 20 | 63220-96301-000 | Тяга румпеля - Rod, Handle (<-3220-96300) (Rod, Handle) | | под заказ | 2980 руб. |
| 20 | 63220-96302-000 | (актуальный код замены) Тяга румпеля - Rod, Handle | | под заказ | 2980 руб. |
| 20 | 63220-96302-000 | Тяга румпеля - Rod, Handle (Rod, Handle) | | под заказ | 2980 руб. |
| 20 | SK63220-96302 | (не оригинальный аналог) Вал румпеля Skipper для Suzuki DT9,9-DT40 | | 0 шт | 1247 руб. |
| 21 | 63117-96301-000 | Крышка, Stop Переключатель Провод - Cover, Stop Switch Wire (Cover, stop switch wire # <-3117-96300 ) (Cover, Stop Switch Wire) | | под заказ | 480 руб. |
| 21 | 63117-96302-000 | (актуальный код замены) Крышка, Stop Переключатель Провод - Cover, Stop Switch Wire | | под заказ | 480 руб. |
| 22 | 63300-93900-000 | (OPT) | | под заказ | 0 руб. |
| 23 | 09125-06069-000 | Винт (6x12) - Screw (6x12) (E07, E08, E13, E38, E40 ) (Screw (6x12)) | | под заказ | 180 руб. |
| 24 | 09404-06434-000 | Струбцина (l: 80 T: 1.0) - Clamp (l:80 T:10) (E07, E08, E13, E38, E40 ) (Clamp (l:80 T:1.0)) | | под заказ | 170 руб. |
| 24 | 09404-06036-000 | (актуальный код замены) Струбцина (l: 80) - Clamp (l:80) | | под заказ | 170 руб. |
| 25 | 63118-94300-000 | Регулировочная шайба (0.3) - Shim (03) (Shim (13.2x31x0.3) # MODEL:90~92 ) (Shim (0.3)) | | 4 шт | 370 руб. |
| 25 | 63118-94310-000 | Регулировочная шайба (0.5) - Shim (05) (Shim (0.5) # OPT, MODEL:90~92 ) (Shim (0.5)) | | 14 шт | 570 руб. |
| 26 | 63001-96303-0ED | Румпель в сборе - Tiller Handle Assy (Tiller handle assy (gray) # OPT, NOT SHOWN <-3001-96302-0ED ) (Tiller Handle Assy) | | под заказ | 0 руб. |
Время выполнения запроса 1.2945461273193 сек. |
|