| |
 |
|
 |
Вернуться к выбору узлов мотора
ДЕТАЛИРОВКА ДЛЯ МОДЕЛИ: SUZUKI DT25CM(K-Y) M
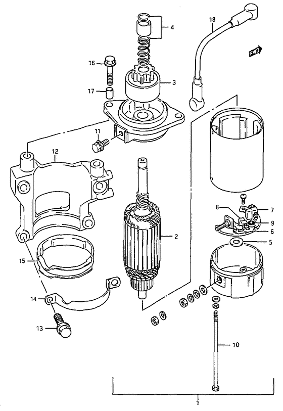
Двигатель электростартера
Код модели двигателя: DT25CS/L; DT25ACS/L
Год выпуска двигателя: 1991
Регион: General Export No.1 ,Код региона: P01
Цвет: California Gray Metallic
Номер на рисунке | Артикул | Наименование | QTY | Кол-во на складе | Цена |
| 1 | 31100-95D00-000 | Двигатель электростартера в сборе - Motor Assy, Starting (Motor, starting ) (Motor Assy, Starting) | | под заказ | 116160 руб. |
| 2 | 31310-96300-000 | Якорь - Armature (Armature, starter ) (Armature) | | 2 шт | 45360 руб. |
| 3 | 31320-94400-000 | Комплект шестерёнок - Pinion Assy (Pinion Assy) | | под заказ | 23620 руб. |
| 4 | 31312-96300-000 | Комплект стопора шестерни - Stopper Set, Pinion (Stopper Set, Pinion) | | 2 шт | 1420 руб. |
| 5 | 31360-96300-000 | Установочная шайба - Washer Set (Washer kit # Washer kit; ) (Washer Set) | | под заказ | 1260 руб. |
| 6 | 31173-96301-000 | Держатель щетки - Holder Assy, Brush (Holder Assy, Brush) | | под заказ | 7780 руб. |
| 6 | 31173-89J00-000 | (актуальный код замены) Держатель щетки - Holder Assy, Brush | | 1 шт | 7780 руб. |
| 6 | 31173-89J00-000 | Держатель щетки - Holder Assy, Brush (Holder Assy, Brush) | | 1 шт | 7780 руб. |
| 7 | 31131-96300-000 | Щётка (+) - Brush (+) (Brush (+); ) (Brush (+)) | | 2 шт | 2080 руб. |
| 8 | 31132-96300-000 | Щётка (-) - Brush (-) (Brush (-); ) (Brush (-)) | | 2 шт | 1110 руб. |
| 9 | 31135-96300-000 | Пружина - Spring (Spring) | | под заказ | 550 руб. |
| 9 | 31135-89J00-000 | (актуальный код замены) Пружина - Spring | | под заказ | 550 руб. |
| 9 | 31135-89J00-000 | Пружина - Spring (Spring) | | под заказ | 550 руб. |
| 10 | 31281-93340-000 | Сквозной болт - Bolt, Through (Bolt, starter housing ) (Bolt, Through) | | под заказ | 410 руб. |
| 11 | 02162-06167-000 | Болт - Bolt (Bolt) | | под заказ | 180 руб. |
| 11 | 01550-06167-000 | (актуальный код замены) Болт - Bolt | | 9 шт | 210 руб. |
| 11 | 01550-06167-000 | Болт - Bolt (Bolt) | | 9 шт | 210 руб. |
| 12 | 31911-95D00-0ED | Кронштейн, Двигатель электростартера (gray) - Bracket, Starting Motor (gray) (Bracket, starting motor ) (Bracket, Starting Motor (gray)) | | под заказ | 0 руб. |
| 13 | 01550-08257-000 | Болт - Bolt (Bolt) | | под заказ | 300 руб. |
| 14 | 31912-95D00-000 | Ремешок двигателя стартера - Band, Starting Motor (Band, Starting Motor) | | под заказ | 800 руб. |
| 15 | 31918-94401-000 | Демпфер, Lwr - Damper, Lwr (Damper, Lwr) | | под заказ | 1040 руб. |
| 15 | 31918-94402-000 | (актуальный код замены) Нижний демпфер - Damper, Lower | | под заказ | 1040 руб. |
| 16 | 01550-06357-000 | Болт - Bolt (Bolt, throttle lever no.2 # Bolt (6x35); ) (Bolt) | | 9 шт | 210 руб. |
| 17 | 04211-09189-000 | Штифт - Pin (Pin) | | под заказ | 120 руб. |
| 18 | 33820-95D01-000 | Кабели, Battery (+) - Cable, Battery (+) (Cable, Battery (+)) | | под заказ | 1420 руб. |
| 18 | 33820-93900-000 | (актуальный код замены) Кабели, Battery (+) - Cable, Battery (+) | | под заказ | 1420 руб. |
| 18 | 33820-93900-000 | Кабели, Battery (+) - Cable, Battery (+) (Cable assy, plus term to relay ) (Cable, Battery (+)) | | под заказ | 1420 руб. |
Время выполнения запроса 0.88060188293457 сек. |
|